Aquí encontrará todas las piezas y dibujos técnicos disponibles de 'Hikoki G13SC2'. Desde aquí podrá pedir todas las piezas deseadas directamente. Para muchas piezas de repuesto, es necesario pasar un pedido al fabricante. Dependiendo de la marca, el plazo de entrega puede variar entre una y cuatro semanas. Toda la información que tenemos está en nuestro sitio web. No podremos aconsejarle sobre lo que necesita hasta que entregue la máquina para su reparación. Tenga en cuenta lo siguiente a la hora de cursar su pedido:
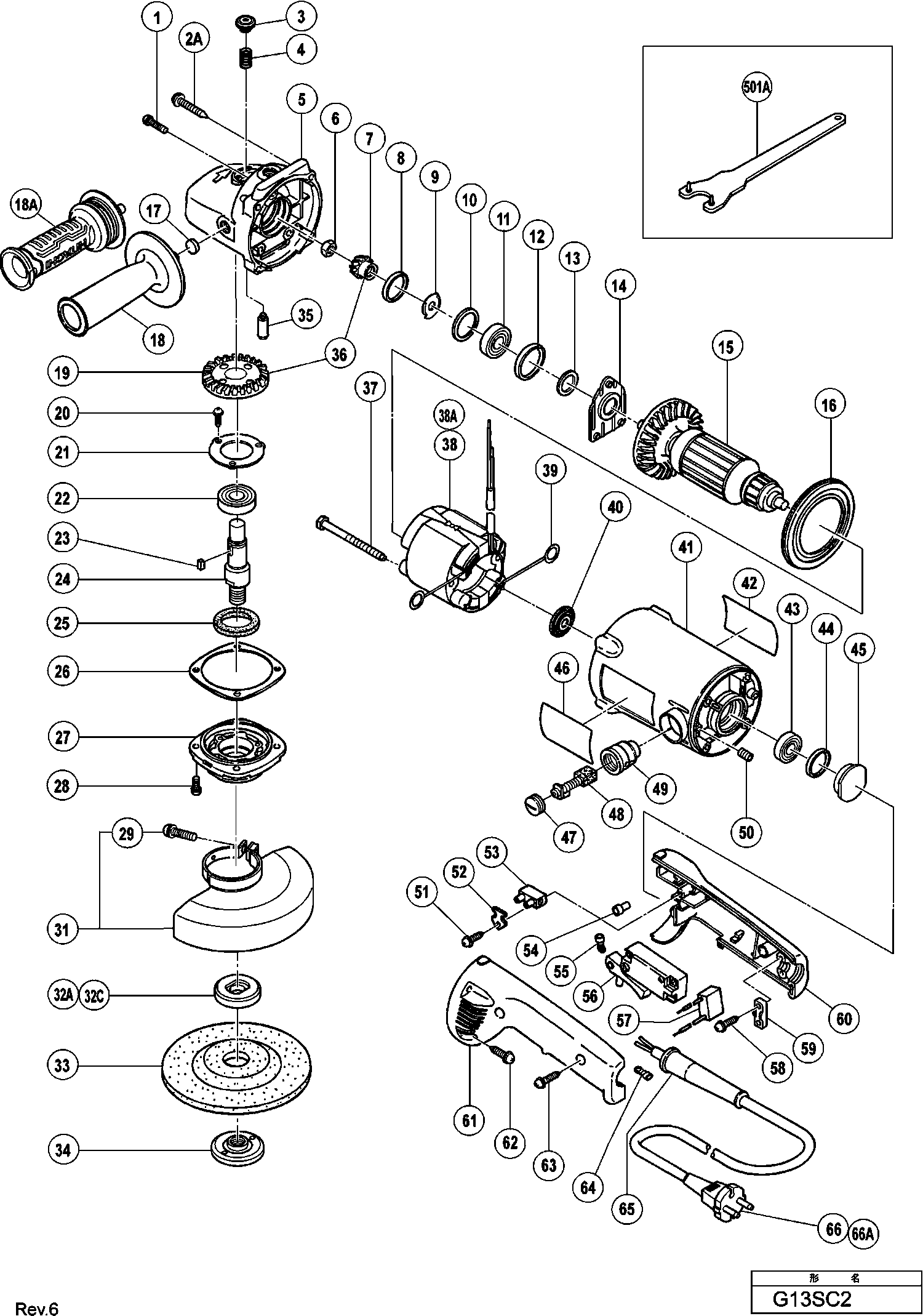
Dibujo técnico de los/las Hikoki G13SC2
Lista de las piezas de repuesto de Hikoki G13SC2
| Pos. | Descripción | Precio con el IVA excluido | Precio con el IVA incluido | |
| Los precios mostrados incluyen el IVA | ||||
| Armature 240v | ||||
| *15 | 360433F | 99.41 | 120.29 | |
| Inducido 220-230 Volt | ||||
| *15 | 360433E | 86.55 | 104.73 | |
| BARRA TOMMY | ||||
| *24 | 315088 | 13.93 | 16.85 | |
| No hay información disponible, no se puede pedir | ||||
| *34 | 994155 | |||
| Conjunto de estator 240v Includ.103 | ||||
| *38 | 340383F | 34.10 | 41.26 | |
| Stator 220v-230v H-90sa Includ.103 Para Nzl,saf | ||||
| *38 | 340383E | 22.28 | 26.95 | |
| VELD 110-115 VOLT | ||||
| *38 | 340383C | 21.28 | 25.75 | |
| Interruptor | ||||
| *56 | 313278 | 22.55 | 27.29 | |
| Protector de cable D8.8 | ||||
| *65 | 380090 | 1.04 | 1.26 | |
| Casquillo del cable D10.1 | ||||
| *65 | 938051 | 1.04 | 1.26 | |
| SNOER 2.5M 2 X 1.0 H05VV-F W/PLUG 13A/250V (OLD 50 | ||||
| *66 | 500423Z | 12.87 | 15.57 | |
| No hay información disponible, no se puede pedir | ||||
| *66A | 323974 | |||
| TORNILLO DE BLOQUEO DE SELLO M4X10 | ||||
| 1 | 303255 | 1.04 | 1.26 | |
| Tornillo autoperforante (con brida) D5x30 (negro) | ||||
| 2A | 333713 | 1.80 | 2.18 | |
| Botón De Empuje | ||||
| 3 | 306888 | 1.04 | 1.26 | |
| Primavera | ||||
| 4 | 306889 | 1.04 | 1.26 | |
| Cubierta de engranaje | ||||
| 5 | 315048 | 36.44 | 44.09 | |
| Tuerca M8 Baja (10 Piezas) | ||||
| 6 | 949568 | 1.50 | 1.82 | |
| ENGANCHE | ||||
| 7 | 315084 | 11.93 | 14.43 | |
| Arandela de sellado | ||||
| 8 | 315055 | 1.05 | 1.27 | |
| Arandela (b) Ds9dva/ds12dva/ds14dv Ds14dva/ds14dvb | ||||
| 9 | 315056 | 1.35 | 1.63 | |
| Arandela | ||||
| 10 | 315054 | 1.20 | 1.45 | |
| Rodamiento de bolas 6200 Dd | ||||
| 11 | 6200DD | 6.00 | 7.26 | |
| Anillo de goma (1) | ||||
| 12 | 315053 | 1.05 | 1.27 | |
| Empaque De Fieltro | ||||
| 13 | 315052 | 1.20 | 1.45 | |
| Cubierta del cojinete (b) | ||||
| 14 | 315051 | 2.40 | 2.90 | |
| Armature 240v | ||||
| 15 | 360433F | 99.41 | 120.29 | |
| Inducido 220-230 Volt | ||||
| 15 | 360433E | 86.55 | 104.73 | |
| Guía de ventilador | ||||
| 16 | 315046 | 1.20 | 1.45 | |
| Arandela de fieltro | ||||
| 17 | 315049 | 1.20 | 1.45 | |
| No hay información disponible, no se puede pedir | ||||
| 18 | 994322 | |||
| No hay información disponible, no se puede pedir | ||||
| 18A | 336865 | |||
| No hay información disponible, no se puede pedir | ||||
| 18B | 381403 | |||
| ENGANCHE | ||||
| 19 | 315085 | 31.89 | 38.58 | |
| TORNILLO DE BLOQUEO DE SELLO M4X10 | ||||
| 20 | 987201 | 1.05 | 1.27 | |
| Cubierta del cojinete RTS 400 REQ | ||||
| 21 | 937077 | 2.78 | 3.36 | |
| Cojinete de bolas 6202dducmps2s (antiguo 956937) | ||||
| 22 | 6202DD | 6.75 | 8.17 | |
| Chaveta 3x3x10 | ||||
| 23 | 940533 | 1.20 | 1.45 | |
| BARRA TOMMY | ||||
| 24 | 315088 | 13.93 | 16.85 | |
| Empaque De Fieltro | ||||
| 25 | 315062 | 1.20 | 1.45 | |
| Junta | ||||
| 26 | 315060 | 1.20 | 1.45 | |
| CUBIERTA DE LA CAJA DE ENGRANAJES | ||||
| 27 | 315061 | 9.44 | 11.42 | |
| No hay información disponible, no se puede pedir | ||||
| 28 | 315636 | |||
| Tornillo de máquina M5x20 (negro) | ||||
| 29 | 995096 | 1.05 | 1.27 | |
| Tornillo Hexagonal Hd M5x20 (10 unidades) | ||||
| 29A | 949757 | 3.00 | 3.63 | |
| No hay información disponible, no se puede pedir | ||||
| 31 | 320213 | |||
| Guarda de rueda Ass'y ( antiguo 320213) | ||||
| 31A | 370411 | 9.00 | 10.89 | |
| No hay información disponible, no se puede pedir | ||||
| 32A | 376202 | |||
| No hay información disponible, no se puede pedir | ||||
| 32B | 376202 | |||
| Arandela de rueda (c) para sartén(120v) | ||||
| 32C | 334456 | 2.10 | 2.54 | |
| No hay información disponible, no se puede pedir | ||||
| 32D | 370448 | |||
| No hay información disponible, no se puede pedir | ||||
| 32E | 380066 | |||
| No hay información disponible, no se puede pedir | ||||
| 33 | 316822 | |||
| BRIDA EXTERIOR | ||||
| 34 | 937923P | 5.40 | 6.53 | |
| No hay información disponible, no se puede pedir | ||||
| 34A | 373779 | |||
| Pasador De Bloqueo | ||||
| 35 | 315050 | 2.40 | 2.90 | |
| Conjunto de engranajes | ||||
| 36 | 315083 | 41.00 | 49.61 | |
| Tornillo de rosca D5x60 | ||||
| 37 | 961501 | 1.04 | 1.26 | |
| Conjunto de estator 240v Includ.103 | ||||
| 38 | 340383F | 34.10 | 41.26 | |
| Stator 220v-230v H-90sa Includ.103 Para Nzl,saf | ||||
| 38 | 340383E | 22.28 | 26.95 | |
| VELD 110-115 VOLT | ||||
| 38 | 340383C | 21.28 | 25.75 | |
| No hay información disponible, no se puede pedir | ||||
| 38A | 340383J | |||
| Punto de contacto del Portaescobillas | ||||
| 39 | 930703 | 2.40 | 2.90 | |
| Sello contra polvo para G13sc2 | ||||
| 40 | 315047 | 2.55 | 3.09 | |
| Caja de carcasa DUO 110 - Conjunto | ||||
| 41 | 315090 | 36.44 | 44.09 | |
| Rodamiento de bolas 608vvmc2eps2l | ||||
| 43 | 608VVM | 5.70 | 6.90 | |
| Tuerca de cierre | ||||
| 44 | 315637 | 1.65 | 2.00 | |
| COJINETE | ||||
| 45 | 315069 | 4.96 | 6.00 | |
| Tapa del cepillo | ||||
| 47 | 945161 | 1.20 | 1.45 | |
| Escobilla de carbono (1 par) | ||||
| 48 | 999043 | 4.50 | 5.44 | |
| Soporte de Cepillo de Carbono | ||||
| 49 | 958900 | 6.45 | 7.80 | |
| Tornillo de ajuste hexagonal M5x8 | ||||
| 50 | 938477 | 1.05 | 1.27 | |
| Tornillo hexagonal M4x6 | ||||
| 50 | 985114 | 1.05 | 1.27 | |
| Tornillo de punta (con brida) D4x12 Hasta 1.2001 | ||||
| 51 | 305720 | 1.05 | 1.27 | |
| No hay información disponible, no se puede pedir | ||||
| 52 | 315086 | |||
| Bloque de Terminal | ||||
| 53 | 938307 | 2.13 | 2.57 | |
| Terminal de soldadura 50091 (10 piezas) | ||||
| 54 | 959140 | 3.30 | 3.99 | |
| Terminal Div.tipos | ||||
| 55 | 311741 | 1.04 | 1.26 | |
| Interruptor | ||||
| 56 | 313278 | 22.55 | 27.29 | |
| Interruptor | ||||
| 56 | 315101 | 20.49 | 24.79 | |
| Interruptor (Tipo de Tornillo 1p) Sin Bloqueo | ||||
| 56 | 320098 | 20.08 | 24.29 | |
| Condensador (antiguo 987178) | ||||
| 57 | 930039 | 1.95 | 2.36 | |
| No hay información disponible, no se puede pedir | ||||
| 58 | 984750 | |||
| Tira de sujeción (antiguo 994566) | ||||
| 59 | 937631 | 1.04 | 1.26 | |
| Mango (a) G18u/g23u y otros | ||||
| 60 | 315063 | 8.70 | 10.53 | |
| Mango (b) | ||||
| 61 | 315064 | 7.45 | 9.01 | |
| Tornillo autoperforante (con brida) D5x20 (negro) | ||||
| 62 | 302089 | 1.05 | 1.27 | |
| Tornillo autoperforante (con brida) D4x20 (negro) | ||||
| 63 | 302086 | 1.05 | 1.27 | |
| Terminal de Conexión | ||||
| 64 | 980063 | 1.04 | 1.26 | |
| Protector de cable D8.8 | ||||
| 65 | 380090 | 1.04 | 1.26 | |
| Casquillo del cable D10.1 | ||||
| 65 | 938051 | 1.04 | 1.26 | |
| SNOER 2.5M 2 X 1.0 H05VV-F W/PLUG 13A/250V (OLD 50 | ||||
| 66 | 500423Z | 12.87 | 15.57 | |
| No hay información disponible, no se puede pedir | ||||
| 66A | 323974 | |||
| No hay información disponible, no se puede pedir | ||||
| 501A | 325491 | |||
| No hay información disponible, no se puede pedir | ||||
| 501B | 376127 | |||
| No hay información disponible, no se puede pedir | ||||
| 502 | 944458 | |||
| No hay información disponible, no se puede pedir | ||||
| 601 | 994325 | |||
| No hay información disponible, no se puede pedir | ||||
| 602 | 994326 | |||
| No hay información disponible, no se puede pedir | ||||
| 603 | 994327 | |||
| No hay información disponible, no se puede pedir | ||||
| 604 | 994328 | |||
| No hay información disponible, no se puede pedir | ||||
| 605 | 994329 | |||
| No hay información disponible, no se puede pedir | ||||
| 606 | 307007 | |||
| No hay información disponible, no se puede pedir | ||||
| 607 | 310392 | |||
| No hay información disponible, no se puede pedir | ||||
| 608 | 937907Z | |||
| Unión de Mango | ||||
| 610 | 994309 | 14.03 | 16.97 | |
| No hay información disponible, no se puede pedir | ||||
| 611 | 310337 | |||
| No hay información disponible, no se puede pedir | ||||
| 612 | 332790 | |||