Aquí encontrará todas las piezas y dibujos técnicos disponibles de 'Hikoki G13VE'. Desde aquí podrá pedir todas las piezas deseadas directamente. Para muchas piezas de repuesto, es necesario pasar un pedido al fabricante. Dependiendo de la marca, el plazo de entrega puede variar entre una y cuatro semanas. Toda la información que tenemos está en nuestro sitio web. No podremos aconsejarle sobre lo que necesita hasta que entregue la máquina para su reparación. Tenga en cuenta lo siguiente a la hora de cursar su pedido:
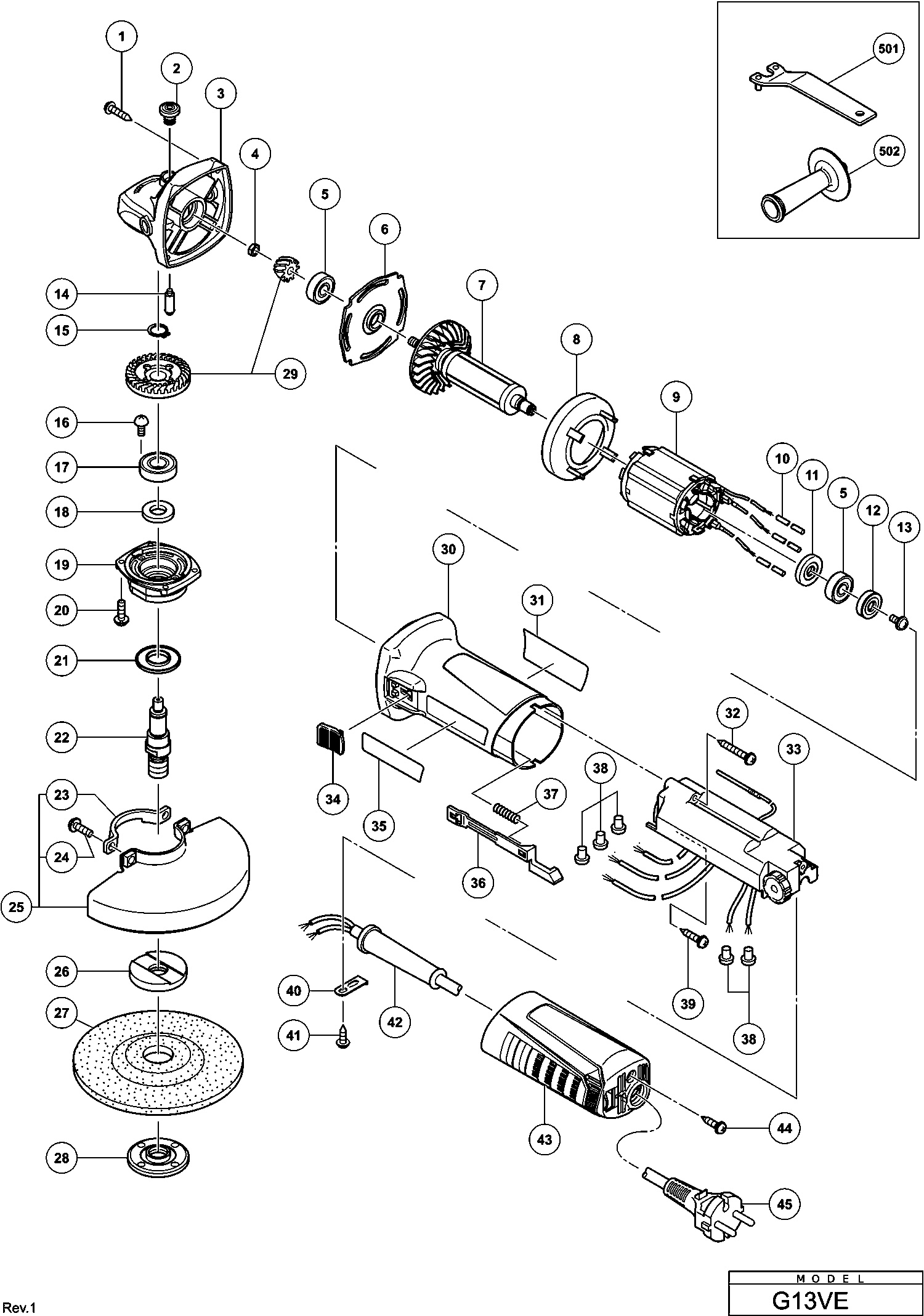
Dibujo técnico de los/las Hikoki G13VE
Lista de las piezas de repuesto de Hikoki G13VE
| Pos. | Descripción | Precio con el IVA excluido | Precio con el IVA incluido | |
| Los precios mostrados incluyen el IVA | ||||
| Terminal de soldadura 50091 (10 piezas) | ||||
| *38 | 959140 | 3.30 | 3.99 | |
| No hay información disponible, no se puede pedir | ||||
| *502A | 994322 | |||
| Tornillo Autoperforante (con Brida) D4x23 (negro) | ||||
| 1 | 328643 | 1.05 | 1.27 | |
| Botón De Empuje | ||||
| 2 | 301944 | 1.04 | 1.26 | |
| No hay información disponible, no se puede pedir | ||||
| 3 | 338332 | |||
| GEAR COVER ASS'Y (OUD 338332) | ||||
| 3A | 370914 | 5.28 | 6.39 | |
| Tuerca M6 | ||||
| 4 | 309191 | 1.04 | 1.26 | |
| Rodamiento de bolas 608ss | ||||
| 5 | 338337 | 2.25 | 2.72 | |
| Rodamiento de bolas 608ddmc2eps2s | ||||
| 5A | 608DDM | 5.55 | 6.72 | |
| Cubierta del engranaje Ass'y Incl.3,17 | ||||
| 6 | 334940 | 2.10 | 2.54 | |
| No hay información disponible, no se puede pedir | ||||
| 7 | 361032 | |||
| ROTOR (ANCIANO 361032) | ||||
| 7A | 361154 | 64.21 | 77.70 | |
| Guía del ventilador | ||||
| 8 | 338346 | 1.04 | 1.26 | |
| Stator Ass'y 220v-240v incluido.63 | ||||
| 9 | 340917E | 24.48 | 29.61 | |
| Estator 230V | ||||
| 9 | 340917C | 21.04 | 25.46 | |
| Tubo | ||||
| 10 | 339346 | 1.04 | 1.26 | |
| SELLADO DE POLVO | ||||
| 11 | 338336 | 1.04 | 1.26 | |
| No hay información disponible, no se puede pedir | ||||
| 12A | 370010 | |||
| No hay información disponible, no se puede pedir | ||||
| 12B | 371232 | |||
| IMÁN DE SENSOR (ANTIGUO 371232) | ||||
| 12C | 374287 | 12.15 | 14.70 | |
| Tornillo de bloqueo (con arandela sp.) M4x12 | ||||
| 13 | 338341 | 1.04 | 1.26 | |
| Pasador De Bloqueo | ||||
| 14 | 301943 | 1.65 | 2.00 | |
| Arandela de resorte D12 (10 piezas) | ||||
| 15 | 939542 | 1.50 | 1.82 | |
| Tornillo de cabeza ranurada (bloqueo de sello) M4 | ||||
| 16 | 334942 | 1.20 | 1.45 | |
| Tornillo de cabeza ranurada (bloqueo de sello) M4 | ||||
| 16A | 371814 | 1.04 | 1.26 | |
| Rodamiento de bolas 6001vvcmps2l | ||||
| 17 | 6001VV | 6.60 | 7.99 | |
| Empaque De Fieltro | ||||
| 18 | 301946 | 1.04 | 1.26 | |
| Glándula de embalaje | ||||
| 19 | 334938 | 4.20 | 5.08 | |
| Tornillo de bloqueo (con arandela sp.) M4x12 | ||||
| 20 | 307127 | 1.05 | 1.27 | |
| Aro De Lanzamiento | ||||
| 21 | 301945 | 1.05 | 1.27 | |
| HUSILLO | ||||
| 22 | 339144 | 3.60 | 4.36 | |
| Anillo de sujeción para cubierta de protección | ||||
| 23 | 301949 | 1.04 | 1.26 | |
| Tornillo M5 | ||||
| 24 | 338868 | 1.04 | 1.26 | |
| CUBIERTA PROTECTORA | ||||
| 25 | 331766 | 10.80 | 13.07 | |
| CUBIERTA PROTECTORA | ||||
| 25 | 337231 | 10.35 | 12.52 | |
| No hay información disponible, no se puede pedir | ||||
| 26 | 310338 | |||
| No hay información disponible, no se puede pedir | ||||
| 27 | 316822 | |||
| Ya no disponible, sin reemplazo | ||||
| 28A | 339580 | |||
| No hay información disponible, no se puede pedir | ||||
| 28B | 339579 | |||
| Conjunto de engranaje y piñón | ||||
| 29 | 338338 | 7.95 | 9.62 | |
| CARCASA | ||||
| 30 | 338329 | 4.80 | 5.81 | |
| CARCASA | ||||
| 30A | 338329 | 4.80 | 5.81 | |
| Tornillo de golpeteo (con brida) D4x40 (negro) | ||||
| 32 | 306664 | 1.05 | 1.27 | |
| CONTROLADOR 220-240 VOLTIOS (ANTIGUO 339143) | ||||
| 33 | 373789 | 121.00 | 146.41 | |
| Deslizador del interruptor | ||||
| 34 | 338854 | 1.04 | 1.26 | |
| No hay información disponible, no se puede pedir | ||||
| 36 | 370130 | |||
| TREKSTANG (OUD 370130) | ||||
| 36A | 377948 | 1.00 | 1.21 | |
| Muelle | ||||
| 37 | 314429 | 1.04 | 1.26 | |
| Terminal de soldadura 50091 (10 piezas) | ||||
| 38 | 959140 | 3.30 | 3.99 | |
| Tornillo de roscado D4x20 con brida (negro) | ||||
| 39 | 301653 | 1.04 | 1.26 | |
| Clip del Cordón | ||||
| 40 | 338334 | 1.04 | 1.26 | |
| Tornillo de punta (con brida) D4x12 Hasta 1.2001 | ||||
| 41 | 305720 | 1.05 | 1.27 | |
| No hay información disponible, no se puede pedir | ||||
| 42 | 953327 | |||
| Cubierta de Cola | ||||
| 43 | 339142 | 3.75 | 4.54 | |
| No hay información disponible, no se puede pedir | ||||
| 44 | 307811 | |||
| SNOER 10.7 (USE 714500=2X1 5M) | ||||
| 45 | 500247Z | 6.18 | 7.48 | |
| CABLE (CORD ARMOR D10.7) | ||||
| 45A | 500492Z | 6.45 | 7.80 | |
| Bolt de Hex. Socket Hd. (con arandelas) M5x20 | ||||
| 46 | 316107 | 1.80 | 2.18 | |
| Tubo | ||||
| 47 | 372980 | 1.04 | 1.26 | |
| PACKING GLAND GEAR ASS'Y NEW | ||||
| 48 | 381623 | 13.58 | 16.43 | |
| No hay información disponible, no se puede pedir | ||||
| 501 | 938332Z | |||
| No hay información disponible, no se puede pedir | ||||
| 502 | 336865 | |||
| No hay información disponible, no se puede pedir | ||||
| 502A | 994322 | |||
| No hay información disponible, no se puede pedir | ||||
| 503 | 944458 | |||
| No hay información disponible, no se puede pedir | ||||
| 601 | 994325 | |||
| No hay información disponible, no se puede pedir | ||||
| 602 | 937826Z | |||
| No hay información disponible, no se puede pedir | ||||
| 603 | 937825Z | |||
| No hay información disponible, no se puede pedir | ||||
| 604 | 314062 | |||
| No hay información disponible, no se puede pedir | ||||
| 605 | 314063 | |||
| No hay información disponible, no se puede pedir | ||||
| 606 | 314064 | |||
| No hay información disponible, no se puede pedir | ||||
| 607 | 314065 | |||
| No hay información disponible, no se puede pedir | ||||
| 608 | 314066 | |||
| No hay información disponible, no se puede pedir | ||||
| 609 | 314067 | |||
| No hay información disponible, no se puede pedir | ||||
| 610 | 314068 | |||
| No hay información disponible, no se puede pedir | ||||
| 611 | 314069 | |||
| No hay información disponible, no se puede pedir | ||||
| 612 | 314070 | |||
| No hay información disponible, no se puede pedir | ||||
| 613 | 314071 | |||
| No hay información disponible, no se puede pedir | ||||
| 614 | 314072 | |||
| Protector de Rueda Sin Herramientas 125mm Incl.27 | ||||
| 615 | 333840 | 6.15 | 7.44 | |