Aquí encontrará todas las piezas y dibujos técnicos disponibles de 'Hikoki G14DMR'. Desde aquí podrá pedir todas las piezas deseadas directamente. Para muchas piezas de repuesto, es necesario pasar un pedido al fabricante. Dependiendo de la marca, el plazo de entrega puede variar entre una y cuatro semanas. Toda la información que tenemos está en nuestro sitio web. No podremos aconsejarle sobre lo que necesita hasta que entregue la máquina para su reparación. Tenga en cuenta lo siguiente a la hora de cursar su pedido:
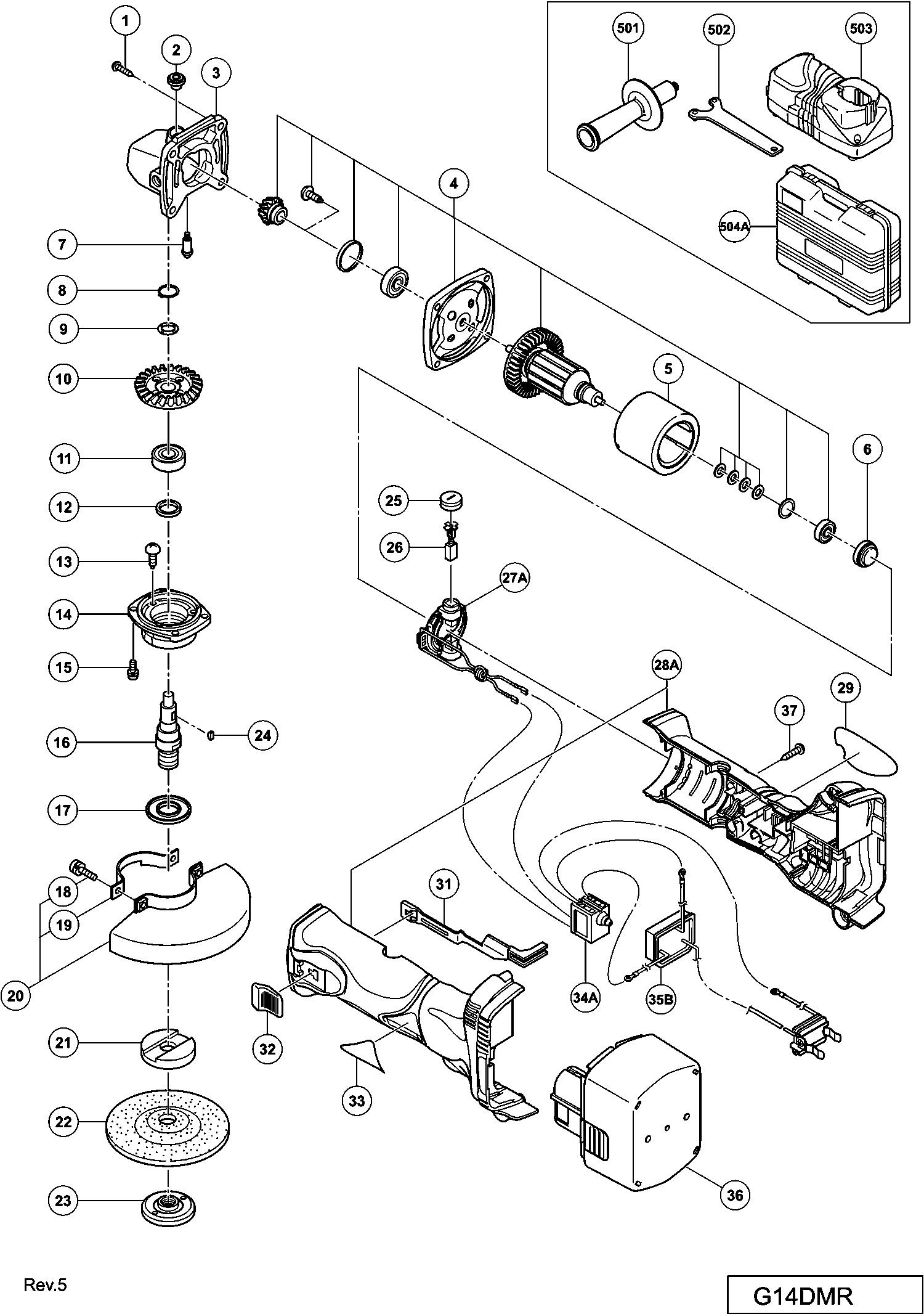
Dibujo técnico de los/las Hikoki G14DMR
Lista de las piezas de repuesto de Hikoki G14DMR
| Pos. | Descripción | Precio con el IVA excluido | Precio con el IVA incluido | |
| Los precios mostrados incluyen el IVA | ||||
| Tornillo Autoperforante (con Brida) D4x23 (negro) | ||||
| 1 | 328643 | 1.05 | 1.27 | |
| Botón De Empuje | ||||
| 2 | 301944 | 1.04 | 1.26 | |
| Ensamblaje de la cubierta del engranaje Includ.2,7 | ||||
| 3 | 303078 | 9.00 | 10.89 | |
| Conjunto de Armadura y Piñón | ||||
| 4 | 360803 | 81.68 | 98.83 | |
| Imán | ||||
| 5 | 328195 | 18.84 | 22.79 | |
| Anillo de goma (1) | ||||
| 6 | 328201 | 1.05 | 1.27 | |
| Pasador De Bloqueo | ||||
| 7 | 301943 | 1.65 | 2.00 | |
| Anillo de Retención para Eje D11 Hasta 9.2012 | ||||
| 8 | 316487 | 1.65 | 2.00 | |
| Arandela | ||||
| 9 | 316486 | 1.65 | 2.00 | |
| ENGANCHE | ||||
| 10 | 328196 | 11.70 | 14.16 | |
| Rodamiento de bolas 6001vvcmps2l | ||||
| 11 | 6001VV | 6.60 | 7.99 | |
| Empaque De Fieltro | ||||
| 12 | 301946 | 1.04 | 1.26 | |
| No hay información disponible, no se puede pedir | ||||
| 13 | 301936 | |||
| Cubierta interior | ||||
| 14 | 328198 | 3.15 | 3.81 | |
| Tornillo de bloqueo (con arandela sp.) M4x12 | ||||
| 15 | 307127 | 1.05 | 1.27 | |
| Husillo M14 | ||||
| 16 | 328359 | 4.20 | 5.08 | |
| Aro De Lanzamiento | ||||
| 17 | 301945 | 1.05 | 1.27 | |
| Tornillo de máquina (con arandela) M5x16 (negro) | ||||
| 18 | 308386 | 1.05 | 1.27 | |
| Anillo de sujeción para cubierta de protección | ||||
| 19 | 301949 | 1.04 | 1.26 | |
| CUBIERTA PROTECTORA | ||||
| 20 | 315492 | 12.75 | 15.43 | |
| No hay información disponible, no se puede pedir | ||||
| 21 | 937817Z | |||
| No hay información disponible, no se puede pedir | ||||
| 22 | 316821 | |||
| No hay información disponible, no se puede pedir | ||||
| 23 | 994324 | |||
| Chaveta de Woodruff G12s2/g13sd | ||||
| 24 | 302047 | 1.05 | 1.27 | |
| Tapa del cepillo | ||||
| 25 | 328200 | 2.10 | 2.54 | |
| Cepillos de carbono 5x6x11,5 (2 piezas) | ||||
| 26 | 999054 | 6.45 | 7.80 | |
| Bloque de cepillo completo | ||||
| 27A | 334696 | 7.05 | 8.53 | |
| Carcasa completa | ||||
| 28A | 329059 | 45.65 | 55.24 | |
| No hay información disponible, no se puede pedir | ||||
| 31 | 328199 | |||
| Deslizador del interruptor | ||||
| 32 | 314428 | 1.04 | 1.26 | |
| Ya no disponible, sin reemplazo | ||||
| 34A | 329057 | |||
| Set de terminales del controlador | ||||
| 35B | 334593 | 41.80 | 50.58 | |
| No hay información disponible, no se puede pedir | ||||
| 36 | 315130 | |||
| Tornillo de roscado D4x20 con brida (negro) | ||||
| 37 | 301653 | 1.04 | 1.26 | |
| Asa lateral G13sr3 | ||||
| 501 | 318312 | 7.50 | 9.08 | |
| No hay información disponible, no se puede pedir | ||||
| 502 | 938332Z | |||
| No hay información disponible, no se puede pedir | ||||
| 504A | 339041 | |||
| No hay información disponible, no se puede pedir | ||||
| 601 | 937826Z | |||
| No hay información disponible, no se puede pedir | ||||
| 602 | 937825Z | |||
| No hay información disponible, no se puede pedir | ||||
| 603 | 314095 | |||
| No hay información disponible, no se puede pedir | ||||
| 604 | 314096 | |||
| No hay información disponible, no se puede pedir | ||||
| 605 | 314097 | |||
| No hay información disponible, no se puede pedir | ||||
| 606 | 314098 | |||
| No hay información disponible, no se puede pedir | ||||
| 607 | 314099 | |||
| No hay información disponible, no se puede pedir | ||||
| 608 | 314100 | |||
| No hay información disponible, no se puede pedir | ||||
| 609 | 314101 | |||
| No hay información disponible, no se puede pedir | ||||
| 610 | 314102 | |||
| No hay información disponible, no se puede pedir | ||||
| 611 | 314103 | |||
| No hay información disponible, no se puede pedir | ||||
| 612 | 314104 | |||
| No hay información disponible, no se puede pedir | ||||
| 613 | 314105 | |||
| No hay información disponible, no se puede pedir | ||||
| 614 | 332785 | |||