Aquí encontrará todas las piezas y dibujos técnicos disponibles de 'Hikoki G18DBBVL'. Desde aquí podrá pedir todas las piezas deseadas directamente. Para muchas piezas de repuesto, es necesario pasar un pedido al fabricante. Dependiendo de la marca, el plazo de entrega puede variar entre una y cuatro semanas. Toda la información que tenemos está en nuestro sitio web. No podremos aconsejarle sobre lo que necesita hasta que entregue la máquina para su reparación. Tenga en cuenta lo siguiente a la hora de cursar su pedido:
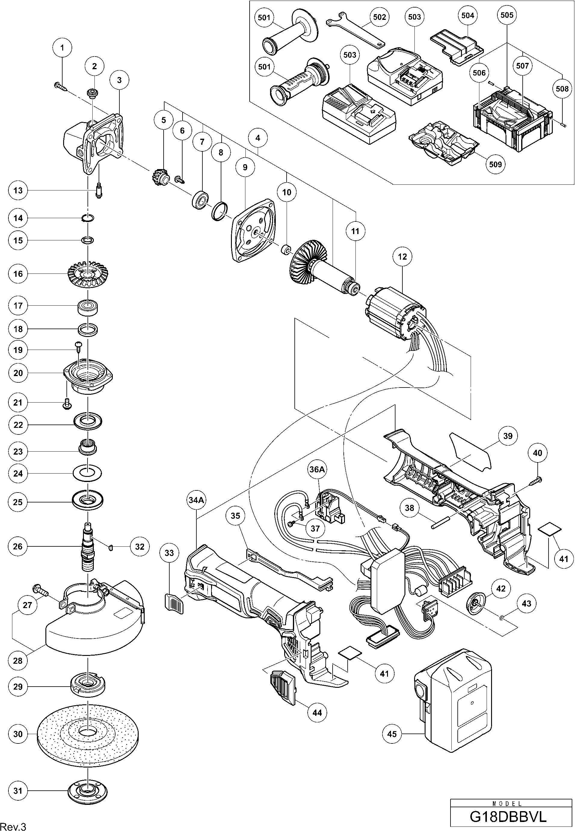
Dibujo técnico de los/las Hikoki G18DBBVL
Lista de las piezas de repuesto de Hikoki G18DBBVL
| Pos. | Descripción | Precio con el IVA excluido | Precio con el IVA incluido | |
| Los precios mostrados incluyen el IVA | ||||
| Asa lateral G13sr3 | ||||
| *501 | 318312 | 7.50 | 9.08 | |
| Tornillo Autoperforante (con Brida) D4x23 (negro) | ||||
| 1 | 328643 | 1.05 | 1.27 | |
| Botón De Empuje | ||||
| 2 | 301944 | 1.04 | 1.26 | |
| Caja de engranajes | ||||
| 3 | 339183 | 14.99 | 18.13 | |
| Conjunto de Cubierta Interna del Rotor Inclu.5-11 | ||||
| 4 | 360991 | 125.68 | 152.07 | |
| Piñón (1) | ||||
| 5 | 371811 | 4.65 | 5.63 | |
| Tornillo de cabeza ranurada (bloqueo de sello) M4 | ||||
| 6 | 371814 | 1.04 | 1.26 | |
| RODAMIENTO DE BOLAS | ||||
| 7 | 371033 | 3.15 | 3.81 | |
| Anillo de Goma (a) | ||||
| 8 | 328453 | 1.80 | 2.18 | |
| Cubierta interior | ||||
| 9 | 371816 | 7.50 | 9.08 | |
| Anillo de Distancia (a) | ||||
| 10 | 371927 | 1.04 | 1.26 | |
| Rodamiento de bolas 625dd | ||||
| 11 | 333826 | 5.10 | 6.17 | |
| Montaje de cableado Incl.34 | ||||
| 12 | 371687 | 140.66 | 170.20 | |
| Pasador De Bloqueo | ||||
| 13 | 301943 | 1.65 | 2.00 | |
| Anillo de Retención para Eje D11 Hasta 9.2012 | ||||
| 14 | 316487 | 1.65 | 2.00 | |
| Arandela | ||||
| 15 | 316486 | 1.65 | 2.00 | |
| ENGANCHE | ||||
| 16 | 328364 | 11.70 | 14.16 | |
| Rodamiento de bolas 6001dducmps2s (antiguo 980925) | ||||
| 17 | 6001DD | 6.45 | 7.80 | |
| Empaque de fieltro | ||||
| 18 | 372126 | 1.04 | 1.26 | |
| No hay información disponible, no se puede pedir | ||||
| 19 | 301936 | |||
| Tornillo de cabeza ranurada (sellos) M4x10 | ||||
| 19A | 314430 | 1.05 | 1.27 | |
| GLANDULA DE EMBALAJE | ||||
| 20 | 372124 | 2.70 | 3.27 | |
| Tornillo de bloqueo (con arandela sp.) M4x12 | ||||
| 21 | 307127 | 1.05 | 1.27 | |
| Fringer | ||||
| 22 | 372183 | 1.04 | 1.26 | |
| MANGUITO (B) | ||||
| 23 | 371672 | 3.45 | 4.17 | |
| RESORTE BELLEVILLE (B) | ||||
| 24 | 371673 | 8.40 | 10.16 | |
| CUERPO DE SOPORTE (B) | ||||
| 25 | 371674 | 1.35 | 1.63 | |
| Husillo (e) | ||||
| 26 | 371685 | 6.45 | 7.80 | |
| Tornillo M5 | ||||
| 27 | 338868 | 1.04 | 1.26 | |
| Protector de Rueda Sin Herramientas 125mm Incl.27 | ||||
| 28 | 333840 | 6.15 | 7.44 | |
| Arandela de rueda (c) | ||||
| 29 | 371677 | 4.35 | 5.26 | |
| No hay información disponible, no se puede pedir | ||||
| 30 | 316822 | |||
| No hay información disponible, no se puede pedir | ||||
| 31 | 339579 | |||
| Chaveta de Woodruff G12s2/g13sd | ||||
| 32 | 302047 | 1.05 | 1.27 | |
| Deslizador del interruptor | ||||
| 33 | 314428 | 1.04 | 1.26 | |
| No hay información disponible, no se puede pedir | ||||
| 34A | 373741 | |||
| HOUSING SET (A+B) (OLD 373741) | ||||
| 34D | 373740 | 21.50 | 26.02 | |
| Barra deslizante | ||||
| 35 | 371682 | 1.04 | 1.26 | |
| INTERRUPTOR | ||||
| 36A | 371322 | 12.30 | 14.88 | |
| Tornillo de máquina (con arandela) M3.5x6 | ||||
| 37 | 307887 | 1.04 | 1.26 | |
| PASADOR | ||||
| 38 | 338869 | 1.04 | 1.26 | |
| Tornillo de roscado D4x20 con brida (negro) | ||||
| 40 | 301653 | 1.04 | 1.26 | |
| Cojín de goma (b) | ||||
| 41 | 338871 | 1.04 | 1.26 | |
| Dial | ||||
| 42 | 337875 | 2.85 | 3.45 | |
| Anillo O (i.d 2.8) | ||||
| 43 | 338981 | 1.04 | 1.26 | |
| Filtro | ||||
| 44 | 338870 | 1.05 | 1.27 | |
| No hay información disponible, no se puede pedir | ||||
| 45 | 335790 | |||
| Asa lateral G13sr3 | ||||
| 501 | 318312 | 7.50 | 9.08 | |
| No hay información disponible, no se puede pedir | ||||
| 502 | 938332Z | |||
| Tapa protectora para batería | ||||
| 504 | 329897 | 1.80 | 2.18 | |
| No hay información disponible, no se puede pedir | ||||
| 505 | 336471 | |||
| No hay información disponible, no se puede pedir | ||||
| 506 | 336472 | |||
| No hay información disponible, no se puede pedir | ||||
| 507 | 336473 | |||
| No hay información disponible, no se puede pedir | ||||
| 508 | 336474 | |||
| No hay información disponible, no se puede pedir | ||||
| 509 | 338872 | |||
| No hay información disponible, no se puede pedir | ||||
| 601 | 937826Z | |||
| No hay información disponible, no se puede pedir | ||||
| 602 | 937825Z | |||
| No hay información disponible, no se puede pedir | ||||
| 603 | 314062 | |||
| No hay información disponible, no se puede pedir | ||||
| 604 | 314063 | |||
| No hay información disponible, no se puede pedir | ||||
| 605 | 314064 | |||
| No hay información disponible, no se puede pedir | ||||
| 606 | 314065 | |||
| No hay información disponible, no se puede pedir | ||||
| 607 | 314066 | |||
| No hay información disponible, no se puede pedir | ||||
| 608 | 314067 | |||
| No hay información disponible, no se puede pedir | ||||
| 609 | 314068 | |||
| No hay información disponible, no se puede pedir | ||||
| 610 | 314069 | |||
| No hay información disponible, no se puede pedir | ||||
| 611 | 314070 | |||
| No hay información disponible, no se puede pedir | ||||
| 612 | 314071 | |||
| No hay información disponible, no se puede pedir | ||||
| 613 | 314072 | |||