Aquí encontrará todas las piezas y dibujos técnicos disponibles de 'Hikoki G18DBVL'. Desde aquí podrá pedir todas las piezas deseadas directamente. Para muchas piezas de repuesto, es necesario pasar un pedido al fabricante. Dependiendo de la marca, el plazo de entrega puede variar entre una y cuatro semanas. Toda la información que tenemos está en nuestro sitio web. No podremos aconsejarle sobre lo que necesita hasta que entregue la máquina para su reparación. Tenga en cuenta lo siguiente a la hora de cursar su pedido:
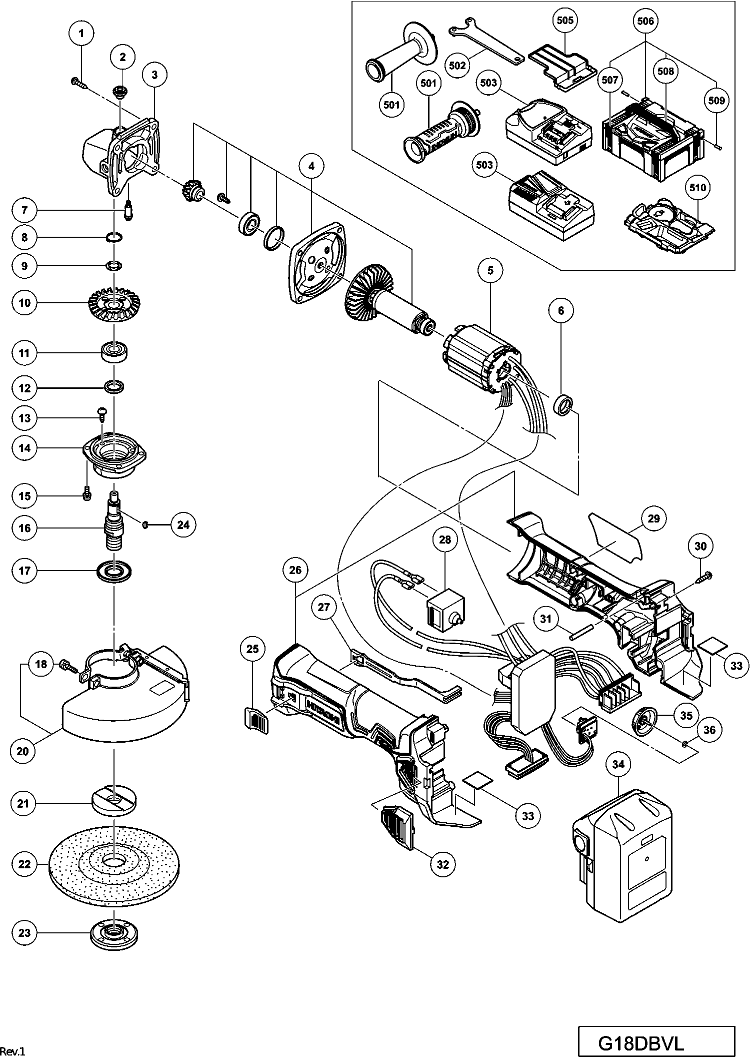
Dibujo técnico de los/las Hikoki G18DBVL
Lista de las piezas de repuesto de Hikoki G18DBVL
| Pos. | Descripción | Precio con el IVA excluido | Precio con el IVA incluido | |
| Los precios mostrados incluyen el IVA | ||||
| Asa lateral G13sr3 | ||||
| *501 | 318312 | 7.50 | 9.08 | |
| Tornillo Autoperforante (con Brida) D4x23 (negro) | ||||
| 1 | 328643 | 1.05 | 1.27 | |
| Botón De Empuje | ||||
| 2 | 301944 | 1.04 | 1.26 | |
| Caja de engranajes | ||||
| 3 | 339183 | 14.99 | 18.13 | |
| Conjunto de Cubierta Interna del Rotor Inclu.5-11 | ||||
| 4 | 360991 | 125.68 | 152.07 | |
| Conjunto de Cubierta Interna del Rotor Inclu.5-11 | ||||
| 4A | 360991 | 125.68 | 152.07 | |
| Ensamblaje de cableado (18v Single) Incl..28 | ||||
| 5 | 337876 | 249.84 | 302.30 | |
| MANGUITO ROSCADO | ||||
| 6 | 338867 | 1.80 | 2.18 | |
| Pasador De Bloqueo | ||||
| 7 | 301943 | 1.65 | 2.00 | |
| Anillo de Retención para Eje D11 Hasta 9.2012 | ||||
| 8 | 316487 | 1.65 | 2.00 | |
| Arandela | ||||
| 9 | 316486 | 1.65 | 2.00 | |
| ENGANCHE | ||||
| 10 | 328364 | 11.70 | 14.16 | |
| Rodamiento de bolas 6001vvcmps2l | ||||
| 11 | 6001VV | 6.60 | 7.99 | |
| Empaque De Fieltro | ||||
| 12 | 301946 | 1.04 | 1.26 | |
| No hay información disponible, no se puede pedir | ||||
| 13 | 301936 | |||
| Tornillo de cabeza ranurada (sellos) M4x10 | ||||
| 13A | 314430 | 1.05 | 1.27 | |
| Cubierta interior | ||||
| 14 | 328198 | 3.15 | 3.81 | |
| Tornillo de bloqueo (con arandela sp.) M4x12 | ||||
| 15 | 307127 | 1.05 | 1.27 | |
| Husillo M14 | ||||
| 16 | 328359 | 4.20 | 5.08 | |
| Aro De Lanzamiento | ||||
| 17 | 301945 | 1.05 | 1.27 | |
| Tornillo M5 | ||||
| 18 | 338868 | 1.04 | 1.26 | |
| Protector de Rueda Sin Herramientas 125mm Incl.27 | ||||
| 20 | 333840 | 6.15 | 7.44 | |
| No hay información disponible, no se puede pedir | ||||
| 21 | 937817Z | |||
| No hay información disponible, no se puede pedir | ||||
| 21A | 376067 | |||
| No hay información disponible, no se puede pedir | ||||
| 22 | 316822 | |||
| Ya no disponible, sin reemplazo | ||||
| 23A | 339580 | |||
| No hay información disponible, no se puede pedir | ||||
| 23B | 339579 | |||
| Chaveta de Woodruff G12s2/g13sd | ||||
| 24 | 302047 | 1.05 | 1.27 | |
| Deslizador del interruptor | ||||
| 25 | 314428 | 1.04 | 1.26 | |
| Ya no disponible, sin reemplazo | ||||
| 26 | 338863 | |||
| CONJUNTO DE VIVIENDA (A+B) VERDE (ANTIGUO 338863) | ||||
| 26A | 373735 | 26.54 | 32.11 | |
| CONJUNTO DE VIVIENDA (A+B) VERDE (ANTIGUO 338863) | ||||
| 26C | 373735 | 26.54 | 32.11 | |
| Varilla de acoplamiento DF 700 | ||||
| 27 | 337871 | 1.04 | 1.26 | |
| Ya no disponible, sin reemplazo | ||||
| 28 | 329057 | |||
| Interruptor | ||||
| 28A | 373565 | 4.65 | 5.63 | |
| Tornillo de roscado D4x20 con brida (negro) | ||||
| 30 | 301653 | 1.04 | 1.26 | |
| PASADOR | ||||
| 31 | 338869 | 1.04 | 1.26 | |
| Filtro | ||||
| 32 | 338870 | 1.05 | 1.27 | |
| Cojín de goma (b) | ||||
| 33 | 338871 | 1.04 | 1.26 | |
| No hay información disponible, no se puede pedir | ||||
| 34 | 336385 | |||
| Dial | ||||
| 35 | 337875 | 2.85 | 3.45 | |
| Anillo O (i.d 2.8) | ||||
| 36 | 338981 | 1.04 | 1.26 | |
| Piñón (1) | ||||
| 39 | 371811 | 4.65 | 5.63 | |
| Tornillo de cabeza ranurada (bloqueo de sello) M4 | ||||
| 40 | 371814 | 1.04 | 1.26 | |
| RODAMIENTO DE BOLAS | ||||
| 41 | 371033 | 3.15 | 3.81 | |
| Anillo de Goma (a) | ||||
| 42 | 328453 | 1.80 | 2.18 | |
| Cubierta interior | ||||
| 43 | 371816 | 7.50 | 9.08 | |
| Rodamiento de bolas 625dd | ||||
| 44 | 333826 | 5.10 | 6.17 | |
| Anillo de Distancia (a) | ||||
| 45 | 371927 | 1.04 | 1.26 | |
| Asa lateral G13sr3 | ||||
| 501 | 318312 | 7.50 | 9.08 | |
| No hay información disponible, no se puede pedir | ||||
| 502 | 938332Z | |||
| Tapa protectora para batería | ||||
| 505 | 329897 | 1.80 | 2.18 | |
| No hay información disponible, no se puede pedir | ||||
| 506 | 336471 | |||
| No hay información disponible, no se puede pedir | ||||
| 507 | 336472 | |||
| No hay información disponible, no se puede pedir | ||||
| 508 | 336473 | |||
| No hay información disponible, no se puede pedir | ||||
| 509 | 336474 | |||
| No hay información disponible, no se puede pedir | ||||
| 510 | 338872 | |||
| No hay información disponible, no se puede pedir | ||||
| 601 | 937826Z | |||
| No hay información disponible, no se puede pedir | ||||
| 602 | 937825Z | |||
| No hay información disponible, no se puede pedir | ||||
| 603 | 314064 | |||
| No hay información disponible, no se puede pedir | ||||
| 604 | 314065 | |||
| No hay información disponible, no se puede pedir | ||||
| 605 | 314068 | |||
| No hay información disponible, no se puede pedir | ||||
| 606 | 314070 | |||
| No hay información disponible, no se puede pedir | ||||
| 607 | 314072 | |||
| No hay información disponible, no se puede pedir | ||||
| 608 | 314062 | |||
| No hay información disponible, no se puede pedir | ||||
| 609 | 314063 | |||
| No hay información disponible, no se puede pedir | ||||
| 610 | 314066 | |||
| No hay información disponible, no se puede pedir | ||||
| 611 | 314067 | |||
| No hay información disponible, no se puede pedir | ||||
| 612 | 314069 | |||
| No hay información disponible, no se puede pedir | ||||
| 613 | 314071 | |||
| No hay información disponible, no se puede pedir | ||||
| 614 | 332788 | |||
| No hay información disponible, no se puede pedir | ||||
| 615 | 332787 | |||
| Arandela | ||||
| 616 | 339151 | 3.90 | 4.72 | |
| No hay información disponible, no se puede pedir | ||||
| 617 | 338497 | |||