Aquí encontrará todas las piezas y dibujos técnicos disponibles de 'Hikoki G18SG2'. Desde aquí podrá pedir todas las piezas deseadas directamente. Para muchas piezas de repuesto, es necesario pasar un pedido al fabricante. Dependiendo de la marca, el plazo de entrega puede variar entre una y cuatro semanas. Toda la información que tenemos está en nuestro sitio web. No podremos aconsejarle sobre lo que necesita hasta que entregue la máquina para su reparación. Tenga en cuenta lo siguiente a la hora de cursar su pedido:
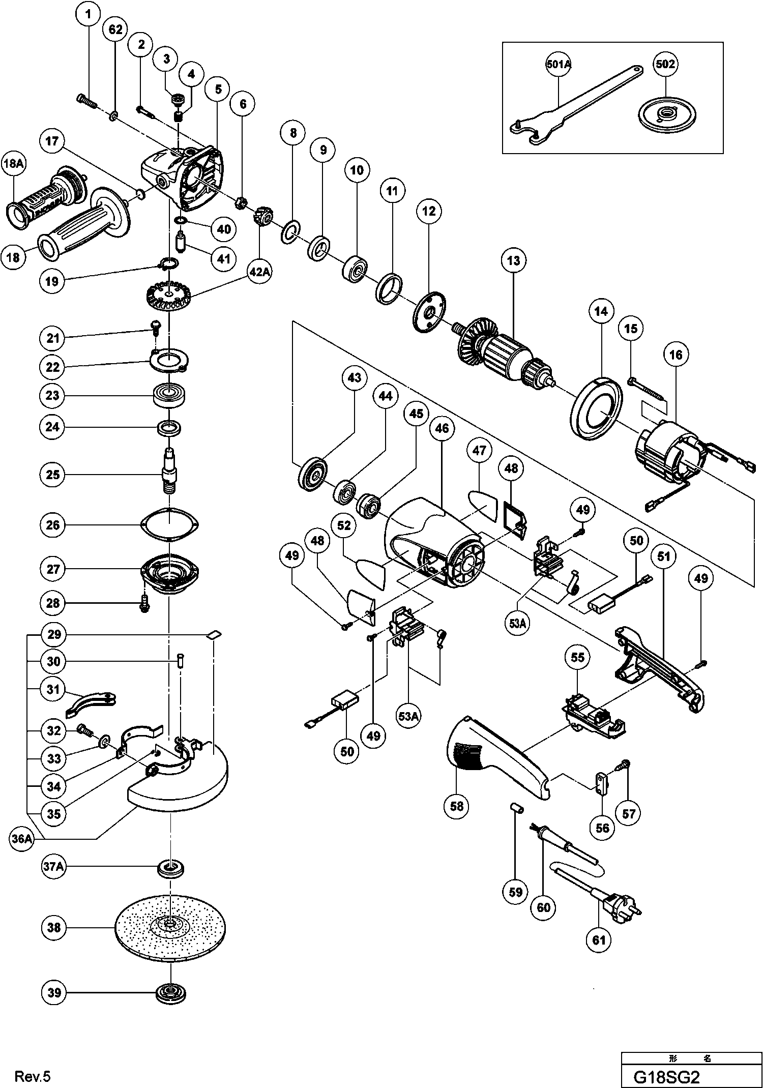
Dibujo técnico de los/las Hikoki G18SG2
Lista de las piezas de repuesto de Hikoki G18SG2
| Pos. | Descripción | Precio con el IVA excluido | Precio con el IVA incluido | |
| Los precios mostrados incluyen el IVA | ||||
| Bloqueo de Sello Hd. Tornillo Allen M5x14 (nuevo 9 | ||||
| 1 | 984509 | 1.05 | 1.27 | |
| TORNILLO M4X35 | ||||
| 2 | 301654 | 1.05 | 1.27 | |
| Botón De Empuje | ||||
| 3 | 306888 | 1.04 | 1.26 | |
| Muelle | ||||
| 4 | 320219 | 1.35 | 1.63 | |
| Ensamblaje de caja de cambios | ||||
| 5 | 320217 | 17.76 | 21.49 | |
| TUERCA M10 | ||||
| 6 | 320226 | 1.35 | 1.63 | |
| Arandela de sellado | ||||
| 8 | 320221 | 1.35 | 1.63 | |
| Empaque De Fieltro | ||||
| 9 | 320222 | 1.35 | 1.63 | |
| Cojinete de bolas 6301dducmps2s (antiguo 994272) | ||||
| 10 | 6301DD | 6.75 | 8.17 | |
| Anillo de goma | ||||
| 11 | 994208 | 1.04 | 1.26 | |
| Cubierta del Cojinete (a) G18u2/g23u2, Cm9uby | ||||
| 12 | 320220 | 2.55 | 3.09 | |
| Armadura 220v-230v | ||||
| 13 | 360594E | 77.00 | 93.17 | |
| Guía de ventilador | ||||
| 14 | 320215 | 1.35 | 1.63 | |
| Tornillo D5x75 (antiguo 963454z) | ||||
| 15 | 984271 | 1.04 | 1.26 | |
| Estator 220v-230v | ||||
| 16 | 340546E | 50.10 | 60.62 | |
| Arandela de fieltro | ||||
| 17 | 937033 | 1.04 | 1.26 | |
| No hay información disponible, no se puede pedir | ||||
| 18 | 937981 | |||
| No hay información disponible, no se puede pedir | ||||
| 18A | 336864 | |||
| Arandela de resorte D12 (10 piezas) | ||||
| 19 | 939542 | 1.50 | 1.82 | |
| Tornillo de bloqueo de sellado M5x10 | ||||
| 21A | 992038 | 1.04 | 1.26 | |
| Cubierta del cojinete (b) | ||||
| 22 | 320229 | 1.35 | 1.63 | |
| Rodamiento de bolas 6302dducmps2s | ||||
| 23 | 6302DD | 8.85 | 10.71 | |
| Empaque De Fieltro | ||||
| 24 | 990852 | 1.04 | 1.26 | |
| BARRA TOMMY | ||||
| 25 | 320234 | 6.96 | 8.42 | |
| Placa de sello | ||||
| 26 | 320228 | 1.35 | 1.63 | |
| CUBIERTA DE LA CAJA DE ENGRANAJES | ||||
| 27 | 320227 | 4.96 | 6.00 | |
| Tornillo M5X16 | ||||
| 28 | 994192 | 1.04 | 1.26 | |
| Etiqueta | ||||
| 29 | 311492 | 1.20 | 1.45 | |
| Pasador De Configuración Hasta 11.2014 | ||||
| 30 | 321546 | 3.00 | 3.63 | |
| Palanca (a) Vb13y | ||||
| 31 | 321545 | 3.00 | 3.63 | |
| Tornillo M8x22 | ||||
| 32 | 306887 | 1.05 | 1.27 | |
| Arandela de resorte M8 (10 piezas) | ||||
| 33 | 949457 | 1.05 | 1.27 | |
| Abrazadera para tapa protectora | ||||
| 34 | 321544 | 1.50 | 1.82 | |
| Arandela | ||||
| 35 | 673489 | 1.04 | 1.26 | |
| Cubierta protectora 180mm | ||||
| 36A | 321543 | 24.48 | 29.61 | |
| Cubierta protectora 180mm | ||||
| 36A | 337226 | 14.40 | 17.42 | |
| No hay información disponible, no se puede pedir | ||||
| 37 | 937908Z | |||
| No hay información disponible, no se puede pedir | ||||
| 37A | 376202 | |||
| No hay información disponible, no se puede pedir | ||||
| 38 | 316824 | |||
| No hay información disponible, no se puede pedir | ||||
| 39 | 937909Z | |||
| Anillo O | ||||
| 40 | 320218 | 1.20 | 1.45 | |
| Pasador de bloqueo | ||||
| 41 | 306890 | 1.80 | 2.18 | |
| Conjunto de engranajes | ||||
| 42A | 330040 | 20.90 | 25.29 | |
| Sello de Polvo G18u2/g23u2, Cm9by | ||||
| 43 | 320216 | 1.35 | 1.63 | |
| Cojinete de bolas 6000 Vv, Cm9by, C8fse, G23ss | ||||
| 44 | 6000VV | 6.15 | 7.44 | |
| Casquillo de cojinete | ||||
| 45 | 321536 | 11.55 | 13.98 | |
| CARCASA | ||||
| 46 | 321535 | 34.10 | 41.26 | |
| Cubierta del Cepillo G18u2/g23u2 | ||||
| 48 | 320232 | 1.35 | 1.63 | |
| Tornillo Autoperforante (con brida) D4x16 (negro) | ||||
| 49 | 305812 | 1.04 | 1.26 | |
| Escobillas de Carbón de Auto-Desconexión (2 Piezas | ||||
| 50 | 999089 | 9.30 | 11.25 | |
| Escobilla de carbono (1 par) | ||||
| 50 | 999061 | 4.20 | 5.08 | |
| Manija TSC 55 | ||||
| 51 | 320231 | 3.75 | 4.54 | |
| Juego De Portaescobillas | ||||
| 53A | 322323 | 4.96 | 6.00 | |
| Interruptor | ||||
| 55 | 320238 | 22.55 | 27.29 | |
| Abrazadera del cordón | ||||
| 56 | 960266 | 1.04 | 1.26 | |
| No hay información disponible, no se puede pedir | ||||
| 57 | 984750 | |||
| Mango (a) G18u/g23u y otros | ||||
| 58 | 320230 | 4.96 | 6.00 | |
| Casquillo roscado para cable | ||||
| 59 | 981373 | 1.05 | 1.27 | |
| Armadura de cable D10.7 | ||||
| 60 | 940778 | 2.10 | 2.54 | |
| Prensaestopas de cable D8.2 (antiguo 958049z) | ||||
| 60 | 958049 | 1.04 | 1.26 | |
| No hay información disponible, no se puede pedir | ||||
| 61 | 500488Z | |||
| No hay información disponible, no se puede pedir | ||||
| 61A | 500503Z | |||
| Arandela de resorte M5 (10 piezas) | ||||
| 62 | 949454 | 1.04 | 1.26 | |
| No hay información disponible, no se puede pedir | ||||
| 501A | 325491 | |||
| No hay información disponible, no se puede pedir | ||||
| 502 | 937917Z | |||
| No hay información disponible, no se puede pedir | ||||
| 601 | 310337 | |||
| Conjunto de manija de tubo Includ.602 | ||||
| 602A | 323993 | 63.66 | 77.03 | |
| Tornillo | ||||
| 603 | 985597 | 2.85 | 3.45 | |
| No hay información disponible, no se puede pedir | ||||
| 604 | 332795 | |||
| No hay información disponible, no se puede pedir | ||||
| 605 | 332796 | |||