Aquí encontrará todas las piezas y dibujos técnicos disponibles de 'Hikoki G18SH'. Desde aquí podrá pedir todas las piezas deseadas directamente. Para muchas piezas de repuesto, es necesario pasar un pedido al fabricante. Dependiendo de la marca, el plazo de entrega puede variar entre una y cuatro semanas. Toda la información que tenemos está en nuestro sitio web. No podremos aconsejarle sobre lo que necesita hasta que entregue la máquina para su reparación. Tenga en cuenta lo siguiente a la hora de cursar su pedido:
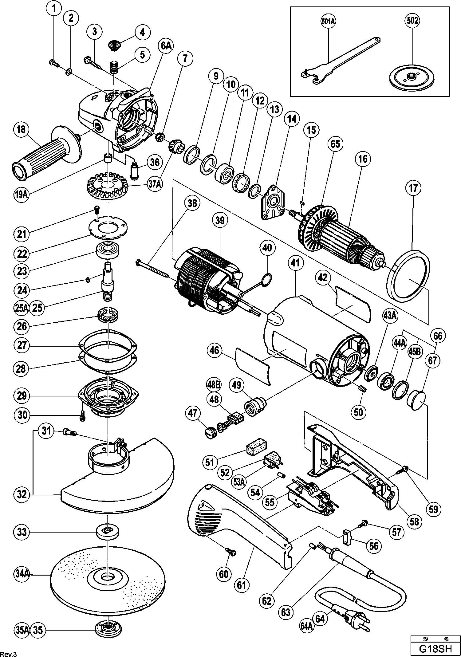
Dibujo técnico de los/las Hikoki G18SH
Lista de las piezas de repuesto de Hikoki G18SH
| Pos. | Descripción | Precio con el IVA excluido | Precio con el IVA incluido | |
| Los precios mostrados incluyen el IVA | ||||
| Tornillo de Máquina M5X14 (10 Piezas) | ||||
| 1 | 949238 | 1.05 | 1.27 | |
| Arandela de resorte M5 (10 piezas) | ||||
| 2 | 949454 | 1.04 | 1.26 | |
| TORNILLO M4X35 | ||||
| 3 | 301654 | 1.05 | 1.27 | |
| Botón De Empuje | ||||
| 4 | 306888 | 1.04 | 1.26 | |
| Primavera | ||||
| 5 | 306889 | 1.04 | 1.26 | |
| Cubierta del engranaje Ass'y Includ.4,5,19a,36,64 | ||||
| 6A | 306105 | 21.04 | 25.46 | |
| U-bloqueo Tuerca (antiguo 961409z, 994311) | ||||
| 7 | 946228 | 1.04 | 1.26 | |
| Arandela | ||||
| 9 | 306107 | 1.05 | 1.27 | |
| Arandela (a) | ||||
| 10 | 306113 | 1.04 | 1.26 | |
| Cojinete de bolas 6301dducmps2s (antiguo 994272) | ||||
| 11 | 6301DD | 6.75 | 8.17 | |
| Anillo de goma | ||||
| 12 | 994208 | 1.04 | 1.26 | |
| Empaque De Fieltro | ||||
| 13 | 990864 | 1.04 | 1.26 | |
| Soporte De Cojinete | ||||
| 14 | 306106 | 1.35 | 1.63 | |
| Chaveta 3x3x10 | ||||
| 15 | 940533 | 1.20 | 1.45 | |
| ARMADURA 230V | ||||
| 16 | 360288E | 84.29 | 101.99 | |
| Anillo deflector de aire | ||||
| 17 | 306103 | 1.95 | 2.36 | |
| No hay información disponible, no se puede pedir | ||||
| 18 | 937981 | |||
| Rodamiento de agujas (hk1212fm) | ||||
| 19A | 331360 | 9.30 | 11.25 | |
| Tornillo de bloqueo de sellado M5x10 | ||||
| 21 | 992038 | 1.04 | 1.26 | |
| Cubierta del cojinete RTS 400 REQ | ||||
| 22 | 937035 | 1.04 | 1.26 | |
| Rodamiento de bolas 6302dducmps2s | ||||
| 23 | 6302DD | 8.85 | 10.71 | |
| Chaveta 4x4x8 | ||||
| 24 | 980809 | 1.04 | 1.26 | |
| No hay información disponible, no se puede pedir | ||||
| 25 | 990857 | |||
| Ya no disponible, sin reemplazo | ||||
| 25A | 994218 | |||
| Empaque De Fieltro | ||||
| 26 | 990852 | 1.04 | 1.26 | |
| Junta | ||||
| 27 | 306112 | 1.35 | 1.63 | |
| Arandela de empuje | ||||
| 28 | 306981 | 1.04 | 1.26 | |
| Cubierta interior | ||||
| 29 | 306111 | 6.90 | 8.35 | |
| Tornillo M5X16 | ||||
| 30 | 994192 | 1.04 | 1.26 | |
| Tornillo M8x22 | ||||
| 31 | 306887 | 1.05 | 1.27 | |
| Protector de Rueda 180 mm | ||||
| 32 | 306124 | 9.90 | 11.98 | |
| No hay información disponible, no se puede pedir | ||||
| 33 | 937908Z | |||
| No hay información disponible, no se puede pedir | ||||
| 34A | 316824 | |||
| No hay información disponible, no se puede pedir | ||||
| 35 | 937929Z | |||
| No hay información disponible, no se puede pedir | ||||
| 35A | 994155 | |||
| Pasador de bloqueo | ||||
| 36 | 306890 | 1.80 | 2.18 | |
| Set de Engranajes | ||||
| 37A | 332119 | 22.83 | 27.62 | |
| Tornillo de rosca D5x60 | ||||
| 38 | 961501 | 1.04 | 1.26 | |
| Conjunto de estator 240v incluido.40 | ||||
| 39 | 340262F | 72.89 | 88.19 | |
| Stator 220v-230v H-90sa Includ.103 Para Nzl,saf | ||||
| 39 | 340262G | 56.24 | 68.05 | |
| Conector del portaescobillas | ||||
| 40 | 958032 | 1.04 | 1.26 | |
| Carcasa (parte verde) Includ.49,50 | ||||
| 41 | 306812 | 19.39 | 23.46 | |
| Empaque de Polvo G18u/ua/ub y otros | ||||
| 43A | 310998 | 1.05 | 1.27 | |
| Cojinete de bolas 6000 Vv, Cm9by, C8fse, G23ss | ||||
| 44A | 6000VV | 6.15 | 7.44 | |
| Anillo de goma | ||||
| 45B | 994202 | 1.05 | 1.27 | |
| Tapa del cepillo | ||||
| 47 | 940540 | 1.04 | 1.26 | |
| Escobilla de carbono (1 par) | ||||
| 48 | 999044 | 4.50 | 5.44 | |
| Cepillos de Carbón Autodesconectantes (2 Piezas) ( | ||||
| 48B | 999074 | 14.40 | 17.42 | |
| Portaescobillas de carbono (antiguo 500301) | ||||
| 49 | 980487 | 5.68 | 6.87 | |
| Tornillo de ajuste hexagonal M5x8 | ||||
| 50 | 938477 | 1.05 | 1.27 | |
| Empaque de Polvo G18u/ua/ub y otros | ||||
| 51 | 306117 | 1.04 | 1.26 | |
| Soporte (b) para supresor de ruido | ||||
| 52 | 306114 | 1.04 | 1.26 | |
| Manga (d) | ||||
| 54 | 961820 | 1.05 | 1.27 | |
| Interruptor | ||||
| 55 | 306116 | 20.90 | 25.29 | |
| Abrazadera del cordón | ||||
| 56 | 960266 | 1.04 | 1.26 | |
| No hay información disponible, no se puede pedir | ||||
| 57 | 984750 | |||
| Mango (b) | ||||
| 58 | 306119 | 5.10 | 6.17 | |
| Tornillo autorroscante (con brida) D4x25 (negro) | ||||
| 59 | 304035 | 1.04 | 1.26 | |
| Tornillo de roscado (con brida) D5x25 (negro) | ||||
| 60 | 305558 | 1.04 | 1.26 | |
| Mango (a) G18u/g23u y otros | ||||
| 61 | 306118 | 5.40 | 6.53 | |
| Casquillo roscado para cable | ||||
| 62 | 981373 | 1.05 | 1.27 | |
| Armadura de cable D10.7 | ||||
| 63 | 940778 | 2.10 | 2.54 | |
| Prensaestopas de cable D8.2 (antiguo 958049z) | ||||
| 63 | 958049 | 1.04 | 1.26 | |
| SNOER 2.5M 2 X 1.0 H05VV-F W/PLUG 13A/250V (OLD 50 | ||||
| 64 | 500423Z | 12.87 | 15.57 | |
| SNOER 10.7 (USE 714500=2X1 5M) | ||||
| 64 | 500247Z | 6.18 | 7.48 | |
| No hay información disponible, no se puede pedir | ||||
| 64A | 500438Z | |||
| Ventilador | ||||
| 65 | 319657 | 10.20 | 12.34 | |
| CASA DEL RODAMIENTO CON RODAMIENTO COMPLETO | ||||
| 66 | 320246 | 10.65 | 12.89 | |
| COJINETE | ||||
| 67 | 320247 | 2.55 | 3.09 | |
| No hay información disponible, no se puede pedir | ||||
| 501A | 325491 | |||
| No hay información disponible, no se puede pedir | ||||
| 502 | 937917Z | |||
| Cepillos de Carbón Autodesconectantes (2 Piezas) ( | ||||
| 601A | 999074 | 14.40 | 17.42 | |
| No hay información disponible, no se puede pedir | ||||
| 602A | 316824 | |||
| No hay información disponible, no se puede pedir | ||||
| 603 | 305459 | |||
| No hay información disponible, no se puede pedir | ||||
| 604 | 305460 | |||
| No hay información disponible, no se puede pedir | ||||
| 605 | 305461 | |||
| No hay información disponible, no se puede pedir | ||||
| 606 | 307009 | |||
| No hay información disponible, no se puede pedir | ||||
| 607 | 310337 | |||