Aquí encontrará todas las piezas y dibujos técnicos disponibles de 'Hikoki G3610DA'. Desde aquí podrá pedir todas las piezas deseadas directamente. Para muchas piezas de repuesto, es necesario pasar un pedido al fabricante. Dependiendo de la marca, el plazo de entrega puede variar entre una y cuatro semanas. Toda la información que tenemos está en nuestro sitio web. No podremos aconsejarle sobre lo que necesita hasta que entregue la máquina para su reparación. Tenga en cuenta lo siguiente a la hora de cursar su pedido:
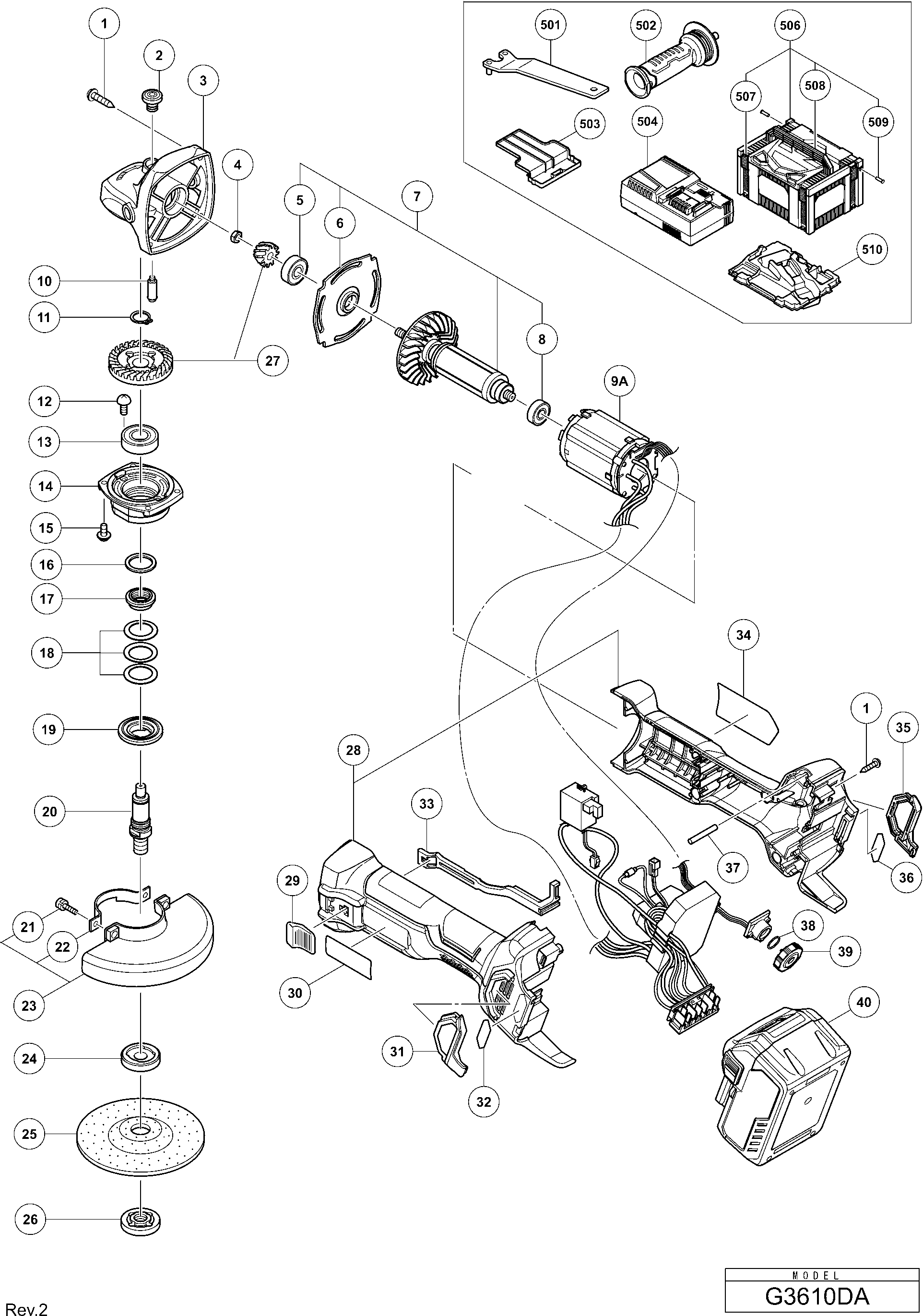
Dibujo técnico de los/las Hikoki G3610DA
Lista de las piezas de repuesto de Hikoki G3610DA
| Pos. | Descripción | Precio con el IVA excluido | Precio con el IVA incluido | |
| Los precios mostrados incluyen el IVA | ||||
| Tornillo Autoperforante (con Brida) D4x23 (negro) | ||||
| 1 | 328643 | 1.05 | 1.27 | |
| Botón De Empuje | ||||
| 2 | 301944 | 1.04 | 1.26 | |
| Cubierta del engranaje Ass'y Incl.3,17 | ||||
| 3 | 338332 | 7.50 | 9.08 | |
| Tuerca M6 | ||||
| 4 | 309191 | 1.04 | 1.26 | |
| Rodamiento de bolas 608ss | ||||
| 5 | 338337 | 2.25 | 2.72 | |
| Cubierta del engranaje Ass'y Incl.3,17 | ||||
| 6 | 334940 | 2.10 | 2.54 | |
| Conjunto de Rotor Includ.23 | ||||
| 7 | 361075 | 75.08 | 90.84 | |
| Conjunto de Rotor Includ.23 | ||||
| 7A | 361075 | 75.08 | 90.84 | |
| Rodamiento de bolas 607vvc2ps2l | ||||
| 8 | 607VVC | 5.70 | 6.90 | |
| Rodamiento de bolas-r 607dd | ||||
| 8A | 376128 | 3.75 | 4.54 | |
| No hay información disponible, no se puede pedir | ||||
| 9A | 341008 | |||
| No hay información disponible, no se puede pedir | ||||
| 9B | 341124 | |||
| Pasador De Bloqueo | ||||
| 10 | 301943 | 1.65 | 2.00 | |
| Arandela de resorte D12 (10 piezas) | ||||
| 11 | 939542 | 1.50 | 1.82 | |
| Tornillo de cabeza ranurada (bloqueo de sello) M4 | ||||
| 12 | 334942 | 1.20 | 1.45 | |
| Tornillo de cabeza ranurada (bloqueo de sello) M4 | ||||
| 12A | 371814 | 1.04 | 1.26 | |
| Rodamiento de bolas 6001vvcmps2l | ||||
| 13 | 6001VV | 6.60 | 7.99 | |
| No hay información disponible, no se puede pedir | ||||
| 14 | 371664 | |||
| Tornillo de bloqueo (con arandela sp.) M4x12 | ||||
| 15 | 307127 | 1.05 | 1.27 | |
| No hay información disponible, no se puede pedir | ||||
| 16 | 372125 | |||
| No hay información disponible, no se puede pedir | ||||
| 16B | 376786 | |||
| No hay información disponible, no se puede pedir | ||||
| 17 | 371666 | |||
| No hay información disponible, no se puede pedir | ||||
| 18 | 371667 | |||
| No hay información disponible, no se puede pedir | ||||
| 19 | 371668 | |||
| No hay información disponible, no se puede pedir | ||||
| 20 | 371665 | |||
| Tornillo de máquina (con arandela) M5x16 (negro) | ||||
| 21 | 308386 | 1.05 | 1.27 | |
| Anillo de sujeción para cubierta de protección | ||||
| 22 | 301949 | 1.04 | 1.26 | |
| No hay información disponible, no se puede pedir | ||||
| 23 | 331085 | |||
| BESCHERMKAP 100MM (OUD 301948/331076/331085) | ||||
| 23A | 379562 | 2.10 | 2.54 | |
| No hay información disponible, no se puede pedir | ||||
| 24 | 373072 | |||
| No hay información disponible, no se puede pedir | ||||
| 25 | 316820 | |||
| No hay información disponible, no se puede pedir | ||||
| 26 | 339578 | |||
| Conjunto de engranaje y piñón | ||||
| 27 | 338338 | 7.95 | 9.62 | |
| No hay información disponible, no se puede pedir | ||||
| 28 | 372105 | |||
| BEHUIZING (OUD 372105) | ||||
| 28A | 377226 | 10.74 | 13.00 | |
| Deslizador del interruptor | ||||
| 29 | 314428 | 1.04 | 1.26 | |
| FILTRO (A) | ||||
| 31 | 372107 | 1.20 | 1.45 | |
| Barra deslizante | ||||
| 33 | 372106 | 1.04 | 1.26 | |
| Filtro (B) | ||||
| 35 | 372108 | 1.20 | 1.45 | |
| PASADOR | ||||
| 37 | 338869 | 1.04 | 1.26 | |
| Anillo O (s-10) | ||||
| 38 | 987105 | 1.05 | 1.27 | |
| Dial | ||||
| 39 | 372109 | 1.50 | 1.82 | |
| No hay información disponible, no se puede pedir | ||||
| 40 | 371750 | |||
| No hay información disponible, no se puede pedir | ||||
| 501 | 313933 | |||
| No hay información disponible, no se puede pedir | ||||
| 502 | 336865 | |||
| Tapa protectora para batería | ||||
| 503 | 329897 | 1.80 | 2.18 | |
| No hay información disponible, no se puede pedir | ||||
| 506 | 337108 | |||
| No hay información disponible, no se puede pedir | ||||
| 506A | 336471 | |||
| No hay información disponible, no se puede pedir | ||||
| 507 | 336472 | |||
| No hay información disponible, no se puede pedir | ||||
| 508 | 336473 | |||
| No hay información disponible, no se puede pedir | ||||
| 509 | 336474 | |||
| No hay información disponible, no se puede pedir | ||||
| 510 | 373070 | |||
| No hay información disponible, no se puede pedir | ||||
| 510A | 375802 | |||
| No hay información disponible, no se puede pedir | ||||
| 601 | 371770 | |||