Aquí encontrará todas las piezas y dibujos técnicos disponibles de 'Hikoki GFN3490'. Desde aquí podrá pedir todas las piezas deseadas directamente. Para muchas piezas de repuesto, es necesario pasar un pedido al fabricante. Dependiendo de la marca, el plazo de entrega puede variar entre una y cuatro semanas. Toda la información que tenemos está en nuestro sitio web. No podremos aconsejarle sobre lo que necesita hasta que entregue la máquina para su reparación. Tenga en cuenta lo siguiente a la hora de cursar su pedido:
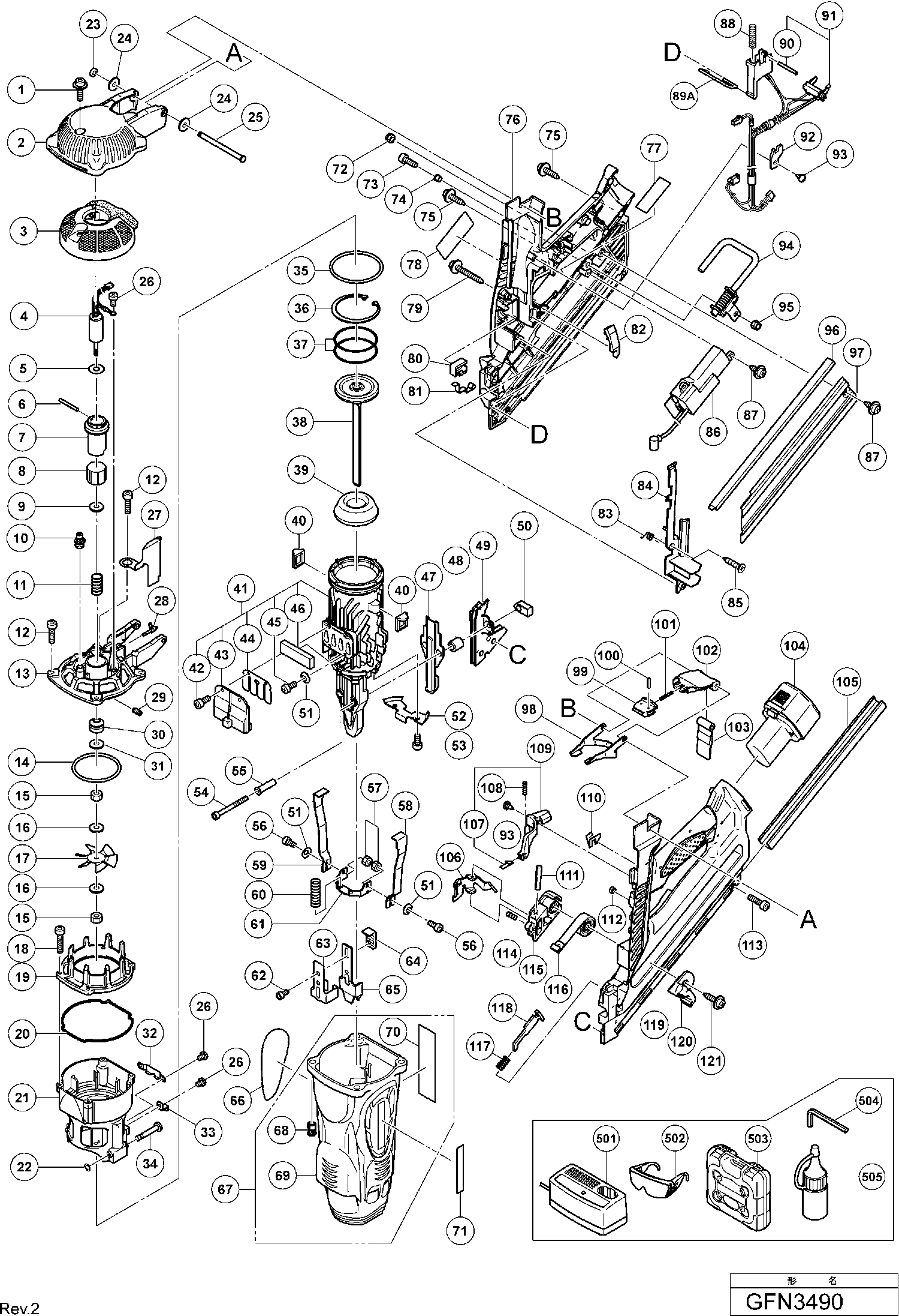
Dibujo técnico de los/las Hikoki GFN3490
Lista de las piezas de repuesto de Hikoki GFN3490
| Pos. | Descripción | Precio con el IVA excluido | Precio con el IVA incluido | |
| Los precios mostrados incluyen el IVA | ||||
| Tornillo | ||||
| 1 | 996399 | 1.04 | 1.26 | |
| Cubierta superior (antiguo 886142) | ||||
| 2 | 886598 | 9.45 | 11.43 | |
| Set de Filtros | ||||
| 3 | 886129 | 32.18 | 38.93 | |
| No hay información disponible, no se puede pedir | ||||
| 4 | 885309 | |||
| Anillo de goma (1) | ||||
| 5 | 885313 | 1.50 | 1.82 | |
| Pasador de rodillo D2.5x25 | ||||
| 6 | 885318 | 1.50 | 1.82 | |
| Soporte del motor | ||||
| 7 | 885310 | 7.05 | 8.53 | |
| MANGUITO EXCÉNTRICO | ||||
| 8 | 885314 | 1.65 | 2.00 | |
| Arandela | ||||
| 9 | 885320 | 1.50 | 1.82 | |
| Bujía | ||||
| 10 | 885333 | 3.30 | 3.99 | |
| Muelle de motor | ||||
| 11 | 885319 | 1.50 | 1.82 | |
| Tornillo Hexagonal Hd M5x20 (10 unidades) | ||||
| 12 | 949757 | 3.00 | 3.63 | |
| Tapa del cilindro | ||||
| 13 | 885308 | 32.18 | 38.93 | |
| Anillo O (i.d 59.92) | ||||
| 14 | 885316 | 4.80 | 5.81 | |
| Tuerca M4 (10 Piezas) | ||||
| 15 | 949554 | 1.05 | 1.27 | |
| Anillo M4 (10 piezas) | ||||
| 16 | 949423 | 1.05 | 1.27 | |
| JUNTA | ||||
| 17 | 885311 | 4.80 | 5.81 | |
| Tornillo de cabeza hexagonal interior M4x16 | ||||
| 18 | 949754 | 2.40 | 2.90 | |
| Cabeza de la cámara | ||||
| 19 | 885294 | 13.89 | 16.80 | |
| Plancha de sellado (b) Cm 12y | ||||
| 20 | 886133 | 1.80 | 2.18 | |
| No hay información disponible, no se puede pedir | ||||
| 21 | 885296 | |||
| Anillo O | ||||
| 22 | 878607 | 1.05 | 1.27 | |
| Anillo para eje | ||||
| 23 | 880319 | 1.65 | 2.00 | |
| Arandela M5 (antiguo 949431z, 10 piezas) | ||||
| 24 | 949431 | 1.04 | 1.26 | |
| Eje (b) | ||||
| 25 | 885277 | 3.00 | 3.63 | |
| Tornillo de máquina M4x6 (10 piezas) | ||||
| 26 | 949214 | 1.05 | 1.27 | |
| Placa de cableado | ||||
| 27 | 886253 | 1.65 | 2.00 | |
| Adaptador CMS-OF | ||||
| 28A | 886313 | 1.05 | 1.27 | |
| Tornillo de ajuste Allen M4 X 5 | ||||
| 29 | 961681 | 1.04 | 1.26 | |
| Cubierta TURBO II | ||||
| 30 | 886470 | 1.80 | 2.18 | |
| Arandela | ||||
| 31 | 886471 | 1.80 | 2.18 | |
| Placa de bloqueo | ||||
| 32 | 885297 | 3.30 | 3.99 | |
| PLACA DE INTERRUPTOR | ||||
| 33 | 885306 | 1.65 | 2.00 | |
| Pasador (a) | ||||
| 34 | 886484 | 1.65 | 2.00 | |
| Anillo O (diámetro interior 66,27) | ||||
| 35 | 885283 | 6.45 | 7.80 | |
| Arandela de resorte | ||||
| 36 | 885285 | 1.65 | 2.00 | |
| Anillo de pistón | ||||
| 37 | 885286 | 10.20 | 12.34 | |
| Pasador de golpe | ||||
| 38 | 885291 | 81.68 | 98.83 | |
| Tope de pistón | ||||
| 39 | 885289 | 8.40 | 10.16 | |
| Goma (antiguo 885790) | ||||
| 40 | 885284 | 1.80 | 2.18 | |
| Ensamblaje del Cilindro | ||||
| 41 | 885361 | 110.83 | 134.10 | |
| Tornillo (10 piezas) | ||||
| 42 | 949812 | 2.40 | 2.90 | |
| Cubierta del amortiguador | ||||
| 43 | 886467 | 1.80 | 2.18 | |
| Válvula de plomo | ||||
| 44 | 885290 | 1.65 | 2.00 | |
| Tornillo de bloqueo M4x6 (negro) | ||||
| 45 | 303631 | 1.04 | 1.26 | |
| SILENCIADOR | ||||
| 46 | 885288 | 13.50 | 16.34 | |
| VARILLA | ||||
| 47 | 885355 | 4.35 | 5.26 | |
| Manguito de bloqueo Cm12y | ||||
| 48 | 885270 | 1.65 | 2.00 | |
| TIRA | ||||
| 49 | 885326 | 15.81 | 19.13 | |
| Tuerca especial M5 | ||||
| 50 | 886544 | 7.50 | 9.08 | |
| No hay información disponible, no se puede pedir | ||||
| 51 | 886242 | |||
| Placa del Cilindro | ||||
| 52 | 885299 | 4.80 | 5.81 | |
| No hay información disponible, no se puede pedir | ||||
| 53 | 980046 | |||
| Tornillo Allen M5x50 | ||||
| 54 | 886545 | 1.80 | 2.18 | |
| Manguito de bloqueo Cm12y | ||||
| 55 | 885269 | 1.65 | 2.00 | |
| Tornillo Allen M4x10 autobloqueante | ||||
| 56 | 886241 | 1.65 | 2.00 | |
| Tuerca U M4 | ||||
| 57 | 956329 | 1.05 | 1.27 | |
| Brazo de palanca de empuje (d) | ||||
| 58 | 886547 | 5.10 | 6.17 | |
| Brazo de Palanca de Empuje (c) | ||||
| 59 | 886546 | 5.10 | 6.17 | |
| Resorte del Lever de Empuje | ||||
| 60 | 886245 | 1.65 | 2.00 | |
| Conector de palanca de empuje | ||||
| 61 | 885301 | 4.35 | 5.26 | |
| Tornillo M5x10 (antiguo 956634, 10 piezas) | ||||
| 62 | 949819 | 2.55 | 3.09 | |
| Tope | ||||
| 63 | 886128 | 6.45 | 7.80 | |
| Casquillo de ajuste (s) | ||||
| 64 | 885272 | 5.85 | 7.08 | |
| Palanca de empuje (a) | ||||
| 65 | 886144 | 6.75 | 8.17 | |
| CARCASA | ||||
| 67 | 886244 | 33.96 | 41.09 | |
| Tornillo M5 | ||||
| 68 | 885304 | 1.50 | 1.82 | |
| Caja de carcasa DUO 110 - Conjunto | ||||
| 69 | 886134 | 23.93 | 28.95 | |
| Hoja de aislante | ||||
| 70 | 885307 | 1.65 | 2.00 | |
| Tuerca de nylon M4 | ||||
| 72 | 876465 | 1.05 | 1.27 | |
| Tornillo de cabeza allen M5x15 (10 piezas) | ||||
| 73 | 949820 | 2.55 | 3.09 | |
| MANGUITO EXCÉNTRICO | ||||
| 74 | 878164 | 14.70 | 17.79 | |
| Tornillo autoperforante (con brida) D4x20 (negro) | ||||
| 75 | 302086 | 1.05 | 1.27 | |
| Mango (b) | ||||
| 76 | 886600 | 40.01 | 48.42 | |
| Tornillo de golpe (con reborde) D4x45 (negro) | ||||
| 79 | 301815 | 1.05 | 1.27 | |
| Montaje del Interruptor | ||||
| 80 | 885334 | 1.65 | 2.00 | |
| Brazo del Interruptor | ||||
| 81 | 885347 | 1.65 | 2.00 | |
| PRISMA | ||||
| 82 | 885338 | 3.30 | 3.99 | |
| Muelle | ||||
| 83 | 885337 | 1.65 | 2.00 | |
| Anillo Protector del Cable | ||||
| 84 | 885339 | 3.30 | 3.99 | |
| TORNILLO M4X35 | ||||
| 85 | 885346 | 1.65 | 2.00 | |
| REGULADOR | ||||
| 86 | 885331 | 87.59 | 105.98 | |
| Tornillo autoperforante (con brida) D4x14 (negro) | ||||
| 87 | 309933 | 1.05 | 1.27 | |
| Muelle | ||||
| 88 | 885828 | 1.65 | 2.00 | |
| Barra de cerradura de cámara | ||||
| 89A | 887617 | 4.65 | 5.63 | |
| PIN D2.5 | ||||
| 90 | 885349 | 1.65 | 2.00 | |
| Conjunto de cables (a) (antiguo 885332) | ||||
| 91 | 885798 | 46.61 | 56.40 | |
| Placa de cableado | ||||
| 92 | 886548 | 1.80 | 2.18 | |
| Tornillo de rosca D3 | ||||
| 93 | 885714 | 1.80 | 2.18 | |
| GANCHO | ||||
| 94 | 886255 | 9.00 | 10.89 | |
| Tuerca de Nylon M5 | ||||
| 95 | 877371 | 1.05 | 1.27 | |
| Riel de clavos | ||||
| 96 | 885341 | 6.45 | 7.80 | |
| Placa de Almacén | ||||
| 97 | 885342 | 4.35 | 5.26 | |
| Palanca de la célula | ||||
| 98 | 886141 | 6.75 | 8.17 | |
| Palanca KA 65 | ||||
| 99 | 885280 | 1.50 | 1.82 | |
| Pasador de rodillo D2x8 (10 piezas) | ||||
| 100 | 949859 | 1.20 | 1.45 | |
| Resorte D3.6 | ||||
| 101 | 885281 | 1.50 | 1.82 | |
| Cubierta de la Celda | ||||
| 102 | 885352 | 3.30 | 3.99 | |
| Caucho Cel | ||||
| 103 | 886131 | 1.80 | 2.18 | |
| Protección del Almacén | ||||
| 105 | 885354 | 8.40 | 10.16 | |
| Alimentación de clavos | ||||
| 106 | 885323 | 5.85 | 7.08 | |
| Placa del sensor | ||||
| 107 | 886257 | 3.30 | 3.99 | |
| Muelle | ||||
| 108 | 885518 | 1.65 | 2.00 | |
| DESLIZADOR DE INTERRUPTOR | ||||
| 109 | 886147 | 6.45 | 7.80 | |
| Tope de interruptor | ||||
| 110 | 886138 | 3.30 | 3.99 | |
| Pin D4x28 | ||||
| 111 | 949506 | 3.00 | 3.63 | |
| MANGUITO EXCÉNTRICO | ||||
| 112 | 886543 | 3.45 | 4.17 | |
| Tornillo hexagonal M4x18 | ||||
| 113 | 880003 | 1.05 | 1.27 | |
| Resorte, acero inoxidable | ||||
| 114 | 883687 | 1.65 | 2.00 | |
| Alimentación de clavos (b) | ||||
| 115 | 885324 | 3.00 | 3.63 | |
| Muelle | ||||
| 116 | 885325 | 7.05 | 8.53 | |
| Resorte D8 | ||||
| 117 | 885328 | 1.50 | 1.82 | |
| Botón de parada | ||||
| 118 | 885327 | 1.50 | 1.82 | |
| No hay información disponible, no se puede pedir | ||||
| 119 | 886599 | |||
| Botón de encendido | ||||
| 120 | 886246 | 3.30 | 3.99 | |
| Tornillo autoperforante (con brida) D5x20 (negro) | ||||
| 121 | 302089 | 1.05 | 1.27 | |
| No hay información disponible, no se puede pedir | ||||
| 502 | 875769 | |||
| No hay información disponible, no se puede pedir | ||||
| 503 | 886601 | |||
| No hay información disponible, no se puede pedir | ||||
| 504 | 944458 | |||
| No hay información disponible, no se puede pedir | ||||
| 505 | 886602 | |||
| No hay información disponible, no se puede pedir | ||||
| 601 | 885246 | |||