Aquí encontrará todas las piezas y dibujos técnicos disponibles de 'Hikoki GP10'. Desde aquí podrá pedir todas las piezas deseadas directamente. Para muchas piezas de repuesto, es necesario pasar un pedido al fabricante. Dependiendo de la marca, el plazo de entrega puede variar entre una y cuatro semanas. Toda la información que tenemos está en nuestro sitio web. No podremos aconsejarle sobre lo que necesita hasta que entregue la máquina para su reparación. Tenga en cuenta lo siguiente a la hora de cursar su pedido:
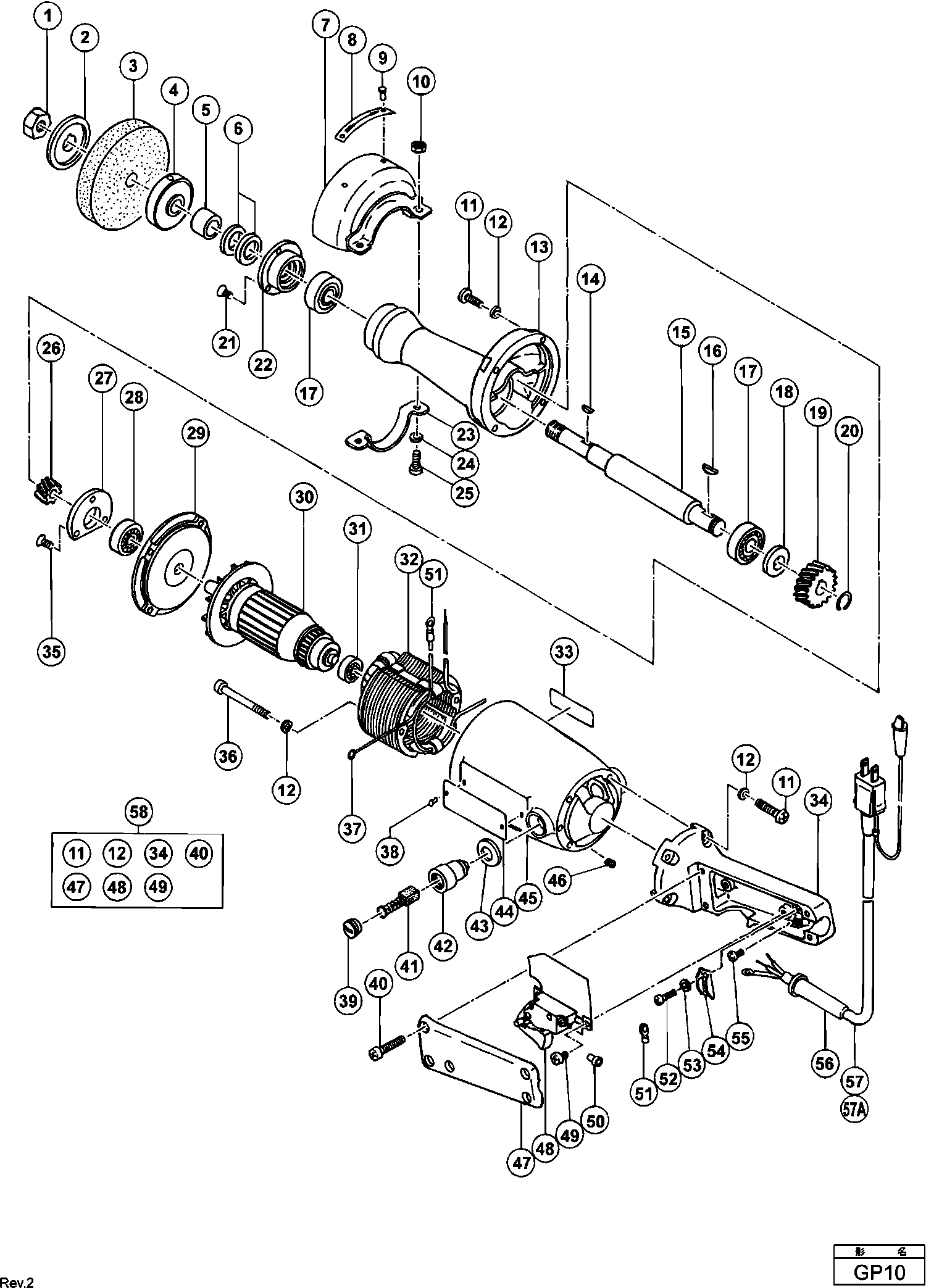
Dibujo técnico de los/las Hikoki GP10
Lista de las piezas de repuesto de Hikoki GP10
| Pos. | Descripción | Precio con el IVA excluido | Precio con el IVA incluido | |
| Los precios mostrados incluyen el IVA | ||||
| No hay información disponible, no se puede pedir | ||||
| 1 | 932828 | |||
| No hay información disponible, no se puede pedir | ||||
| 2 | 932820 | |||
| No hay información disponible, no se puede pedir | ||||
| 3 | 939126 | |||
| No hay información disponible, no se puede pedir | ||||
| 4 | 932818 | |||
| No hay información disponible, no se puede pedir | ||||
| 5 | 932817 | |||
| VILT PAKKING | ||||
| 6 | 936924 | 1.00 | 1.21 | |
| No hay información disponible, no se puede pedir | ||||
| 7 | 932822 | |||
| No hay información disponible, no se puede pedir | ||||
| 8 | 932836 | |||
| NAGEL D2.5X3.2 (10 STKS.) | ||||
| 9 | 949509 | 1.00 | 1.21 | |
| Tuerca M6 (10pcs) | ||||
| 10 | 949556 | 1.05 | 1.27 | |
| Tornillo de Máquina M5X25 (10 Piezas) | ||||
| 11 | 949243 | 1.35 | 1.63 | |
| Arandela de resorte M5 (10 piezas) | ||||
| 12 | 949454 | 1.04 | 1.26 | |
| No hay información disponible, no se puede pedir | ||||
| 13 | 932810 | |||
| INLEGSPIE 3X10 *TD5-1-2* | ||||
| 14 | 932819 | 1.26 | 1.52 | |
| No hay información disponible, no se puede pedir | ||||
| 15 | 932811 | |||
| Pasador 3X13 | ||||
| 16 | 932815 | 1.35 | 1.63 | |
| Cojinete de bolas 6202vvcmps2s | ||||
| 17 | 6202VV | 7.05 | 8.53 | |
| No hay información disponible, no se puede pedir | ||||
| 18 | 932813 | |||
| GEAR | ||||
| 19 | 932814 | 4.44 | 5.37 | |
| No hay información disponible, no se puede pedir | ||||
| 20 | 932816 | |||
| FLAT HD. SCREW M4X14 (10 PCS.) | ||||
| 21 | 949324 | 1.00 | 1.21 | |
| No hay información disponible, no se puede pedir | ||||
| 22 | 932812 | |||
| No hay información disponible, no se puede pedir | ||||
| 23 | 932823 | |||
| Arandela de resorte M6 (antiguo 949455z, 10 piezas | ||||
| 24 | 949455 | 1.05 | 1.27 | |
| Tornillo de máquina M6x16 (10 unidades) | ||||
| 25 | 949256 | 1.35 | 1.63 | |
| No hay información disponible, no se puede pedir | ||||
| 26 | 932809 | |||
| No hay información disponible, no se puede pedir | ||||
| 27 | 932808 | |||
| Rodamiento de bolas 6200 Vv | ||||
| 28 | 6200VV | 6.15 | 7.44 | |
| No hay información disponible, no se puede pedir | ||||
| 29 | 932807 | |||
| No hay información disponible, no se puede pedir | ||||
| 30 | 932806F | |||
| Rodamiento de bolas 608vvmc2eps2l | ||||
| 31 | 608VVM | 5.70 | 6.90 | |
| No hay información disponible, no se puede pedir | ||||
| 32 | 932830F | |||
| No hay información disponible, no se puede pedir | ||||
| 34 | 932803 | |||
| Tornillo Hd M4x8 (10 piezas) | ||||
| 35 | 949321 | 1.05 | 1.27 | |
| No hay información disponible, no se puede pedir | ||||
| 36 | 943430 | |||
| Punto de contacto del Portaescobillas | ||||
| 37 | 930630 | 1.35 | 1.63 | |
| Remache D2.5x4.8 (10 Piezas) | ||||
| 38 | 949510 | 1.04 | 1.26 | |
| Tapa del cepillo | ||||
| 39 | 936551 | 1.05 | 1.27 | |
| Tornillo de máquina M4x10 (10 piezas) (ANTIGUO 949 | ||||
| 40 | 949216 | 1.05 | 1.27 | |
| Ya no disponible, sin reemplazo | ||||
| 41 | 999021 | |||
| No hay información disponible, no se puede pedir | ||||
| 42 | 936904 | |||
| No hay información disponible, no se puede pedir | ||||
| 43 | 930605 | |||
| No hay información disponible, no se puede pedir | ||||
| 45 | 983932 | |||
| SCHROEF M4X8 *TD5-5-4* | ||||
| 46 | 963383 | 1.00 | 1.21 | |
| No hay información disponible, no se puede pedir | ||||
| 47 | 932804 | |||
| Interruptor | ||||
| 48 | 930244 | 20.21 | 24.46 | |
| Tornillo de máquina M4x8 (10 piezas) | ||||
| 49 | 949215 | 1.05 | 1.27 | |
| Terminal de soldadura 50092 (10 piezas) | ||||
| 50 | 959141 | 3.75 | 4.54 | |
| Terminal de Cable (antiguo 941562,10 St. | ||||
| 51 | 960356 | 3.00 | 3.63 | |
| Tornillo de máquina M4x12 (10 piezas) | ||||
| 52 | 949217 | 1.05 | 1.27 | |
| Arandela de resorte M4 (10 piezas) | ||||
| 53 | 949453 | 1.05 | 1.27 | |
| CORD CLIP | ||||
| 54 | 930108 | 1.00 | 1.21 | |
| No hay información disponible, no se puede pedir | ||||
| 55 | 949292 | |||
| Armadura de cable D10.7 | ||||
| 56 | 940778 | 2.10 | 2.54 | |
| Prensaestopas de cable D8.2 (antiguo 958049z) | ||||
| 56 | 958049 | 1.04 | 1.26 | |
| No hay información disponible, no se puede pedir | ||||
| 57 | 500244Z | |||
| No hay información disponible, no se puede pedir | ||||
| 57A | 500427Z | |||
| No hay información disponible, no se puede pedir | ||||
| 58 | 932827 | |||