Aquí encontrará todas las piezas y dibujos técnicos disponibles de 'Hikoki GP10DL'. Desde aquí podrá pedir todas las piezas deseadas directamente. Para muchas piezas de repuesto, es necesario pasar un pedido al fabricante. Dependiendo de la marca, el plazo de entrega puede variar entre una y cuatro semanas. Toda la información que tenemos está en nuestro sitio web. No podremos aconsejarle sobre lo que necesita hasta que entregue la máquina para su reparación. Tenga en cuenta lo siguiente a la hora de cursar su pedido:
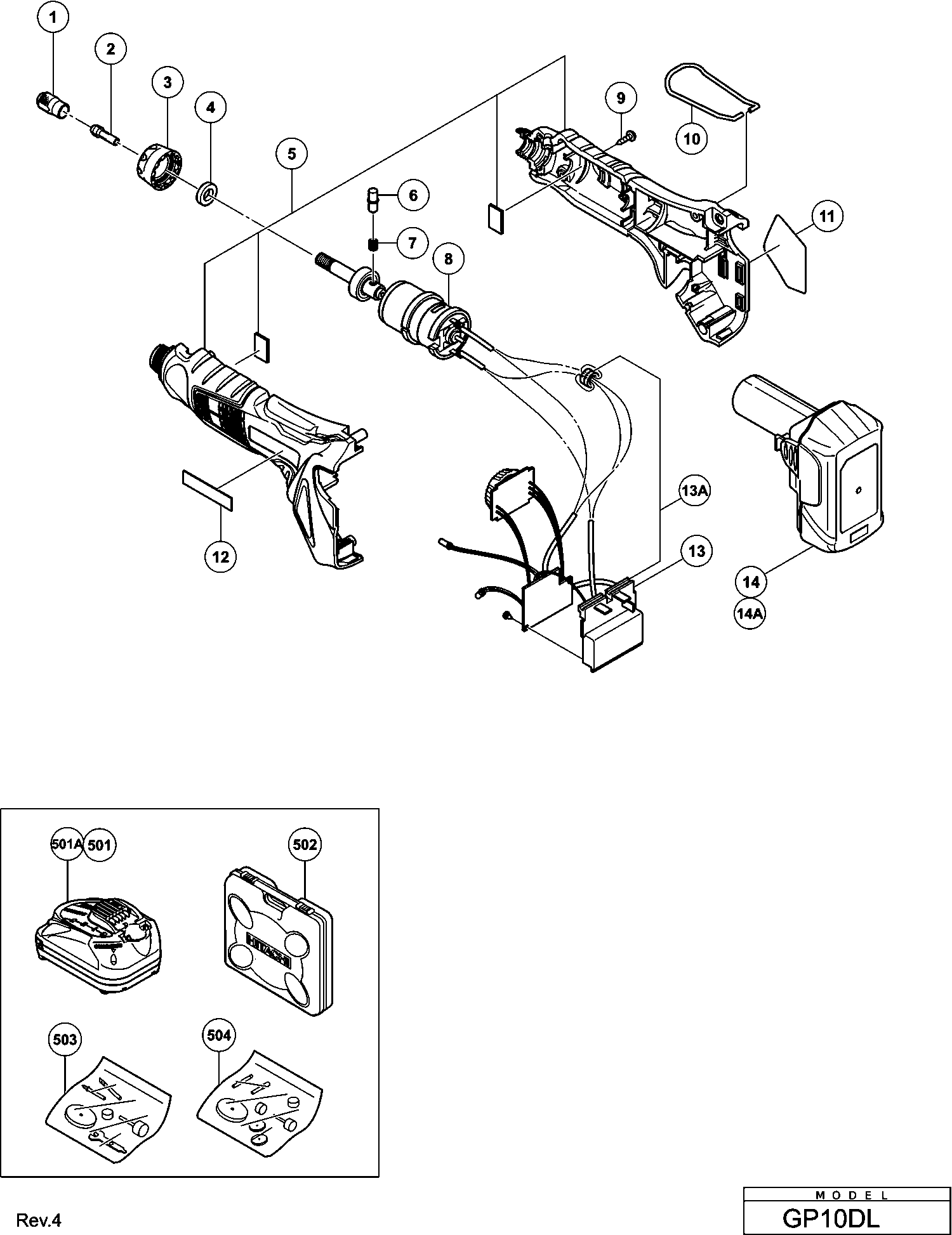
Dibujo técnico de los/las Hikoki GP10DL
Lista de las piezas de repuesto de Hikoki GP10DL
| Pos. | Descripción | Precio con el IVA excluido | Precio con el IVA incluido | |
| Los precios mostrados incluyen el IVA | ||||
| CASQUILLO | ||||
| 1 | 331978 | 4.65 | 5.63 | |
| Abrazadera D3.2 | ||||
| 2 | 331969 | 4.20 | 5.08 | |
| Capuchón frontal H45ma/h60ma/mb H45mr | ||||
| 3 | 331976 | 1.05 | 1.27 | |
| Fieltro | ||||
| 4 | 331970 | 1.05 | 1.27 | |
| Caja (a).(b) Conjunto | ||||
| 5 | 332519 | 11.80 | 14.28 | |
| Pasador De Bloqueo | ||||
| 6 | 331971 | 1.05 | 1.27 | |
| Muelle | ||||
| 7 | 319267 | 1.50 | 1.82 | |
| Motor Dc 10.8v | ||||
| 8 | 331973 | 17.13 | 20.72 | |
| Tornillo de roscar (con brida) D3x16 (negro) | ||||
| 9 | 313687 | 1.04 | 1.26 | |
| Ya no disponible, sin reemplazo | ||||
| 10 | 331972 | |||
| Placa de Nombre | ||||
| 12 | 330719 | 2.10 | 2.54 | |
| No hay información disponible, no se puede pedir | ||||
| 13 | 331977 | |||
| CONJUNTO DE CONTROLADOR (VIEJO 331977) | ||||
| 13A | 334850 | 31.63 | 38.27 | |
| CONTROLADOR (ANTIGUO 331977) | ||||
| 13B | 375150 | 31.76 | 38.43 | |
| No hay información disponible, no se puede pedir | ||||
| 14 | 331065 | |||
| No hay información disponible, no se puede pedir | ||||
| 14A | 329371 | |||
| No hay información disponible, no se puede pedir | ||||
| 14B | 371205 | |||
| No hay información disponible, no se puede pedir | ||||
| 502 | 332491 | |||
| No hay información disponible, no se puede pedir | ||||
| 503 | 332492 | |||
| No hay información disponible, no se puede pedir | ||||
| 504 | 332493 | |||