Aquí encontrará todas las piezas y dibujos técnicos disponibles de 'Hikoki GP2SA'. Desde aquí podrá pedir todas las piezas deseadas directamente. Para muchas piezas de repuesto, es necesario pasar un pedido al fabricante. Dependiendo de la marca, el plazo de entrega puede variar entre una y cuatro semanas. Toda la información que tenemos está en nuestro sitio web. No podremos aconsejarle sobre lo que necesita hasta que entregue la máquina para su reparación. Tenga en cuenta lo siguiente a la hora de cursar su pedido:
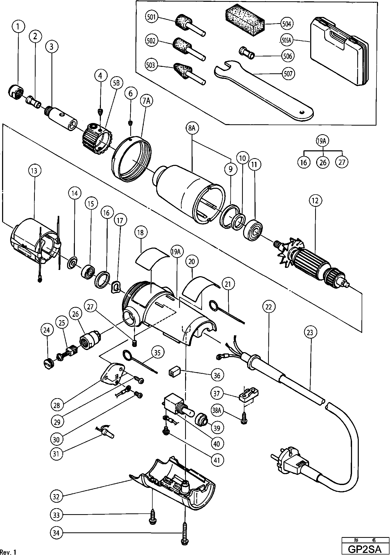
Dibujo técnico de los/las Hikoki GP2SA
Lista de las piezas de repuesto de Hikoki GP2SA
| Pos. | Descripción | Precio con el IVA excluido | Precio con el IVA incluido | |
| Los precios mostrados incluyen el IVA | ||||
| No hay información disponible, no se puede pedir | ||||
| 1 | 995527 | |||
| COLLET 6MM | ||||
| 2 | 995530 | 16.28 | 19.70 | |
| No hay información disponible, no se puede pedir | ||||
| 3 | 995526 | |||
| Tornillo de ajuste Allen M4 X 5 | ||||
| 4 | 961681 | 1.04 | 1.26 | |
| No hay información disponible, no se puede pedir | ||||
| 5B | 995528 | |||
| No hay información disponible, no se puede pedir | ||||
| 6 | 995525 | |||
| No hay información disponible, no se puede pedir | ||||
| 7A | 333863 | |||
| No hay información disponible, no se puede pedir | ||||
| 8A | 995522 | |||
| Anillo de goma (antiguo 994299) | ||||
| 9 | 957754 | 1.20 | 1.45 | |
| VILT | ||||
| 10 | 991365 | 1.00 | 1.21 | |
| Cojinete de bolas 6000 Vv, Cm9by, C8fse, G23ss | ||||
| 11 | 6000VV | 6.15 | 7.44 | |
| No hay información disponible, no se puede pedir | ||||
| 12 | 360060C | |||
| No hay información disponible, no se puede pedir | ||||
| 13 | 340096C | |||
| ARANDELA | ||||
| 14 | 980865 | 1.04 | 1.26 | |
| Rodamiento de bolas 626vvmc2erps2s | ||||
| 15 | 626VVM | 5.70 | 6.90 | |
| No hay información disponible, no se puede pedir | ||||
| 16 | 995535 | |||
| No hay información disponible, no se puede pedir | ||||
| 17 | 962606 | |||
| No hay información disponible, no se puede pedir | ||||
| 19A | 995520 | |||
| No hay información disponible, no se puede pedir | ||||
| 21 | 995534 | |||
| Prensaestopas D8.2 | ||||
| 22 | 930487 | 2.25 | 2.72 | |
| No hay información disponible, no se puede pedir | ||||
| 23 | 500205Z | |||
| Tapa del cepillo | ||||
| 24 | 936551 | 1.05 | 1.27 | |
| Ya no disponible, sin reemplazo | ||||
| 25 | 999021 | |||
| BRUSH HOLDER | ||||
| 26 | 937701 | 1.74 | 2.11 | |
| Tornillo de ajuste Allen M4 X 5 | ||||
| 27 | 961681 | 1.04 | 1.26 | |
| No hay información disponible, no se puede pedir | ||||
| 28 | 993793 | |||
| TORNILLO M4X35 | ||||
| 29 | 954017 | 1.04 | 1.26 | |
| No hay información disponible, no se puede pedir | ||||
| 30 | 949292 | |||
| Terminal de soldadura 50091 (10 piezas) | ||||
| 31 | 959140 | 3.30 | 3.99 | |
| No hay información disponible, no se puede pedir | ||||
| 32 | 995521 | |||
| No hay información disponible, no se puede pedir | ||||
| 33 | 995532 | |||
| Ya no disponible, sin reemplazo | ||||
| 34 | 981814 | |||
| No hay información disponible, no se puede pedir | ||||
| 35 | 995533 | |||
| No hay información disponible, no se puede pedir | ||||
| 36 | 991089 | |||
| Tira de sujeción (antiguo 994566) | ||||
| 37 | 937631 | 1.04 | 1.26 | |
| No hay información disponible, no se puede pedir | ||||
| 38A | 984750 | |||
| No hay información disponible, no se puede pedir | ||||
| 39 | 991079 | |||
| No hay información disponible, no se puede pedir | ||||
| 40 | 991076 | |||
| Tornillo de máquina M3,5x5 | ||||
| 41 | 980060 | 1.05 | 1.27 | |
| No hay información disponible, no se puede pedir | ||||
| 501 | 949022 | |||
| No hay información disponible, no se puede pedir | ||||
| 502 | 949021 | |||
| No hay información disponible, no se puede pedir | ||||
| 503 | 949023 | |||
| No hay información disponible, no se puede pedir | ||||
| 504 | 939120 | |||
| CASE | ||||
| 505A | 933525 | 13.58 | 16.43 | |
| No hay información disponible, no se puede pedir | ||||
| 506 | 995531 | |||
| No hay información disponible, no se puede pedir | ||||
| 507 | 873929 | |||
| No hay información disponible, no se puede pedir | ||||
| 601 | 939110 | |||
| No hay información disponible, no se puede pedir | ||||
| 602 | 939111 | |||
| No hay información disponible, no se puede pedir | ||||
| 603 | 939112 | |||
| No hay información disponible, no se puede pedir | ||||
| 604 | 939113 | |||
| No hay información disponible, no se puede pedir | ||||
| 605 | 939114 | |||
| No hay información disponible, no se puede pedir | ||||
| 606 | 939115 | |||
| No hay información disponible, no se puede pedir | ||||
| 607 | 939116 | |||
| No hay información disponible, no se puede pedir | ||||
| 608 | 939117 | |||
| No hay información disponible, no se puede pedir | ||||
| 609 | 939118 | |||
| No hay información disponible, no se puede pedir | ||||
| 610 | 939119 | |||