Aquí encontrará todas las piezas y dibujos técnicos disponibles de 'Hikoki GP3V'. Desde aquí podrá pedir todas las piezas deseadas directamente. Para muchas piezas de repuesto, es necesario pasar un pedido al fabricante. Dependiendo de la marca, el plazo de entrega puede variar entre una y cuatro semanas. Toda la información que tenemos está en nuestro sitio web. No podremos aconsejarle sobre lo que necesita hasta que entregue la máquina para su reparación. Tenga en cuenta lo siguiente a la hora de cursar su pedido:
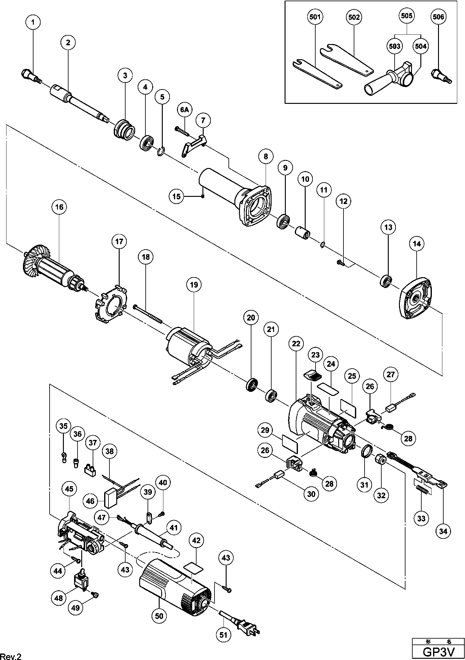
Dibujo técnico de los/las Hikoki GP3V
Lista de las piezas de repuesto de Hikoki GP3V
| Pos. | Descripción | Precio con el IVA excluido | Precio con el IVA incluido | |
| Los precios mostrados incluyen el IVA | ||||
| Inducido 220-230 Volt | ||||
| *16 | 360911E | 36.99 | 44.75 | |
| Campo | ||||
| *19 | 340827F | 21.18 | 25.62 | |
| VELD 110 VOLT | ||||
| *19 | 340827C | 19.80 | 23.96 | |
| Protector de cable D8.8 | ||||
| *41 | 380090 | 1.04 | 1.26 | |
| Casquillo del cable D10.1 | ||||
| *41 | 938051 | 1.04 | 1.26 | |
| Controlador 220v-240v | ||||
| *45 | 333592 | 77.28 | 93.50 | |
| Controlador 127v | ||||
| *45 | 333593 | 77.28 | 93.50 | |
| Controlador 100v-120v | ||||
| *45 | 333591 | 77.28 | 93.50 | |
| CONDENSADOR | ||||
| *46 | 325566 | 9.00 | 10.89 | |
| Cordón 2,5m 2 X 1.0 H05vv-f (Antiguo 500395z) | ||||
| *51 | 500447Z | 6.60 | 7.99 | |
| No hay información disponible, no se puede pedir | ||||
| 1 | 333936 | |||
| No hay información disponible, no se puede pedir | ||||
| 1A | 377082 | |||
| BARRA TOMMY | ||||
| 2 | 332453 | 14.38 | 17.39 | |
| Cubierta del cojinete RTS 400 REQ | ||||
| 3 | 332452 | 4.28 | 5.17 | |
| Rodamiento de bolas 6001vvcmps2l | ||||
| 4 | 6001VV | 6.60 | 7.99 | |
| Arandela | ||||
| 5 | 932617 | 1.05 | 1.27 | |
| Tornillo de rosca D5x35 (negro) | ||||
| 6A | 334402 | 1.05 | 1.27 | |
| Placa de guardia | ||||
| 7 | 317807 | 1.05 | 1.27 | |
| Soporte de nariz | ||||
| 8 | 334280 | 14.10 | 17.06 | |
| Cojinete de bolas 6000 Vv, Cm9by, C8fse, G23ss | ||||
| 9 | 6000VV | 6.15 | 7.44 | |
| Ya no disponible, sin reemplazo | ||||
| 10 | 334281 | |||
| ACOPLAMIENTO (OUD 334281) | ||||
| 10A | 372999 | 16.09 | 19.47 | |
| ANILLO TOPE | ||||
| 11 | 940079 | 1.04 | 1.26 | |
| Tornillo M4x8 | ||||
| 12 | 323556 | 1.05 | 1.27 | |
| Rodamiento de bolas 609vvmc2ps2s | ||||
| 13 | 609VVM | 6.00 | 7.26 | |
| Cubierta interior | ||||
| 14 | 333643 | 8.55 | 10.35 | |
| EXAGON SOCKET SET SCREW M4X4 | ||||
| 15 | 981478 | 1.05 | 1.27 | |
| Inducido 220-230 Volt | ||||
| 16 | 360911E | 36.99 | 44.75 | |
| Guía de ventilador | ||||
| 17 | 319898 | 1.05 | 1.27 | |
| Tornillo de cabeza hexagonal D4x70 | ||||
| 18 | 982021 | 1.04 | 1.26 | |
| Campo | ||||
| 19 | 340827F | 21.18 | 25.62 | |
| VELD 110 VOLT | ||||
| 19 | 340827C | 19.80 | 23.96 | |
| Empaque de Polvo G18u/ua/ub y otros | ||||
| 20 | 315877 | 1.05 | 1.27 | |
| Rodamiento de bolas 608vvmc2eps2l | ||||
| 21 | 608VVM | 5.70 | 6.90 | |
| Caja de carcasa DUO 110 - Conjunto | ||||
| 22 | 317802 | 12.00 | 14.52 | |
| Deslizador del interruptor | ||||
| 23 | 314428 | 1.04 | 1.26 | |
| Soporte de Cepillo de Carbono | ||||
| 26 | 317810 | 4.80 | 5.81 | |
| Cepillos de Carbón Autodesconectantes (2 Piezas) ( | ||||
| 27 | 999076 | 14.40 | 17.42 | |
| Primavera | ||||
| 28 | 308536 | 1.65 | 2.00 | |
| Escobillas de Carbono (2 Piezas) | ||||
| 30 | 999088 | 4.50 | 5.44 | |
| Anillo de goma (1) | ||||
| 31 | 995662 | 1.04 | 1.26 | |
| Imán | ||||
| 32 | 318721 | 17.60 | 21.30 | |
| Muelle | ||||
| 33 | 314429 | 1.04 | 1.26 | |
| Varilla de acoplamiento DF 700 | ||||
| 34 | 319370 | 1.05 | 1.27 | |
| Terminal M4.0 (10 piezas) | ||||
| 35 | 930804 | 3.00 | 3.63 | |
| Terminal de soldadura 50091 (10 piezas) | ||||
| 36 | 959140 | 3.30 | 3.99 | |
| Bloque de Terminal | ||||
| 37 | 938307 | 2.13 | 2.57 | |
| Terminal de tierra para TPE | ||||
| 38 | 314854 | 1.50 | 1.82 | |
| Tira de sujeción (antiguo 994566) | ||||
| 39 | 937631 | 1.04 | 1.26 | |
| No hay información disponible, no se puede pedir | ||||
| 40 | 984750 | |||
| Protector de cable D8.8 | ||||
| 41 | 380090 | 1.04 | 1.26 | |
| Casquillo del cable D10.1 | ||||
| 41 | 938051 | 1.04 | 1.26 | |
| Etiqueta de Configuración | ||||
| 42 | 333938 | 1.80 | 2.18 | |
| Tornillo de roscado D4x20 con brida (negro) | ||||
| 43 | 301653 | 1.04 | 1.26 | |
| Tornillo de rosca (con brida) D4x25 (negro) | ||||
| 44 | 307028 | 1.05 | 1.27 | |
| Controlador 127v | ||||
| 45 | 333593 | 77.28 | 93.50 | |
| Controlador 220v-240v | ||||
| 45 | 333592 | 77.28 | 93.50 | |
| Controlador 100v-120v | ||||
| 45 | 333591 | 77.28 | 93.50 | |
| CONDENSADOR | ||||
| 46 | 325566 | 9.00 | 10.89 | |
| Terminal de Conexión | ||||
| 47 | 980063 | 1.04 | 1.26 | |
| SCHAKELAAR | ||||
| 48 | 314603 | 11.88 | 14.37 | |
| Tornillo de máquina (con arandela) M3.5x6 | ||||
| 49 | 305499 | 1.05 | 1.27 | |
| Cubierta trasera | ||||
| 50 | 319376 | 3.90 | 4.72 | |
| Cordón | ||||
| 51 | 500240Z | 13.18 | 15.94 | |
| Cordón 2.5m 2 X 1.0 Sin Enchufe | ||||
| 51 | 500237Z | 11.40 | 13.79 | |
| Cordón 2,5m 2 X 1.0 H05vv-f (Antiguo 500395z) | ||||
| 51 | 500447Z | 6.60 | 7.99 | |
| SNOER 10.7 (USE 714500=2X1 5M) | ||||
| 51 | 500247Z | 6.18 | 7.48 | |
| CABLE (CORD ARMOR D10.7) | ||||
| 51A | 500492Z | 6.45 | 7.80 | |
| No hay información disponible, no se puede pedir | ||||
| 501 | 936553 | |||
| No hay información disponible, no se puede pedir | ||||
| 502 | 936638 | |||
| No hay información disponible, no se puede pedir | ||||
| 503 | 324548 | |||
| MANGUITO EXCÉNTRICO | ||||
| 504 | 330061 | 3.45 | 4.17 | |
| No hay información disponible, no se puede pedir | ||||
| 505 | 330060 | |||
| No hay información disponible, no se puede pedir | ||||
| 505A | 371325 | |||
| No hay información disponible, no se puede pedir | ||||
| 506 | 331477 | |||
| No hay información disponible, no se puede pedir | ||||
| 601 | 939101 | |||
| No hay información disponible, no se puede pedir | ||||
| 602 | 939102 | |||
| No hay información disponible, no se puede pedir | ||||
| 603 | 939103 | |||
| No hay información disponible, no se puede pedir | ||||
| 604 | 939104 | |||
| No hay información disponible, no se puede pedir | ||||
| 605 | 939106 | |||
| No hay información disponible, no se puede pedir | ||||
| 606 | 939107 | |||
| No hay información disponible, no se puede pedir | ||||
| 607 | 939108 | |||
| No hay información disponible, no se puede pedir | ||||
| 608 | 949023 | |||
| No hay información disponible, no se puede pedir | ||||
| 609 | 949021 | |||
| No hay información disponible, no se puede pedir | ||||
| 610 | 949022 | |||
| No hay información disponible, no se puede pedir | ||||
| 611 | 939110 | |||
| No hay información disponible, no se puede pedir | ||||
| 612 | 939111 | |||
| No hay información disponible, no se puede pedir | ||||
| 613 | 939112 | |||
| No hay información disponible, no se puede pedir | ||||
| 614 | 939113 | |||
| No hay información disponible, no se puede pedir | ||||
| 615 | 939114 | |||
| No hay información disponible, no se puede pedir | ||||
| 616 | 939115 | |||
| No hay información disponible, no se puede pedir | ||||
| 617 | 939116 | |||
| No hay información disponible, no se puede pedir | ||||
| 618 | 939117 | |||
| No hay información disponible, no se puede pedir | ||||
| 619 | 939118 | |||
| No hay información disponible, no se puede pedir | ||||
| 620 | 939119 | |||
| No hay información disponible, no se puede pedir | ||||
| 621 | 939120 | |||
| No hay información disponible, no se puede pedir | ||||
| 622 | 331477 | |||
| No hay información disponible, no se puede pedir | ||||
| 623 | 932624 | |||
| No hay información disponible, no se puede pedir | ||||
| 624 | 985136 | |||
| No hay información disponible, no se puede pedir | ||||
| 625 | 332812 | |||