Aquí encontrará todas las piezas y dibujos técnicos disponibles de 'Hikoki H25PV'. Desde aquí podrá pedir todas las piezas deseadas directamente. Para muchas piezas de repuesto, es necesario pasar un pedido al fabricante. Dependiendo de la marca, el plazo de entrega puede variar entre una y cuatro semanas. Toda la información que tenemos está en nuestro sitio web. No podremos aconsejarle sobre lo que necesita hasta que entregue la máquina para su reparación. Tenga en cuenta lo siguiente a la hora de cursar su pedido:
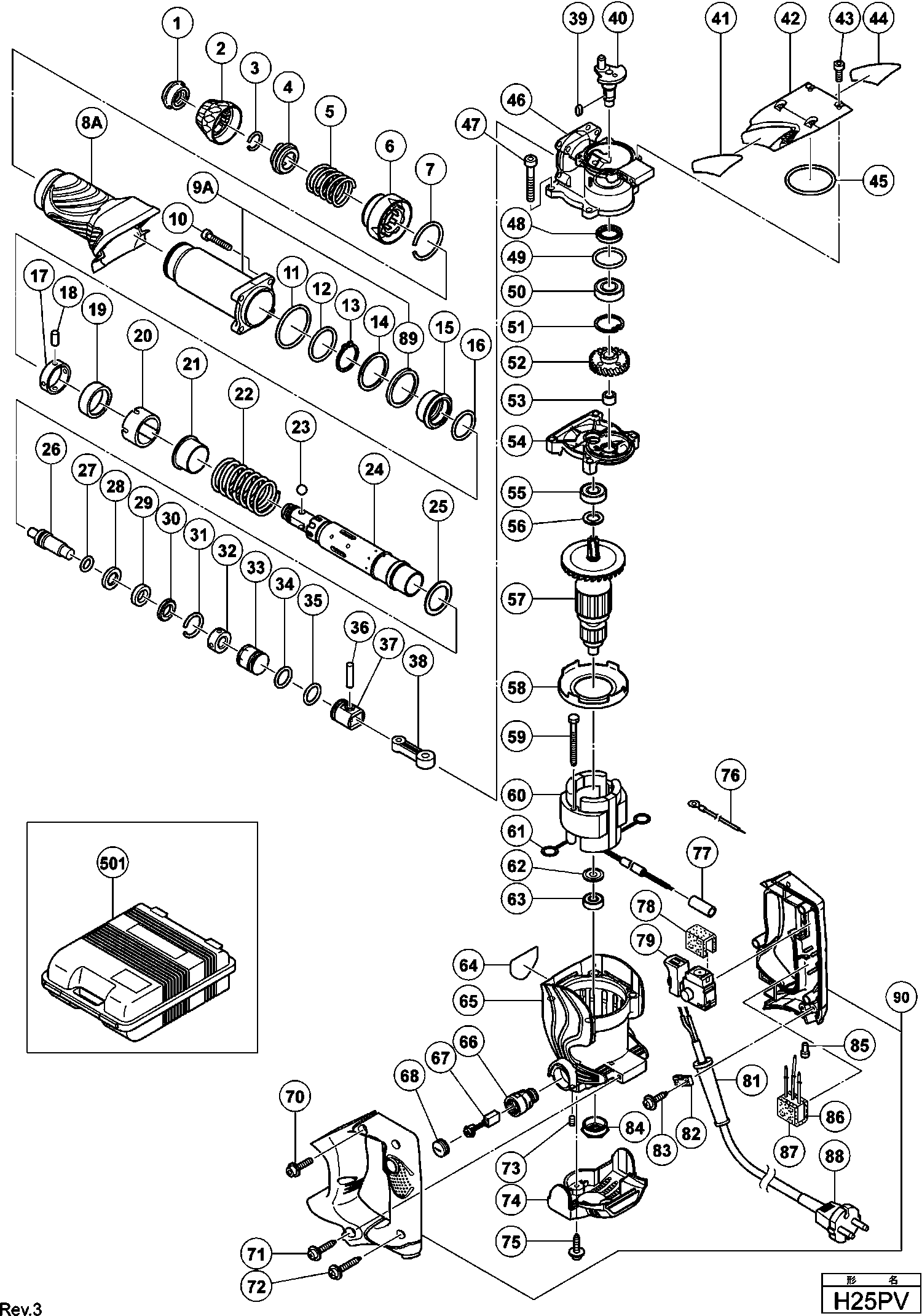
Dibujo técnico de los/las Hikoki H25PV
Lista de las piezas de repuesto de Hikoki H25PV
| Pos. | Descripción | Precio con el IVA excluido | Precio con el IVA incluido | |
| Los precios mostrados incluyen el IVA | ||||
| ARMADURA 230V | ||||
| *57 | 360660E | 110.83 | 134.10 | |
| Stator 220v-230v H-90sa Includ.103 Para Nzl,saf | ||||
| *60 | 340593E | 102.16 | 123.62 | |
| No hay información disponible, no se puede pedir | ||||
| *88 | 500439Z | |||
| Capuchón frontal H45ma/h60ma/mb H45mr | ||||
| 1 | 323078 | 3.30 | 3.99 | |
| Agarre | ||||
| 2 | 323077 | 4.80 | 5.81 | |
| Anillo de bloqueo | ||||
| 3 | 306340 | 1.35 | 1.63 | |
| Sostenedor de la Bola | ||||
| 4 | 323076 | 25.44 | 30.78 | |
| Arandela de resorte | ||||
| 5 | 323075 | 3.30 | 3.99 | |
| Manguito de bloqueo Cm12y | ||||
| 6 | 323074 | 6.45 | 7.80 | |
| Arandela (a) | ||||
| 7 | 323073 | 1.65 | 2.00 | |
| Cobertura de la Caja del Cilindro (Verde Claro) | ||||
| 8A | 335208 | 5.85 | 7.08 | |
| Caja del Cilindro | ||||
| 9A | 325256 | 32.18 | 38.93 | |
| Tornillo de cabeza hexagonal Seal Lock M6x22 | ||||
| 10 | 321313 | 1.65 | 2.00 | |
| Anillo O (s-46) | ||||
| 11 | 882874 | 1.65 | 2.00 | |
| Anillo O (s-36) | ||||
| 12 | 984483 | 1.65 | 2.00 | |
| ANILLO DE RETENCIÓN | ||||
| 13 | 962553 | 1.05 | 1.27 | |
| Arandela | ||||
| 14 | 323071 | 3.30 | 3.99 | |
| Soporte de Cilindro | ||||
| 15 | 323069 | 28.88 | 34.94 | |
| Anillo O (a) | ||||
| 16 | 323070 | 1.65 | 2.00 | |
| Jaula de Aguja Dh18vb | ||||
| 17 | 323080 | 28.05 | 33.94 | |
| Rodillo de aguja | ||||
| 18 | 991449 | 1.05 | 1.27 | |
| Cubierta de Aguja H25pv | ||||
| 19 | 323081 | 4.80 | 5.81 | |
| Manga Deslizante (b) | ||||
| 20 | 323065 | 4.80 | 5.81 | |
| Manga Deslizante (a) H25pv | ||||
| 21 | 323064 | 29.29 | 35.44 | |
| Resorte (a) Dh18vb | ||||
| 22 | 323067 | 3.00 | 3.63 | |
| Bola de acero D7.0 (10 Pcs.) | ||||
| 23 | 959156 | 1.65 | 2.00 | |
| CILINDRO | ||||
| 24 | 323056 | 221.65 | 268.20 | |
| Anillo de bloqueo | ||||
| 25 | 323068 | 3.30 | 3.99 | |
| Segundo martillo | ||||
| 26 | 323057 | 17.05 | 20.63 | |
| Anillo O (c) Dh40ma/mb/mr | ||||
| 27 | 323058 | 3.30 | 3.99 | |
| Arandela Amortiguadora H25pv | ||||
| 28 | 323059 | 9.30 | 11.25 | |
| Anillo amortiguador | ||||
| 29 | 323060 | 3.30 | 3.99 | |
| Soporte del amortiguador | ||||
| 30 | 323061 | 8.40 | 10.16 | |
| Anillo de Detención H25pv | ||||
| 31 | 323062 | 1.65 | 2.00 | |
| Anillo deslizante | ||||
| 32 | 323063 | 16.09 | 19.47 | |
| Golpeador | ||||
| 33 | 323066 | 13.75 | 16.64 | |
| O-ring (d.i 19.2) | ||||
| 34 | 319577 | 3.30 | 3.99 | |
| O-ring (d.i 19.2) | ||||
| 35 | 319577 | 3.30 | 3.99 | |
| Pasador del pistón | ||||
| 36 | 319581 | 1.65 | 2.00 | |
| PISTÓN | ||||
| 37 | 319580 | 3.30 | 3.99 | |
| VARILLA CONICA | ||||
| 38 | 319585 | 3.30 | 3.99 | |
| Chaveta 3x3x8 | ||||
| 39 | 944109 | 1.70 | 2.06 | |
| Cigüeñal | ||||
| 40 | 323054 | 39.88 | 48.25 | |
| Cubierta de la caja de la manivela | ||||
| 42 | 323079 | 11.10 | 13.43 | |
| Sello de bloqueo Tornillo Allen M4x12 | ||||
| 43 | 983162 | 1.05 | 1.27 | |
| Anillo O (s-48) | ||||
| 45 | 980715 | 2.40 | 2.90 | |
| Caja de cigüeñal | ||||
| 46 | 323053 | 58.44 | 70.71 | |
| INBUSBOUT M6X35 (OUD 949692Z,10S) | ||||
| 47 | 949692 | 3.18 | 3.85 | |
| Sello de aceite | ||||
| 48 | 981851 | 2.55 | 3.09 | |
| Anillo-O (s-32) | ||||
| 49 | 872767 | 1.65 | 2.00 | |
| Rodamiento de bolas 6002dducmps2s | ||||
| 50 | 6002DD | 7.05 | 8.53 | |
| Anillo de parada D32 | ||||
| 51 | 948001 | 1.20 | 1.45 | |
| Primera Engranaje | ||||
| 52 | 323055 | 32.18 | 38.93 | |
| RODAMIENTO DE AGUJAS | ||||
| 53 | 939299 | 10.65 | 12.89 | |
| No hay información disponible, no se puede pedir | ||||
| 54 | 323084 | |||
| Rodamiento de bolas 6001dducmps2s (antiguo 980925) | ||||
| 55 | 6001DD | 6.45 | 7.80 | |
| ARANDELA | ||||
| 56 | 971736 | 1.05 | 1.27 | |
| ARMADURA 230V | ||||
| 57 | 360660E | 110.83 | 134.10 | |
| Guía de ventilador | ||||
| 58 | 323083 | 3.30 | 3.99 | |
| HEX.HD. TAPSCHROEF D5X40 | ||||
| 59 | 980864 | 1.00 | 1.21 | |
| Stator 220v-230v H-90sa Includ.103 Para Nzl,saf | ||||
| 60 | 340593E | 102.16 | 123.62 | |
| Punto de contacto del Portaescobillas | ||||
| 61 | 930703 | 2.40 | 2.90 | |
| Arandela (a) | ||||
| 62 | 982631 | 1.04 | 1.26 | |
| Rodamiento de bolas 608vvmc2eps2l | ||||
| 63 | 608VVM | 5.70 | 6.90 | |
| Caja de carcasa DUO 110 - Conjunto | ||||
| 65 | 323082 | 64.21 | 77.70 | |
| Soporte de Cepillo de Carbono | ||||
| 66 | 958900 | 6.45 | 7.80 | |
| Escobilla de carbono (1 par) | ||||
| 67 | 999056 | 6.45 | 7.80 | |
| Tapa del cepillo | ||||
| 68 | 945161 | 1.20 | 1.45 | |
| Tornillo M5X16 | ||||
| 70 | 994192 | 1.04 | 1.26 | |
| Tornillo autoperforante (con brida) D5x20 (negro) | ||||
| 71 | 302089 | 1.05 | 1.27 | |
| Tornillo de rosca (con brida) D4x25 (negro) | ||||
| 72 | 307028 | 1.05 | 1.27 | |
| Tornillo de ajuste hexagonal M5x8 | ||||
| 73 | 938477 | 1.05 | 1.27 | |
| Tapa Trasera | ||||
| 74 | 323085 | 16.09 | 19.47 | |
| No hay información disponible, no se puede pedir | ||||
| 75 | 307811 | |||
| Cable interno | ||||
| 76 | 994190 | 1.05 | 1.27 | |
| Tubo CS 50 EBG | ||||
| 77 | 321322 | 1.65 | 2.00 | |
| Soporte de condensador | ||||
| 78 | 317492 | 1.65 | 2.00 | |
| Ya no disponible, sin reemplazo | ||||
| 79 | 323086 | |||
| Interruptor (tipo pilar 1p) | ||||
| 79A | 370379 | 18.84 | 22.79 | |
| No hay información disponible, no se puede pedir | ||||
| 81 | 953327 | |||
| Abrazadera del cordón | ||||
| 82 | 960266 | 1.04 | 1.26 | |
| No hay información disponible, no se puede pedir | ||||
| 83 | 984750 | |||
| CASQUILLO DE COJINETE (B) | ||||
| 84 | 310111 | 8.40 | 10.16 | |
| Terminal de soldadura 50091 (10 piezas) | ||||
| 85 | 959140 | 3.30 | 3.99 | |
| Condensador (antiguo 930030/991313) | ||||
| 86 | 994273 | 4.29 | 5.19 | |
| Soporte de condensador | ||||
| 87 | 317492 | 1.65 | 2.00 | |
| Cable 5M 2 X1.0 Ho7rn-f (sin enchufe) | ||||
| 88 | 500454Z | 15.54 | 18.80 | |
| ANILLO DE AMORTIGUADOR (A) | ||||
| 89 | 325257 | 3.30 | 3.99 | |
| Juego de asas (a+b) | ||||
| 90 | 335207 | 11.55 | 13.98 | |
| No hay información disponible, no se puede pedir | ||||
| 501 | 323090 | |||
| Grasa (tubo de 30 Gramos) | ||||
| 601 | 981840 | 8.40 | 10.16 | |
| Grasa para martillo. Taladro de martillo (70g) | ||||
| 602 | 308471 | 12.75 | 15.43 | |
| Grasa (bote de 500 gramos) | ||||
| 603 | 980927 | 73.01 | 88.35 | |
| No hay información disponible, no se puede pedir | ||||
| 604 | 303046 | |||