Aquí encontrará todas las piezas y dibujos técnicos disponibles de 'Hikoki H41'. Desde aquí podrá pedir todas las piezas deseadas directamente. Para muchas piezas de repuesto, es necesario pasar un pedido al fabricante. Dependiendo de la marca, el plazo de entrega puede variar entre una y cuatro semanas. Toda la información que tenemos está en nuestro sitio web. No podremos aconsejarle sobre lo que necesita hasta que entregue la máquina para su reparación. Tenga en cuenta lo siguiente a la hora de cursar su pedido:
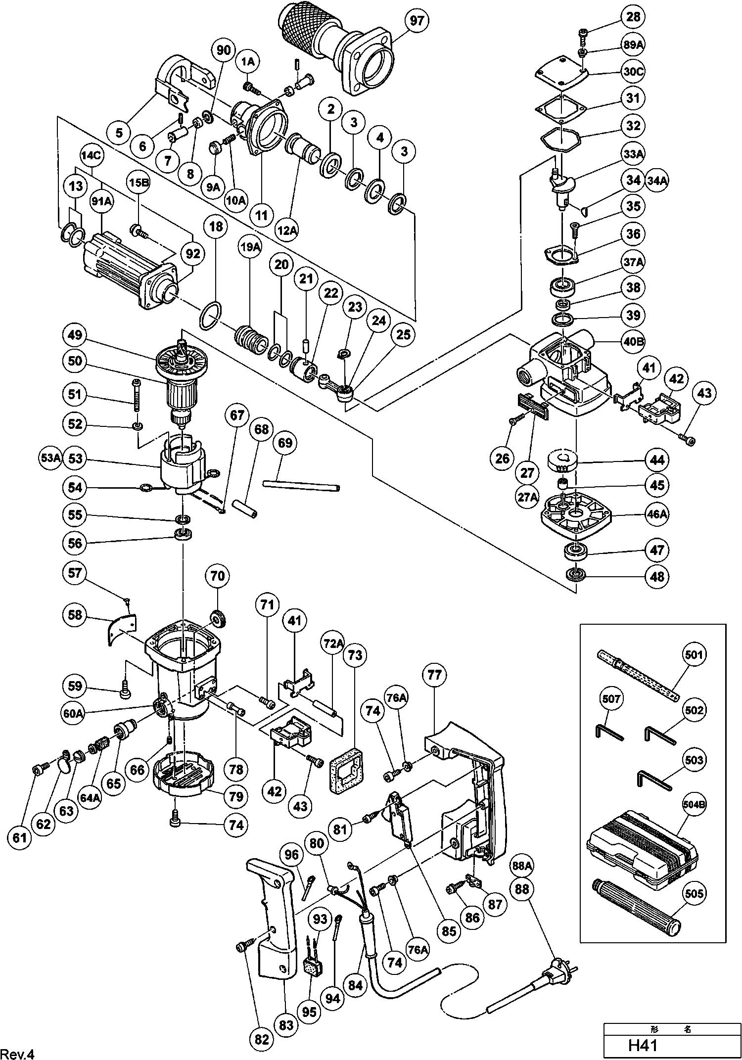
Dibujo técnico de los/las Hikoki H41
Lista de las piezas de repuesto de Hikoki H41
| Pos. | Descripción | Precio con el IVA excluido | Precio con el IVA incluido | |
| Los precios mostrados incluyen el IVA | ||||
| No hay información disponible, no se puede pedir | ||||
| *50 | 983250E | |||
| Stator 220v-230v H-90sa Includ.103 Para Nzl,saf | ||||
| *53 | 983244E | 39.05 | 47.25 | |
| No hay información disponible, no se puede pedir | ||||
| *60B | 332146 | |||
| Armadura de cable D10.7 | ||||
| *84 | 940778 | 2.10 | 2.54 | |
| CONDENSADOR | ||||
| *93 | 311935 | 3.30 | 3.99 | |
| Caucho | ||||
| *95 | 930153 | 1.04 | 1.26 | |
| Tornillo de empaquetadura M7x25 (antiguo 991696) | ||||
| 1A | 993040 | 2.40 | 2.90 | |
| Anillo de amortiguador | ||||
| 2 | 991695 | 5.85 | 7.08 | |
| Anillo amortiguador | ||||
| 3 | 983235 | 4.50 | 5.44 | |
| ARANDELA | ||||
| 4 | 983236 | 1.95 | 2.36 | |
| Porta cincel | ||||
| 5 | 990131 | 35.06 | 42.43 | |
| Pasador de rodillo D4x20 | ||||
| 6 | 991697 | 1.05 | 1.27 | |
| Pasador de soporte | ||||
| 7 | 990135 | 11.85 | 14.34 | |
| Pequeño caucho (b) | ||||
| 8 | 990134 | 2.40 | 2.90 | |
| Botón AGC 18 | ||||
| 9A | 990133 | 9.60 | 11.62 | |
| Muelle | ||||
| 10A | 331239 | 1.05 | 1.27 | |
| Caja Frontal | ||||
| 11 | 991693 | 99.14 | 119.96 | |
| Martillo | ||||
| 12A | 991708 | 35.06 | 42.43 | |
| Anillo O (a) | ||||
| 13 | 983234 | 8.70 | 10.53 | |
| No hay información disponible, no se puede pedir | ||||
| 14C | 332149 | |||
| Tornillo Nylock M7x25 | ||||
| 15B | 993041 | 1.05 | 1.27 | |
| Anillo O (s-48) | ||||
| 18 | 980715 | 2.40 | 2.90 | |
| Ya no disponible, sin reemplazo | ||||
| 19A | 991706 | |||
| Anillo O | ||||
| 20 | 986104 | 1.05 | 1.27 | |
| Pasador del pistón | ||||
| 21 | 980708 | 2.40 | 2.90 | |
| PISTÓN | ||||
| 22 | 981885 | 18.70 | 22.63 | |
| Arandela de resorte D12 (10 piezas) | ||||
| 23 | 939542 | 1.50 | 1.82 | |
| Rodamiento de agujas Nsk Aj50 1203 | ||||
| 24 | 980756 | 10.65 | 12.89 | |
| VARILLA CONICA | ||||
| 25 | 980707 | 35.06 | 42.43 | |
| Tornillo M4x10 (10 piezas) | ||||
| 26 | 949322 | 1.05 | 1.27 | |
| No hay información disponible, no se puede pedir | ||||
| 27 | 980735 | |||
| No hay información disponible, no se puede pedir | ||||
| 27A | 991713 | |||
| Sello de bloqueo Tornillo Allen M4x12 | ||||
| 28 | 983162 | 1.05 | 1.27 | |
| Tapa de la manivela (antigua 981968) | ||||
| 30C | 993903 | 8.10 | 9.80 | |
| Junta | ||||
| 31 | 980749 | 1.05 | 1.27 | |
| Anillo O (s-55) | ||||
| 32 | 980744 | 2.55 | 3.09 | |
| No hay información disponible, no se puede pedir | ||||
| 33A | 991718 | |||
| Pasador 3X13 | ||||
| 34 | 932815 | 1.35 | 1.63 | |
| Chaveta 3x3x10 | ||||
| 34A | 940533 | 1.20 | 1.45 | |
| Perno M5X12 | ||||
| 35 | 980760 | 1.05 | 1.27 | |
| Cubierta del cojinete (b) | ||||
| 36 | 980761 | 7.65 | 9.26 | |
| Rodamiento de bolas 6203dducmav2s | ||||
| 37A | 6203DD | 7.65 | 9.26 | |
| Arandela | ||||
| 38 | 980706 | 8.85 | 10.71 | |
| Sello de aceite | ||||
| 39 | 971745 | 4.50 | 5.44 | |
| No hay información disponible, no se puede pedir | ||||
| 40B | 332148 | |||
| PLACA | ||||
| 41 | 980750 | 17.05 | 20.63 | |
| Empuñadura de goma | ||||
| 42 | 980727 | 14.10 | 17.06 | |
| Bloqueo de Sello Hd. Tornillo Allen M5x14 (nuevo 9 | ||||
| 43 | 984509 | 1.05 | 1.27 | |
| EERSTE TANDWIEL | ||||
| 44 | 980704 | 14.58 | 17.64 | |
| RODAMIENTO DE AGUJAS | ||||
| 45 | 939299 | 10.65 | 12.89 | |
| No hay información disponible, no se puede pedir | ||||
| 46A | 332147 | |||
| Cojinete de bolas 6202vvcmps2s | ||||
| 47 | 6202VV | 7.05 | 8.53 | |
| ARANDELA | ||||
| 48 | 980700 | 1.04 | 1.26 | |
| Guía de ventilador | ||||
| 49 | 980740 | 6.45 | 7.80 | |
| No hay información disponible, no se puede pedir | ||||
| 50 | 983250E | |||
| MACHINESCHROEF M5X55 (10 STUKS) | ||||
| 51 | 949233 | 1.62 | 1.96 | |
| Arandela de resorte M5 (10 piezas) | ||||
| 52 | 949454 | 1.04 | 1.26 | |
| Stator 220v-230v H-90sa Includ.103 Para Nzl,saf | ||||
| 53 | 983244E | 39.05 | 47.25 | |
| No hay información disponible, no se puede pedir | ||||
| 53A | 983244G | |||
| Punto de contacto del Portaescobillas | ||||
| 54 | 930703 | 2.40 | 2.90 | |
| ARANDELA | ||||
| 55 | 980698 | 1.05 | 1.27 | |
| Rodamiento de bolas 608vvmc2eps2l | ||||
| 56 | 608VVM | 5.70 | 6.90 | |
| Remache D2.5x4.8 (10 Piezas) | ||||
| 57 | 949510 | 1.04 | 1.26 | |
| Tornillo de cabeza de bloqueo de sellado Inbus 6x4 | ||||
| 59 | 986940 | 1.05 | 1.27 | |
| No hay información disponible, no se puede pedir | ||||
| 60A | 332146 | |||
| No hay información disponible, no se puede pedir | ||||
| 60B | 332146 | |||
| Cerradura de sellado Hd. Tornillo Allen M5x10 | ||||
| 61 | 877839 | 1.05 | 1.27 | |
| Tapa del Tapon H90sc/se | ||||
| 62 | 980733 | 1.05 | 1.27 | |
| Cubierta del cepillo | ||||
| 63 | 935829 | 1.05 | 1.27 | |
| Cepillos de Carbón Autodesconectantes (2 Piezas) ( | ||||
| 64A | 999073 | 14.40 | 17.42 | |
| Soporte de Cepillo de Carbono | ||||
| 65 | 971001 | 6.45 | 7.80 | |
| Tornillo de ajuste hexagonal M5x8 | ||||
| 66 | 938477 | 1.05 | 1.27 | |
| Terminal M4.0 (10 piezas) | ||||
| 67 | 930804 | 3.00 | 3.63 | |
| No hay información disponible, no se puede pedir | ||||
| 70 | 956127 | |||
| No hay información disponible, no se puede pedir | ||||
| 71 | 949292 | |||
| Tubo CS 50 EBG | ||||
| 72A | 319363 | 1.65 | 2.00 | |
| Junta | ||||
| 73 | 980751 | 1.35 | 1.63 | |
| Tornillo Allen con cierre de seguridad M5x12 | ||||
| 74 | 991690 | 1.05 | 1.27 | |
| Casquillo Espaciador | ||||
| 76A | 991711 | 1.05 | 1.27 | |
| HANDLE | ||||
| 77 | 980763 | 9.00 | 10.89 | |
| CUBIERTA TRASERA | ||||
| 79 | 980732 | 2.85 | 3.45 | |
| Terminal de soldadura 50092 (10 piezas) | ||||
| 80 | 959141 | 3.75 | 4.54 | |
| TORNILLO M4X35 | ||||
| 81 | 954017 | 1.04 | 1.26 | |
| No hay información disponible, no se puede pedir | ||||
| 82 | 956636 | |||
| No hay información disponible, no se puede pedir | ||||
| 83 | 980764 | |||
| Armadura de cable D10.7 | ||||
| 84 | 940778 | 2.10 | 2.54 | |
| Prensaestopas de cable D8.2 (antiguo 958049z) | ||||
| 84 | 958049 | 1.04 | 1.26 | |
| Interruptor (tipo de tornillo 1p) sin bloqueo | ||||
| 85 | 956433 | 15.54 | 18.80 | |
| No hay información disponible, no se puede pedir | ||||
| 86 | 984750 | |||
| Abrazadera del cordón | ||||
| 87 | 960266 | 1.04 | 1.26 | |
| No hay información disponible, no se puede pedir | ||||
| 88 | 500428Z | |||
| No hay información disponible, no se puede pedir | ||||
| 88A | 500471Z | |||
| AFSTANDSBUS | ||||
| 89A | 990146 | 1.00 | 1.21 | |
| No hay información disponible, no se puede pedir | ||||
| 90 | 991701 | |||
| No hay información disponible, no se puede pedir | ||||
| 91A | 332150 | |||
| No hay información disponible, no se puede pedir | ||||
| 92 | 991709 | |||
| CONDENSADOR | ||||
| 93 | 311935 | 3.30 | 3.99 | |
| Terminal de Conexión | ||||
| 94 | 980063 | 1.04 | 1.26 | |
| SOPORTE (B) | ||||
| 95 | 930196 | 1.05 | 1.27 | |
| Caucho | ||||
| 95 | 930153 | 1.04 | 1.26 | |
| Cable interno | ||||
| 96 | 981974 | 1.65 | 2.00 | |
| Set de Cubierta Delantera | ||||
| 97 | 316041 | 87.59 | 105.98 | |
| No hay información disponible, no se puede pedir | ||||
| 501 | 980752 | |||
| No hay información disponible, no se puede pedir | ||||
| 502 | 944458 | |||
| No hay información disponible, no se puede pedir | ||||
| 503 | 944459 | |||
| No hay información disponible, no se puede pedir | ||||
| 504B | 333145 | |||
| No hay información disponible, no se puede pedir | ||||
| 505 | 944457 | |||
| No hay información disponible, no se puede pedir | ||||
| 507 | 943277 | |||
| Grasa (tubo de 30 Gramos) | ||||
| 601 | 981840 | 8.40 | 10.16 | |
| No hay información disponible, no se puede pedir | ||||
| 602 | 980753 | |||
| No hay información disponible, no se puede pedir | ||||
| 603 | 980752 | |||
| No hay información disponible, no se puede pedir | ||||
| 604 | 980753 | |||
| No hay información disponible, no se puede pedir | ||||
| 605 | 981925 | |||
| No hay información disponible, no se puede pedir | ||||
| 606 | 981926 | |||
| No hay información disponible, no se puede pedir | ||||
| 607 | 982705 | |||
| No hay información disponible, no se puede pedir | ||||
| 608 | 982711 | |||
| No hay información disponible, no se puede pedir | ||||
| 609 | 982710 | |||
| No hay información disponible, no se puede pedir | ||||
| 610 | 955183 | |||
| No hay información disponible, no se puede pedir | ||||
| 611 | 955181 | |||
| No hay información disponible, no se puede pedir | ||||
| 612 | 982702 | |||
| No hay información disponible, no se puede pedir | ||||
| 613 | 982703 | |||
| No hay información disponible, no se puede pedir | ||||
| 614 | 982704 | |||
| No hay información disponible, no se puede pedir | ||||
| 616 | 944574 | |||
| No hay información disponible, no se puede pedir | ||||
| 617A | 323357 | |||
| No hay información disponible, no se puede pedir | ||||
| 618A | 318085 | |||
| Grasa (bote de 500 gramos) | ||||
| 619 | 980927 | 73.01 | 88.35 | |
| No hay información disponible, no se puede pedir | ||||
| 620 | 980734 | |||
| Grasa para martillo. Taladro de martillo (70g) | ||||
| 622 | 308471 | 12.75 | 15.43 | |
| No hay información disponible, no se puede pedir | ||||
| 623 | 981922 | |||
| No hay información disponible, no se puede pedir | ||||
| 624 | 320859 | |||