Aquí encontrará todas las piezas y dibujos técnicos disponibles de 'Hikoki H90SE'. Desde aquí podrá pedir todas las piezas deseadas directamente. Para muchas piezas de repuesto, es necesario pasar un pedido al fabricante. Dependiendo de la marca, el plazo de entrega puede variar entre una y cuatro semanas. Toda la información que tenemos está en nuestro sitio web. No podremos aconsejarle sobre lo que necesita hasta que entregue la máquina para su reparación. Tenga en cuenta lo siguiente a la hora de cursar su pedido:
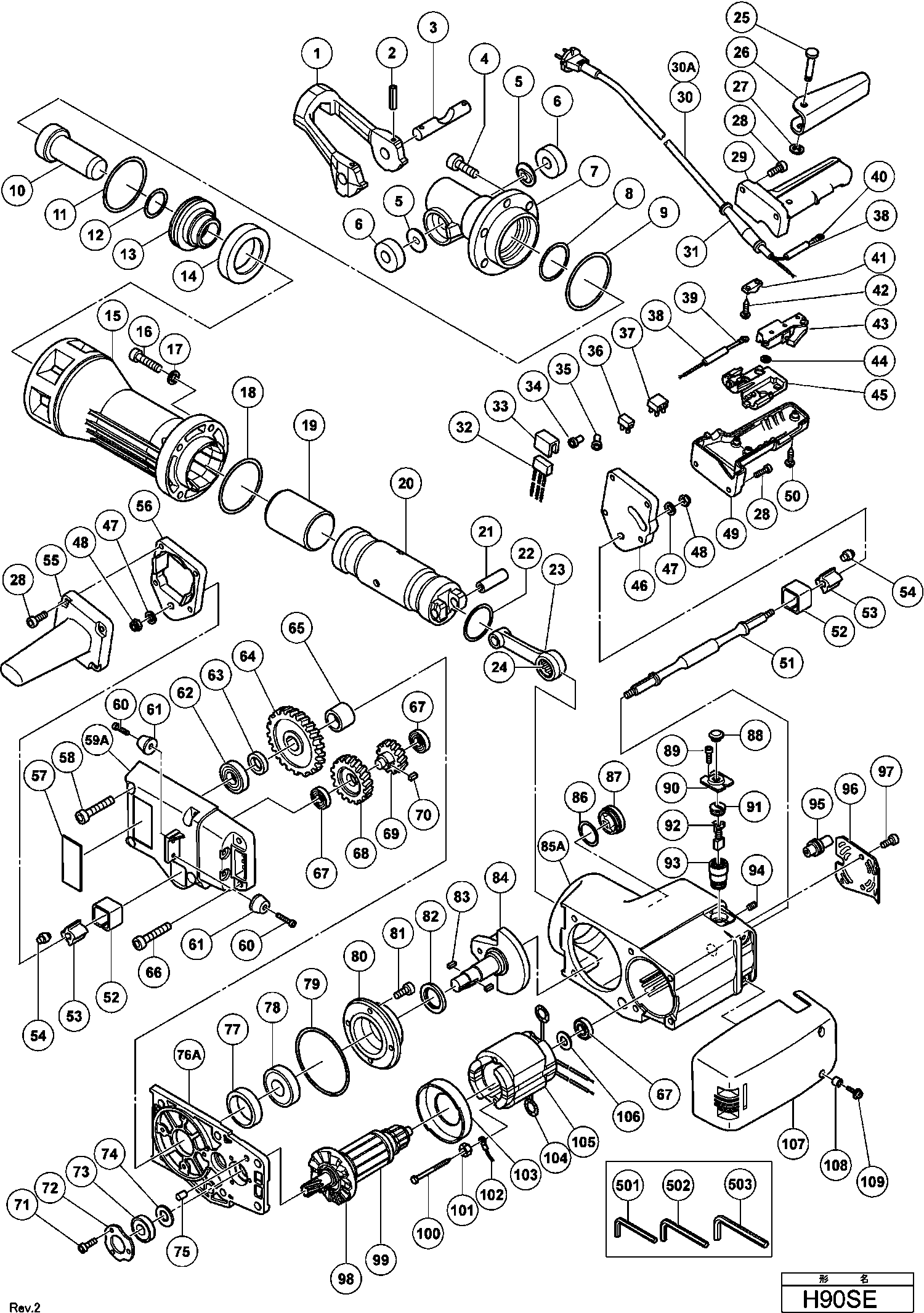
Dibujo técnico de los/las Hikoki H90SE
Lista de las piezas de repuesto de Hikoki H90SE
| Pos. | Descripción | Precio con el IVA excluido | Precio con el IVA incluido | |
| Los precios mostrados incluyen el IVA | ||||
| RETENEDOR | ||||
| 1 | 318650 | 495.69 | 599.78 | |
| Pasador de Rodillo D6x55 | ||||
| 2 | 994416 | 1.05 | 1.27 | |
| Pasador de Palanca H90se | ||||
| 3 | 318651 | 32.18 | 38.93 | |
| No hay información disponible, no se puede pedir | ||||
| 4 | 306373 | |||
| Anillo amortiguador | ||||
| 5 | 318655 | 8.40 | 10.16 | |
| Amortiguador de Retención | ||||
| 6 | 305621 | 18.15 | 21.96 | |
| Cubierta Frontal H90se | ||||
| 7 | 318652 | 460.63 | 557.36 | |
| Anillo O | ||||
| 8 | 993188 | 14.71 | 17.80 | |
| O-ring (s-90) | ||||
| 9 | 877316 | 2.55 | 3.09 | |
| Segundo martillo | ||||
| 10 | 318653 | 69.58 | 84.19 | |
| Anillo O (d) | ||||
| 11 | 992865 | 8.70 | 10.53 | |
| Anillo O (a) | ||||
| 12 | 956503 | 5.85 | 7.08 | |
| Soporte de Martillo | ||||
| 13 | 318654 | 86.63 | 104.82 | |
| Anillo amortiguador | ||||
| 14 | 992859 | 25.99 | 31.44 | |
| Caja del Cilindro | ||||
| 15 | 305615 | 422.81 | 511.60 | |
| Tornillo de bloqueo Nylock M10x45 | ||||
| 16 | 306372 | 4.50 | 5.44 | |
| Arandela M10 (10 Piezas) | ||||
| 17 | 949445 | 1.35 | 1.63 | |
| Anillo O | ||||
| 18 | 993195 | 2.40 | 2.90 | |
| Golpeador | ||||
| 19 | 305612 | 64.21 | 77.70 | |
| No hay información disponible, no se puede pedir | ||||
| 20 | 305611 | |||
| Pasador del pistón | ||||
| 21 | 305614 | 21.31 | 25.79 | |
| O-ring (p-46) | ||||
| 22 | 878716 | 1.65 | 2.00 | |
| VARILLA CONICA | ||||
| 23 | 305613 | 102.16 | 123.62 | |
| MANGUITO | ||||
| 24 | 956485 | 16.36 | 19.80 | |
| PASADOR | ||||
| 25 | 992870 | 5.25 | 6.35 | |
| Manija del interruptor | ||||
| 26 | 992869 | 8.70 | 10.53 | |
| Anillo de retención D4 | ||||
| 27 | 968643 | 1.95 | 2.36 | |
| Tornillo de socket hexagonal con bloqueo de sello | ||||
| 28 | 993496 | 1.05 | 1.27 | |
| Mango (a) H90sc/se/h70sa | ||||
| 29 | 305636 | 19.39 | 23.46 | |
| Cable 230 Voltios Gbr | ||||
| 30 | 500450Z | 31.63 | 38.27 | |
| Cable 3m 2 X 1.5 H07rn-f W/conector 16a Cee Form 2 | ||||
| 30A | 500466Z | 38.50 | 46.58 | |
| Armadura de cable D10.7 | ||||
| 31 | 940778 | 2.10 | 2.54 | |
| Prensaestopas de cable D8.2 (antiguo 958049z) | ||||
| 31 | 958049 | 1.04 | 1.26 | |
| Condensador (antiguo 930030/991313) | ||||
| 32 | 994273 | 4.29 | 5.19 | |
| Soporte | ||||
| 33 | 963243 | 1.05 | 1.27 | |
| Caucho | ||||
| 33 | 930153 | 1.04 | 1.26 | |
| Terminal de soldadura 50091 (10 piezas) | ||||
| 34 | 959140 | 3.30 | 3.99 | |
| Terminal de soldadura 50092 (10 piezas) | ||||
| 35 | 959141 | 3.75 | 4.54 | |
| Bloque de Terminal | ||||
| 36 | 938307 | 2.13 | 2.57 | |
| No hay información disponible, no se puede pedir | ||||
| 37 | 958308Z | |||
| Funda de vinilo I.d.7xto.5x50 | ||||
| 38 | 996438 | 1.05 | 1.27 | |
| Cable interno | ||||
| 39 | 981974 | 1.65 | 2.00 | |
| Terminal M4.0 (10 piezas) | ||||
| 40 | 930804 | 3.00 | 3.63 | |
| Casquillo roscado para cable | ||||
| 40 | 981373 | 1.05 | 1.27 | |
| Terminales M4 (iso-rojo) para cable | ||||
| 40 | 992810 | 1.04 | 1.26 | |
| Abrazadera del cordón | ||||
| 41 | 960266 | 1.04 | 1.26 | |
| Tornillo de grifo | ||||
| 42 | 982095 | 1.04 | 1.26 | |
| Interruptor Div. Martillos perforadores para EE. U | ||||
| 43 | 992891 | 22.83 | 27.62 | |
| Anillo M4 (10 piezas) | ||||
| 44 | 949423 | 1.05 | 1.27 | |
| No hay información disponible, no se puede pedir | ||||
| 45 | 990082 | |||
| Soporte de Mango (b) H90sc/se | ||||
| 46 | 305634 | 122.51 | 148.24 | |
| Arandela de cierre M8 (10 piezas) | ||||
| 47 | 949426 | 1.05 | 1.27 | |
| No hay información disponible, no se puede pedir | ||||
| 48 | 305632 | |||
| Manija (b) | ||||
| 49 | 305631 | 18.15 | 21.96 | |
| Tornillo de roscado D4x20 con brida (negro) | ||||
| 50 | 301653 | 1.04 | 1.26 | |
| EJE | ||||
| 51 | 305624 | 148.78 | 180.02 | |
| No hay información disponible, no se puede pedir | ||||
| 52 | 305598 | |||
| No hay información disponible, no se puede pedir | ||||
| 53 | 305623 | |||
| Amortiguador de Asa | ||||
| 54 | 305622 | 1.65 | 2.00 | |
| No hay información disponible, no se puede pedir | ||||
| 55 | 305633 | |||
| No hay información disponible, no se puede pedir | ||||
| 56 | 305625 | |||
| Tornillo de seguridad M10x60 Allen | ||||
| 58 | 992851 | 2.40 | 2.90 | |
| Cubierta del engranaje Ass'y (verde plateado metál | ||||
| 59A | 336338 | 136.13 | 164.71 | |
| Tornillo Allen M4x25 (10 Unidades) | ||||
| 60 | 949699 | 2.55 | 3.09 | |
| Tope | ||||
| 61 | 305629 | 7.65 | 9.26 | |
| Rodamiento de bolas 6204vvcmps2s | ||||
| 62 | 6204VV | 9.15 | 11.07 | |
| Anillo de Distancia (a) | ||||
| 63 | 305609 | 7.65 | 9.26 | |
| Engranaje Final | ||||
| 64 | 305608 | 110.83 | 134.10 | |
| Anillo de Distancia (b) | ||||
| 65 | 305607 | 9.30 | 11.25 | |
| Tornillo M10x55 | ||||
| 66 | 996433 | 2.10 | 2.54 | |
| Rodamiento de bolas 6201vvcmps2s | ||||
| 67 | 6201VV | 6.45 | 7.80 | |
| No hay información disponible, no se puede pedir | ||||
| 68 | 305605 | |||
| Segundo engranaje | ||||
| 69 | 305604 | 55.41 | 67.05 | |
| Cuña incrustada 4x4x10 *td5-1-4* | ||||
| 70 | 930511 | 2.40 | 2.90 | |
| Tornillo Allen con cierre de seguridad M5x12 | ||||
| 71 | 991690 | 1.05 | 1.27 | |
| No hay información disponible, no se puede pedir | ||||
| 72 | 305600 | |||
| Rodamiento de bolas 6203dducmav2s | ||||
| 73 | 6203DD | 7.65 | 9.26 | |
| Arandela de rodamiento | ||||
| 74 | 992841 | 1.05 | 1.27 | |
| Pin (10 piezas) | ||||
| 75 | 949480 | 3.30 | 3.99 | |
| Caja de Cojinete | ||||
| 76A | 336337 | 130.76 | 158.22 | |
| Anillo De Distancia (c) H90sc/se | ||||
| 77 | 305602 | 20.76 | 25.12 | |
| Rodamiento de bolas 6305vvcmps2s (antiguo 939456) | ||||
| 78 | 6305VV | 13.89 | 16.80 | |
| Anillo O (a) | ||||
| 79 | 992847 | 3.60 | 4.36 | |
| Jefe De Cojinete H90sc/se | ||||
| 80 | 305601 | 69.99 | 84.68 | |
| Tornillo Hex. M8x18 con Bloqueo de Sello | ||||
| 81 | 305603 | 1.04 | 1.26 | |
| Sello de aceite | ||||
| 82 | 992846 | 2.40 | 2.90 | |
| Chaveta 4x4x12 *td5-1-3* | ||||
| 83 | 931008 | 1.05 | 1.27 | |
| No hay información disponible, no se puede pedir | ||||
| 84 | 305606 | |||
| Carcasa (verde plateado metálico) Inclu.52.9 | ||||
| 85A | 336339 | 315.98 | 382.33 | |
| Anillo O (s-38) | ||||
| 86 | 980717 | 1.35 | 1.63 | |
| Tapa de aceite (antigua 982646) | ||||
| 87 | 990945 | 3.90 | 4.72 | |
| Tapa de Goma | ||||
| 88 | 992894 | 4.20 | 5.08 | |
| Tornillo Allen M4x10 autobloqueante | ||||
| 89 | 878356 | 1.05 | 1.27 | |
| Tapa del Tapon H90sc/se | ||||
| 90 | 305635 | 5.85 | 7.08 | |
| Tapa del cepillo | ||||
| 91 | 937949 | 1.35 | 1.63 | |
| Escobillas de Carbón de Auto-Desconexión (2 Piezas | ||||
| 92 | 999086 | 15.26 | 18.47 | |
| Soporte de Cepillo de Carbono | ||||
| 93 | 305597 | 6.45 | 7.80 | |
| Tornillo de ajuste hexagonal M5x8 | ||||
| 94 | 938477 | 1.05 | 1.27 | |
| Soporte Interno de Cable | ||||
| 95 | 305627 | 4.20 | 5.08 | |
| No hay información disponible, no se puede pedir | ||||
| 96 | 305630 | |||
| Tornillo de cabeza hexagonal con sellado M6x16 | ||||
| 97 | 990935 | 1.05 | 1.27 | |
| JUNTA | ||||
| 98 | 996370 | 14.03 | 16.97 | |
| ARMADURA 230V | ||||
| 99 | 360262E | 250.80 | 303.47 | |
| Armature 240v | ||||
| 99 | 360262F | 250.80 | 303.47 | |
| No hay información disponible, no se puede pedir | ||||
| 100 | 993185 | |||
| ARANDELA | ||||
| 101 | 956764 | 1.04 | 1.26 | |
| No hay información disponible, no se puede pedir | ||||
| 102 | 305798 | |||
| Guía de ventilador | ||||
| 103 | 305610 | 12.75 | 15.43 | |
| Punto de contacto del Portaescobillas | ||||
| 104 | 945932 | 1.05 | 1.27 | |
| Stator 220v-230v H-90sa Includ.103 Para Nzl,saf | ||||
| 105 | 340238E | 84.56 | 102.32 | |
| Arandela de rodamiento | ||||
| 106 | 944954 | 1.05 | 1.27 | |
| Cubierta de Vivienda | ||||
| 107 | 305628 | 32.18 | 38.93 | |
| Casquillo | ||||
| 108 | 996437 | 1.05 | 1.27 | |
| Perno de Cabeza Hexagonal (con brida) M6x16 | ||||
| 109 | 301582 | 1.05 | 1.27 | |
| No hay información disponible, no se puede pedir | ||||
| 501 | 943277 | |||
| No hay información disponible, no se puede pedir | ||||
| 502 | 944459 | |||
| No hay información disponible, no se puede pedir | ||||
| 503 | 993740 | |||
| No hay información disponible, no se puede pedir | ||||
| 601 | 996372 | |||
| No hay información disponible, no se puede pedir | ||||
| 602 | 985230 | |||
| No hay información disponible, no se puede pedir | ||||
| 603 | 985231 | |||
| No hay información disponible, no se puede pedir | ||||
| 604 | 985232 | |||
| No hay información disponible, no se puede pedir | ||||
| 605 | 305880 | |||
| No hay información disponible, no se puede pedir | ||||
| 606 | 308092 | |||
| No hay información disponible, no se puede pedir | ||||
| 607 | 985233 | |||
| No hay información disponible, no se puede pedir | ||||
| 609 | 936728 | |||
| Grasa (bote de 500 gramos) | ||||
| 610 | 980927 | 73.01 | 88.35 | |