Aquí encontrará todas las piezas y dibujos técnicos disponibles de 'Hikoki HTD-2520PF'. Desde aquí podrá pedir todas las piezas deseadas directamente. Para muchas piezas de repuesto, es necesario pasar un pedido al fabricante. Dependiendo de la marca, el plazo de entrega puede variar entre una y cuatro semanas. Toda la información que tenemos está en nuestro sitio web. No podremos aconsejarle sobre lo que necesita hasta que entregue la máquina para su reparación. Tenga en cuenta lo siguiente a la hora de cursar su pedido:
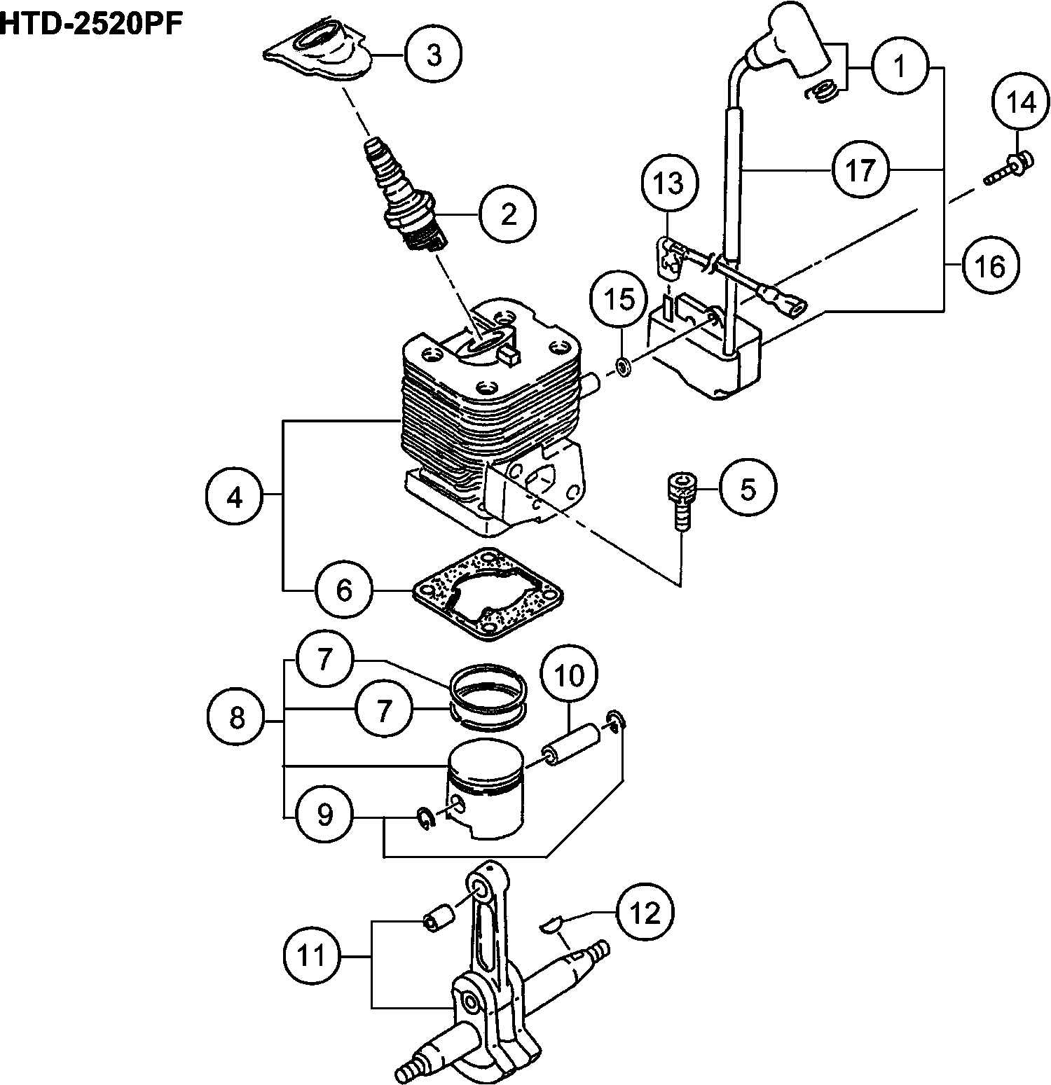
Dibujo técnico de los/las Hikoki HTD-2520PF
Lista de las piezas de repuesto de Hikoki HTD-2520PF
| Pos. | Descripción | Precio con el IVA excluido | Precio con el IVA incluido | |
| Los precios mostrados incluyen el IVA | ||||
| Ensamblaje de tapa de enchufe (antiguo 157-01680-9 | ||||
| 1 | 6684894 | 8.58 | 10.38 | |
| Ensamble de bujía (antiguo 6685085) | ||||
| 2 | 6699317 | 6.76 | 8.18 | |
| Cubierta de goma de bujía (antiguo 255-01680-20) | ||||
| 3 | 6688334 | 3.30 | 3.99 | |
| Conjunto de cilindros (antiguo 001-03002-90) | ||||
| 4 | 6685462 | 66.40 | 80.34 | |
| Bolt M5x18 / s hexagonal (antiguo 994-61050-184) | ||||
| 5 | 6684586 | 2.15 | 2.60 | |
| Junta de cilindro (antiguo 017-03002-21) | ||||
| 6 | 6685728 | 1.15 | 1.39 | |
| Anillo de pistón (antiguo 041-01601-20) | ||||
| 7 | 6684588 | 8.58 | 10.38 | |
| Conjunto de pistón (antiguo 030-01680-90) | ||||
| 8 | 6685877 | 28.14 | 34.05 | |
| Circlip (antiguo 039-00000-20) | ||||
| 9 | 6685078 | 1.15 | 1.39 | |
| Pasador de pistón (antiguo 037-07020-20/6686011) | ||||
| 10 | 6686016 | 2.31 | 2.80 | |
| Ya no disponible, sin reemplazo | ||||
| 11 | 6686176 | |||
| Chaveta semilunar 3x13x4.5 (antiguo 068-10100-20) | ||||
| 12 | 6684899 | 2.15 | 2.60 | |
| Cable, B 140m (antiguo 178-03002-80) | ||||
| 13 | 6687840 | 3.30 | 3.99 | |
| Tornillo con agujero hexagonal M4x18/ws (antiguo 9 | ||||
| 14 | 6684599 | 2.15 | 2.60 | |
| Arandela (antiguo 182-0186a-20) | ||||
| 15 | 6684600 | 2.15 | 2.60 | |
| No hay información disponible, no se puede pedir | ||||
| 16 | 6687704 | |||
| Tubo aislante (antiguo 250-01680-20) | ||||
| 17 | 6688316 | 1.05 | 1.27 | |
| Calzo de eje de engranaje 0.20 (antiguo 330-00200- | ||||
| 31 | 6684604 | 2.15 | 2.60 | |
| Calzo de eje de engranaje 0.30 (antiguo 330-00200- | ||||
| 31 | 6684605 | 2.15 | 2.60 | |
| Calce del eje de engranaje 0.10 (antiguo 330-00200 | ||||
| 31 | 6689177 | 1.15 | 1.39 | |
| Calce del eje de engranaje 0.15 (antiguo 330-00200 | ||||
| 31 | 6689178 | 1.15 | 1.39 | |
| Ya no disponible, sin reemplazo | ||||
| 32 | 6688047 | |||
| Ya no disponible, sin reemplazo | ||||
| 33 | 6686529 | |||
| Sello de aceite | ||||
| 34 | 6684607 | 4.29 | 5.19 | |
| Rodamiento de bolas 6001 C3 | ||||
| 35 | 6684608 | 3.80 | 4.60 | |
| Ya no disponible, sin reemplazo | ||||
| 36 | 6686705 | |||
| Perno de Estudio 6x22 (antiguo 100-02100-20) | ||||
| 37 | 6686771 | 1.15 | 1.39 | |
| Perno de cabeza hueca hexagonal M5x30 S (antiguo 9 | ||||
| 38 | 6684786 | 2.15 | 2.60 | |
| Tornillo Hex. Agujero 5x45 (antiguo 990-51050-453) | ||||
| 39 | 6695055 | 1.15 | 1.39 | |
| Anillo 5 (antiguo 992-10050-062) | ||||
| 40 | 6684834 | 2.15 | 2.60 | |
| Roto Magneto Comp. | ||||
| 41 | 6687418 | 28.14 | 34.05 | |
| Arandela | ||||
| 42 | 6684971 | 1.04 | 1.26 | |
| Arandela M8 (antiguo 992-01080-011) | ||||
| 43 | 6684611 | 2.15 | 2.60 | |
| Tuerca M8 (antiguo 991-01080-011/327325/332299/726 | ||||
| 44 | 6684612 | 2.15 | 2.60 | |
| Junta de colector de admisión (antiguo 403-03002-2 | ||||
| 51 | 6689874 | 2.31 | 2.80 | |
| Conjunto de Aislantes de Repuesto (antiguo 404-030 | ||||
| 52 | 6689937 | 6.60 | 7.99 | |
| Tornillo hexagonal de 5 x 25ws (antiguo 994-64050- | ||||
| 53 | 6695515 | 1.15 | 1.39 | |
| Anillo en O P-15 | ||||
| 55 | 6698966 | 1.04 | 1.26 | |
| Cuerpo de limpiador completo (antiguo 423-06500-81 | ||||
| 56 | 6690119 | 4.45 | 5.38 | |
| Collar 7.5 (antiguo 470-06500-20) | ||||
| 57 | 6690804 | 1.15 | 1.39 | |
| Válvula de estrangulación (antiguo 528-03002-20) | ||||
| 58 | 6691261 | 3.30 | 3.99 | |
| No hay información disponible, no se puede pedir | ||||
| 59 | 6684658 | |||
| Placa de verificación de soplado (antiguo 476-0170 | ||||
| 60 | 6690843 | 1.15 | 1.39 | |
| Arandela (antiguo 992-10050-012) | ||||
| 61 | 6684662 | 2.15 | 2.60 | |
| Tornillo M5x60 (antiguo 990-11050-602) | ||||
| 62 | 6684660 | 2.15 | 2.60 | |
| Esponja de limpieza | ||||
| 63 | 6690364 | 1.15 | 1.39 | |
| Cubierta del filtro de aire | ||||
| 64 | 6690415 | 5.28 | 6.38 | |
| Tornillo especial (antiguo 380-0637c-20) | ||||
| 65 | 6689737 | 1.15 | 1.39 | |
| Juego de carburador | ||||
| 66 | 6690461 | 62.31 | 75.40 | |
| Tubo protector (antiguo 223-07000-90) | ||||
| 67 | 6688174 | 2.31 | 2.80 | |
| Clip.6.3 Dia. (antiguo 680-00731-20) | ||||
| 68 | 6684619 | 2.15 | 2.60 | |
| No hay información disponible, no se puede pedir | ||||
| 69 | 6684620 | |||
| No hay información disponible, no se puede pedir | ||||
| 70 | 6699738 | |||
| Tanque F T | ||||
| 70A | 6699335 | 15.28 | 18.48 | |
| Tapa del tanque D Ass'y (antiguo 595-03002-90/6685 | ||||
| 71 | 6691748 | 7.59 | 9.18 | |
| Collar 5.8 (antiguo 659-00801-20) | ||||
| 73 | 6692244 | 1.15 | 1.39 | |
| Perno de agujero hexagonal 5x18ps (antiguo 994-630 | ||||
| 75 | 6695505 | 1.15 | 1.39 | |
| Tapa giratoria (antiguo 560-07120-21/6684628) | ||||
| 76 | 6691337 | 1.15 | 1.39 | |
| Bomba de Cebado Comp. (antiguo 442-25143-80) | ||||
| 77 | 6685139 | 5.94 | 7.18 | |
| Tubo de combustible 2.5x4x80 (antiguo 700-02504-08 | ||||
| 78 | 6692347 | 1.15 | 1.39 | |
| Tubo de combustible 2.5x4x70 (antiguo 700-02504-07 | ||||
| 79 | 6692346 | 1.15 | 1.39 | |
| Goma de retorno hasta 7.2014 (antigua 6684627) | ||||
| 80 | 6697846 | 1.04 | 1.26 | |
| Junta de carburador (antiguo 402-03002-20) | ||||
| 82 | 6689828 | 3.30 | 3.99 | |
| Protector del silenciador (antiguo 738-03002-21) | ||||
| 91 | 6692772 | 9.90 | 11.98 | |
| Silenciador Ass'y | ||||
| 92A | 6601160 | 72.45 | 87.66 | |
| Arandela (b) Ds9dva/ds12dva/ds14dv Ds14dva/ds14dvb | ||||
| 94A | 6696547 | 1.05 | 1.27 | |
| Tornillo de orificio hexagonal 6x55 (antiguo 990-5 | ||||
| 95 | 6695086 | 1.15 | 1.39 | |
| Carcasa del ventilador | ||||
| 97 | 6686957 | 16.79 | 20.31 | |
| Resorte de retroceso (antiguo 780-06097-20/6697591 | ||||
| 98 | 6684675 | 11.55 | 13.98 | |
| Bobina de cuerda de arranque (antiguo 774-06097-20 | ||||
| 99 | 6693066 | 3.30 | 3.99 | |
| Tornillo de ajuste (antiguo 839-02010-20/6693638) | ||||
| 100 | 6693633 | 1.15 | 1.39 | |
| Ensamblaje de polea de arranque (antiguo 798-06500 | ||||
| 101 | 6693405 | 4.45 | 5.38 | |
| Pasacables primario (antiguo 203-06000-20) | ||||
| 102 | 6688049 | 1.15 | 1.39 | |
| Cuerda de arranque (antiguo 783-06097-20/6693174) | ||||
| 103 | 6693168 | 2.31 | 2.80 | |
| Manija de inicio | ||||
| 104 | 6693237 | 1.15 | 1.39 | |
| Bolt de agujero hexagonal 4x15/ps (antiguo 994-630 | ||||
| 105 | 6684682 | 2.15 | 2.60 | |
| No hay información disponible, no se puede pedir | ||||
| 106 | 6692718 | |||
| Arandela | ||||
| 108 | 6684661 | 2.15 | 2.60 | |
| Tornillo 5x8/s (antiguo 994-14050-081) | ||||
| 110 | 6695332 | 1.05 | 1.27 | |
| EMBRAGUE DE DESLIZAMIENTO COMPLETO | ||||
| 111 | 6688494 | 9.74 | 11.78 | |
| Tornillo autorroscante 4.5x10 (antiguo 990-73045-1 | ||||
| 112 | 6695104 | 1.15 | 1.39 | |
| Tornillo 4x12ps (antiguo 994-25040-128) | ||||
| 113 | 6695441 | 1.15 | 1.39 | |
| Muelle de trinquete de arranque (antiguo 790-06097 | ||||
| 114 | 6684684 | 4.29 | 5.19 | |
| Trinquete de arranque (antiguo 788-06500-20) | ||||
| 115 | 6693319 | 2.31 | 2.80 | |
| Tornillo de ajuste del acelerador (antiguo 548-251 | ||||
| 121 | 6684698 | 4.29 | 5.19 | |
| Giratorio (antiguo 539-25120-20) | ||||
| 122 | 6684697 | 6.44 | 7.79 | |
| Anillo de parada (antiguo 489-25100-20) | ||||
| 123 | 6684696 | 2.15 | 2.60 | |
| O-RING (antiguo 550-25100-20) | ||||
| 124 | 6684695 | 4.29 | 5.19 | |
| Chorro principal #35 (antiguo 599-2001w-35) | ||||
| 125 | 6691873 | 6.28 | 7.59 | |
| Junta de bomba (viejo 577-25100-20) | ||||
| 126 | 6691457 | 7.10 | 8.59 | |
| Diafragma de bomba (antiguo 576-25100-20 & 6696325 | ||||
| 127 | 6684693 | 8.58 | 10.38 | |
| Pantalla de entrada (antiguo 578-25007-20) | ||||
| 128 | 6684700 | 4.29 | 5.19 | |
| Cuerpo de Bomba Comp. (antiguo 575-25225-80) Nuevo | ||||
| 129 | 6691435 | 15.26 | 18.47 | |
| Ya no disponible, sin reemplazo | ||||
| 130 | 6685220 | |||
| Diafragma de medición Comp. (antiguo 474-25241-80) | ||||
| 131 | 6690830 | 11.88 | 14.37 | |
| Cubierta del diafragma (antiguo 476-25004-20) | ||||
| 132 | 6685222 | 4.45 | 5.38 | |
| Tornillo de fijación (antiguo 548-25101-20) | ||||
| 133 | 6691312 | 1.15 | 1.39 | |
| Manija A (viejo 050-33150-22) | ||||
| 201 | 6686270 | 9.08 | 10.98 | |
| Interruptor de parada comp. (antiguo 170-3317a-80) | ||||
| 202 | 6687764 | 10.56 | 12.78 | |
| Botón Stop (antiguo 258-11650-20) | ||||
| 203 | 6688366 | 1.15 | 1.39 | |
| Tornillo 3x10 (antiguo 994-31030-101) | ||||
| 204 | 6684913 | 2.15 | 2.60 | |
| Palanca del Acelerador (antiguo 230-33150-20) | ||||
| 205 | 6688226 | 2.31 | 2.80 | |
| Palanca de seguridad (antiguo 231-33150-20) | ||||
| 206 | 6688235 | 2.31 | 2.80 | |
| Resorte de palanca del acelerador (antiguo 232-331 | ||||
| 207 | 6688243 | 2.31 | 2.80 | |
| Manija B (antiguo 051-33150-23) | ||||
| 208 | 6686307 | 9.08 | 10.98 | |
| Tapa (antigua 765-32120-20) | ||||
| 209 | 6693002 | 1.15 | 1.39 | |
| Tornillo de rosca 4x18 (antiguo 993-11041-812) | ||||
| 210 | 6695246 | 1.15 | 1.39 | |
| Cable del acelerador | ||||
| 211 | 6693912 | 5.11 | 6.19 | |
| Botón de parada Mark (antiguo 925-32530-20) | ||||
| 212 | 6694585 | 1.15 | 1.39 | |
| Tornillo 5x45s (antiguo 994-14050-451) | ||||
| 213 | 6695350 | 1.15 | 1.39 | |
| No hay información disponible, no se puede pedir | ||||
| 214 | 6696987 | |||
| Arandela 5 (antiguo 992-00050-011) | ||||
| 216 | 6684864 | 2.15 | 2.60 | |
| Mango (antiguo 210-33247-20) | ||||
| 217 | 6688097 | 9.90 | 11.98 | |
| Arandela | ||||
| 218 | 6689680 | 1.15 | 1.39 | |
| Anillo 5 (antiguo 992-10050-062) | ||||
| 219 | 6684834 | 2.15 | 2.60 | |
| Tornillo Hex. Agujero 5x40 (antiguo 990-51050-403) | ||||
| 220 | 6695054 | 1.15 | 1.39 | |
| Tubo de Protección 10x150l (antiguo 164-10015-00/6 | ||||
| 221 | 6687558 | 1.15 | 1.39 | |
| Collar 5.8 (antiguo 659-00801-20) | ||||
| 222 | 6692244 | 1.15 | 1.39 | |
| Tubo de Protección 130l (antiguo 164-07013-01) | ||||
| 230 | 6687521 | 1.15 | 1.39 | |
| Manija B (antigua 051-33290-20) | ||||
| 231 | 6686314 | 5.11 | 6.19 | |
| Manija A (antiguo 050-33290-20) | ||||
| 232 | 6686279 | 5.11 | 6.19 | |
| Palanca del acelerador (antiguo 230-33290-20) Desd | ||||
| 233 | 6688230 | 1.15 | 1.39 | |
| Palanca de seguridad Oro (antiguo 231-33290-21 & 6 | ||||
| 234 | 6688240 | 1.15 | 1.39 | |
| Resorte de palanca del acelerador (antiguo 232-331 | ||||
| 235 | 6688244 | 1.15 | 1.39 | |
| Interruptor de parada Comp. (nuevo 170-33253-80) | ||||
| 236 | 6687769 | 9.58 | 11.59 | |
| Palanca de bloqueo (antiguo 233-33290-20) | ||||
| 237 | 6688246 | 1.15 | 1.39 | |
| Resorte (viejo 245-33290-20) | ||||
| 238 | 6688279 | 1.15 | 1.39 | |
| Arandela | ||||
| 239 | 6685070 | 1.15 | 1.39 | |
| Tornillo autorroscante D4x10 (antiguo 993-41040-10 | ||||
| 240 | 6685161 | 1.15 | 1.39 | |
| Tornillo autotaladrante D4.5x16 (antiguo 990-72045 | ||||
| 241 | 6684636 | 2.15 | 2.60 | |
| Cable del acelerador | ||||
| 242 | 6693993 | 4.45 | 5.38 | |
| Botón Stop (antiguo 258-11650-20) | ||||
| 243 | 6688366 | 1.15 | 1.39 | |
| Tornillo 3x10 (antiguo 994-31030-101) | ||||
| 244 | 6684913 | 2.15 | 2.60 | |
| Botón de parada Marca (antiguo 925-33160-20) | ||||
| 245 | 6694588 | 1.15 | 1.39 | |
| Embalaje de la caja del cigüeñal | ||||
| 246 | 6696539 | 1.05 | 1.27 | |
| Mango (antiguo 210-33247-20) | ||||
| 247 | 6688097 | 9.90 | 11.98 | |
| Arandela | ||||
| 248 | 6689680 | 1.15 | 1.39 | |
| Anillo 5 (antiguo 992-10050-062) | ||||
| 249 | 6684834 | 2.15 | 2.60 | |
| Tornillo Hex. Agujero 5x40 (antiguo 990-51050-403) | ||||
| 250 | 6695054 | 1.15 | 1.39 | |
| Caja de engranajes Comp. (antiguo 300-33287-81) | ||||
| 251 | 6688683 | 24.20 | 29.28 | |
| No hay información disponible, no se puede pedir | ||||
| 251A | 6688827 | |||
| Anillo de parada C-15, exterior (antiguo 993-50015 | ||||
| 252 | 6695285 | 1.15 | 1.39 | |
| Rodamiento de bolas 6002z | ||||
| 253 | 6695538 | 6.60 | 7.99 | |
| Tambor de embrague Comp. (viejo 288-33180-80) | ||||
| 254 | 6688570 | 17.70 | 21.42 | |
| Eje de engranaje (antiguo 305-33160-20) | ||||
| 255 | 6688960 | 2.31 | 2.80 | |
| Placa guía (antigua 075-33287-20) | ||||
| 256 | 6686614 | 4.45 | 5.38 | |
| Engranaje 2 (antiguo 307-33287-20) | ||||
| 257 | 6688979 | 26.16 | 31.66 | |
| Junta de caja de engranajes (viejo 303-33160-20) | ||||
| 258 | 6688909 | 1.15 | 1.39 | |
| Cubierta de la carcasa del engranaje (antiguo 630- | ||||
| 259 | 6692102 | 5.78 | 6.99 | |
| Guía de corte 590 (viejo 6687152) | ||||
| 260 | 6697700 | 11.23 | 13.58 | |
| Arandela | ||||
| 261 | 6684639 | 2.15 | 2.60 | |
| Tuerca 6 Ups-p (antigua 991-87060-001 & 6698766) | ||||
| 262 | 6695175 | 1.15 | 1.39 | |
| Cortador B | ||||
| 263 | 6697674 | 33.58 | 40.63 | |
| Junta de Goma | ||||
| 264 | 6686658 | 1.15 | 1.39 | |
| Ya no disponible, sin reemplazo | ||||
| 265 | 6687187 | |||
| Tornillo | ||||
| 266 | 6687158 | 1.15 | 1.39 | |
| Tuerca de brida | ||||
| 267 | 6695170 | 1.15 | 1.39 | |
| Perno de agujero hexagonal 4x10s (antiguo 994-6104 | ||||
| 268 | 6695484 | 1.15 | 1.39 | |
| TEATRO DE GRASA COMP. (VIEJO 300-32250-80) | ||||
| 269 | 6688643 | 1.15 | 1.39 | |
| Perno de orificio hexagonal 6x18/s (modelo anterio | ||||
| 270 | 6695495 | 1.15 | 1.39 | |
| Ya no disponible, sin reemplazo | ||||
| 271 | 6687162 | |||
| Cuchilla superior (A) | ||||
| 272 | 6697675 | 33.58 | 40.63 | |
| Placa de apoyo (vieja 462-33287-20) | ||||
| 273 | 6690761 | 3.30 | 3.99 | |
| Arandela 5 (antiguo 992-00050-011) | ||||
| 274 | 6684864 | 2.15 | 2.60 | |
| No hay información disponible, no se puede pedir | ||||
| 275 | 6696987 | |||
| Cubierta de cortador (antiguo 138-33258-20) | ||||
| 276 | 6687311 | 7.59 | 9.18 | |
| Tuerca de resorte 6 (antiguo 994-40060-011) | ||||
| 277 | 6695475 | 1.15 | 1.39 | |
| Placa de sujeción (antiguo 070-33287-20) | ||||
| 278 | 6686468 | 1.15 | 1.39 | |
| Componente de abrazadera de cuerda (antiguo 198-10 | ||||
| 279 | 6688008 | 1.15 | 1.39 | |
| Llave combinada 10x19 ,más (viejo 036-29331-50) | ||||
| 501 | 6685997 | 4.45 | 5.38 | |
| No hay información disponible, no se puede pedir | ||||
| 502 | 6684813 | |||
| Placa de nombre Htd2520pf (antiguo 906-03016-20) N | ||||
| 601 | 6694126 | 2.10 | 2.54 | |