Aquí encontrará todas las piezas y dibujos técnicos disponibles de 'Hikoki LDU4'. Desde aquí podrá pedir todas las piezas deseadas directamente. Para muchas piezas de repuesto, es necesario pasar un pedido al fabricante. Dependiendo de la marca, el plazo de entrega puede variar entre una y cuatro semanas. Toda la información que tenemos está en nuestro sitio web. No podremos aconsejarle sobre lo que necesita hasta que entregue la máquina para su reparación. Tenga en cuenta lo siguiente a la hora de cursar su pedido:
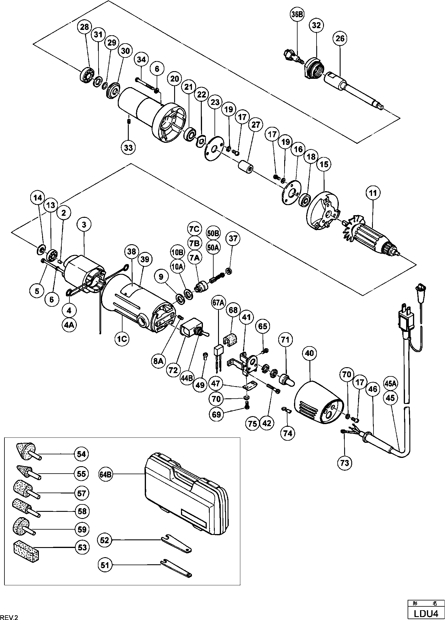
Dibujo técnico de los/las Hikoki LDU4
Lista de las piezas de repuesto de Hikoki LDU4
| Pos. | Descripción | Precio con el IVA excluido | Precio con el IVA incluido | |
| Los precios mostrados incluyen el IVA | ||||
| No hay información disponible, no se puede pedir | ||||
| *11 | 932658C | |||
| No hay información disponible, no se puede pedir | ||||
| *3 | 932656F | |||
| No hay información disponible, no se puede pedir | ||||
| *45 | 500429Z | |||
| Protector de cable D10.2 Hasta 11.1982 Para Aus | ||||
| *46 | 930026 | 3.00 | 3.63 | |
| No hay información disponible, no se puede pedir | ||||
| 1C | 983161 | |||
| PASADOR DE GOMA (ANTIGUO 976441) | ||||
| 2 | 946362 | 1.05 | 1.27 | |
| No hay información disponible, no se puede pedir | ||||
| 3 | 932656F | |||
| No hay información disponible, no se puede pedir | ||||
| 4 | 930003 | |||
| Punto de contacto del Portaescobillas | ||||
| 4A | 930630 | 1.35 | 1.63 | |
| MACHINESCHROEF M4X60 | ||||
| 5 | 936502 | 1.00 | 1.21 | |
| Arandela de resorte M4 (10 piezas) | ||||
| 6 | 949453 | 1.05 | 1.27 | |
| No hay información disponible, no se puede pedir | ||||
| 7A | 936530 | |||
| No hay información disponible, no se puede pedir | ||||
| 7B | 936904 | |||
| BRUSH HOLDER | ||||
| 7C | 937701 | 1.74 | 2.11 | |
| Tornillo hexagonal M4x6 | ||||
| 8A | 985114 | 1.05 | 1.27 | |
| Placa de parada | ||||
| 9 | 936906 | 1.05 | 1.27 | |
| No hay información disponible, no se puede pedir | ||||
| 10A | 936579 | |||
| No hay información disponible, no se puede pedir | ||||
| 10B | 936907 | |||
| No hay información disponible, no se puede pedir | ||||
| 11 | 932658F | |||
| Rodamiento de bolas 626ddmc3ps2s | ||||
| 13 | 626DDM | 5.55 | 6.72 | |
| No hay información disponible, no se puede pedir | ||||
| 14 | 936535 | |||
| No hay información disponible, no se puede pedir | ||||
| 15 | 932631 | |||
| LAGERDEKSEL | ||||
| 16 | 937125 | 1.62 | 1.96 | |
| Tornillo de máquina M4x10 (10 piezas) (ANTIGUO 949 | ||||
| 17 | 949216 | 1.05 | 1.27 | |
| Rodamiento de bolas 608vvmc2eps2l | ||||
| 18 | 608VVM | 5.70 | 6.90 | |
| Arandela de resorte M4 (10 piezas) | ||||
| 19 | 949453 | 1.05 | 1.27 | |
| Soporte de nariz | ||||
| 20 | 932635 | 25.16 | 30.45 | |
| Cojinete de bolas 6000 Vv, Cm9by, C8fse, G23ss | ||||
| 21 | 6000VV | 6.15 | 7.44 | |
| WAVE WASHER | ||||
| 22 | 932636 | 1.00 | 1.21 | |
| No hay información disponible, no se puede pedir | ||||
| 23 | 932615 | |||
| No hay información disponible, no se puede pedir | ||||
| 26 | 932659 | |||
| No hay información disponible, no se puede pedir | ||||
| 27 | 933572 | |||
| Rodamiento de bolas 6001vvcmps2l | ||||
| 28 | 6001VV | 6.60 | 7.99 | |
| Arandela | ||||
| 29 | 932617 | 1.05 | 1.27 | |
| Arandela (a) | ||||
| 30 | 932638 | 1.05 | 1.27 | |
| Arandela (b) Ds9dva/ds12dva/ds14dv Ds14dva/ds14dvb | ||||
| 31 | 932639 | 1.04 | 1.26 | |
| No hay información disponible, no se puede pedir | ||||
| 32 | 932640 | |||
| Tornillo de ajuste Allen M4 X 5 | ||||
| 33 | 961681 | 1.04 | 1.26 | |
| MACHINESCHROEF M4X45 (10 STUKS) | ||||
| 34 | 949229 | 1.08 | 1.31 | |
| No hay información disponible, no se puede pedir | ||||
| 36B | 332812 | |||
| Tapa del cepillo | ||||
| 37 | 936551 | 1.05 | 1.27 | |
| PIN D2.5X2.8 *TD5-3-2* | ||||
| 39 | 932642 | 1.00 | 1.21 | |
| No hay información disponible, no se puede pedir | ||||
| 40 | 932663 | |||
| No hay información disponible, no se puede pedir | ||||
| 41 | 936688 | |||
| Tornillo de máquina M4x25 (10 Piezas) | ||||
| 42 | 949223 | 1.05 | 1.27 | |
| No hay información disponible, no se puede pedir | ||||
| 44B | 932670 | |||
| No hay información disponible, no se puede pedir | ||||
| 45 | 500429Z | |||
| No hay información disponible, no se puede pedir | ||||
| 45A | 500427Z | |||
| Protector de cable D10.2 Hasta 11.1982 Para Aus | ||||
| 46 | 930026 | 3.00 | 3.63 | |
| Prensaestopas D8.2 | ||||
| 46 | 930487 | 2.25 | 2.72 | |
| CORD CLIP | ||||
| 47 | 930108 | 1.00 | 1.21 | |
| Terminal de soldadura 50092 (10 piezas) | ||||
| 49 | 959141 | 3.75 | 4.54 | |
| Escobilla de carbono (1 par) | ||||
| 50A | 999011 | 2.85 | 3.45 | |
| Ya no disponible, sin reemplazo | ||||
| 50B | 999021 | |||
| No hay información disponible, no se puede pedir | ||||
| 51 | 936553 | |||
| No hay información disponible, no se puede pedir | ||||
| 52 | 936638 | |||
| No hay información disponible, no se puede pedir | ||||
| 53 | 939120 | |||
| No hay información disponible, no se puede pedir | ||||
| 64B | 310905 | |||
| No hay información disponible, no se puede pedir | ||||
| 65 | 949292 | |||
| Tornillo de máquina M4x12 (10 piezas) | ||||
| 69 | 949217 | 1.05 | 1.27 | |
| Arandela de resorte M4 (10 piezas) | ||||
| 70 | 949453 | 1.05 | 1.27 | |
| No hay información disponible, no se puede pedir | ||||
| 71 | 936696 | |||
| No hay información disponible, no se puede pedir | ||||
| 72 | 936697 | |||
| Terminales de cable (10 piezas) | ||||
| 73 | 959144 | 3.00 | 3.63 | |
| Sello de bloqueo Tornillo Allen M4x12 | ||||
| 75 | 983162 | 1.05 | 1.27 | |
| No hay información disponible, no se puede pedir | ||||
| 601 | 932624 | |||
| No hay información disponible, no se puede pedir | ||||
| 602 | 939100 | |||
| No hay información disponible, no se puede pedir | ||||
| 603 | 939101 | |||
| No hay información disponible, no se puede pedir | ||||
| 604 | 939102 | |||
| No hay información disponible, no se puede pedir | ||||
| 605 | 939103 | |||
| No hay información disponible, no se puede pedir | ||||
| 606 | 939104 | |||
| No hay información disponible, no se puede pedir | ||||
| 607 | 939105 | |||
| No hay información disponible, no se puede pedir | ||||
| 608 | 939106 | |||
| No hay información disponible, no se puede pedir | ||||
| 609 | 939107 | |||
| No hay información disponible, no se puede pedir | ||||
| 610 | 939108 | |||
| No hay información disponible, no se puede pedir | ||||
| 611 | 939109 | |||
| No hay información disponible, no se puede pedir | ||||
| 612 | 939110 | |||
| No hay información disponible, no se puede pedir | ||||
| 613 | 939111 | |||
| No hay información disponible, no se puede pedir | ||||
| 614 | 939112 | |||
| No hay información disponible, no se puede pedir | ||||
| 615 | 939113 | |||
| No hay información disponible, no se puede pedir | ||||
| 616 | 939114 | |||
| No hay información disponible, no se puede pedir | ||||
| 617 | 939115 | |||
| No hay información disponible, no se puede pedir | ||||
| 618 | 939116 | |||
| No hay información disponible, no se puede pedir | ||||
| 619 | 939117 | |||
| No hay información disponible, no se puede pedir | ||||
| 620 | 939118 | |||
| No hay información disponible, no se puede pedir | ||||
| 621 | 939119 | |||
| No hay información disponible, no se puede pedir | ||||
| 622 | 932671 | |||