Aquí encontrará todas las piezas y dibujos técnicos disponibles de 'Hikoki LUH7'. Desde aquí podrá pedir todas las piezas deseadas directamente. Para muchas piezas de repuesto, es necesario pasar un pedido al fabricante. Dependiendo de la marca, el plazo de entrega puede variar entre una y cuatro semanas. Toda la información que tenemos está en nuestro sitio web. No podremos aconsejarle sobre lo que necesita hasta que entregue la máquina para su reparación. Tenga en cuenta lo siguiente a la hora de cursar su pedido:
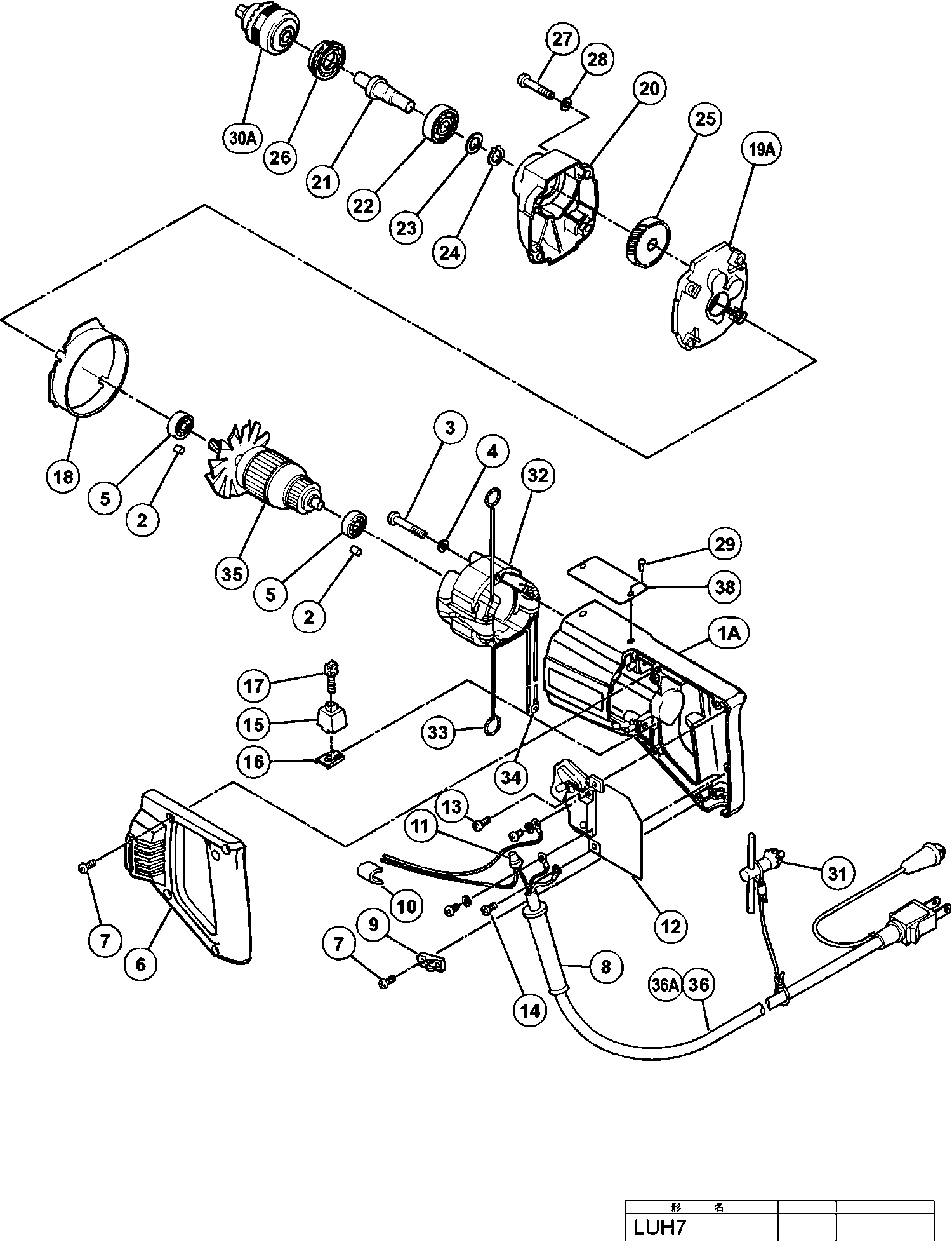
Dibujo técnico de los/las Hikoki LUH7
Lista de las piezas de repuesto de Hikoki LUH7
| Pos. | Descripción | Precio con el IVA excluido | Precio con el IVA incluido | |
| Los precios mostrados incluyen el IVA | ||||
| No hay información disponible, no se puede pedir | ||||
| 1A | 980380 | |||
| BOLÍGRAFO DE GOMA | ||||
| 2 | 931701 | 1.05 | 1.27 | |
| Tornillo de máquina M5x35 (10 piezas) | ||||
| 3 | 949247 | 1.65 | 2.00 | |
| Arandela de resorte M5 (10 piezas) | ||||
| 4 | 949454 | 1.04 | 1.26 | |
| Rodamiento de bolas 608vvmc2eps2l | ||||
| 5 | 608VVM | 5.70 | 6.90 | |
| No hay información disponible, no se puede pedir | ||||
| 6 | 980381 | |||
| Tornillo de máquina M4x14 (10 piezas) | ||||
| 7 | 949218 | 1.05 | 1.27 | |
| Protector de cable D8.8 | ||||
| 8 | 380090 | 1.04 | 1.26 | |
| Casquillo del cable D10.1 | ||||
| 8 | 938051 | 1.04 | 1.26 | |
| Tira de sujeción (antiguo 994566) | ||||
| 9 | 937631 | 1.04 | 1.26 | |
| No hay información disponible, no se puede pedir | ||||
| 10 | 950744 | |||
| Terminal de soldadura 50091 (10 piezas) | ||||
| 11 | 959140 | 3.30 | 3.99 | |
| Interruptor | ||||
| 12 | 930244 | 20.21 | 24.46 | |
| Tornillo de máquina M4x6 (10 piezas) | ||||
| 13 | 949214 | 1.05 | 1.27 | |
| No hay información disponible, no se puede pedir | ||||
| 14 | 949292 | |||
| No hay información disponible, no se puede pedir | ||||
| 15 | 931745 | |||
| No hay información disponible, no se puede pedir | ||||
| 16 | 930204 | |||
| Escobilla de carbono (1 par) | ||||
| 17 | 999041 | 4.50 | 5.44 | |
| No hay información disponible, no se puede pedir | ||||
| 18 | 930329 | |||
| No hay información disponible, no se puede pedir | ||||
| 19A | 980382 | |||
| No hay información disponible, no se puede pedir | ||||
| 20 | 980383 | |||
| No hay información disponible, no se puede pedir | ||||
| 21 | 930332 | |||
| Rodamiento de bolas 6201vvcmps2s | ||||
| 22 | 6201VV | 6.45 | 7.80 | |
| Arandela | ||||
| 23 | 930334 | 1.05 | 1.27 | |
| Arandela de resorte D12 (10 piezas) | ||||
| 24 | 939542 | 1.50 | 1.82 | |
| No hay información disponible, no se puede pedir | ||||
| 25 | 930333 | |||
| Tapa del cojinete | ||||
| 26 | 930214 | 3.60 | 4.36 | |
| Tornillo de máquina M5x30 (10 piezas) | ||||
| 27 | 949245 | 1.65 | 2.00 | |
| Arandela de resorte M5 (10 piezas) | ||||
| 28 | 949454 | 1.04 | 1.26 | |
| NAGEL D2.5X3.2 (10 STKS.) | ||||
| 29 | 949509 | 1.00 | 1.21 | |
| No hay información disponible, no se puede pedir | ||||
| 30A | 302281 | |||
| No hay información disponible, no se puede pedir | ||||
| 31 | 930029 | |||
| No hay información disponible, no se puede pedir | ||||
| 32 | 980385F | |||
| Punto de contacto del Portaescobillas | ||||
| 33 | 931867 | 1.05 | 1.27 | |
| Terminal de Cable (antiguo 941562,10 St. | ||||
| 34 | 960356 | 3.00 | 3.63 | |
| No hay información disponible, no se puede pedir | ||||
| 35 | 930324F | |||
| Cordón | ||||
| 36 | 500243Z | 18.15 | 21.96 | |
| No hay información disponible, no se puede pedir | ||||
| 36A | 500427Z | |||