Aquí encontrará todas las piezas y dibujos técnicos disponibles de 'Hikoki M12SC'. Desde aquí podrá pedir todas las piezas deseadas directamente. Para muchas piezas de repuesto, es necesario pasar un pedido al fabricante. Dependiendo de la marca, el plazo de entrega puede variar entre una y cuatro semanas. Toda la información que tenemos está en nuestro sitio web. No podremos aconsejarle sobre lo que necesita hasta que entregue la máquina para su reparación. Tenga en cuenta lo siguiente a la hora de cursar su pedido:
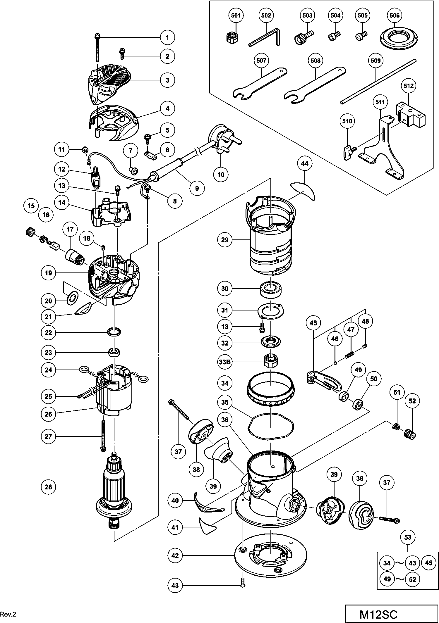
Dibujo técnico de los/las Hikoki M12SC
Lista de las piezas de repuesto de Hikoki M12SC
| Pos. | Descripción | Precio con el IVA excluido | Precio con el IVA incluido | |
| Los precios mostrados incluyen el IVA | ||||
| Tornillo de máquina (con arandela especial) M4x10 | ||||
| 1 | 307635 | 1.05 | 1.27 | |
| Tornillo de máquina (con arandela) M4x8 (negro) | ||||
| 2 | 317200 | 1.65 | 2.00 | |
| No hay información disponible, no se puede pedir | ||||
| 3 | 323306 | |||
| No hay información disponible, no se puede pedir | ||||
| 4 | 323266 | |||
| Tornillo de máquina (negro) M4x16 | ||||
| 5 | 333163 | 1.80 | 2.18 | |
| Tira de sujeción (antiguo 994566) | ||||
| 6 | 937631 | 1.04 | 1.26 | |
| Terminal de soldadura 50092 (10 piezas) | ||||
| 7 | 959141 | 3.75 | 4.54 | |
| Tornillo Máquina (con Arandela sp.) M4x6 | ||||
| 8 | 317333 | 1.50 | 1.82 | |
| Casquillo del cable D10.1 | ||||
| 9 | 938051 | 1.04 | 1.26 | |
| No hay información disponible, no se puede pedir | ||||
| 10 | 500451Z | |||
| Tornillo de máquina (con arandela) M3.5x6 | ||||
| 11 | 305499 | 1.05 | 1.27 | |
| SCHAKELAAR | ||||
| 12 | 314603 | 11.88 | 14.37 | |
| Tornillo Máquina (con arandelas) M4x12 (negro) | ||||
| 13 | 307081 | 1.05 | 1.27 | |
| No hay información disponible, no se puede pedir | ||||
| 14 | 323274 | |||
| Cubierta del cepillo | ||||
| 15 | 935829 | 1.05 | 1.27 | |
| Escobilla de carbono (1 par) | ||||
| 16 | 999043 | 4.50 | 5.44 | |
| PORTACEPILLOS | ||||
| 17 | 957051 | 5.25 | 6.35 | |
| Tornillo de ajuste hexagonal M5x8 | ||||
| 18 | 938477 | 1.05 | 1.27 | |
| No hay información disponible, no se puede pedir | ||||
| 19 | 323256 | |||
| No hay información disponible, no se puede pedir | ||||
| 20 | 930706 | |||
| No hay información disponible, no se puede pedir | ||||
| 21 | 323552 | |||
| Anillo de goma (1) | ||||
| 22 | 323420 | 1.05 | 1.27 | |
| Rodamiento de bolas 608vvmc2eps2l | ||||
| 23 | 608VVM | 5.70 | 6.90 | |
| Punto de contacto del Portaescobillas | ||||
| 24 | 930703 | 2.40 | 2.90 | |
| Terminal de Conexión | ||||
| 25 | 980063 | 1.04 | 1.26 | |
| No hay información disponible, no se puede pedir | ||||
| 26 | 340595E | |||
| No hay información disponible, no se puede pedir | ||||
| 27 | 943430 | |||
| No hay información disponible, no se puede pedir | ||||
| 28 | 360668E | |||
| No hay información disponible, no se puede pedir | ||||
| 29 | 323255 | |||
| Rodamiento de bolas 6004VV | ||||
| 30 | 6004VV | 8.55 | 10.35 | |
| No hay información disponible, no se puede pedir | ||||
| 31 | 323257 | |||
| No hay información disponible, no se puede pedir | ||||
| 32 | 323258 | |||
| No hay información disponible, no se puede pedir | ||||
| 33B | 325199 | |||
| No hay información disponible, no se puede pedir | ||||
| 34 | 323260 | |||
| No hay información disponible, no se puede pedir | ||||
| 35 | 323264 | |||
| No hay información disponible, no se puede pedir | ||||
| 36 | 323259 | |||
| No hay información disponible, no se puede pedir | ||||
| 37 | 323263 | |||
| No hay información disponible, no se puede pedir | ||||
| 38 | 323261 | |||
| No hay información disponible, no se puede pedir | ||||
| 39 | 323262 | |||
| No hay información disponible, no se puede pedir | ||||
| 40 | 323423 | |||
| No hay información disponible, no se puede pedir | ||||
| 41 | 323422 | |||
| No hay información disponible, no se puede pedir | ||||
| 42 | 323265 | |||
| Tornillo de cabeza plana M5x12 (10 unidades) | ||||
| 43 | 949332 | 1.04 | 1.26 | |
| No hay información disponible, no se puede pedir | ||||
| 45 | 323270 | |||
| Bola de acero 5/32 (10 Pcs.) | ||||
| 46 | 335297 | 1.04 | 1.26 | |
| Muelle | ||||
| 47 | 982454 | 1.04 | 1.26 | |
| Tornillo de ajuste hexagonal M5x8 | ||||
| 48 | 938477 | 1.05 | 1.27 | |
| No hay información disponible, no se puede pedir | ||||
| 49 | 323268 | |||
| No hay información disponible, no se puede pedir | ||||
| 50 | 323269 | |||
| Muelle | ||||
| 51 | 306024 | 1.35 | 1.63 | |
| No hay información disponible, no se puede pedir | ||||
| 52 | 323271 | |||
| No hay información disponible, no se puede pedir | ||||
| 53 | 323348 | |||
| No hay información disponible, no se puede pedir | ||||
| 501 | 325212 | |||
| No hay información disponible, no se puede pedir | ||||
| 502 | 944458 | |||
| TORNILLO M4X35 | ||||
| 503 | 956793 | 5.25 | 6.35 | |
| Tornillo M5x10 (antiguo 956634, 10 piezas) | ||||
| 504 | 949819 | 2.55 | 3.09 | |
| Tornillo de máquina M5x6 (10 piezas) | ||||
| 505 | 949234 | 1.05 | 1.27 | |
| No hay información disponible, no se puede pedir | ||||
| 506 | 956790 | |||
| No hay información disponible, no se puede pedir | ||||
| 507 | 323294 | |||
| No hay información disponible, no se puede pedir | ||||
| 508 | 323295 | |||
| No hay información disponible, no se puede pedir | ||||
| 509 | 323345 | |||
| Tornillo de Ala M6x15 | ||||
| 510 | 301806 | 1.05 | 1.27 | |
| No hay información disponible, no se puede pedir | ||||
| 511 | 323344 | |||
| No hay información disponible, no se puede pedir | ||||
| 512 | 323343 | |||
| No hay información disponible, no se puede pedir | ||||
| 601 | 956808 | |||
| No hay información disponible, no se puede pedir | ||||
| 602 | 323349 | |||
| No hay información disponible, no se puede pedir | ||||
| 603 | 323346 | |||
| No hay información disponible, no se puede pedir | ||||
| 604 | 323347 | |||
| Tornillo Máquina M5x16 (negro) | ||||
| 605 | 302317 | 1.05 | 1.27 | |