Aquí encontrará todas las piezas y dibujos técnicos disponibles de 'Hikoki N5021A'. Desde aquí podrá pedir todas las piezas deseadas directamente. Para muchas piezas de repuesto, es necesario pasar un pedido al fabricante. Dependiendo de la marca, el plazo de entrega puede variar entre una y cuatro semanas. Toda la información que tenemos está en nuestro sitio web. No podremos aconsejarle sobre lo que necesita hasta que entregue la máquina para su reparación. Tenga en cuenta lo siguiente a la hora de cursar su pedido:
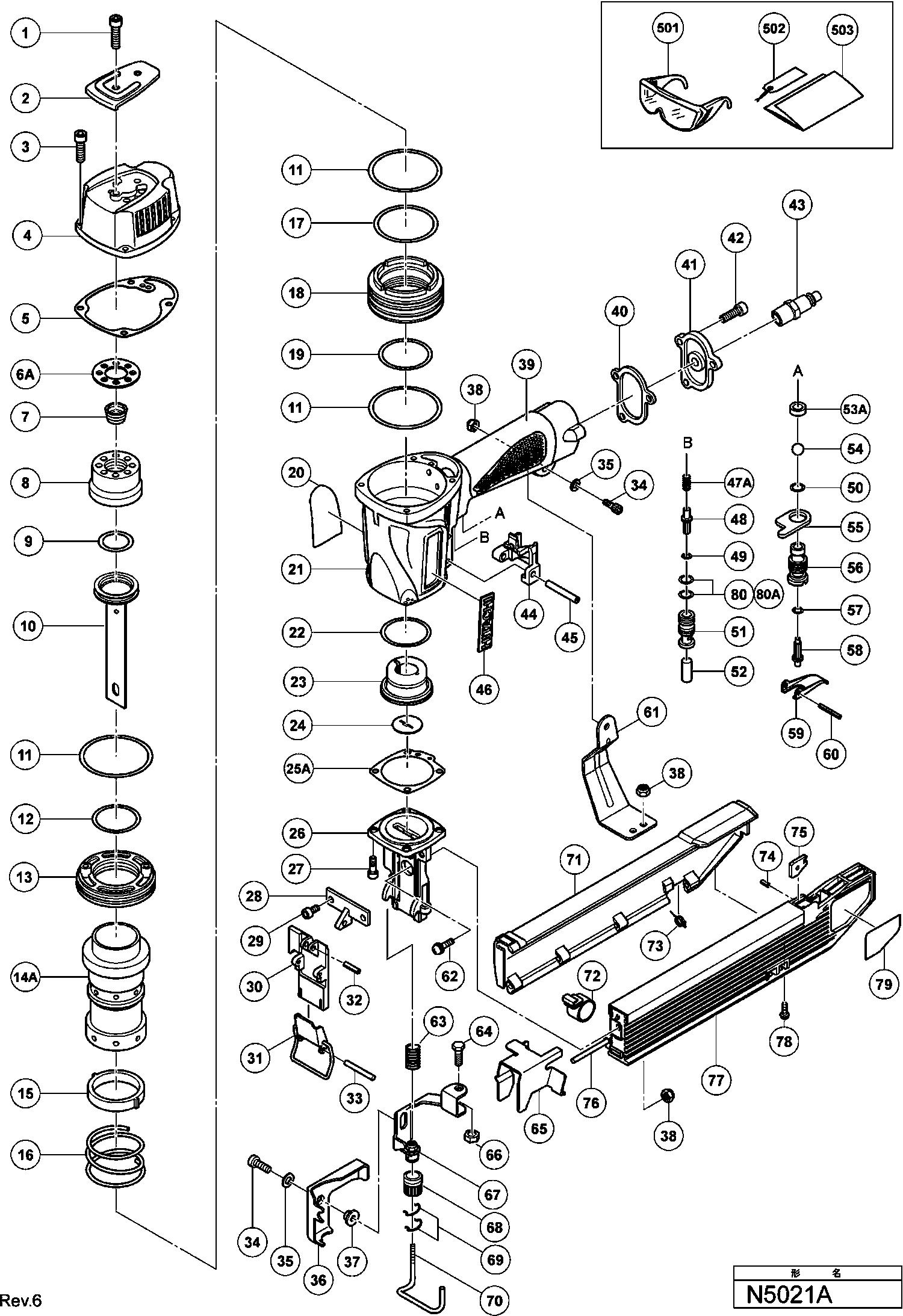
Dibujo técnico de los/las Hikoki N5021A
Lista de las piezas de repuesto de Hikoki N5021A
| Pos. | Descripción | Precio con el IVA excluido | Precio con el IVA incluido | |
| Los precios mostrados incluyen el IVA | ||||
| Tornillo M5x25 (antiguo 949662z, 10 Piezas) | ||||
| 1 | 949662 | 2.10 | 2.54 | |
| TAPA SUPERIOR | ||||
| 2 | 876179 | 1.05 | 1.27 | |
| Tornillo Hexagonal Hd M5x20 (10 unidades) | ||||
| 3 | 949757 | 3.00 | 3.63 | |
| Tapa de escape | ||||
| 4 | 886444 | 14.65 | 17.73 | |
| Junta | ||||
| 5 | 883892 | 1.65 | 2.00 | |
| Empaque (c) | ||||
| 6A | 886466 | 1.05 | 1.27 | |
| No hay información disponible, no se puede pedir | ||||
| 7 | 878417 | |||
| EXHAUST VALVE (OLD 878417) | ||||
| 7A | 890209 | 1.00 | 1.21 | |
| Ensamblaje de Capuchón de Cabeza | ||||
| 8 | 877129 | 14.58 | 17.64 | |
| Anillo O para Pasador de Golpe | ||||
| 9 | 876174 | 3.60 | 4.36 | |
| No hay información disponible, no se puede pedir | ||||
| 10 | 886448 | |||
| Anillo O (i.d.64.5) | ||||
| 11 | 885793 | 2.10 | 2.54 | |
| Cilindro Junta Tórica (d) | ||||
| 12 | 877126 | 1.65 | 2.00 | |
| Placa del Cilindro | ||||
| 13 | 876168 | 10.95 | 13.25 | |
| CILINDRO | ||||
| 14A | 888212 | 24.75 | 29.95 | |
| Anillo de Cilindro | ||||
| 15 | 876167 | 1.05 | 1.27 | |
| Resorte del Cilindro | ||||
| 16 | 876172 | 6.60 | 7.99 | |
| O-ring de cilindro (a) | ||||
| 17 | 877123 | 2.40 | 2.90 | |
| Guía de cilindro (antiguo 876631) | ||||
| 18 | 877122 | 17.60 | 21.30 | |
| Cilindro Junta Tórica (b) | ||||
| 19 | 877124 | 1.95 | 2.36 | |
| No hay información disponible, no se puede pedir | ||||
| 20A | 888963 | |||
| No hay información disponible, no se puede pedir | ||||
| 20B | 888963M | |||
| Caja de carcasa DUO 110 - Conjunto | ||||
| 21 | 886443 | 58.93 | 71.30 | |
| Cilindro Junta Tórica (c) | ||||
| 22 | 877125 | 1.95 | 2.36 | |
| Tope de pistón | ||||
| 23 | 884350 | 11.85 | 14.34 | |
| No hay información disponible, no se puede pedir | ||||
| 24 | 886445 | |||
| Embalaje (a) | ||||
| 25A | 883881 | 1.65 | 2.00 | |
| No hay información disponible, no se puede pedir | ||||
| 26 | 886446 | |||
| Tornillo Allen M5x16 | ||||
| 27 | 878181 | 1.05 | 1.27 | |
| Placa de guía | ||||
| 28 | 884360 | 14.10 | 17.06 | |
| Tornillo M5x10 (antiguo 956634, 10 piezas) | ||||
| 29 | 949819 | 2.55 | 3.09 | |
| VARILLA | ||||
| 30 | 884361 | 17.13 | 20.72 | |
| Bloqueo KS 60 E | ||||
| 31 | 884362 | 8.33 | 10.07 | |
| Pin de rodillo D4x16 (10 piezas) | ||||
| 32 | 949497 | 2.55 | 3.09 | |
| Pasador de Rodillo D3x30 (10 Piezas) | ||||
| 33 | 949866 | 3.60 | 4.36 | |
| Tornillo Hexagonal M5x18 (10 Pcs) | ||||
| 34 | 949658 | 1.80 | 2.18 | |
| Arandela (ANTIGUO 876205) | ||||
| 35A | 889024 | 1.04 | 1.26 | |
| GUARDIA | ||||
| 36 | 884364 | 2.10 | 2.54 | |
| MANGUITO EXCÉNTRICO | ||||
| 37 | 884366 | 4.20 | 5.08 | |
| Tuerca de Nylon M5 | ||||
| 38 | 877371 | 1.05 | 1.27 | |
| Empaque (d) | ||||
| 40 | 877131 | 1.05 | 1.27 | |
| Cubierta | ||||
| 41 | 885795 | 4.50 | 5.44 | |
| Tornillo cabeza allen M5x16 (10 piezas) | ||||
| 42 | 949821 | 2.55 | 3.09 | |
| Protector de válvula | ||||
| 44 | 884356 | 2.10 | 2.54 | |
| Pasador de rodillo D3x45 (10 Piezas) | ||||
| 45 | 884025 | 1.80 | 2.18 | |
| Placa de Marca | ||||
| 46 | 886342 | 1.80 | 2.18 | |
| Muelle del émbolo | ||||
| 47A | 886725 | 1.05 | 1.27 | |
| Émbolo (A) | ||||
| 48 | 878542 | 1.95 | 2.36 | |
| Anillo O del émbolo | ||||
| 49 | 877705 | 1.05 | 1.27 | |
| Anillo O (s-12) | ||||
| 50 | 875638 | 1.65 | 2.00 | |
| Casquillo de la válvula | ||||
| 51 | 877880 | 27.09 | 32.78 | |
| Émbolo (B) | ||||
| 52 | 877882 | 5.55 | 6.72 | |
| Empaque de válvula | ||||
| 53A | 888151 | 1.04 | 1.26 | |
| No hay información disponible, no se puede pedir | ||||
| 54 | 875645 | |||
| Bola D7.2 | ||||
| 54A | 890301 | 1.04 | 1.26 | |
| Placa de Valvula | ||||
| 55 | 875644 | 1.05 | 1.27 | |
| Casquillos de válvula de gatillo (antiguo 876738) | ||||
| 56 | 877335 | 12.60 | 15.25 | |
| Anillo O | ||||
| 57 | 874820 | 1.65 | 2.00 | |
| Émbolo del gatillo | ||||
| 58 | 878121 | 1.65 | 2.00 | |
| Manija del interruptor | ||||
| 59 | 876203 | 2.55 | 3.09 | |
| Pasador de Rodillo D3x30 (10 Piezas) | ||||
| 60 | 949866 | 3.60 | 4.36 | |
| Brazo del mango | ||||
| 61 | 884363 | 6.68 | 8.08 | |
| Tornillo de máquina (con arandela) M5x16 (negro) | ||||
| 62 | 308386 | 1.05 | 1.27 | |
| Muelle | ||||
| 63 | 877894 | 1.05 | 1.27 | |
| Bolt de Seguridad | ||||
| 64 | 875650 | 1.05 | 1.27 | |
| No hay información disponible, no se puede pedir | ||||
| 65 | 886450 | |||
| Tuerca M5 (10 piezas) (ANTIGUO 949555Z) | ||||
| 66 | 949555 | 1.05 | 1.27 | |
| Palanca de Empuje | ||||
| 67 | 884353 | 22.83 | 27.62 | |
| REGULADOR | ||||
| 68 | 885796 | 4.20 | 5.08 | |
| Resorte de trinquete | ||||
| 69 | 881765 | 1.95 | 2.36 | |
| Palanca de empuje (a) | ||||
| 70 | 886447 | 4.20 | 5.08 | |
| Cubierta del revista | ||||
| 71 | 883718 | 7.20 | 8.71 | |
| No hay información disponible, no se puede pedir | ||||
| 72 | 881047 | |||
| RESORTE DE CINTA | ||||
| 72A | 889503 | 3.90 | 4.72 | |
| Muelle | ||||
| 73 | 881043 | 1.35 | 1.63 | |
| PIN DE ROLLO D3x8 (10 Piezas) | ||||
| 74 | 949749 | 1.95 | 2.36 | |
| Placa de Almacén | ||||
| 75 | 881039 | 2.55 | 3.09 | |
| Pasador De Pivote | ||||
| 76 | 883719 | 2.10 | 2.54 | |
| No hay información disponible, no se puede pedir | ||||
| 77 | 886449 | |||
| Tornillo de máquina M5x14 Negro | ||||
| 78 | 678653 | 1.05 | 1.27 | |
| Anillo O (s-12) | ||||
| 80 | 875638 | 1.65 | 2.00 | |
| Anillo O (i.d 10.7) | ||||
| 80A | 884112 | 1.65 | 2.00 | |
| No hay información disponible, no se puede pedir | ||||
| 501 | 875769 | |||
| Etiqueta de precaución | ||||
| 502 | 882413 | 1.95 | 2.36 | |
| LEAFLET | ||||
| 503 | 882414 | 1.86 | 2.25 | |
| Cinta de agarre (antiguo 880349) | ||||
| 601 | 881768 | 5.25 | 6.35 | |
| No hay información disponible, no se puede pedir | ||||
| 602A | 888213 | |||
| No hay información disponible, no se puede pedir | ||||
| 603 | 876762 | |||
| No hay información disponible, no se puede pedir | ||||
| 604 | 877153 | |||
| No hay información disponible, no se puede pedir | ||||
| 605 | 874042 | |||
| No hay información disponible, no se puede pedir | ||||
| 606 | 876212 | |||
| Grasa (attolub No.2) 500g | ||||
| 607 | 317918 | 32.18 | 38.93 | |