Aquí encontrará todas las piezas y dibujos técnicos disponibles de 'Hikoki NC40G'. Desde aquí podrá pedir todas las piezas deseadas directamente. Para muchas piezas de repuesto, es necesario pasar un pedido al fabricante. Dependiendo de la marca, el plazo de entrega puede variar entre una y cuatro semanas. Toda la información que tenemos está en nuestro sitio web. No podremos aconsejarle sobre lo que necesita hasta que entregue la máquina para su reparación. Tenga en cuenta lo siguiente a la hora de cursar su pedido:
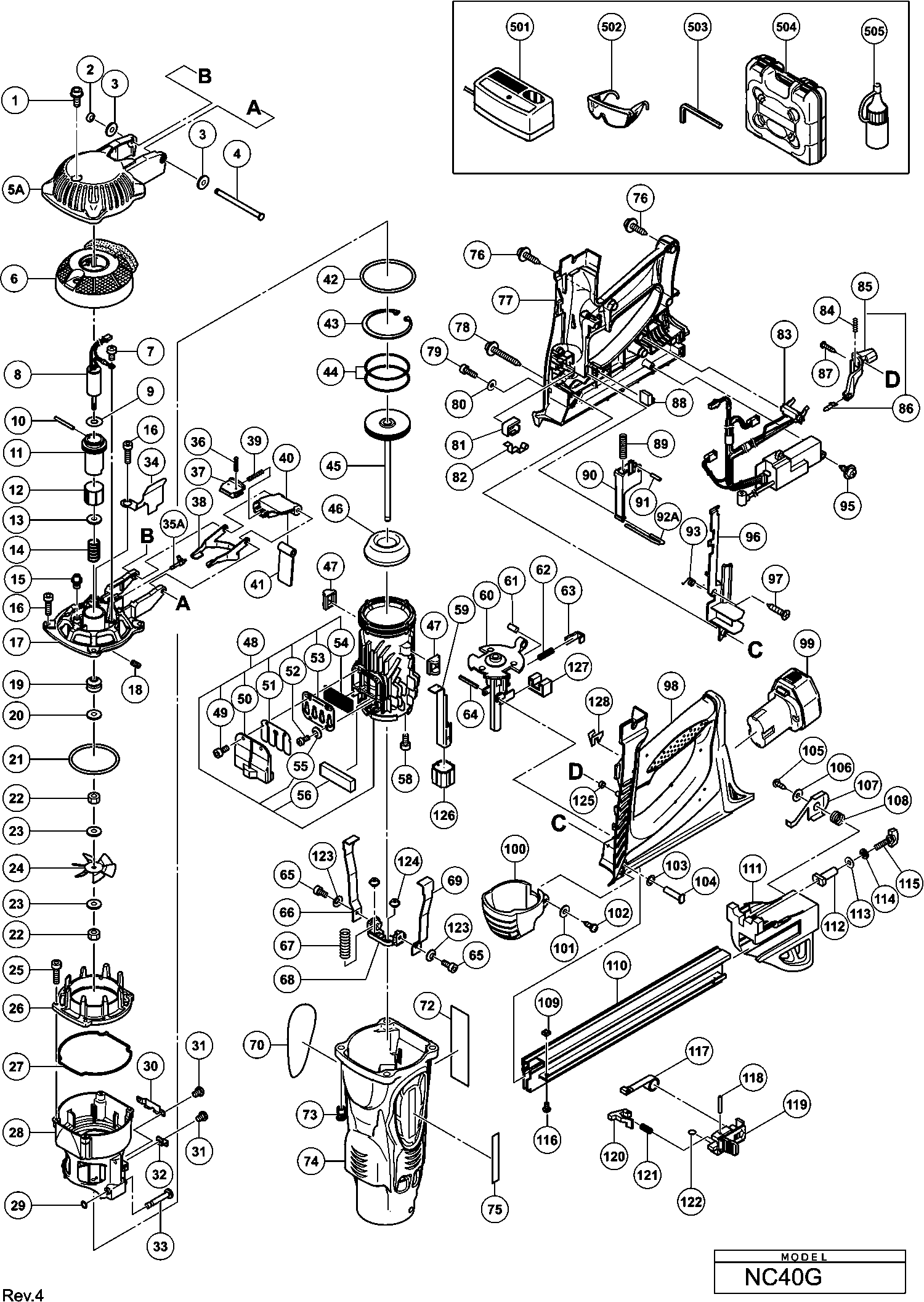
Dibujo técnico de los/las Hikoki NC40G
Lista de las piezas de repuesto de Hikoki NC40G
| Pos. | Descripción | Precio con el IVA excluido | Precio con el IVA incluido | |
| Los precios mostrados incluyen el IVA | ||||
| Tornillo | ||||
| 1 | 996399 | 1.04 | 1.26 | |
| Anillo para eje | ||||
| 2 | 880319 | 1.65 | 2.00 | |
| Arandela de bloqueo M5 (antiguo 949424z , 10 pieza | ||||
| 3 | 949424 | 1.05 | 1.27 | |
| Eje (b) | ||||
| 4 | 885277 | 3.00 | 3.63 | |
| Cubierta superior (antiguo 886142) | ||||
| 5A | 886598 | 9.45 | 11.43 | |
| Set de Filtros | ||||
| 6 | 886129 | 32.18 | 38.93 | |
| Tornillo de máquina M4x6 (10 piezas) | ||||
| 7 | 949214 | 1.05 | 1.27 | |
| No hay información disponible, no se puede pedir | ||||
| 8 | 885309 | |||
| Anillo de goma (1) | ||||
| 9 | 885313 | 1.50 | 1.82 | |
| Pasador de rodillo D2.5x25 | ||||
| 10 | 885318 | 1.50 | 1.82 | |
| Soporte del motor | ||||
| 11 | 885310 | 7.05 | 8.53 | |
| MANGUITO EXCÉNTRICO | ||||
| 12 | 885314 | 1.65 | 2.00 | |
| Arandela | ||||
| 13 | 885320 | 1.50 | 1.82 | |
| Muelle de motor | ||||
| 14 | 885319 | 1.50 | 1.82 | |
| Bujía | ||||
| 15 | 885333 | 3.30 | 3.99 | |
| Tornillo Hexagonal Hd M5x20 (10 unidades) | ||||
| 16 | 949757 | 3.00 | 3.63 | |
| Tapa del cilindro | ||||
| 17 | 885308 | 32.18 | 38.93 | |
| Tornillo de ajuste Allen M4 X 5 | ||||
| 18 | 961681 | 1.04 | 1.26 | |
| Cubierta TURBO II | ||||
| 19 | 886470 | 1.80 | 2.18 | |
| Arandela | ||||
| 20 | 886471 | 1.80 | 2.18 | |
| Anillo O (i.d 59.92) | ||||
| 21 | 885316 | 4.80 | 5.81 | |
| Tuerca M4 (10 Piezas) | ||||
| 22 | 949554 | 1.05 | 1.27 | |
| Anillo M4 (10 piezas) | ||||
| 23 | 949423 | 1.05 | 1.27 | |
| JUNTA | ||||
| 24 | 885311 | 4.80 | 5.81 | |
| Tornillo de cabeza hexagonal interior M4x16 | ||||
| 25 | 949754 | 2.40 | 2.90 | |
| Cabeza de la cámara | ||||
| 26 | 885294 | 13.89 | 16.80 | |
| Plancha de sellado (b) Cm 12y | ||||
| 27 | 886133 | 1.80 | 2.18 | |
| No hay información disponible, no se puede pedir | ||||
| 28 | 885296 | |||
| Anillo O | ||||
| 29 | 878607 | 1.05 | 1.27 | |
| Placa de bloqueo | ||||
| 30 | 885297 | 3.30 | 3.99 | |
| Tornillo de máquina M4x6 (10 piezas) | ||||
| 31 | 949214 | 1.05 | 1.27 | |
| PLACA DE INTERRUPTOR | ||||
| 32 | 885306 | 1.65 | 2.00 | |
| Pasador (a) | ||||
| 33 | 886484 | 1.65 | 2.00 | |
| Placa de cableado | ||||
| 34 | 886253 | 1.65 | 2.00 | |
| No hay información disponible, no se puede pedir | ||||
| 35 | 885317 | |||
| Adaptador CMS-OF | ||||
| 35A | 886313 | 1.05 | 1.27 | |
| Pasador de rodillo D2x8 (10 piezas) | ||||
| 36 | 949859 | 1.20 | 1.45 | |
| Palanca KA 65 | ||||
| 37 | 885280 | 1.50 | 1.82 | |
| Palanca de la célula | ||||
| 38 | 886141 | 6.75 | 8.17 | |
| Resorte D3.6 | ||||
| 39 | 885281 | 1.50 | 1.82 | |
| Cubierta de la Celda | ||||
| 40 | 885352 | 3.30 | 3.99 | |
| Caucho Cel | ||||
| 41 | 886131 | 1.80 | 2.18 | |
| Anillo O (diámetro interior 66,27) | ||||
| 42 | 885283 | 6.45 | 7.80 | |
| Arandela de resorte | ||||
| 43 | 885285 | 1.65 | 2.00 | |
| Anillo de pistón | ||||
| 44 | 886132 | 9.75 | 11.80 | |
| Pasador de golpe (h) | ||||
| 45 | 885700 | 117.01 | 141.59 | |
| Tope de pistón | ||||
| 46 | 885289 | 8.40 | 10.16 | |
| Goma (antiguo 885790) | ||||
| 47 | 885284 | 1.80 | 2.18 | |
| Ensamblaje del Cilindro | ||||
| 48 | 886465 | 169.40 | 204.97 | |
| Tornillo Allen M4x10 autobloqueante | ||||
| 49 | 886241 | 1.65 | 2.00 | |
| Cubierta del amortiguador | ||||
| 50 | 886467 | 1.80 | 2.18 | |
| Válvula de plomo | ||||
| 51 | 885290 | 1.65 | 2.00 | |
| Tornillo de bloqueo M4x6 (negro) | ||||
| 52 | 303631 | 1.04 | 1.26 | |
| Placa de Amortiguación (a) | ||||
| 53 | 886468 | 3.45 | 4.17 | |
| Filtro de polvo para H70sa | ||||
| 54 | 885292 | 3.30 | 3.99 | |
| No hay información disponible, no se puede pedir | ||||
| 55 | 886242 | |||
| SILENCIADOR | ||||
| 56 | 885288 | 13.50 | 16.34 | |
| Tornillo Allen con cierre de seguridad M5x12 | ||||
| 58 | 991690 | 1.05 | 1.27 | |
| Palanca de Empuje | ||||
| 59 | 885691 | 13.50 | 16.34 | |
| Pieza de la nariz | ||||
| 60 | 885704 | 135.58 | 164.05 | |
| PIN DE ROLLO D3x8 (10 Piezas) | ||||
| 61 | 949749 | 1.95 | 2.36 | |
| Resorte (a) Dh18vb | ||||
| 62 | 885706 | 1.80 | 2.18 | |
| Botón de parada | ||||
| 63 | 885705 | 7.50 | 9.08 | |
| Pasador de rueda D3x25 (10 piezas) | ||||
| 64 | 949539 | 2.25 | 2.72 | |
| Tornillo de cabeza hexagonal Seal Lock M5x8 | ||||
| 65 | 321527 | 1.65 | 2.00 | |
| Brazo de palanca de empuje (l) | ||||
| 66 | 885703 | 14.16 | 17.14 | |
| Resorte del Lever de Empuje | ||||
| 67 | 886245 | 1.65 | 2.00 | |
| Conector de palanca de empuje | ||||
| 68 | 885699 | 46.20 | 55.90 | |
| Brazo de palanca de empuje (r) | ||||
| 69 | 885710 | 14.85 | 17.97 | |
| Hoja de aislante | ||||
| 72 | 885307 | 1.65 | 2.00 | |
| Tornillo M5 | ||||
| 73 | 885304 | 1.50 | 1.82 | |
| Caja de carcasa DUO 110 - Conjunto | ||||
| 74 | 886469 | 27.78 | 33.61 | |
| Placa Hitachi | ||||
| 75 | 328922 | 1.95 | 2.36 | |
| Tornillo autoperforante (con brida) D4x20 (negro) | ||||
| 76 | 302086 | 1.05 | 1.27 | |
| Mango (b) | ||||
| 77 | 885709 | 26.54 | 32.11 | |
| Tornillo de golpe (con reborde) D4x45 (negro) | ||||
| 78 | 301815 | 1.05 | 1.27 | |
| Tornillo de cabeza de bloqueo M5x16 (antiguo 98450 | ||||
| 79 | 990079 | 1.05 | 1.27 | |
| Ya no disponible, sin reemplazo | ||||
| 80 | 876205 | |||
| Montaje del Interruptor | ||||
| 81 | 886473 | 1.80 | 2.18 | |
| Brazo del Interruptor | ||||
| 82 | 885347 | 1.65 | 2.00 | |
| No hay información disponible, no se puede pedir | ||||
| 83 | 886462 | |||
| Muelle | ||||
| 84 | 885518 | 1.65 | 2.00 | |
| DESLIZADOR DE INTERRUPTOR | ||||
| 85 | 886147 | 6.45 | 7.80 | |
| Placa del sensor | ||||
| 86 | 886257 | 3.30 | 3.99 | |
| Tornillo de rosca D3 | ||||
| 87 | 885714 | 1.80 | 2.18 | |
| PRISMA | ||||
| 88 | 886474 | 2.82 | 3.41 | |
| Muelle | ||||
| 89 | 885828 | 1.65 | 2.00 | |
| Interruptor | ||||
| 90 | 885335 | 3.30 | 3.99 | |
| Pasador de rueda D2,5x10 (10 piezas) | ||||
| 91 | 949551 | 1.65 | 2.00 | |
| Barra de cerradura de cámara | ||||
| 92A | 887617 | 4.65 | 5.63 | |
| Muelle | ||||
| 93 | 885337 | 1.65 | 2.00 | |
| Tornillo autoperforante (con brida) D4x14 (negro) | ||||
| 95 | 309933 | 1.05 | 1.27 | |
| Anillo Protector del Cable | ||||
| 96 | 885339 | 3.30 | 3.99 | |
| TORNILLO M4X35 | ||||
| 97 | 885346 | 1.65 | 2.00 | |
| Mango (a) G18u/g23u y otros | ||||
| 98 | 886472 | 21.86 | 26.45 | |
| No hay información disponible, no se puede pedir | ||||
| 99 | 325292 | |||
| Tapa de protección contra el polvo | ||||
| 100 | 885695 | 21.86 | 26.45 | |
| Arandela | ||||
| 101 | 875246 | 1.05 | 1.27 | |
| Tornillo con brida D4x12 (negro) | ||||
| 102 | 325083 | 1.65 | 2.00 | |
| Arandela (b) Ds9dva/ds12dva/ds14dv Ds14dva/ds14dvb | ||||
| 103 | 885712 | 1.80 | 2.18 | |
| BARRA TOMMY | ||||
| 104 | 885711 | 11.85 | 14.34 | |
| Tornillo autorroscante (con brida) D4x10 (negro) | ||||
| 105 | 311945 | 1.05 | 1.27 | |
| Arandela | ||||
| 106 | 875246 | 1.05 | 1.27 | |
| Detenedor de uñas | ||||
| 107 | 885696 | 5.10 | 6.17 | |
| Resorte (c) | ||||
| 108 | 885697 | 1.80 | 2.18 | |
| Tuerca M6 | ||||
| 109 | 319166 | 1.80 | 2.18 | |
| No hay información disponible, no se puede pedir | ||||
| 110 | 886475 | |||
| PORTADA DE REVISTA | ||||
| 111 | 886479 | 15.68 | 18.97 | |
| No hay información disponible, no se puede pedir | ||||
| 112 | 885713 | |||
| Ya no disponible, sin reemplazo | ||||
| 113 | 876205 | |||
| Arandela de resorte M5 (10 piezas) | ||||
| 114 | 949454 | 1.04 | 1.26 | |
| BOTÓN | ||||
| 115 | 885694 | 3.45 | 4.17 | |
| Tornillo Hexagonal M6x7 | ||||
| 116 | 884215 | 5.10 | 6.17 | |
| Resorte de Hoja | ||||
| 117 | 881755 | 3.30 | 3.99 | |
| Pasador D3x20 (10 Piezas) | ||||
| 118 | 949890 | 1.80 | 2.18 | |
| Alimentación de clavos | ||||
| 119 | 886476 | 3.45 | 4.17 | |
| Alimentación de clavos | ||||
| 120 | 886477 | 11.85 | 14.34 | |
| Muelle | ||||
| 121 | 886478 | 1.80 | 2.18 | |
| Anillo-O (1ap-3) | ||||
| 122 | 873093 | 1.05 | 1.27 | |
| Muelle M5 | ||||
| 123 | 886243 | 1.80 | 2.18 | |
| GUIA DE RESORTE | ||||
| 124 | 885707 | 5.10 | 6.17 | |
| Manga/Acero inoxidable/Herramienta eléctrica | ||||
| 125 | 886463 | 3.45 | 4.17 | |
| Tapa de nariz | ||||
| 126 | 885692 | 3.45 | 4.17 | |
| Goma de nariz | ||||
| 127 | 885693 | 1.80 | 2.18 | |
| Tope de interruptor | ||||
| 128 | 886138 | 3.30 | 3.99 | |
| No hay información disponible, no se puede pedir | ||||
| 502 | 875769 | |||
| No hay información disponible, no se puede pedir | ||||
| 503 | 944458 | |||
| No hay información disponible, no se puede pedir | ||||
| 504 | 886485 | |||
| No hay información disponible, no se puede pedir | ||||
| 505 | 886036 | |||
| No hay información disponible, no se puede pedir | ||||
| 601 | 885546 | |||