Aquí encontrará todas las piezas y dibujos técnicos disponibles de 'Hikoki NP18DSAL'. Desde aquí podrá pedir todas las piezas deseadas directamente. Para muchas piezas de repuesto, es necesario pasar un pedido al fabricante. Dependiendo de la marca, el plazo de entrega puede variar entre una y cuatro semanas. Toda la información que tenemos está en nuestro sitio web. No podremos aconsejarle sobre lo que necesita hasta que entregue la máquina para su reparación. Tenga en cuenta lo siguiente a la hora de cursar su pedido:
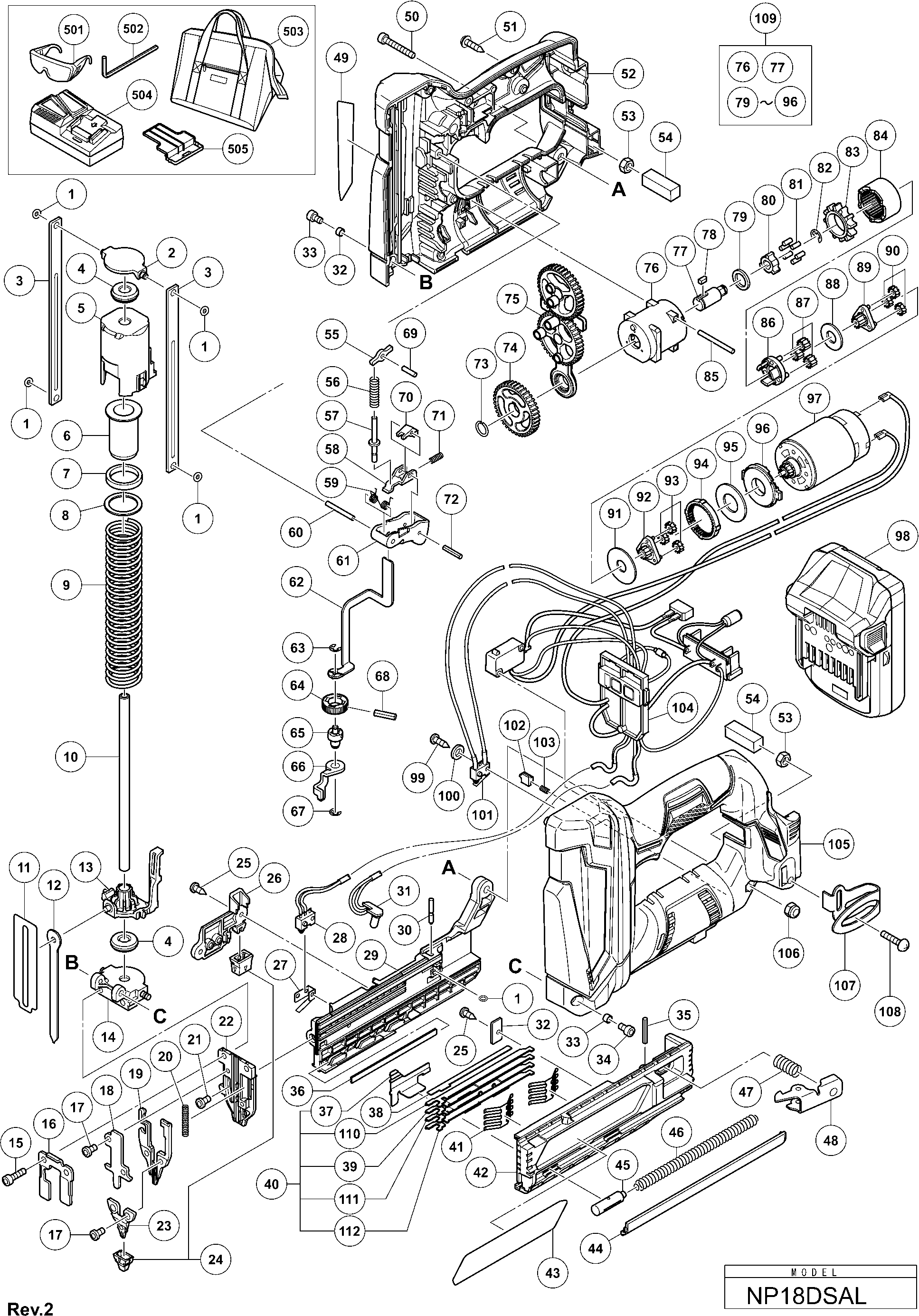
Dibujo técnico de los/las Hikoki NP18DSAL
Lista de las piezas de repuesto de Hikoki NP18DSAL
| Pos. | Descripción | Precio con el IVA excluido | Precio con el IVA incluido | |
| Los precios mostrados incluyen el IVA | ||||
| Interruptor (B) Ensamblaje (con núcleo de ferrita) | ||||
| *104 | 376688 | 45.10 | 54.57 | |
| CASA (A) | ||||
| *105B | 339068 | 17.74 | 21.46 | |
| REVISTA | ||||
| *29 | 339099 | 6.15 | 7.44 | |
| REVISTA | ||||
| *29 | 373105 | 4.05 | 4.90 | |
| ALIMENTADOR DE CLAVOS | ||||
| *37 | 372727 | 1.04 | 1.26 | |
| BARRA SUPERIOR | ||||
| *38 | 373101 | 1.04 | 1.26 | |
| CUBIERTA DE REVISTA | ||||
| *42 | 339104 | 6.15 | 7.44 | |
| CUBIERTA DE LA REVISTA | ||||
| *42 | 373104 | 4.35 | 5.26 | |
| Anillo O (i.d 2.8) | ||||
| 1 | 338981 | 1.04 | 1.26 | |
| SOPORTE SUPERIOR | ||||
| 2 | 339075 | 7.95 | 9.62 | |
| BARRA DE GUIA DESLIZANTE | ||||
| 3 | 339078 | 1.80 | 2.18 | |
| AMORTIGUADOR DE ÉMBOLO | ||||
| 4 | 370631 | 3.45 | 4.17 | |
| PESO | ||||
| 5 | 339073 | 20.49 | 24.79 | |
| FUNDA DE PESO | ||||
| 6 | 372869 | 6.30 | 7.62 | |
| AMORTIGUADOR DE MUELLE (B) | ||||
| 7 | 372870 | 1.04 | 1.26 | |
| DAMPER WASHER (B) | ||||
| 8 | 372871 | 1.00 | 1.21 | |
| Resorte, acero inoxidable | ||||
| 9 | 373107 | 12.00 | 14.52 | |
| EJE DEL ÉMBOLO | ||||
| 10 | 339095 | 5.55 | 6.72 | |
| Placa de cubierta (2 necesarias) | ||||
| 11 | 339088 | 1.04 | 1.26 | |
| HOJA DE CONDUCTOR | ||||
| 12 | 339087 | 19.11 | 23.13 | |
| ÉMBOLO (A) (ANTIGUO 370630) | ||||
| 13A | 371199 | 25.99 | 31.44 | |
| SOPORTE INFERIOR | ||||
| 14 | 370643 | 7.65 | 9.26 | |
| Tornillo cabeza allen M5x16 (10 piezas) | ||||
| 15 | 949821 | 2.55 | 3.09 | |
| PLACA GUÍA (B) | ||||
| 16 | 339084 | 1.50 | 1.82 | |
| TORNILLO DE CASQUILLO HEX. M4X6 | ||||
| 17 | 370899 | 1.04 | 1.26 | |
| PLACA DE GUIA (A) | ||||
| 18 | 339083 | 1.35 | 1.63 | |
| PALANCA EMPUJADORA (A) | ||||
| 19 | 339081 | 12.60 | 15.25 | |
| Resorte de Palanca de Empuje | ||||
| 20 | 329133 | 1.80 | 2.18 | |
| TORNILLO DE CABEZA BAJA HEXA. M4X8 | ||||
| 21 | 370640 | 1.04 | 1.26 | |
| GUÍA DE HOJA | ||||
| 22 | 370634 | 59.13 | 71.54 | |
| NARIZ | ||||
| 23 | 339082 | 6.60 | 7.99 | |
| No hay información disponible, no se puede pedir | ||||
| 24 | 370901 | |||
| TORNILLO ROSCADOR D3X8 | ||||
| 25 | 339108 | 1.04 | 1.26 | |
| SOPORTE DE INTERRUPTOR | ||||
| 26 | 339098 | 1.04 | 1.26 | |
| Soporte de microinterruptor (b) | ||||
| 27 | 335025 | 1.20 | 1.45 | |
| MICRO INTERRUPTOR (B) | ||||
| 28 | 370902 | 36.71 | 44.42 | |
| REVISTA | ||||
| 29 | 373105 | 4.05 | 4.90 | |
| No hay información disponible, no se puede pedir | ||||
| 30 | 339100 | |||
| EJE DE TOPE (B) NUEVO | ||||
| 30A | 375911 | 3.45 | 4.17 | |
| LED | ||||
| 31 | 370644 | 4.20 | 5.08 | |
| PLACA DE BARRA DE GUÍA | ||||
| 32 | 339107 | 1.04 | 1.26 | |
| Manga/Acero inoxidable/Herramienta eléctrica | ||||
| 33 | 370639 | 1.04 | 1.26 | |
| PERNO NYLOCK HEX.SOCKET HD M4X8 | ||||
| 34 | 878614 | 1.04 | 1.26 | |
| Pasador rodante D4x32 (10 Piezas) | ||||
| 35 | 949685 | 2.55 | 3.09 | |
| PLACA DE UÑAS | ||||
| 36 | 339101 | 1.04 | 1.26 | |
| No hay información disponible, no se puede pedir | ||||
| 37 | 371200 | |||
| BARRA SUPERIOR | ||||
| 38 | 373101 | 1.04 | 1.26 | |
| BARRA DE GUIADO (A) | ||||
| 39 | 372728 | 1.04 | 1.26 | |
| Placa de resorte (1) | ||||
| 41 | 339109 | 1.04 | 1.26 | |
| CUBIERTA DE LA REVISTA | ||||
| 42 | 373104 | 4.35 | 5.26 | |
| PLACA DE CUBIERTA DEL ALIMENTADOR | ||||
| 44 | 339106 | 1.04 | 1.26 | |
| No hay información disponible, no se puede pedir | ||||
| 45 | 329125 | |||
| RESORTE DE ALIMENTACIÓN | ||||
| 46 | 339105 | 1.04 | 1.26 | |
| MUELLE DE CASQUILLO (B) | ||||
| 47 | 370636 | 1.04 | 1.26 | |
| Palanca de Parada | ||||
| 48 | 331121 | 3.45 | 4.17 | |
| Tornillo Hexagonal M5x30 (10 Pcs) | ||||
| 50 | 949664 | 3.75 | 4.54 | |
| Tornillo de roscar (con brida) D3x16 (negro) | ||||
| 51 | 313687 | 1.04 | 1.26 | |
| Caja (b) | ||||
| 52 | 339071 | 11.70 | 14.16 | |
| Tuerca de bloqueo M4 (negro) | ||||
| 53 | 327002 | 1.80 | 2.18 | |
| Junta | ||||
| 54 | 331186 | 1.80 | 2.18 | |
| No hay información disponible, no se puede pedir | ||||
| 55 | 329107 | |||
| RESORTE DEL ÉMBOLO (B) | ||||
| 56 | 370900 | 1.04 | 1.26 | |
| ÉMBOLO (T) | ||||
| 57 | 339093 | 3.30 | 3.99 | |
| Brazo del gatillo (gris) | ||||
| 58 | 884201 | 12.30 | 14.88 | |
| No hay información disponible, no se puede pedir | ||||
| 58A | 890718 | |||
| Resorte del gatillo | ||||
| 59 | 329104 | 1.80 | 2.18 | |
| No hay información disponible, no se puede pedir | ||||
| 60 | 329103 | |||
| PERILLA DE BLOQUEO | ||||
| 61 | 329100 | 1.80 | 2.18 | |
| PALANCA DE EMPUJE (D) | ||||
| 62 | 339111 | 1.65 | 2.00 | |
| ANILLO TOPE | ||||
| 63 | 874759 | 1.04 | 1.26 | |
| REGULADOR | ||||
| 64 | 884221 | 7.80 | 9.44 | |
| No hay información disponible, no se puede pedir | ||||
| 65 | 339086 | |||
| PALANCA DE EMPUJE (C) | ||||
| 65A | 376163 | 4.20 | 5.08 | |
| PALANCA DE EMPUJE (B) | ||||
| 66 | 339085 | 1.04 | 1.26 | |
| ANILLO TOPE | ||||
| 67 | 872971 | 1.05 | 1.27 | |
| Pasador rodante D2x16 | ||||
| 68 | 880093 | 1.04 | 1.26 | |
| Rodillo de aguja | ||||
| 69 | 329108 | 1.80 | 2.18 | |
| Pieza del Gatillo | ||||
| 70 | 882896 | 1.65 | 2.00 | |
| Muelle | ||||
| 71 | 324489 | 1.65 | 2.00 | |
| Pasador de rodillo D2.5x16 | ||||
| 72 | 881951 | 1.80 | 2.18 | |
| Anillo de Detención H25pv | ||||
| 73 | 339091 | 1.04 | 1.26 | |
| Primera marcha | ||||
| 74 | 339089 | 1.95 | 2.36 | |
| PORTAENGRANAJE | ||||
| 75 | 339092 | 18.56 | 22.46 | |
| CAJA DE ENGRANAJES | ||||
| 76 | 370647 | 1.80 | 2.18 | |
| EJE DE PRIMERA MARCHA | ||||
| 77 | 370648 | 7.50 | 9.08 | |
| LLAVE 3X3X6 | ||||
| 78 | 339090 | 1.04 | 1.26 | |
| Arandela (a) | ||||
| 79 | 327147 | 1.65 | 2.00 | |
| Leva de bloqueo | ||||
| 80 | 370649 | 1.04 | 1.26 | |
| Set de rodillos de aguja (6pcs.) | ||||
| 81 | 329560 | 1.80 | 2.18 | |
| Arandela | ||||
| 82 | 673489 | 1.04 | 1.26 | |
| Anillo, Retención | ||||
| 83 | 329559 | 6.75 | 8.17 | |
| Engranaje de Anillo | ||||
| 84 | 329562 | 1.80 | 2.18 | |
| PASADOR | ||||
| 85 | 329565 | 1.80 | 2.18 | |
| Impulsor | ||||
| 86 | 329561 | 3.45 | 4.17 | |
| Set de piñones planetarios (c) (3 piezas) | ||||
| 87 | 329563 | 1.80 | 2.18 | |
| No hay información disponible, no se puede pedir | ||||
| 88 | 329564 | |||
| Piñón (c) | ||||
| 89 | 329566 | 1.80 | 2.18 | |
| No hay información disponible, no se puede pedir | ||||
| 90 | 329568 | |||
| Arandela (b) Ds9dva/ds12dva/ds14dv Ds14dva/ds14dvb | ||||
| 91 | 329567 | 1.80 | 2.18 | |
| No hay información disponible, no se puede pedir | ||||
| 92 | 329569 | |||
| No hay información disponible, no se puede pedir | ||||
| 93 | 329571 | |||
| Primera Engranaje de Anillo | ||||
| 94 | 329570 | 1.80 | 2.18 | |
| Arandela (a) | ||||
| 95 | 329572 | 1.80 | 2.18 | |
| Separador del Motor | ||||
| 96 | 329573 | 1.80 | 2.18 | |
| MOTOR | ||||
| 97 | 339069 | 13.50 | 16.34 | |
| No hay información disponible, no se puede pedir | ||||
| 98 | 339782 | |||
| Tornillo autoperforante D3x12 (negro) | ||||
| 99 | 334333 | 1.80 | 2.18 | |
| Arandela de perno M3 (10 piezas) | ||||
| 100 | 949430 | 1.04 | 1.26 | |
| MICRO INTERRUPTOR (B) | ||||
| 101 | 370645 | 8.10 | 9.80 | |
| PLACA DE EMBRAGUE | ||||
| 102 | 370635 | 1.04 | 1.26 | |
| MUELLE EMBRAGUE | ||||
| 103 | 339096 | 1.04 | 1.26 | |
| INTERRUPTOR (B) ASS'Y | ||||
| 104 | 372873 | 67.10 | 81.19 | |
| CASA (A) | ||||
| 105 | 339068 | 17.74 | 21.46 | |
| Tuerca de Nylon M5 | ||||
| 106 | 877371 | 1.05 | 1.27 | |
| Gancho (1) | ||||
| 107 | 336372 | 7.35 | 8.89 | |
| GANCHO | ||||
| 107A | 372229 | 2.85 | 3.45 | |
| Tornillo M4 | ||||
| 108 | 327001 | 1.80 | 2.18 | |
| Conjunto de caja de cambios | ||||
| 109 | 339097 | 17.46 | 21.13 | |
| No hay información disponible, no se puede pedir | ||||
| 110 | 339110 | |||
| BARRA DE GUIADO (B) | ||||
| 111 | 373102 | 1.05 | 1.27 | |
| CONJUNTO DE BARRA DE GUÍA | ||||
| 112 | 373103 | 1.05 | 1.27 | |
| Set de eje de tope | ||||
| 114 | 375910 | 4.65 | 5.63 | |
| NOSE CAP (A) | ||||
| 115 | 377009 | 1.00 | 1.21 | |
| No hay información disponible, no se puede pedir | ||||
| 501 | 875769 | |||
| No hay información disponible, no se puede pedir | ||||
| 502 | 943277 | |||
| No hay información disponible, no se puede pedir | ||||
| 503 | 371108 | |||
| Tapa protectora para batería | ||||
| 505 | 329897 | 1.80 | 2.18 | |