Aquí encontrará todas las piezas y dibujos técnicos disponibles de 'Hikoki NT1865DMA'. Desde aquí podrá pedir todas las piezas deseadas directamente. Para muchas piezas de repuesto, es necesario pasar un pedido al fabricante. Dependiendo de la marca, el plazo de entrega puede variar entre una y cuatro semanas. Toda la información que tenemos está en nuestro sitio web. No podremos aconsejarle sobre lo que necesita hasta que entregue la máquina para su reparación. Tenga en cuenta lo siguiente a la hora de cursar su pedido:
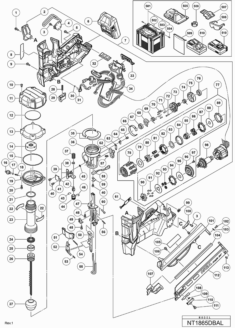
Dibujo técnico de los/las Hikoki NT1865DMA
Lista de las piezas de repuesto de Hikoki NT1865DMA
| Pos. | Descripción | Precio con el IVA excluido | Precio con el IVA incluido | |
| Los precios mostrados incluyen el IVA | ||||
| No hay información disponible, no se puede pedir | ||||
| *505 | 371108M | |||
| No hay información disponible, no se puede pedir | ||||
| *7B | 371009 | |||
| Hd. Perno M5x16 (con arandela) | ||||
| 1 | 880219 | 1.05 | 1.27 | |
| CARCASA (C) | ||||
| 2 | 371225 | 1.20 | 1.45 | |
| Tornillo de Cabeza Baja Hexagonal M4x8 | ||||
| 3 | 331109 | 1.80 | 2.18 | |
| Gancho (1) | ||||
| 4 | 371214 | 12.45 | 15.06 | |
| Tornillo de roscado D4x20 con brida (negro) | ||||
| 5 | 301653 | 1.04 | 1.26 | |
| No hay información disponible, no se puede pedir | ||||
| 6 | 339783 | |||
| No hay información disponible, no se puede pedir | ||||
| 6A | 377797M | |||
| No hay información disponible, no se puede pedir | ||||
| 7 | 371009 | |||
| Tornillo D4x20 (Corbata plástica) | ||||
| 9 | 994806 | 1.04 | 1.26 | |
| TORNILLO DE CABEZA HEXAGONAL M5 | ||||
| 10 | 371015 | 1.04 | 1.26 | |
| Cubierta Superior | ||||
| 11 | 371014 | 6.45 | 7.80 | |
| COJÍN DE GOMA (C) | ||||
| 12 | 371012 | 1.35 | 1.63 | |
| TAPA DE LA CÁMARA | ||||
| 13 | 371035 | 20.35 | 24.62 | |
| Tuerca especial M36 | ||||
| 14 | 371040 | 11.10 | 13.43 | |
| O-RING (D.I. 79,5) | ||||
| 15 | 371037 | 2.40 | 2.90 | |
| No hay información disponible, no se puede pedir | ||||
| 16 | 371039 | |||
| CHARGE CAP | ||||
| 16B | 377913 | 1.38 | 1.67 | |
| Anillo-O (s-5) | ||||
| 17 | 872822 | 3.00 | 3.63 | |
| Nucleo de la válvula | ||||
| 18 | 371038 | 3.30 | 3.99 | |
| No hay información disponible, no se puede pedir | ||||
| 19 | 371036 | |||
| BASE DE CÁMARA NUEVA | ||||
| 19A | 376548 | 27.09 | 32.78 | |
| Tornillo Hexagonal M5x18 (10 Pcs) | ||||
| 20 | 949658 | 1.80 | 2.18 | |
| O-RING (D.I. 32,99) | ||||
| 21 | 371042 | 1.35 | 1.63 | |
| Cojín de goma (b) | ||||
| 22 | 371011 | 1.04 | 1.26 | |
| CILINDRO | ||||
| 23 | 371041 | 47.71 | 57.73 | |
| Anillo X | ||||
| 24 | 371046 | 4.50 | 5.44 | |
| Anillo deslizante | ||||
| 25 | 371047 | 19.53 | 23.63 | |
| PISTÓN | ||||
| 26 | 371045 | 156.20 | 189.00 | |
| AMORTIGUADOR DE PISTÓN | ||||
| 27 | 371048 | 31.35 | 37.93 | |
| Resorte (t) | ||||
| 28 | 332000 | 1.80 | 2.18 | |
| GATILLO | ||||
| 29 | 371021 | 1.04 | 1.26 | |
| O-RING (I.D. 2.5) | ||||
| 30 | 371020 | 1.04 | 1.26 | |
| CABLE DE INTERRUPTOR (A) | ||||
| 31 | 371019 | 10.05 | 12.16 | |
| Cojín de goma | ||||
| 32 | 332668 | 2.10 | 2.54 | |
| Goma de Terminal (a) | ||||
| 33 | 370728 | 2.55 | 3.09 | |
| CABLEADO | ||||
| 34 | 372187 | 150.01 | 181.52 | |
| Goma de Terminal (a) | ||||
| 34 | 370728 | 2.55 | 3.09 | |
| Cojín de goma (a) | ||||
| 35 | 371010 | 1.04 | 1.26 | |
| NARIZ | ||||
| 36 | 371050 | 54.45 | 65.88 | |
| Resorte, acero inoxidable | ||||
| 37 | 371067 | 1.04 | 1.26 | |
| Tuerca de Nylon M5 | ||||
| 38 | 877371 | 1.05 | 1.27 | |
| PALANCA DE EMPUJE BRAZO ASS'Y | ||||
| 39 | 371064 | 9.90 | 11.98 | |
| Sello Bloqueo Hexágono. Perno M3x6 | ||||
| 40 | 325077 | 1.65 | 2.00 | |
| SOPORTE DE PALANCA DE BRAZO EMPUJADOR | ||||
| 41 | 371058 | 1.04 | 1.26 | |
| PIEZA DE PALANCA DE EMPUJE | ||||
| 42 | 371065 | 3.15 | 3.81 | |
| Resorte de trinquete | ||||
| 43 | 881765 | 1.95 | 2.36 | |
| REGULADOR | ||||
| 44 | 887358 | 2.10 | 2.54 | |
| ARANDELA D4 | ||||
| 45 | 371062 | 1.04 | 1.26 | |
| SOPORTE DE PALANCA DE BRAZO EMPUJADOR (B) | ||||
| 46 | 371061 | 6.60 | 7.99 | |
| Resorte de trinquete | ||||
| 46 | 886331 | 1.05 | 1.27 | |
| GUÍA DE HOJA | ||||
| 47 | 371057 | 62.56 | 75.70 | |
| Sello de bloqueo Tornillo Allen M4x12 | ||||
| 47 | 886311 | 1.05 | 1.27 | |
| Sello de bloqueo Tornillo Allen M4x12 | ||||
| 48 | 886311 | 1.05 | 1.27 | |
| Resorte de trinquete | ||||
| 48 | 886331 | 1.05 | 1.27 | |
| GUÍA DE HOJA | ||||
| 49 | 371057 | 62.56 | 75.70 | |
| SOPORTE DE PALANCA DE BRAZO EMPUJADOR (B) | ||||
| 49 | 371061 | 6.60 | 7.99 | |
| PLACA DE GUIADO | ||||
| 50 | 371070 | 37.81 | 45.75 | |
| CUBIERTA DE LA PALANCA DE BLOQUEO | ||||
| 51 | 371079 | 1.04 | 1.26 | |
| PALANCA DE BLOQUEO | ||||
| 52 | 371076 | 5.85 | 7.08 | |
| Pin de rodillo D3x16 (10 piezas) | ||||
| 53 | 949496 | 1.65 | 2.00 | |
| PASADOR DE RODILLO D3X32 | ||||
| 54 | 371080 | 1.04 | 1.26 | |
| Palanca de Empuje | ||||
| 55 | 371083 | 12.00 | 14.52 | |
| PASADOR RODANTE D3X22 | ||||
| 56 | 371077 | 1.04 | 1.26 | |
| WIRE BAND | ||||
| 57 | 6696839 | 1.08 | 1.31 | |
| SENSOR (B) | ||||
| 58 | 371022 | 11.55 | 13.98 | |
| SOPORTE DEL SENSOR (A) | ||||
| 59 | 371052 | 1.04 | 1.26 | |
| PASADOR DE GUIA | ||||
| 60 | 371073 | 1.04 | 1.26 | |
| Palanca (c) | ||||
| 61 | 331790 | 1.80 | 2.18 | |
| SENSOR (C) | ||||
| 62 | 371023 | 8.70 | 10.53 | |
| SOPORTE DEL SENSOR (A) | ||||
| 62 | 371053 | 1.04 | 1.26 | |
| SENSOR (C) | ||||
| 63 | 371023 | 8.70 | 10.53 | |
| SOPORTE DEL SENSOR (B) | ||||
| 63 | 371054 | 1.04 | 1.26 | |
| SOPORTE DEL SENSOR (B) | ||||
| 64 | 371054 | 1.04 | 1.26 | |
| SOPORTE DEL SENSOR (A) | ||||
| 64 | 371053 | 1.04 | 1.26 | |
| Tornillo de cabeza hexagonal Seal Lock M3x8 | ||||
| 65 | 325241 | 1.65 | 2.00 | |
| ANILLO DE ESCUDO | ||||
| 66 | 371051 | 1.04 | 1.26 | |
| RODAMIENTO DE BOLAS | ||||
| 67 | 371033 | 3.15 | 3.81 | |
| ARANDELA (A) | ||||
| 68 | 371032 | 1.04 | 1.26 | |
| MUELLE DE RUEDA (A) | ||||
| 69 | 371027 | 1.04 | 1.26 | |
| RODILLO DE AGUJA D3 | ||||
| 70 | 371030 | 1.04 | 1.26 | |
| RODILLO DE AGUJA D4.5 | ||||
| 71 | 371031 | 1.04 | 1.26 | |
| Pasador (a) | ||||
| 72 | 371029 | 1.20 | 1.45 | |
| RUEDA PIN | ||||
| 73 | 371026 | 77.96 | 94.33 | |
| MUELLE DE RUEDA (B) | ||||
| 74 | 371028 | 1.04 | 1.26 | |
| DETECTOR DE POSICIÓN | ||||
| 75 | 371034 | 4.50 | 5.44 | |
| No hay información disponible, no se puede pedir | ||||
| 76 | 6901VV | |||
| Conjunto de caja de cambios | ||||
| 77 | 371025 | 33.55 | 40.60 | |
| ROTOR | ||||
| 98 | 361054 | 37.95 | 45.92 | |
| Deslizar * | ||||
| 99 | 326276 | 1.05 | 1.27 | |
| SOPORTE DE REVISTA | ||||
| 100 | 371093 | 1.35 | 1.63 | |
| PORTADA DE REVISTA | ||||
| 101 | 371085 | 15.26 | 18.47 | |
| Tornillo de Máquina M5x15 Negro | ||||
| 102 | 885997 | 1.05 | 1.27 | |
| Arandela M5 (antiguo 949431z, 10 piezas) | ||||
| 103 | 949431 | 1.04 | 1.26 | |
| Carril de uñas | ||||
| 104 | 886591 | 8.25 | 9.98 | |
| No hay información disponible, no se puede pedir | ||||
| 106 | 307811 | |||
| ALIMENTADOR DE CLAVOS (B) | ||||
| 107 | 371090 | 19.66 | 23.79 | |
| TOPE EMPUJADOR (A) | ||||
| 108 | 371091 | 1.04 | 1.26 | |
| Resorte del Tope de Empuje | ||||
| 109 | 886619 | 1.05 | 1.27 | |
| Cubierta del Tope de Empuje | ||||
| 110 | 886616 | 1.20 | 1.45 | |
| Tornillos de corte D3x10 (negro) | ||||
| 111 | 306371 | 1.04 | 1.26 | |
| TAPSCHROEF D3 ZWART MET RING (OUD 887464/306371) | ||||
| 111A | 382272 | 1.00 | 1.21 | |
| REVISTA | ||||
| 112 | 371226 | 18.70 | 22.63 | |
| Tuerca de Nylon M5 | ||||
| 113 | 877371 | 1.05 | 1.27 | |
| HOJA DE PANEL | ||||
| 114 | 373658 | 1.65 | 2.00 | |
| No hay información disponible, no se puede pedir | ||||
| 501 | 337528 | |||
| No hay información disponible, no se puede pedir | ||||
| 502 | 875769 | |||
| Tapa protectora para batería | ||||
| 503 | 329897 | 1.80 | 2.18 | |
| TAPA DE NARIZ NEGRA 3MM | ||||
| 504 | 371094 | 2.70 | 3.27 | |
| No hay información disponible, no se puede pedir | ||||
| 505 | 371895 | |||
| TAPA DE NARIZ NEGRA 3MM | ||||
| 506 | 371094 | 2.70 | 3.27 | |
| Tapa protectora para batería | ||||
| 507 | 329897 | 1.80 | 2.18 | |
| No hay información disponible, no se puede pedir | ||||
| 508 | 875769 | |||
| Tela de la bolsa | ||||
| 509 | 6698667 | 1.98 | 2.39 | |
| GANCHO | ||||
| 601 | 372992 | 14.73 | 17.82 | |
| No hay información disponible, no se puede pedir | ||||
| 602 | 375605 | |||