Aquí encontrará todas las piezas y dibujos técnicos disponibles de 'Hikoki NT65GA'. Desde aquí podrá pedir todas las piezas deseadas directamente. Para muchas piezas de repuesto, es necesario pasar un pedido al fabricante. Dependiendo de la marca, el plazo de entrega puede variar entre una y cuatro semanas. Toda la información que tenemos está en nuestro sitio web. No podremos aconsejarle sobre lo que necesita hasta que entregue la máquina para su reparación. Tenga en cuenta lo siguiente a la hora de cursar su pedido:
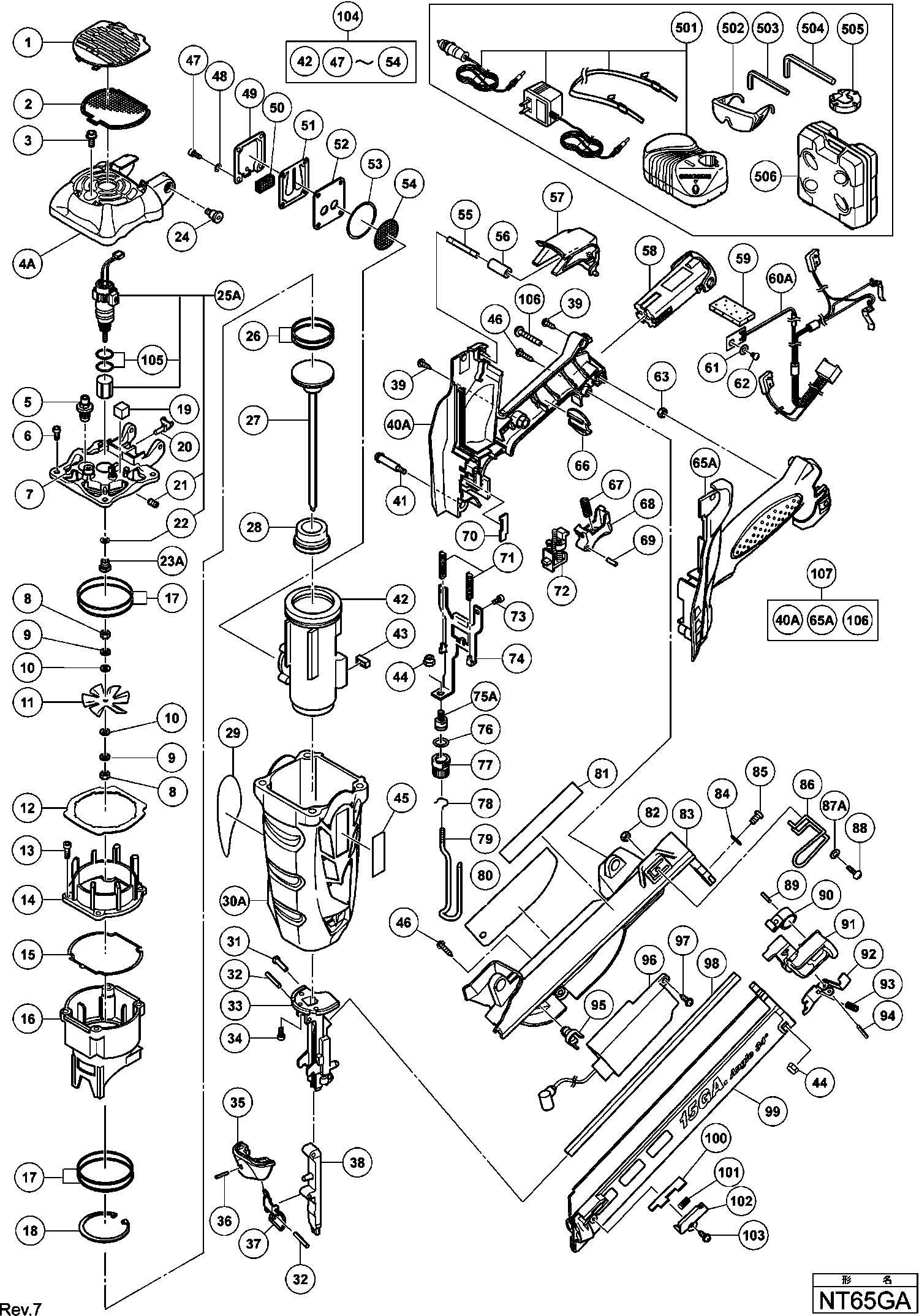
Dibujo técnico de los/las Hikoki NT65GA
Lista de las piezas de repuesto de Hikoki NT65GA
| Pos. | Descripción | Precio con el IVA excluido | Precio con el IVA incluido | |
| Los precios mostrados incluyen el IVA | ||||
| No hay información disponible, no se puede pedir | ||||
| *45 | 886342M | |||
| Cubierta de Filtro | ||||
| 1 | 886664 | 1.05 | 1.27 | |
| Filtro | ||||
| 2 | 886344 | 10.20 | 12.34 | |
| Tornillo M5x10 | ||||
| 3 | 886347 | 1.05 | 1.27 | |
| TAPA SUPERIOR | ||||
| 4 | 886335 | 3.15 | 3.81 | |
| Bujía | ||||
| 5 | 885333 | 3.30 | 3.99 | |
| Tornillo Hexagonal Hd M4x12 | ||||
| 6 | 880630 | 1.05 | 1.27 | |
| Tapa del cilindro | ||||
| 7 | 886661 | 20.90 | 25.29 | |
| Tuerca M3 (10 Piezas) | ||||
| 8 | 949553 | 1.04 | 1.26 | |
| Arandela de resorte M3 (10 piezas) | ||||
| 9 | 949451 | 1.05 | 1.27 | |
| Anillo M3 (10 piezas) | ||||
| 10 | 949422 | 1.04 | 1.26 | |
| JUNTA | ||||
| 11 | 886309 | 2.10 | 2.54 | |
| Empaque de goma | ||||
| 12 | 886568 | 1.05 | 1.27 | |
| Tornillo de cabeza hexagonal interior M4x16 | ||||
| 13 | 949754 | 2.40 | 2.90 | |
| No hay información disponible, no se puede pedir | ||||
| 14 | 886609 | |||
| EMPAQUETADURA DEL SELLADO | ||||
| 15 | 886296 | 1.05 | 1.27 | |
| Cámara | ||||
| 16 | 886297 | 10.65 | 12.89 | |
| Anillo de pistón | ||||
| 17 | 886312 | 2.10 | 2.54 | |
| Arandela D40 | ||||
| 18 | 886298 | 1.05 | 1.27 | |
| Junta | ||||
| 19 | 886315 | 1.05 | 1.27 | |
| Adaptador CMS-OF | ||||
| 20 | 886313 | 1.05 | 1.27 | |
| Tornillo hexagonal interno M4x5 | ||||
| 21 | 886314 | 1.05 | 1.27 | |
| Anillo de goma (1) | ||||
| 22 | 886567 | 1.05 | 1.27 | |
| Cubierta TURBO II | ||||
| 23A | 887890 | 2.10 | 2.54 | |
| Tornillo especial M5 | ||||
| 24 | 886566 | 1.05 | 1.27 | |
| MOTOR | ||||
| 25A | 887446 | 104.50 | 126.44 | |
| Anillo de pistón | ||||
| 26 | 886286 | 4.20 | 5.08 | |
| No hay información disponible, no se puede pedir | ||||
| 27 | 886585 | |||
| Tope de pistón | ||||
| 28 | 886289 | 2.10 | 2.54 | |
| No hay información disponible, no se puede pedir | ||||
| 29 | 888753 | |||
| Caja de carcasa DUO 110 - Conjunto | ||||
| 30A | 331425 | 12.90 | 15.61 | |
| No hay información disponible, no se puede pedir | ||||
| 31 | 886610 | |||
| Pin de rodillo D3x16 (10 piezas) | ||||
| 32 | 949496 | 1.65 | 2.00 | |
| No hay información disponible, no se puede pedir | ||||
| 33 | 886611 | |||
| Sello de bloqueo Tornillo Allen M4x12 | ||||
| 34 | 886311 | 1.05 | 1.27 | |
| No hay información disponible, no se puede pedir | ||||
| 35 | 886587 | |||
| Pasador D3x10 (10 piezas) | ||||
| 36 | 949776 | 2.40 | 2.90 | |
| No hay información disponible, no se puede pedir | ||||
| 37 | 886586 | |||
| No hay información disponible, no se puede pedir | ||||
| 37A | 887466 | |||
| No hay información disponible, no se puede pedir | ||||
| 38 | 886612 | |||
| Tornillo Autoperforante (con brida) D4x16 (negro) | ||||
| 39 | 305812 | 1.04 | 1.26 | |
| No hay información disponible, no se puede pedir | ||||
| 40A | 886317 | |||
| Tornillo M4x32 | ||||
| 41 | 886565 | 1.05 | 1.27 | |
| CILINDRO | ||||
| 42 | 886584 | 32.31 | 39.10 | |
| Caucho | ||||
| 43 | 886285 | 1.05 | 1.27 | |
| Tuerca de Nylon M5 | ||||
| 44 | 877371 | 1.05 | 1.27 | |
| Placa de Marca | ||||
| 45 | 886342 | 1.80 | 2.18 | |
| Tornillo autoperforante (con brida) D4x20 (negro) | ||||
| 46 | 302086 | 1.05 | 1.27 | |
| Cerradura de sellado Hd. Tornillo Allen M4x8 | ||||
| 47 | 886307 | 1.05 | 1.27 | |
| Resorte H8 | ||||
| 48 | 886319 | 1.05 | 1.27 | |
| Cubierta del amortiguador | ||||
| 49 | 886287 | 4.20 | 5.08 | |
| SILENCIADOR | ||||
| 50 | 886288 | 2.10 | 2.54 | |
| Junta | ||||
| 51 | 886290 | 3.15 | 3.81 | |
| PLACA DE AMORTIGUACIÓN | ||||
| 52 | 886293 | 2.10 | 2.54 | |
| Anillo O | ||||
| 53 | 886294 | 1.05 | 1.27 | |
| Filtro de polvo para H70sa | ||||
| 54 | 886292 | 3.30 | 3.99 | |
| PASADOR | ||||
| 55 | 886332 | 1.05 | 1.27 | |
| Casquillo de goma | ||||
| 56 | 886333 | 1.05 | 1.27 | |
| Tapa | ||||
| 57 | 886326 | 2.10 | 2.54 | |
| No hay información disponible, no se puede pedir | ||||
| 58 | 326263 | |||
| Soporte | ||||
| 59 | 886316 | 1.05 | 1.27 | |
| Cableado (antiguo 886321) | ||||
| 60A | 887635 | 72.19 | 87.35 | |
| Anillo M4 (10 piezas) | ||||
| 61 | 949423 | 1.05 | 1.27 | |
| Tornillo de máquina M4x10 (10 piezas) (ANTIGUO 949 | ||||
| 62 | 949216 | 1.05 | 1.27 | |
| Tuerca de bloqueo M4 (negro) | ||||
| 63 | 886330 | 1.05 | 1.27 | |
| No hay información disponible, no se puede pedir | ||||
| 65A | 886323 | |||
| Soporte de Terminal | ||||
| 66 | 326316 | 1.05 | 1.27 | |
| Soporte de Terminal | ||||
| 66A | 326316 | 1.05 | 1.27 | |
| Resorte del gatillo | ||||
| 67 | 886328 | 1.05 | 1.27 | |
| Interruptor | ||||
| 68 | 886327 | 1.05 | 1.27 | |
| Pasador D3x20 (10 Piezas) | ||||
| 69 | 949890 | 1.80 | 2.18 | |
| Placa de cubierta | ||||
| 70 | 886324 | 1.05 | 1.27 | |
| Muelle | ||||
| 71 | 886301 | 1.05 | 1.27 | |
| Detenedor del gatillo | ||||
| 72 | 886552 | 3.15 | 3.81 | |
| Tornillo Allen M4x10 autobloqueante | ||||
| 73 | 886308 | 1.05 | 1.27 | |
| No hay información disponible, no se puede pedir | ||||
| 74 | 886613 | |||
| Pieza de palanca de empuje B # 9r192301 | ||||
| 75A | 887035 | 3.15 | 3.81 | |
| Anillo O (s-8) | ||||
| 76 | 992912 | 1.05 | 1.27 | |
| REGULADOR | ||||
| 77 | 886338 | 2.10 | 2.54 | |
| Resorte de trinquete | ||||
| 78 | 886331 | 1.05 | 1.27 | |
| No hay información disponible, no se puede pedir | ||||
| 79 | 886589 | |||
| Etiqueta de advertencia (c) | ||||
| 80 | 888774 | 1.04 | 1.26 | |
| ETIQUETA DE PRECAUCIÓN (A) | ||||
| 81 | 888761 | 1.04 | 1.26 | |
| No hay información disponible, no se puede pedir | ||||
| 82 | 886614 | |||
| No hay información disponible, no se puede pedir | ||||
| 83 | 886592 | |||
| Arandela M5 (antiguo 949431z, 10 piezas) | ||||
| 84 | 949431 | 1.04 | 1.26 | |
| Tornillo de Máquina M5x15 Negro | ||||
| 85 | 885997 | 1.05 | 1.27 | |
| GANCHO | ||||
| 86 | 886345 | 3.15 | 3.81 | |
| Arandela | ||||
| 87A | 887036 | 1.05 | 1.27 | |
| Tornillo Hd. Truss M4 (negro) Excepto Para Europa | ||||
| 88 | 886346 | 1.05 | 1.27 | |
| Pin de rodillo D3x16 (10 piezas) | ||||
| 89 | 949496 | 1.65 | 2.00 | |
| Resorte de Hoja | ||||
| 90 | 881755 | 3.30 | 3.99 | |
| Alimentación de clavos | ||||
| 91 | 886340 | 2.10 | 2.54 | |
| No hay información disponible, no se puede pedir | ||||
| 92 | 886590 | |||
| Muelle | ||||
| 93 | 886604 | 1.05 | 1.27 | |
| Pasador de rodillos D2.5x26 (antiguo 886334) | ||||
| 94 | 886605 | 1.05 | 1.27 | |
| PRISMA | ||||
| 95 | 886322 | 1.05 | 1.27 | |
| REGULADOR | ||||
| 96 | 886320 | 72.33 | 87.51 | |
| Tornillo con brida D4x12 (negro) | ||||
| 97 | 325083 | 1.65 | 2.00 | |
| Carril de uñas | ||||
| 98 | 886591 | 8.25 | 9.98 | |
| No hay información disponible, no se puede pedir | ||||
| 99 | 886588 | |||
| No hay información disponible, no se puede pedir | ||||
| 100 | 886615 | |||
| Resorte del Tope de Empuje | ||||
| 101 | 886619 | 1.05 | 1.27 | |
| Cubierta del Tope de Empuje | ||||
| 102 | 886616 | 1.20 | 1.45 | |
| Tornillos de corte D3x10 (negro) | ||||
| 103 | 306371 | 1.04 | 1.26 | |
| No hay información disponible, no se puede pedir | ||||
| 104 | 886618 | |||
| Anillo O (s-12) | ||||
| 105 | 875638 | 1.65 | 2.00 | |
| Tornillo M4x25 Negro | ||||
| 106 | 887034 | 1.05 | 1.27 | |
| Juego de asas (antiguo 886317+886323) | ||||
| 107 | 331424 | 18.15 | 21.96 | |
| No hay información disponible, no se puede pedir | ||||
| 502 | 875769 | |||
| No hay información disponible, no se puede pedir | ||||
| 503 | 943277 | |||
| No hay información disponible, no se puede pedir | ||||
| 504 | 944458 | |||
| Tapa de nariz | ||||
| 505 | 886349 | 1.65 | 2.00 | |
| No hay información disponible, no se puede pedir | ||||
| 506 | 886617 | |||