Aquí encontrará todas las piezas y dibujos técnicos disponibles de 'Hikoki NT65GS'. Desde aquí podrá pedir todas las piezas deseadas directamente. Para muchas piezas de repuesto, es necesario pasar un pedido al fabricante. Dependiendo de la marca, el plazo de entrega puede variar entre una y cuatro semanas. Toda la información que tenemos está en nuestro sitio web. No podremos aconsejarle sobre lo que necesita hasta que entregue la máquina para su reparación. Tenga en cuenta lo siguiente a la hora de cursar su pedido:
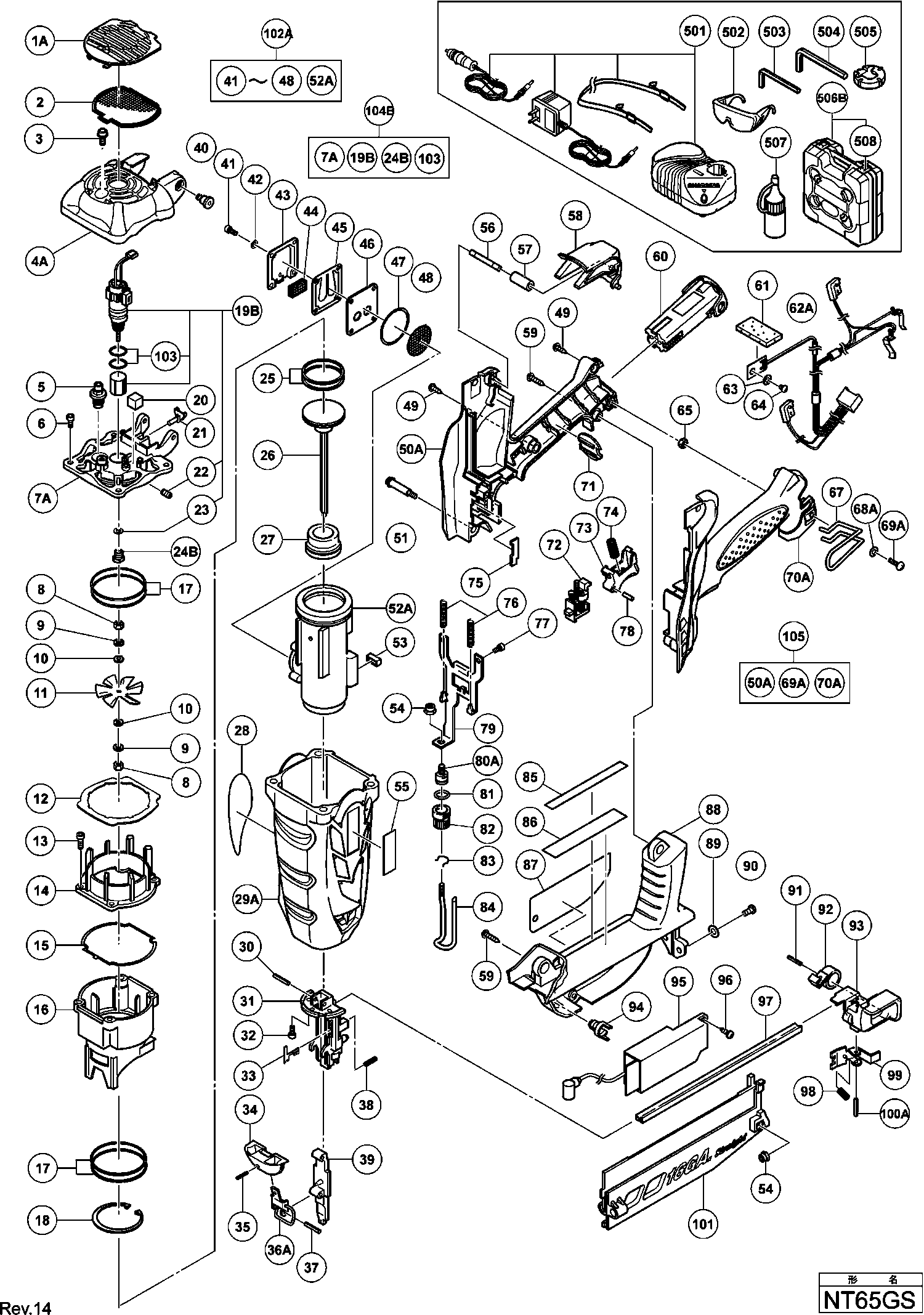
Dibujo técnico de los/las Hikoki NT65GS
Lista de las piezas de repuesto de Hikoki NT65GS
| Pos. | Descripción | Precio con el IVA excluido | Precio con el IVA incluido | |
| Los precios mostrados incluyen el IVA | ||||
| No hay información disponible, no se puede pedir | ||||
| *60 | 326299 | |||
| Cubierta de Filtro | ||||
| 1A | 886664 | 1.05 | 1.27 | |
| Filtro | ||||
| 2 | 886344 | 10.20 | 12.34 | |
| Tornillo M5x10 | ||||
| 3 | 886347 | 1.05 | 1.27 | |
| TAPA SUPERIOR | ||||
| 4A | 886335 | 3.15 | 3.81 | |
| Bujía | ||||
| 5 | 885333 | 3.30 | 3.99 | |
| Tornillo Hexagonal Hd M4x12 | ||||
| 6 | 880630 | 1.05 | 1.27 | |
| Tapa del cilindro | ||||
| 7A | 886661 | 20.90 | 25.29 | |
| Tuerca M3 (10 Piezas) | ||||
| 8 | 949553 | 1.04 | 1.26 | |
| Arandela de resorte M3 (10 piezas) | ||||
| 9 | 949451 | 1.05 | 1.27 | |
| Anillo M3 (10 piezas) | ||||
| 10 | 949422 | 1.04 | 1.26 | |
| JUNTA | ||||
| 11 | 886309 | 2.10 | 2.54 | |
| Empaque de goma | ||||
| 12 | 886568 | 1.05 | 1.27 | |
| Tornillo de cabeza hexagonal interior M4x16 | ||||
| 13 | 949754 | 2.40 | 2.90 | |
| CUBIERTA | ||||
| 14 | 886295 | 9.15 | 11.07 | |
| EMPAQUETADURA DEL SELLADO | ||||
| 15 | 886296 | 1.05 | 1.27 | |
| Cámara | ||||
| 16 | 886297 | 10.65 | 12.89 | |
| Anillo de pistón | ||||
| 17 | 886312 | 2.10 | 2.54 | |
| Arandela D40 | ||||
| 18 | 886298 | 1.05 | 1.27 | |
| MOTOR | ||||
| 19B | 887446 | 104.50 | 126.44 | |
| Junta | ||||
| 20 | 886315 | 1.05 | 1.27 | |
| Adaptador CMS-OF | ||||
| 21 | 886313 | 1.05 | 1.27 | |
| Tornillo hexagonal interno M4x5 | ||||
| 22 | 886314 | 1.05 | 1.27 | |
| Anillo de goma (1) | ||||
| 23 | 886567 | 1.05 | 1.27 | |
| Cubierta TURBO II | ||||
| 24B | 887890 | 2.10 | 2.54 | |
| Anillo de pistón | ||||
| 25 | 886286 | 4.20 | 5.08 | |
| Pasador de golpe | ||||
| 26 | 886291 | 22.83 | 27.62 | |
| Tope de pistón | ||||
| 27 | 886289 | 2.10 | 2.54 | |
| No hay información disponible, no se puede pedir | ||||
| 28 | 888773 | |||
| Caja de carcasa DUO 110 - Conjunto | ||||
| 29A | 331425 | 12.90 | 15.61 | |
| PASADOR | ||||
| 30 | 886310 | 1.05 | 1.27 | |
| VARILLA | ||||
| 31 | 886302 | 18.84 | 22.79 | |
| Sello de bloqueo Tornillo Allen M4x12 | ||||
| 32 | 886311 | 1.05 | 1.27 | |
| Placa de bloqueo nueva | ||||
| 33 | 886304 | 1.05 | 1.27 | |
| Tapa del Tapon H90sc/se | ||||
| 34 | 886570 | 2.10 | 2.54 | |
| Pasador D3x10 (10 piezas) | ||||
| 35 | 949776 | 2.40 | 2.90 | |
| Palanca de captura | ||||
| 36A | 887453 | 4.20 | 5.08 | |
| Pin de rodillo D3x16 (10 piezas) | ||||
| 37 | 949496 | 1.65 | 2.00 | |
| MUELLE DE RETENCIÓN OSC 18 | ||||
| 38 | 886305 | 1.05 | 1.27 | |
| Placa de guía | ||||
| 39 | 886303 | 12.90 | 15.61 | |
| Tornillo especial M5 | ||||
| 40 | 886566 | 1.05 | 1.27 | |
| Cerradura de sellado Hd. Tornillo Allen M4x8 | ||||
| 41 | 886307 | 1.05 | 1.27 | |
| Resorte H8 | ||||
| 42 | 886319 | 1.05 | 1.27 | |
| Cubierta del amortiguador | ||||
| 43 | 886287 | 4.20 | 5.08 | |
| SILENCIADOR | ||||
| 44 | 886288 | 2.10 | 2.54 | |
| Junta | ||||
| 45 | 886290 | 3.15 | 3.81 | |
| PLACA DE AMORTIGUACIÓN | ||||
| 46 | 886293 | 2.10 | 2.54 | |
| Anillo O | ||||
| 47 | 886294 | 1.05 | 1.27 | |
| Filtro de polvo para H70sa | ||||
| 48 | 886292 | 3.30 | 3.99 | |
| Tornillo Autoperforante (con brida) D4x16 (negro) | ||||
| 49 | 305812 | 1.04 | 1.26 | |
| No hay información disponible, no se puede pedir | ||||
| 50A | 886317 | |||
| Tornillo M4x32 | ||||
| 51 | 886565 | 1.05 | 1.27 | |
| CILINDRO | ||||
| 52A | 886284 | 32.31 | 39.10 | |
| Caucho | ||||
| 53 | 886285 | 1.05 | 1.27 | |
| Tuerca de Nylon M5 | ||||
| 54 | 877371 | 1.05 | 1.27 | |
| Placa de Marca | ||||
| 55 | 886342 | 1.80 | 2.18 | |
| Placa de Marca | ||||
| 55A | 886342 | 1.80 | 2.18 | |
| PASADOR | ||||
| 56 | 886332 | 1.05 | 1.27 | |
| Casquillo de goma | ||||
| 57 | 886333 | 1.05 | 1.27 | |
| Tapa | ||||
| 58 | 886326 | 2.10 | 2.54 | |
| Tornillo autoperforante (con brida) D4x20 (negro) | ||||
| 59 | 302086 | 1.05 | 1.27 | |
| No hay información disponible, no se puede pedir | ||||
| 60 | 326299 | |||
| Soporte | ||||
| 61 | 886316 | 1.05 | 1.27 | |
| Cableado (antiguo 886321) | ||||
| 62A | 887635 | 72.19 | 87.35 | |
| Anillo M4 (10 piezas) | ||||
| 63 | 949423 | 1.05 | 1.27 | |
| Tornillo de máquina M4x10 (10 piezas) (ANTIGUO 949 | ||||
| 64 | 949216 | 1.05 | 1.27 | |
| Tuerca de bloqueo M4 (negro) | ||||
| 65 | 886330 | 1.05 | 1.27 | |
| GANCHO | ||||
| 67 | 886345 | 3.15 | 3.81 | |
| Arandela | ||||
| 68A | 887036 | 1.05 | 1.27 | |
| Tornillo M4x25 Negro | ||||
| 69A | 887034 | 1.05 | 1.27 | |
| No hay información disponible, no se puede pedir | ||||
| 70A | 886323 | |||
| Soporte de Terminal | ||||
| 71 | 326316 | 1.05 | 1.27 | |
| Soporte de Terminal | ||||
| 71A | 326316 | 1.05 | 1.27 | |
| Detenedor del gatillo | ||||
| 72 | 886552 | 3.15 | 3.81 | |
| Interruptor | ||||
| 73 | 886327 | 1.05 | 1.27 | |
| Resorte del gatillo | ||||
| 74 | 886328 | 1.05 | 1.27 | |
| Placa de cubierta | ||||
| 75 | 886324 | 1.05 | 1.27 | |
| Muelle | ||||
| 76 | 886301 | 1.05 | 1.27 | |
| Tornillo Allen M4x10 autobloqueante | ||||
| 77 | 886308 | 1.05 | 1.27 | |
| Pasador D3x20 (10 Piezas) | ||||
| 78 | 949890 | 1.80 | 2.18 | |
| Brazo de la palanca de empuje | ||||
| 79 | 886299 | 7.35 | 8.89 | |
| Pieza de palanca de empuje B # 9r192301 | ||||
| 80A | 887035 | 3.15 | 3.81 | |
| Anillo O (s-8) | ||||
| 81 | 992912 | 1.05 | 1.27 | |
| REGULADOR | ||||
| 82 | 886338 | 2.10 | 2.54 | |
| Resorte de trinquete | ||||
| 83 | 886331 | 1.05 | 1.27 | |
| Palanca de Empuje | ||||
| 84 | 886337 | 4.20 | 5.08 | |
| ETIQUETA DE PRECAUCIÓN (A) | ||||
| 86 | 888761 | 1.04 | 1.26 | |
| Etiqueta de advertencia (c) | ||||
| 87 | 888774 | 1.04 | 1.26 | |
| Cubierta del revista | ||||
| 88 | 886318 | 6.90 | 8.35 | |
| Arandela M5 (antiguo 949431z, 10 piezas) | ||||
| 89 | 949431 | 1.04 | 1.26 | |
| Tornillo de Máquina M5x15 Negro | ||||
| 90 | 885997 | 1.05 | 1.27 | |
| Pin de rodillo D3x16 (10 piezas) | ||||
| 91 | 949496 | 1.65 | 2.00 | |
| Resorte de Hoja | ||||
| 92 | 881755 | 3.30 | 3.99 | |
| Alimentación de clavos | ||||
| 93 | 886340 | 2.10 | 2.54 | |
| PRISMA | ||||
| 94 | 886322 | 1.05 | 1.27 | |
| REGULADOR | ||||
| 95 | 886320 | 72.33 | 87.51 | |
| Tornillo con brida D4x12 (negro) | ||||
| 96 | 325083 | 1.65 | 2.00 | |
| Riel de clavos | ||||
| 97 | 886341 | 7.35 | 8.89 | |
| Resorte de empuje | ||||
| 98 | 880321 | 1.05 | 1.27 | |
| Alimentación de clavos | ||||
| 99 | 886339 | 2.10 | 2.54 | |
| Pasador de rodillos D2.5x26 (antiguo 886334) | ||||
| 100A | 886605 | 1.05 | 1.27 | |
| REVISTA SA | ||||
| 101 | 886336 | 10.20 | 12.34 | |
| Set de cilindro | ||||
| 102A | 886550 | 45.65 | 55.24 | |
| Anillo O (s-12) | ||||
| 103 | 875638 | 1.65 | 2.00 | |
| Tapa del cilindro completa | ||||
| 104B | 887891 | 138.74 | 167.87 | |
| Juego de asas (antiguo 886317+886323) | ||||
| 105 | 331424 | 18.15 | 21.96 | |
| No hay información disponible, no se puede pedir | ||||
| 502 | 875769 | |||
| No hay información disponible, no se puede pedir | ||||
| 503 | 944458 | |||
| No hay información disponible, no se puede pedir | ||||
| 504 | 943277 | |||
| Tapa de nariz | ||||
| 505 | 886349 | 1.65 | 2.00 | |
| No hay información disponible, no se puede pedir | ||||
| 506B | 886857 | |||
| No hay información disponible, no se puede pedir | ||||
| 507 | 886036 | |||
| Palanca KA 65 | ||||
| 508 | 887996 | 1.20 | 1.45 | |