Aquí encontrará todas las piezas y dibujos técnicos disponibles de 'Hikoki NV38AB2'. Desde aquí podrá pedir todas las piezas deseadas directamente. Para muchas piezas de repuesto, es necesario pasar un pedido al fabricante. Dependiendo de la marca, el plazo de entrega puede variar entre una y cuatro semanas. Toda la información que tenemos está en nuestro sitio web. No podremos aconsejarle sobre lo que necesita hasta que entregue la máquina para su reparación. Tenga en cuenta lo siguiente a la hora de cursar su pedido:
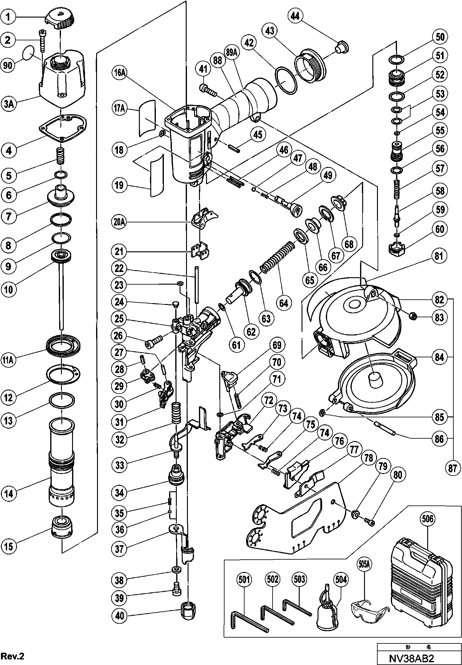
Dibujo técnico de los/las Hikoki NV38AB2
Lista de las piezas de repuesto de Hikoki NV38AB2
| Pos. | Descripción | Precio con el IVA excluido | Precio con el IVA incluido | |
| Los precios mostrados incluyen el IVA | ||||
| Tapa del Tapon H90sc/se | ||||
| 1 | 880191 | 7.05 | 8.53 | |
| HEX.SOCKET HD.BOLT M5X28 | ||||
| 2 | 878115 | 1.00 | 1.21 | |
| Tapa de escape | ||||
| 3A | 880200 | 51.15 | 61.89 | |
| Junta (a) Cm12y | ||||
| 4 | 880196 | 1.65 | 2.00 | |
| Resorte de válvula de cabeza | ||||
| 5 | 880190 | 2.55 | 3.09 | |
| Anillo O | ||||
| 6 | 878600 | 1.05 | 1.27 | |
| Valvula de aire (a) | ||||
| 7 | 880410 | 14.70 | 17.79 | |
| Anillo de pistón | ||||
| 8 | 878596 | 14.70 | 17.79 | |
| O-ring de pistón | ||||
| 9 | 880195 | 1.05 | 1.27 | |
| Pasador de pistón | ||||
| 10 | 880188 | 116.74 | 141.25 | |
| Junta del cilindro | ||||
| 11A | 881103 | 3.60 | 4.36 | |
| Anillo de cilindro | ||||
| 12 | 880187 | 4.20 | 5.08 | |
| Anillo O (p-32) | ||||
| 13 | 986374 | 1.65 | 2.00 | |
| CILINDRO | ||||
| 14 | 881124 | 105.05 | 127.11 | |
| Amortiguador de pistón | ||||
| 15 | 880185 | 10.80 | 13.07 | |
| BODY ASS'Y | ||||
| 16A | 881127 | 102.63 | 124.18 | |
| WAARSCHUWINGS LABEL | ||||
| 17A | 881128 | 1.38 | 1.67 | |
| Anillo de retención D6 | ||||
| 18 | 955479 | 1.05 | 1.27 | |
| Gatillo (a) | ||||
| 20A | 880674 | 11.85 | 14.34 | |
| PUSHING LEVER GUIDE | ||||
| 21 | 880194 | 3.72 | 4.50 | |
| NAIL GUIDE SHIFT | ||||
| 22 | 880161 | 3.06 | 3.70 | |
| Anillo-O (1ap-3) | ||||
| 23 | 873093 | 1.05 | 1.27 | |
| STOPPER | ||||
| 24 | 880176 | 4.56 | 5.52 | |
| NARIZ | ||||
| 25 | 881120 | 371.80 | 449.88 | |
| Tornillo Hexagonal Interno M6x20 (10 Piezas) | ||||
| 26 | 949660 | 3.30 | 3.99 | |
| Rodillo de aguja | ||||
| 27 | 983545 | 1.05 | 1.27 | |
| Pasador D4x14 (10 Piezas) | ||||
| 28 | 949770 | 2.55 | 3.09 | |
| Brazo para mecanismo de alimentación | ||||
| 29 | 878132 | 40.84 | 49.41 | |
| Resorte para mecanismo de alimentación | ||||
| 30 | 878340 | 1.05 | 1.27 | |
| Mecanismo de alimentación Nv38ab | ||||
| 31 | 880167 | 35.06 | 42.43 | |
| PUSHING LEVER SPRING | ||||
| 32 | 880204 | 4.56 | 5.52 | |
| PALANCA DE EMPUJE (B) | ||||
| 33 | 880171 | 46.75 | 56.57 | |
| Unidad de ajuste | ||||
| 34 | 880383 | 10.20 | 12.34 | |
| AFSTELVEER | ||||
| 35 | 880175 | 1.00 | 1.21 | |
| Bola de acero D3.175 (10 piezas) | ||||
| 36 | 959148 | 1.05 | 1.27 | |
| Palanca de Empuje | ||||
| 37 | 881090 | 34.51 | 41.76 | |
| Arandela | ||||
| 38 | 880081 | 1.04 | 1.26 | |
| Tornillo Allen M6x12 (antiguo 949657z,10s) | ||||
| 39 | 949657 | 3.00 | 3.63 | |
| Cubierta de la nariz (a) | ||||
| 40 | 881092 | 6.45 | 7.80 | |
| Tornillo de máquina M5x20 (negro) | ||||
| 41 | 302196 | 1.05 | 1.27 | |
| O-ring (i.d. 37.2) | ||||
| 42 | 880183 | 1.05 | 1.27 | |
| Tapa | ||||
| 43 | 880379 | 28.05 | 33.94 | |
| TAPA DE POLVO | ||||
| 44 | 872035 | 1.04 | 1.26 | |
| Pasador Rodante D3x18 (10 Piezas) | ||||
| 45 | 949518 | 2.40 | 2.90 | |
| Pasador de rueda D3x25 (10 piezas) | ||||
| 46 | 949539 | 2.25 | 2.72 | |
| Bola de Acero D3.97 (10 unidades) | ||||
| 47 | 959155 | 1.04 | 1.26 | |
| Muelle | ||||
| 48 | 982454 | 1.04 | 1.26 | |
| Botón de cambio (b) | ||||
| 49 | 880086 | 23.10 | 27.95 | |
| O-RING DE LA VÁLVULA DE CABEZA (I.D.16.8) | ||||
| 50 | 877699 | 1.05 | 1.27 | |
| Casquilho de válvula (b) | ||||
| 51 | 878881 | 39.74 | 48.08 | |
| O-RING (S-18) | ||||
| 52 | 878885 | 1.05 | 1.27 | |
| Anillo O (I.D. 8.8) | ||||
| 53 | 878925 | 1.05 | 1.27 | |
| O-RING (S-4) | ||||
| 54 | 981317 | 1.05 | 1.27 | |
| Pistón de la válvula (b) | ||||
| 55 | 880672 | 32.18 | 38.93 | |
| O-RING (I.D.11) | ||||
| 56 | 878887 | 1.65 | 2.00 | |
| Resorte del Émbolo | ||||
| 57 | 878884 | 1.65 | 2.00 | |
| Émbolo (A) | ||||
| 58 | 880673 | 14.71 | 17.80 | |
| Anillo-O (I.D.1.8) | ||||
| 59 | 878888 | 1.05 | 1.27 | |
| Buje de válvula (a) | ||||
| 60 | 880671 | 23.65 | 28.62 | |
| Anillo de junta (p-9) | ||||
| 61 | 872645 | 1.65 | 2.00 | |
| No hay información disponible, no se puede pedir | ||||
| 62 | 880168 | |||
| Anillo O (P-18) | ||||
| 63 | 873570 | 1.35 | 1.63 | |
| VEER | ||||
| 64 | 880169 | 1.50 | 1.82 | |
| Anillo amortiguador | ||||
| 65 | 877476 | 2.40 | 2.90 | |
| Cubierta del Pistón de Alimentación | ||||
| 66 | 880170 | 2.25 | 2.72 | |
| Anillo de bloqueo para D24 | ||||
| 67 | 983748 | 1.05 | 1.27 | |
| Casquillo del cargador | ||||
| 68 | 880177 | 1.65 | 2.00 | |
| Bloqueo de guía | ||||
| 69 | 878103 | 11.85 | 14.34 | |
| Resorte (antiguo 878308) | ||||
| 70 | 880446 | 1.35 | 1.63 | |
| Anillo O (p-4) | ||||
| 71 | 874436 | 1.05 | 1.27 | |
| GELEIDER | ||||
| 72 | 880162 | 69.52 | 84.12 | |
| Tope de clavo (a) | ||||
| 73 | 880163 | 1.65 | 2.00 | |
| Resorte de bloqueo | ||||
| 74 | 878575 | 1.05 | 1.27 | |
| Tope de clavo (b) | ||||
| 75 | 880164 | 2.55 | 3.09 | |
| Cobertor para Guía de Uñas | ||||
| 76 | 880165 | 1.95 | 2.36 | |
| NAIL GUIDE COVER (B) | ||||
| 77 | 880201 | 11.77 | 14.24 | |
| Placa protectora Nv38ab | ||||
| 78 | 880166 | 6.75 | 8.17 | |
| MANGUITO (B) | ||||
| 79 | 878337 | 3.00 | 3.63 | |
| Tornillo de cabeza hexagonal Nylock M4x10 | ||||
| 80 | 880413 | 1.05 | 1.27 | |
| WARNING LABEL | ||||
| 81 | 880476 | 1.98 | 2.40 | |
| MAGAZINE | ||||
| 82 | 881091 | 8.04 | 9.73 | |
| Tuerca de Nylon M5 | ||||
| 83 | 877371 | 1.05 | 1.27 | |
| Cubierta del revista | ||||
| 84 | 881122 | 6.15 | 7.44 | |
| ANILLO TOPE | ||||
| 85 | 872971 | 1.05 | 1.27 | |
| Pasador de bisagra (antiguo 878953) | ||||
| 86 | 877152 | 3.60 | 4.36 | |
| MAGAZIJN KOMPLEET | ||||
| 87 | 881121 | 18.64 | 22.55 | |
| GRIP TAPE | ||||
| 88 | 880408 | 11.10 | 13.43 | |
| No hay información disponible, no se puede pedir | ||||
| 89A | 888213 | |||
| Etiqueta de advertencia (a) | ||||
| 90 | 883513 | 1.65 | 2.00 | |
| No hay información disponible, no se puede pedir | ||||
| 501 | 944459 | |||
| No hay información disponible, no se puede pedir | ||||
| 502 | 944458 | |||
| No hay información disponible, no se puede pedir | ||||
| 503 | 943277 | |||
| No hay información disponible, no se puede pedir | ||||
| 504 | 877153 | |||
| No hay información disponible, no se puede pedir | ||||
| 505A | 875769 | |||
| CASE | ||||
| 506 | 878676 | 34.92 | 42.25 | |
| Grasa (attolub No.2) 500g | ||||
| 601 | 317918 | 32.18 | 38.93 | |