Aquí encontrará todas las piezas y dibujos técnicos disponibles de 'Hikoki PDA-100M'. Desde aquí podrá pedir todas las piezas deseadas directamente. Para muchas piezas de repuesto, es necesario pasar un pedido al fabricante. Dependiendo de la marca, el plazo de entrega puede variar entre una y cuatro semanas. Toda la información que tenemos está en nuestro sitio web. No podremos aconsejarle sobre lo que necesita hasta que entregue la máquina para su reparación. Tenga en cuenta lo siguiente a la hora de cursar su pedido:
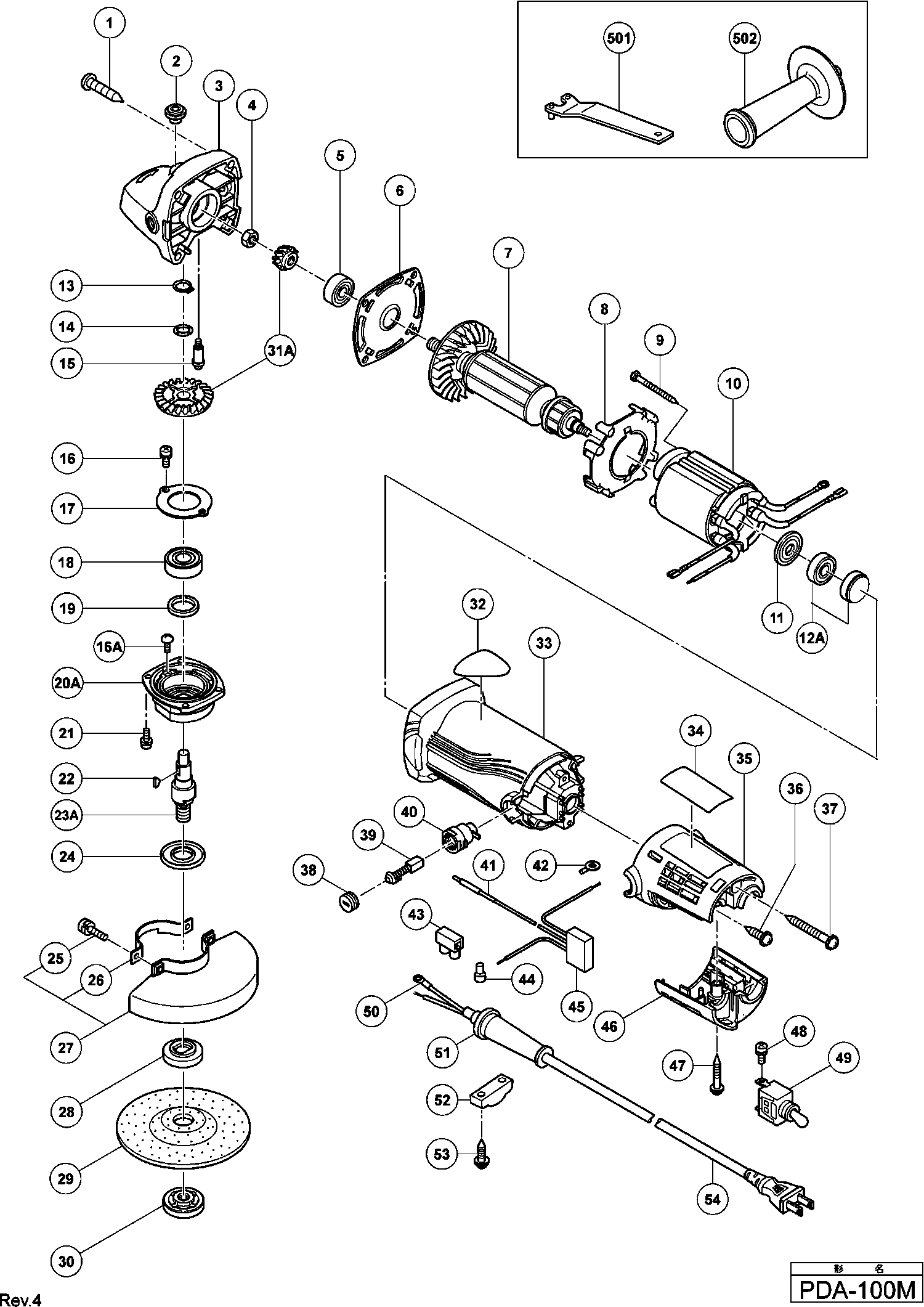
Dibujo técnico de los/las Hikoki PDA-100M
Lista de las piezas de repuesto de Hikoki PDA-100M
| Pos. | Descripción | Precio con el IVA excluido | Precio con el IVA incluido | |
| Los precios mostrados incluyen el IVA | ||||
| No hay información disponible, no se puede pedir | ||||
| *10 | 340649E | |||
| No hay información disponible, no se puede pedir | ||||
| *46 | 325142 | |||
| Cordón 2,5m 2 X 1.0 H05vv-f (Antiguo 500395z) | ||||
| *54 | 500447Z | 6.60 | 7.99 | |
| No hay información disponible, no se puede pedir | ||||
| *7A | 361134G | |||
| Tornillo de golpeo D5x25 (negro) | ||||
| 1 | 320523 | 1.35 | 1.63 | |
| Botón De Empuje | ||||
| 2 | 301944 | 1.04 | 1.26 | |
| Caja de engranajes | ||||
| 3 | 316484 | 18.98 | 22.96 | |
| Tuerca Especial M7 | ||||
| 4 | 301941 | 1.04 | 1.26 | |
| Rodamiento de Bolas 628vvc2ps2-l | ||||
| 5 | 628VVC | 11.85 | 14.34 | |
| Soporte De Cojinete | ||||
| 6 | 316480 | 3.30 | 3.99 | |
| No hay información disponible, no se puede pedir | ||||
| 7 | 360744G | |||
| Guía de ventilador | ||||
| 8 | 319898 | 1.05 | 1.27 | |
| No hay información disponible, no se puede pedir | ||||
| 9 | 319358 | |||
| No hay información disponible, no se puede pedir | ||||
| 10 | 340649E | |||
| Empaque de Polvo G18u/ua/ub y otros | ||||
| 11 | 315877 | 1.05 | 1.27 | |
| No hay información disponible, no se puede pedir | ||||
| 12A | 328813 | |||
| Anillo de Retención para Eje D11 Hasta 9.2012 | ||||
| 13 | 316487 | 1.65 | 2.00 | |
| Arandela | ||||
| 14 | 316486 | 1.65 | 2.00 | |
| Pasador De Bloqueo | ||||
| 15 | 301943 | 1.65 | 2.00 | |
| TORNILLO DE BLOQUEO DE SELLO M4X10 | ||||
| 16 | 997263 | 1.05 | 1.27 | |
| Tornillo M4x8 | ||||
| 16A | 323556 | 1.05 | 1.27 | |
| Cubierta del cojinete RTS 400 REQ | ||||
| 17 | 316490 | 1.65 | 2.00 | |
| Rodamiento de bolas 6201vvcmps2s | ||||
| 18 | 6201VV | 6.45 | 7.80 | |
| Empaque De Fieltro | ||||
| 19 | 301946 | 1.04 | 1.26 | |
| Glándula de embalaje | ||||
| 20A | 333838 | 3.00 | 3.63 | |
| Tornillo de bloqueo (con arandela sp.) M4x12 | ||||
| 21 | 307127 | 1.05 | 1.27 | |
| Chaveta de Woodruff G12s2/g13sd | ||||
| 22 | 302047 | 1.05 | 1.27 | |
| No hay información disponible, no se puede pedir | ||||
| 23A | 317822 | |||
| Aro De Lanzamiento | ||||
| 24 | 301945 | 1.05 | 1.27 | |
| Tornillo de máquina (con arandela) M5x16 (negro) | ||||
| 25 | 308386 | 1.05 | 1.27 | |
| Anillo de sujeción para cubierta de protección | ||||
| 26 | 301949 | 1.04 | 1.26 | |
| CUBIERTA PROTECTORA | ||||
| 27 | 301948 | 5.71 | 6.91 | |
| BESCHERMKAP 100MM (OUD 301948/331076/331085) | ||||
| 27A | 379562 | 2.10 | 2.54 | |
| No hay información disponible, no se puede pedir | ||||
| 28 | 372737 | |||
| No hay información disponible, no se puede pedir | ||||
| 28B | 372737 | |||
| No hay información disponible, no se puede pedir | ||||
| 29 | 316820 | |||
| No hay información disponible, no se puede pedir | ||||
| 30A | 339578 | |||
| No hay información disponible, no se puede pedir | ||||
| 30B | 339578 | |||
| No hay información disponible, no se puede pedir | ||||
| 31A | 331840 | |||
| No hay información disponible, no se puede pedir | ||||
| 33 | 325140 | |||
| No hay información disponible, no se puede pedir | ||||
| 33A | 325140 | |||
| No hay información disponible, no se puede pedir | ||||
| 35 | 325143 | |||
| Tornillo autoperforante (con brida) D4x20 (negro) | ||||
| 36 | 302086 | 1.05 | 1.27 | |
| Tornillo de golpeteo (con brida) D4x40 (negro) | ||||
| 37 | 306664 | 1.05 | 1.27 | |
| Tapa del cepillo | ||||
| 38 | 936551 | 1.05 | 1.27 | |
| Ya no disponible, sin reemplazo | ||||
| 39 | 999021 | |||
| Soporte de Cepillo de Carbono | ||||
| 40 | 313777 | 1.50 | 1.82 | |
| Terminal de tierra para TPE | ||||
| 41 | 314854 | 1.50 | 1.82 | |
| Terminal de Conexión | ||||
| 42 | 980063 | 1.04 | 1.26 | |
| Bloque de Terminal | ||||
| 43 | 938307 | 2.13 | 2.57 | |
| Terminal de soldadura 50091 (10 piezas) | ||||
| 44 | 959140 | 3.30 | 3.99 | |
| Condensador (antiguo 930030/991313) | ||||
| 45 | 994273 | 4.29 | 5.19 | |
| No hay información disponible, no se puede pedir | ||||
| 46 | 325142 | |||
| Tornillo autorroscante (con brida) D4x25 (negro) | ||||
| 47 | 304035 | 1.04 | 1.26 | |
| Tornillo de máquina (con arandela) M3.5x6 | ||||
| 48 | 305499 | 1.05 | 1.27 | |
| Ya no disponible, sin reemplazo | ||||
| 49 | 955509 | |||
| SWITCH (1P SCREW TYPE) (OLD 955509) | ||||
| 49A | 377415 | 9.66 | 11.69 | |
| Terminal de Conexión | ||||
| 50 | 980063 | 1.04 | 1.26 | |
| No hay información disponible, no se puede pedir | ||||
| 51 | 953327 | |||
| Tira de sujeción (antiguo 994566) | ||||
| 52 | 937631 | 1.04 | 1.26 | |
| No hay información disponible, no se puede pedir | ||||
| 53 | 984750 | |||
| Cordón 2,5m 2 X 1.0 H05vv-f (Antiguo 500395z) | ||||
| 54 | 500447Z | 6.60 | 7.99 | |
| No hay información disponible, no se puede pedir | ||||
| 501 | 313933 | |||
| No hay información disponible, no se puede pedir | ||||
| 502 | 302142 | |||
| No hay información disponible, no se puede pedir | ||||
| 502A | 994322 | |||
| No hay información disponible, no se puede pedir | ||||
| 601 | 302098 | |||
| No hay información disponible, no se puede pedir | ||||
| 602 | 302099 | |||
| WHEELNUT FOR 11MM CUT-OFF WHEEL | ||||
| 603 | 984646 | 3.96 | 4.79 | |
| No hay información disponible, no se puede pedir | ||||
| 604 | 323918 | |||
| No hay información disponible, no se puede pedir | ||||
| 605 | 314053 | |||
| No hay información disponible, no se puede pedir | ||||
| 606 | 314054 | |||
| No hay información disponible, no se puede pedir | ||||
| 607 | 314057 | |||
| No hay información disponible, no se puede pedir | ||||
| 608 | 314059 | |||
| No hay información disponible, no se puede pedir | ||||
| 609 | 314061 | |||
| No hay información disponible, no se puede pedir | ||||
| 610 | 314051 | |||
| No hay información disponible, no se puede pedir | ||||
| 611 | 314052 | |||
| No hay información disponible, no se puede pedir | ||||
| 612 | 314055 | |||
| No hay información disponible, no se puede pedir | ||||
| 613 | 314056 | |||
| No hay información disponible, no se puede pedir | ||||
| 614 | 314058 | |||
| No hay información disponible, no se puede pedir | ||||
| 615 | 314060 | |||
| No hay información disponible, no se puede pedir | ||||
| 616 | 954021 | |||
| Tuerca de cierre | ||||
| 617 | 935513 | 4.20 | 5.08 | |
| RING | ||||
| 618 | 936548 | 2.58 | 3.12 | |
| No hay información disponible, no se puede pedir | ||||
| 619 | 936558Z | |||