Aquí encontrará todas las piezas y dibujos técnicos disponibles de 'Hikoki PDH-180C'. Desde aquí podrá pedir todas las piezas deseadas directamente. Para muchas piezas de repuesto, es necesario pasar un pedido al fabricante. Dependiendo de la marca, el plazo de entrega puede variar entre una y cuatro semanas. Toda la información que tenemos está en nuestro sitio web. No podremos aconsejarle sobre lo que necesita hasta que entregue la máquina para su reparación. Tenga en cuenta lo siguiente a la hora de cursar su pedido:
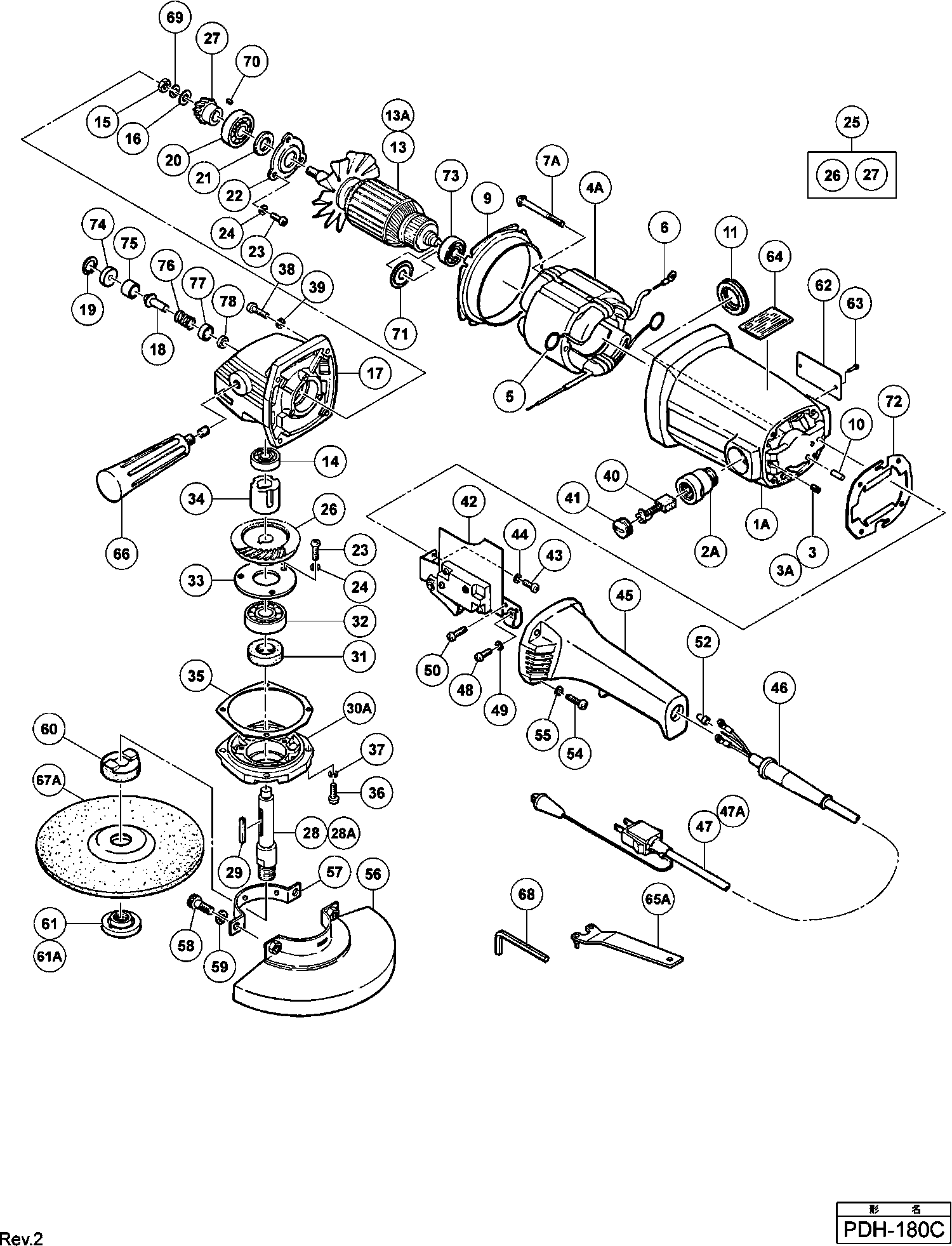
Dibujo técnico de los/las Hikoki PDH-180C
Lista de las piezas de repuesto de Hikoki PDH-180C
| Pos. | Descripción | Precio con el IVA excluido | Precio con el IVA incluido | |
| Los precios mostrados incluyen el IVA | ||||
| No hay información disponible, no se puede pedir | ||||
| *47 | 500414Z | |||
| No hay información disponible, no se puede pedir | ||||
| *47A | 500427Z | |||
| No hay información disponible, no se puede pedir | ||||
| *4A | 938462E | |||
| No hay información disponible, no se puede pedir | ||||
| 1A | 938460 | |||
| No hay información disponible, no se puede pedir | ||||
| 1B | 938460 | |||
| Soporte de Cepillo de Carbono | ||||
| 2A | 956984 | 9.60 | 11.62 | |
| Tornillo de ajuste hexagonal M5x8 | ||||
| 3 | 938477 | 1.05 | 1.27 | |
| Tornillo hexagonal M4x6 | ||||
| 3A | 985114 | 1.05 | 1.27 | |
| No hay información disponible, no se puede pedir | ||||
| 4A | 938462E | |||
| No hay información disponible, no se puede pedir | ||||
| 5 | 948242 | |||
| Terminal M4.0 (10 piezas) | ||||
| 6 | 930804 | 3.00 | 3.63 | |
| MACHINESCHROEF M5X65 | ||||
| 7A | 985941 | 1.00 | 1.21 | |
| No hay información disponible, no se puede pedir | ||||
| 9 | 938463 | |||
| PASADOR DE GOMA (ANTIGUO 976441) | ||||
| 10 | 946362 | 1.05 | 1.27 | |
| STOPPLAAT | ||||
| 11 | 938474 | 1.74 | 2.11 | |
| No hay información disponible, no se puede pedir | ||||
| 13 | 938465E | |||
| No hay información disponible, no se puede pedir | ||||
| 13A | 938465F | |||
| Rodamiento de bolas 6200 Vv | ||||
| 14 | 6200VV | 6.15 | 7.44 | |
| Tuerca M8 Baja (10 Piezas) | ||||
| 15 | 949568 | 1.50 | 1.82 | |
| Arandela de cierre M8 (10 piezas) | ||||
| 16 | 949426 | 1.05 | 1.27 | |
| No hay información disponible, no se puede pedir | ||||
| 17 | 938466 | |||
| PASADOR | ||||
| 18 | 938094 | 4.50 | 5.44 | |
| ANILLO TOPE | ||||
| 19 | 948011 | 1.04 | 1.26 | |
| Cojinete de bolas 6301vvcmps2s | ||||
| 20 | 6301VV | 8.55 | 10.35 | |
| Empaque De Fieltro | ||||
| 21 | 936853 | 1.04 | 1.26 | |
| No hay información disponible, no se puede pedir | ||||
| 22 | 937896 | |||
| Tornillo de máquina M5x10 (10 piezas) | ||||
| 23 | 949236 | 1.05 | 1.27 | |
| Arandela de resorte M5 (10 piezas) | ||||
| 24 | 949454 | 1.04 | 1.26 | |
| No hay información disponible, no se puede pedir | ||||
| 25 | 938467 | |||
| No hay información disponible, no se puede pedir | ||||
| 26 | 938468 | |||
| KLEINE TANDWIEL | ||||
| 27 | 938469 | 11.77 | 14.24 | |
| No hay información disponible, no se puede pedir | ||||
| 28 | 938095Z | |||
| No hay información disponible, no se puede pedir | ||||
| 28A | 938478 | |||
| Chaveta 4x4x30 | ||||
| 29 | 948920 | 1.05 | 1.27 | |
| No hay información disponible, no se puede pedir | ||||
| 30A | 937902 | |||
| Empaque De Fieltro | ||||
| 31 | 938099 | 1.04 | 1.26 | |
| Rodamiento de bolas 6302vvcmps2s | ||||
| 32 | 6302VV | 9.30 | 11.25 | |
| Cubierta del cojinete RTS 400 REQ | ||||
| 33 | 937035 | 1.04 | 1.26 | |
| VERLOOPBUS | ||||
| 34 | 938096 | 9.24 | 11.18 | |
| Junta | ||||
| 35 | 937901 | 1.04 | 1.26 | |
| Tornillo de Máquina M5X16 (10 Piezas) | ||||
| 36 | 949239 | 1.05 | 1.27 | |
| Arandela de resorte M5 (10 piezas) | ||||
| 37 | 949454 | 1.04 | 1.26 | |
| Tornillo de máquina M6x25 (10 piezas) | ||||
| 38 | 949260 | 1.35 | 1.63 | |
| Arandela de resorte M6 (antiguo 949455z, 10 piezas | ||||
| 39 | 949455 | 1.05 | 1.27 | |
| Escobilla de carbono (1 par) | ||||
| 40 | 999044 | 4.50 | 5.44 | |
| Tapa del cepillo | ||||
| 41 | 940540 | 1.04 | 1.26 | |
| No hay información disponible, no se puede pedir | ||||
| 42 | 938541 | |||
| Tornillo de máquina M4x10 (10 piezas) (ANTIGUO 949 | ||||
| 43 | 949216 | 1.05 | 1.27 | |
| Arandela de resorte M4 (10 piezas) | ||||
| 44 | 949453 | 1.05 | 1.27 | |
| No hay información disponible, no se puede pedir | ||||
| 45 | 938542 | |||
| Armadura de cable D10.7 | ||||
| 46 | 940778 | 2.10 | 2.54 | |
| Prensaestopas de cable D8.2 (antiguo 958049z) | ||||
| 46 | 958049 | 1.04 | 1.26 | |
| No hay información disponible, no se puede pedir | ||||
| 47 | 500414Z | |||
| No hay información disponible, no se puede pedir | ||||
| 47A | 500448Z | |||
| Tornillo de máquina M4x12 (10 piezas) | ||||
| 48 | 949217 | 1.05 | 1.27 | |
| Arandela de resorte M4 (10 piezas) | ||||
| 49 | 949453 | 1.05 | 1.27 | |
| No hay información disponible, no se puede pedir | ||||
| 50 | 949292 | |||
| Terminal de soldadura 50092 (10 piezas) | ||||
| 52 | 959141 | 3.75 | 4.54 | |
| Tornillo de Máquina M5X25 (10 Piezas) | ||||
| 54 | 949243 | 1.35 | 1.63 | |
| Arandela de resorte M5 (10 piezas) | ||||
| 55 | 949454 | 1.04 | 1.26 | |
| BESCHERMKAP | ||||
| 56 | 938543 | 12.10 | 14.64 | |
| Arandela (a) | ||||
| 57 | 937911 | 1.65 | 2.00 | |
| Tornillo Allen M8x20 (antiguo 949656z 10s) | ||||
| 58 | 949656 | 5.55 | 6.72 | |
| Arandela de resorte M8 (10 piezas) | ||||
| 59 | 949457 | 1.05 | 1.27 | |
| No hay información disponible, no se puede pedir | ||||
| 60 | 937907Z | |||
| No hay información disponible, no se puede pedir | ||||
| 61 | 937909Z | |||
| No hay información disponible, no se puede pedir | ||||
| 61A | 994155 | |||
| NAGEL D2.5X3.2 (10 STKS.) | ||||
| 63 | 949509 | 1.00 | 1.21 | |
| No hay información disponible, no se puede pedir | ||||
| 64 | 938473Z | |||
| No hay información disponible, no se puede pedir | ||||
| 65A | 936728 | |||
| Ya no disponible, sin reemplazo | ||||
| 66 | 937089 | |||
| No hay información disponible, no se puede pedir | ||||
| 67A | 939644 | |||
| No hay información disponible, no se puede pedir | ||||
| 68 | 872422 | |||
| Arandela de resorte M8 (10 piezas) | ||||
| 69 | 949457 | 1.05 | 1.27 | |
| Chaveta 3x3x10 | ||||
| 70 | 940533 | 1.20 | 1.45 | |
| No hay información disponible, no se puede pedir | ||||
| 71 | 935814 | |||
| No hay información disponible, no se puede pedir | ||||
| 72 | 938548 | |||
| Rodamiento de bolas 6200 Vv | ||||
| 73 | 6200VV | 6.15 | 7.44 | |
| SELLADO DE POLVO | ||||
| 74 | 938595 | 1.04 | 1.26 | |
| RING | ||||
| 75 | 938596 | 1.26 | 1.52 | |
| Resorte, acero inoxidable | ||||
| 76 | 938597 | 1.04 | 1.26 | |
| CASQUILLO EMS 705 | ||||
| 77 | 938598 | 2.40 | 2.90 | |
| Empaque De Fieltro | ||||
| 78 | 938599 | 1.04 | 1.26 | |
| No hay información disponible, no se puede pedir | ||||
| 601 | 314085 | |||
| No hay información disponible, no se puede pedir | ||||
| 602 | 314086 | |||
| No hay información disponible, no se puede pedir | ||||
| 603 | 314087 | |||
| No hay información disponible, no se puede pedir | ||||
| 604 | 314088 | |||
| No hay información disponible, no se puede pedir | ||||
| 605 | 314089 | |||
| No hay información disponible, no se puede pedir | ||||
| 606 | 314090 | |||
| No hay información disponible, no se puede pedir | ||||
| 607 | 314091 | |||
| No hay información disponible, no se puede pedir | ||||
| 608 | 314092 | |||
| No hay información disponible, no se puede pedir | ||||
| 609 | 314093 | |||
| No hay información disponible, no se puede pedir | ||||
| 610 | 314094 | |||
| No hay información disponible, no se puede pedir | ||||
| 612 | 314084 | |||
| No hay información disponible, no se puede pedir | ||||
| 613 | 953246Z | |||
| No hay información disponible, no se puede pedir | ||||
| 614 | 953247Z | |||
| No hay información disponible, no se puede pedir | ||||
| 615 | 938250 | |||
| No hay información disponible, no se puede pedir | ||||
| 616 | 332795 | |||
| No hay información disponible, no se puede pedir | ||||
| 617 | 332796 | |||