Aquí encontrará todas las piezas y dibujos técnicos disponibles de 'Hikoki PH-40F'. Desde aquí podrá pedir todas las piezas deseadas directamente. Para muchas piezas de repuesto, es necesario pasar un pedido al fabricante. Dependiendo de la marca, el plazo de entrega puede variar entre una y cuatro semanas. Toda la información que tenemos está en nuestro sitio web. No podremos aconsejarle sobre lo que necesita hasta que entregue la máquina para su reparación. Tenga en cuenta lo siguiente a la hora de cursar su pedido:
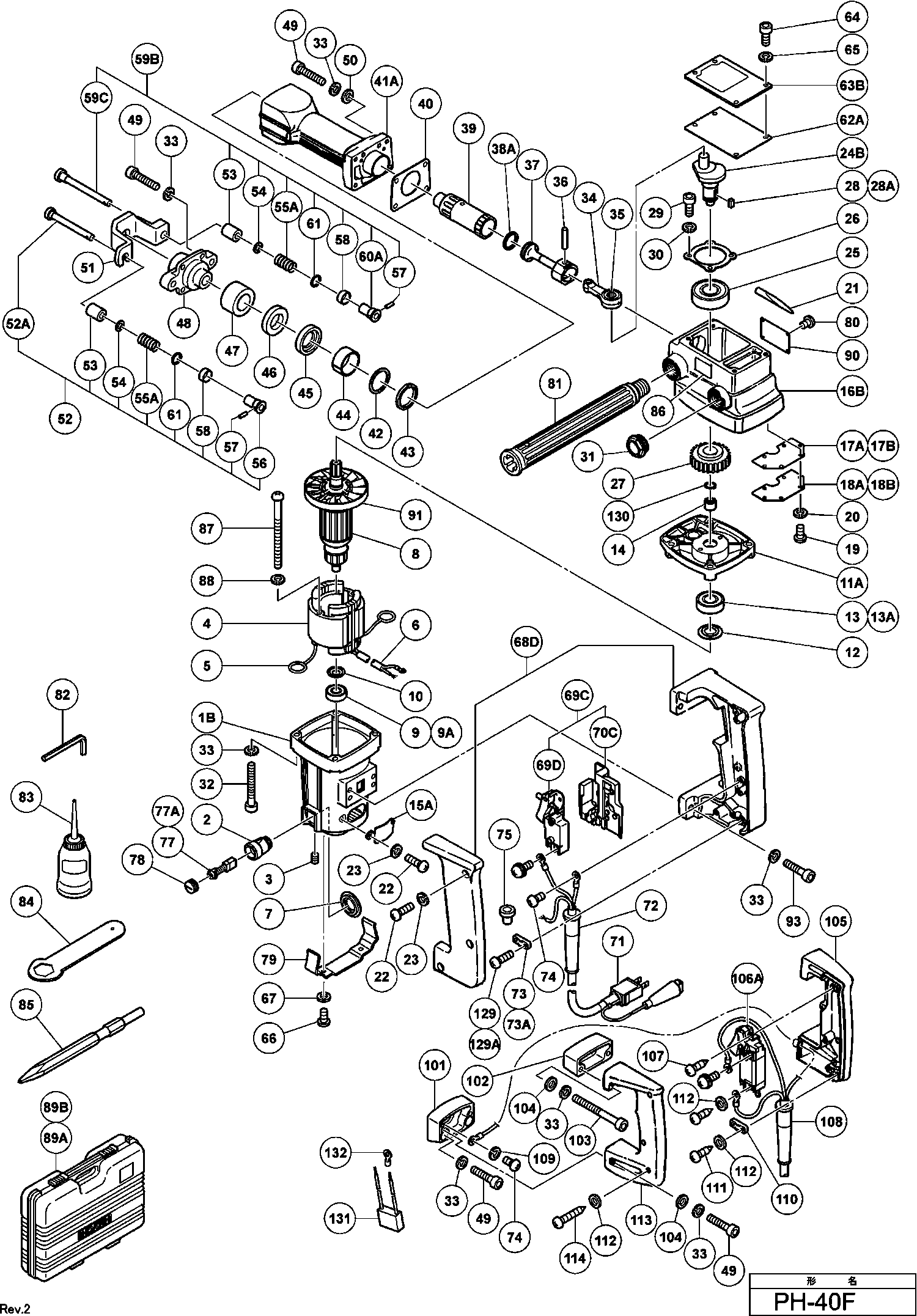
Dibujo técnico de los/las Hikoki PH-40F
Lista de las piezas de repuesto de Hikoki PH-40F
| Pos. | Descripción | Precio con el IVA excluido | Precio con el IVA incluido | |
| Los precios mostrados incluyen el IVA | ||||
| Stator 220v-230v H-90sa Includ.103 Para Nzl,saf | ||||
| *4 | 944535E | 46.75 | 56.57 | |
| Conjunto de estator 240v Includ.103 | ||||
| *4 | 944535F | 46.75 | 56.57 | |
| No hay información disponible, no se puede pedir | ||||
| *71 | 971136 | |||
| Armadura de cable D10.7 | ||||
| *72 | 940778 | 2.10 | 2.54 | |
| ARMADURA 230V | ||||
| *8 | 971052E | 87.59 | 105.98 | |
| Carcasa (verde plata metálico) Incl.2,10 | ||||
| 1B | 332168 | 48.81 | 59.06 | |
| Soporte de Cepillo de Carbono | ||||
| 2 | 971001 | 6.45 | 7.80 | |
| Tornillo de ajuste hexagonal M5x8 | ||||
| 3 | 938477 | 1.05 | 1.27 | |
| Conjunto de estator 240v Includ.103 | ||||
| 4 | 944535F | 46.75 | 56.57 | |
| Stator 220v-230v H-90sa Includ.103 Para Nzl,saf | ||||
| 4 | 944535E | 46.75 | 56.57 | |
| Punto de contacto del Portaescobillas | ||||
| 5 | 930703 | 2.40 | 2.90 | |
| No hay información disponible, no se puede pedir | ||||
| 7 | 956127 | |||
| ARMADURA 230V | ||||
| 8 | 971052E | 87.59 | 105.98 | |
| Armature 240v | ||||
| 8 | 971052F | 87.59 | 105.98 | |
| Cojinete de bolas 6000 Vv, Cm9by, C8fse, G23ss | ||||
| 9 | 6000VV | 6.15 | 7.44 | |
| Rodamiento de bolas 6000ddwcmns7l | ||||
| 9A | 6000DW | 4.65 | 5.63 | |
| Arandela | ||||
| 10 | 944433 | 1.65 | 2.00 | |
| No hay información disponible, no se puede pedir | ||||
| 11A | 332144 | |||
| SELLADO DE POLVO | ||||
| 12 | 971054 | 3.60 | 4.36 | |
| Cojinete de bolas 6202vvcmps2s | ||||
| 13 | 6202VV | 7.05 | 8.53 | |
| No hay información disponible, no se puede pedir | ||||
| 13A | 6202DW | |||
| RODAMIENTO DE AGUJAS | ||||
| 14 | 939299 | 10.65 | 12.89 | |
| Cubierta lateral (verde plateado metálico) Desde 7 | ||||
| 15A | 332171 | 1.80 | 2.18 | |
| No hay información disponible, no se puede pedir | ||||
| 16B | 332142 | |||
| COVER SEAL (B) | ||||
| 17A | 971057 | 1.00 | 1.21 | |
| Sello de cubierta (b) | ||||
| 17B | 971098 | 1.05 | 1.27 | |
| No hay información disponible, no se puede pedir | ||||
| 18A | 971058 | |||
| Placa (b) | ||||
| 18B | 971099 | 1.05 | 1.27 | |
| Tornillo de máquina M4x12 (10 piezas) | ||||
| 19 | 949217 | 1.05 | 1.27 | |
| Arandela de resorte M4 (10 piezas) | ||||
| 20 | 949453 | 1.05 | 1.27 | |
| Fieltro de aceite | ||||
| 21 | 956967 | 1.05 | 1.27 | |
| Tornillo de máquina M4x12 (10 piezas) | ||||
| 22 | 949217 | 1.05 | 1.27 | |
| Arandela de resorte M4 (10 piezas) | ||||
| 23 | 949453 | 1.05 | 1.27 | |
| Conjunto de cigüeñal | ||||
| 24B | 971393 | 37.95 | 45.92 | |
| Rodamiento de bolas 6204dducmps2s | ||||
| 25 | 6204DD | 9.00 | 10.89 | |
| BEARING COVER (B) | ||||
| 26 | 971060 | 2.22 | 2.69 | |
| EERSTE TANDWIEL | ||||
| 27 | 971113 | 17.05 | 20.63 | |
| Pasador 3X13 | ||||
| 28 | 932815 | 1.35 | 1.63 | |
| Llave de pluma 3x3x12 | ||||
| 28A | 937177 | 1.65 | 2.00 | |
| Tornillo cabeza allen M5x16 (10 piezas) | ||||
| 29 | 949821 | 2.55 | 3.09 | |
| Arandela de resorte M5 (10 piezas) | ||||
| 30 | 949454 | 1.04 | 1.26 | |
| Nivel de aceite | ||||
| 31 | 955011 | 10.95 | 13.25 | |
| OIL GAUGE (OLD 955011) | ||||
| 31A | 375619 | 5.52 | 6.68 | |
| HEX.SOCKET HD.BOLT M6X45 (10 PCS) | ||||
| 32 | 949832 | 3.06 | 3.70 | |
| Arandela de resorte M6 (antiguo 949455z, 10 piezas | ||||
| 33 | 949455 | 1.05 | 1.27 | |
| DRIJFSTANG | ||||
| 34 | 956106 | 43.18 | 52.25 | |
| Rodamiento de agujas Nsk Aj50 1203 | ||||
| 35 | 980756 | 10.65 | 12.89 | |
| Pasador del pistón | ||||
| 36 | 956110 | 1.65 | 2.00 | |
| PISTÓN | ||||
| 37 | 971065 | 40.43 | 48.91 | |
| Anillo X | ||||
| 38A | 971151 | 2.55 | 3.09 | |
| Golpeador | ||||
| 39 | 956111 | 37.13 | 44.92 | |
| SEAL PACKING | ||||
| 40 | 971114 | 1.00 | 1.21 | |
| No hay información disponible, no se puede pedir | ||||
| 41A | 332143 | |||
| Arandela de cilindro | ||||
| 42 | 956225 | 1.05 | 1.27 | |
| Anillo de Uretano | ||||
| 43 | 956224 | 9.30 | 11.25 | |
| Boca | ||||
| 44 | 971071 | 11.55 | 13.98 | |
| Anillo de cierre lunar | ||||
| 45 | 971072 | 7.05 | 8.53 | |
| Anillo amortiguador | ||||
| 46 | 971073 | 10.65 | 12.89 | |
| HULS | ||||
| 47 | 971116 | 1.98 | 2.40 | |
| FRONT COVER | ||||
| 48 | 971117 | 38.44 | 46.51 | |
| Tornillo Allen M6x25 (10 piezas) | ||||
| 49 | 949652 | 3.30 | 3.99 | |
| Arandela M6 (10 Piezas) | ||||
| 50 | 949432 | 1.05 | 1.27 | |
| RETAINER | ||||
| 51 | 971118 | 27.66 | 33.47 | |
| Varilla de retención (a) Ass'y | ||||
| 52 | 971106 | 21.04 | 25.46 | |
| Varilla de retención (a) (antiguo 998554) | ||||
| 52A | 971079 | 5.70 | 6.90 | |
| DAMPER (B) | ||||
| 53 | 971080 | 2.82 | 3.41 | |
| Arandela de cierre M8 (10 piezas) | ||||
| 54 | 949426 | 1.05 | 1.27 | |
| SPRING | ||||
| 55A | 998558 | 1.38 | 1.67 | |
| STOPPER (L) | ||||
| 56 | 971082 | 4.68 | 5.66 | |
| NEEDLE ROLLER | ||||
| 57 | 971083 | 1.00 | 1.21 | |
| STOPPER RING | ||||
| 58 | 971084 | 1.00 | 1.21 | |
| Varilla de retención (a) Ass'y | ||||
| 59B | 971107 | 21.18 | 25.62 | |
| No hay información disponible, no se puede pedir | ||||
| 59C | 998557 | |||
| STOPPER (L) | ||||
| 60A | 971082 | 4.68 | 5.66 | |
| Anillo de parada | ||||
| 61 | 971087 | 1.04 | 1.26 | |
| COVER SEAL | ||||
| 62A | 971119 | 1.00 | 1.21 | |
| No hay información disponible, no se puede pedir | ||||
| 63B | 332145 | |||
| Tornillo Hexagonal Interno M5x14 (10 Piezas) | ||||
| 64 | 949665 | 2.10 | 2.54 | |
| Arandela de resorte M5 (10 piezas) | ||||
| 65 | 949454 | 1.04 | 1.26 | |
| Tornillo de máquina M5x8 (10 piezas) | ||||
| 66 | 949235 | 1.05 | 1.27 | |
| Arandela de resorte M5 (10 piezas) | ||||
| 67 | 949454 | 1.04 | 1.26 | |
| Manija Ass'y (a) Verde plata metálico Incl.93a | ||||
| 68D | 334511 | 47.03 | 56.90 | |
| Interruptor | ||||
| 69C | 971139 | 32.18 | 38.93 | |
| Interruptor con bloqueo | ||||
| 69D | 971390 | 26.40 | 31.94 | |
| No hay información disponible, no se puede pedir | ||||
| 70C | 971163 | |||
| No hay información disponible, no se puede pedir | ||||
| 71 | 971136 | |||
| Armadura de cable D10.7 | ||||
| 72 | 940778 | 2.10 | 2.54 | |
| Prensaestopas de cable D8.2 (antiguo 958049z) | ||||
| 72 | 958049 | 1.04 | 1.26 | |
| CORD CLIP | ||||
| 73 | 930108 | 1.00 | 1.21 | |
| Abrazadera del cordón | ||||
| 73A | 960266 | 1.04 | 1.26 | |
| No hay información disponible, no se puede pedir | ||||
| 74 | 949292 | |||
| Terminal de soldadura 50092 (10 piezas) | ||||
| 75 | 959141 | 3.75 | 4.54 | |
| Escobilla de carbono (1 par) | ||||
| 77 | 999043 | 4.50 | 5.44 | |
| Cepillos de Carbón Autodesconectantes (2 Piezas) ( | ||||
| 77A | 999073 | 14.40 | 17.42 | |
| Cubierta del cepillo | ||||
| 78 | 935829 | 1.05 | 1.27 | |
| ACHTERDEKSEL | ||||
| 79 | 971091 | 3.48 | 4.21 | |
| Remache D2.5x4.8 (10 Piezas) | ||||
| 80 | 949510 | 1.04 | 1.26 | |
| No hay información disponible, no se puede pedir | ||||
| 81 | 944457 | |||
| No hay información disponible, no se puede pedir | ||||
| 82 | 944459 | |||
| Aceite lubricante (120cc) | ||||
| 83 | 931848 | 8.40 | 10.16 | |
| No hay información disponible, no se puede pedir | ||||
| 84 | 971109 | |||
| No hay información disponible, no se puede pedir | ||||
| 85 | 981922 | |||
| No hay información disponible, no se puede pedir | ||||
| 86 | 955006C | |||
| MACHINESCHROEF M5X55 (10 STUKS) | ||||
| 87 | 949233 | 1.62 | 1.96 | |
| Arandela de resorte M5 (10 piezas) | ||||
| 88 | 949454 | 1.04 | 1.26 | |
| No hay información disponible, no se puede pedir | ||||
| 89A | 971395 | |||
| No hay información disponible, no se puede pedir | ||||
| 89B | 312831 | |||
| Ventilador | ||||
| 91 | 971097 | 7.65 | 9.26 | |
| Tornillo Hd. M6x22 (10 Piezas) | ||||
| 93 | 949670 | 3.00 | 3.63 | |
| No hay información disponible, no se puede pedir | ||||
| 101 | 971127Z | |||
| No hay información disponible, no se puede pedir | ||||
| 102 | 971128Z | |||
| Tuerca (10 piezas) | ||||
| 103 | 949782 | 6.75 | 8.17 | |
| Anillo M6 (Antiguo 949425z , 10 piezas) | ||||
| 104 | 949425 | 1.05 | 1.27 | |
| HANDGREEP (A) | ||||
| 105 | 955291 | 7.50 | 9.08 | |
| Interruptor (antiguo 955277) | ||||
| 106A | 971824Z | 35.06 | 42.43 | |
| TORNILLO M4X35 | ||||
| 107 | 954017 | 1.04 | 1.26 | |
| Protector de cable D10.2 Hasta 11.1982 Para Aus | ||||
| 108 | 930026 | 3.00 | 3.63 | |
| Arandela de resorte M4 (10 piezas) | ||||
| 109 | 949453 | 1.05 | 1.27 | |
| Tira de sujeción (antiguo 994566) | ||||
| 110 | 937631 | 1.04 | 1.26 | |
| Tornillo autorroscante D4X16 | ||||
| 111 | 954004 | 1.04 | 1.26 | |
| Anillo M4 (10 piezas) | ||||
| 112 | 949423 | 1.05 | 1.27 | |
| HANDGREEP (B) | ||||
| 113 | 955292 | 4.68 | 5.66 | |
| Tornillo M4x25 | ||||
| 114 | 958705 | 1.05 | 1.27 | |
| Tornillo de máquina M4x12 (10 piezas) | ||||
| 129 | 949217 | 1.05 | 1.27 | |
| No hay información disponible, no se puede pedir | ||||
| 129A | 957147 | |||
| Anillo de retención D18 (10 piezas) | ||||
| 130 | 939546 | 3.60 | 4.36 | |
| Condensador (antiguo 987178) | ||||
| 131 | 930039 | 1.95 | 2.36 | |
| Terminales de cable (10 piezas) | ||||
| 132 | 959144 | 3.00 | 3.63 | |
| No hay información disponible, no se puede pedir | ||||
| 602 | 944574 | |||
| No hay información disponible, no se puede pedir | ||||
| 603A | 318085 | |||
| Aceite OMALA (1 litro) | ||||
| 604 | 955009 | 21.04 | 25.46 | |
| No hay información disponible, no se puede pedir | ||||
| 605 | 971105 | |||
| No hay información disponible, no se puede pedir | ||||
| 606 | 955181 | |||
| No hay información disponible, no se puede pedir | ||||
| 607 | 955183 | |||
| No hay información disponible, no se puede pedir | ||||
| 608 | 955186 | |||
| No hay información disponible, no se puede pedir | ||||
| 609 | 956126 | |||
| No hay información disponible, no se puede pedir | ||||
| 610A | 323357 | |||
| No hay información disponible, no se puede pedir | ||||
| 611 | 980734 | |||
| No hay información disponible, no se puede pedir | ||||
| 612 | 980752 | |||
| No hay información disponible, no se puede pedir | ||||
| 613 | 980753 | |||
| No hay información disponible, no se puede pedir | ||||
| 614 | 981922 | |||
| No hay información disponible, no se puede pedir | ||||
| 615 | 981923 | |||
| No hay información disponible, no se puede pedir | ||||
| 616 | 981924 | |||
| No hay información disponible, no se puede pedir | ||||
| 617 | 981925 | |||
| No hay información disponible, no se puede pedir | ||||
| 618 | 981926 | |||
| No hay información disponible, no se puede pedir | ||||
| 619 | 981929 | |||
| No hay información disponible, no se puede pedir | ||||
| 620 | 981930 | |||
| No hay información disponible, no se puede pedir | ||||
| 621 | 981931 | |||
| OLIEPAKKING | ||||
| 622 | 980982 | 1.38 | 1.67 | |
| No hay información disponible, no se puede pedir | ||||
| 623 | 320859 | |||
| Fieltro de aceite | ||||
| 624 | 324896 | 3.75 | 4.54 | |