Aquí encontrará todas las piezas y dibujos técnicos disponibles de 'Hikoki PU-PM3'. Desde aquí podrá pedir todas las piezas deseadas directamente. Para muchas piezas de repuesto, es necesario pasar un pedido al fabricante. Dependiendo de la marca, el plazo de entrega puede variar entre una y cuatro semanas. Toda la información que tenemos está en nuestro sitio web. No podremos aconsejarle sobre lo que necesita hasta que entregue la máquina para su reparación. Tenga en cuenta lo siguiente a la hora de cursar su pedido:
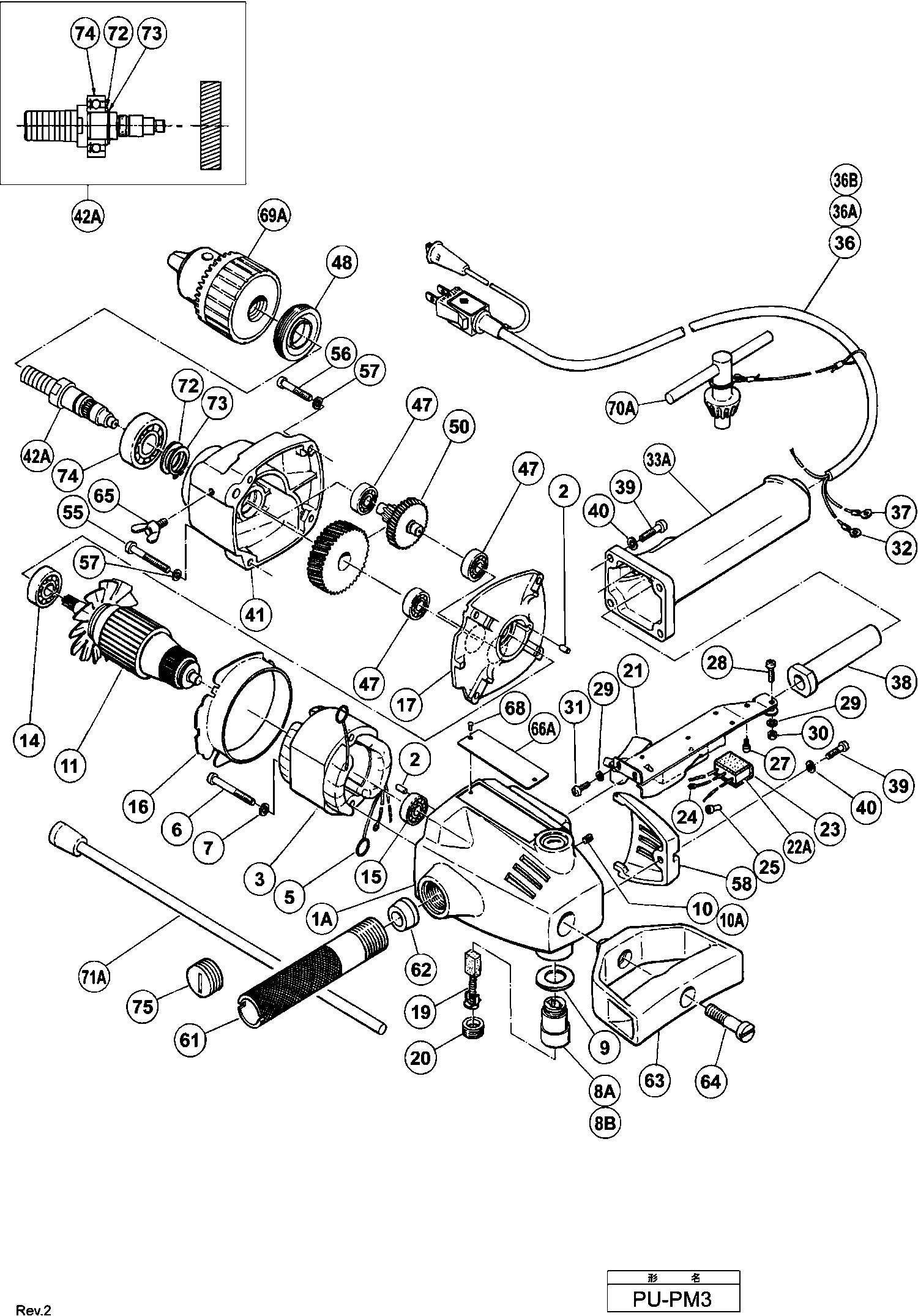
Dibujo técnico de los/las Hikoki PU-PM3
Lista de las piezas de repuesto de Hikoki PU-PM3
| Pos. | Descripción | Precio con el IVA excluido | Precio con el IVA incluido | |
| Los precios mostrados incluyen el IVA | ||||
| No hay información disponible, no se puede pedir | ||||
| *3 | 930772F | |||
| No hay información disponible, no se puede pedir | ||||
| *36 | 500427Z | |||
| Armadura de cable D10.7 | ||||
| *38 | 940778 | 2.10 | 2.54 | |
| Prensaestopas de cable D8.2 (antiguo 958049z) | ||||
| *38 | 958049 | 1.04 | 1.26 | |
| No hay información disponible, no se puede pedir | ||||
| 1A | 930790 | |||
| BOLÍGRAFO DE GOMA | ||||
| 2 | 931701 | 1.05 | 1.27 | |
| No hay información disponible, no se puede pedir | ||||
| 3 | 930772F | |||
| Punto de contacto del Portaescobillas | ||||
| 5 | 930703 | 2.40 | 2.90 | |
| MACHINE SCREW M5X50 (10 PCS.) | ||||
| 6 | 949250 | 1.26 | 1.52 | |
| Arandela de resorte M5 (10 piezas) | ||||
| 7 | 949454 | 1.04 | 1.26 | |
| KOOLBORSTELHOUDER | ||||
| 8A | 944598 | 3.96 | 4.79 | |
| PORTACEPILLOS | ||||
| 8B | 957051 | 5.25 | 6.35 | |
| No hay información disponible, no se puede pedir | ||||
| 9 | 930706 | |||
| Tornillo de fijación hexagonal M5x6 | ||||
| 10 | 962782 | 1.04 | 1.26 | |
| Tornillo hexagonal M4x6 | ||||
| 10A | 985114 | 1.05 | 1.27 | |
| No hay información disponible, no se puede pedir | ||||
| 11 | 930774F | |||
| Rodamiento de bolas 6200 Vv | ||||
| 14 | 6200VV | 6.15 | 7.44 | |
| Rodamiento de bolas 608vvmc2eps2l | ||||
| 15 | 608VVM | 5.70 | 6.90 | |
| No hay información disponible, no se puede pedir | ||||
| 16 | 930776 | |||
| No hay información disponible, no se puede pedir | ||||
| 17 | 930777 | |||
| Escobilla de carbono (1 par) | ||||
| 19 | 999043 | 4.50 | 5.44 | |
| Cubierta del cepillo | ||||
| 20 | 935829 | 1.05 | 1.27 | |
| No hay información disponible, no se puede pedir | ||||
| 21 | 931066 | |||
| Condensador (antiguo 930030/991313) | ||||
| 22A | 994273 | 4.29 | 5.19 | |
| Caucho | ||||
| 23 | 930153 | 1.04 | 1.26 | |
| Terminales de cable (10 piezas) | ||||
| 24 | 959144 | 3.00 | 3.63 | |
| Terminal de soldadura 50092 (10 piezas) | ||||
| 25 | 959141 | 3.75 | 4.54 | |
| No hay información disponible, no se puede pedir | ||||
| 27 | 949292 | |||
| Tornillo de máquina M4x12 (10 piezas) | ||||
| 28 | 949217 | 1.05 | 1.27 | |
| Arandela de resorte M4 (10 piezas) | ||||
| 29 | 949453 | 1.05 | 1.27 | |
| Tuerca M4 (10 Piezas) | ||||
| 30 | 949554 | 1.05 | 1.27 | |
| Tornillo de máquina M4x10 (10 piezas) (ANTIGUO 949 | ||||
| 31 | 949216 | 1.05 | 1.27 | |
| Terminal M4.0 (10 piezas) | ||||
| 32 | 930804 | 3.00 | 3.63 | |
| No hay información disponible, no se puede pedir | ||||
| 33A | 931067 | |||
| No hay información disponible, no se puede pedir | ||||
| 36 | 500429Z | |||
| Terminales de cable (10 piezas) | ||||
| 37 | 959144 | 3.00 | 3.63 | |
| Armadura de cable D10.7 | ||||
| 38 | 940778 | 2.10 | 2.54 | |
| Prensaestopas de cable D8.2 (antiguo 958049z) | ||||
| 38 | 958049 | 1.04 | 1.26 | |
| Tornillo de Máquina M5X20 (10 Piezas) | ||||
| 39 | 949241 | 1.35 | 1.63 | |
| Arandela de resorte M5 (10 piezas) | ||||
| 40 | 949454 | 1.04 | 1.26 | |
| No hay información disponible, no se puede pedir | ||||
| 41 | 930960 | |||
| No hay información disponible, no se puede pedir | ||||
| 42 | 930966 | |||
| No hay información disponible, no se puede pedir | ||||
| 42A | 328211 | |||
| Rodamiento de bolas 608vvmc2eps2l | ||||
| 47 | 608VVM | 5.70 | 6.90 | |
| LAGER KAP | ||||
| 48 | 930901 | 2.22 | 2.69 | |
| No hay información disponible, no se puede pedir | ||||
| 50 | 930791 | |||
| Tornillo de máquina M5x40 (ANTIGUO 949248Z) | ||||
| 55 | 949248 | 1.80 | 2.18 | |
| Tornillo de máquina M5x30 (10 piezas) | ||||
| 56 | 949245 | 1.65 | 2.00 | |
| Arandela de resorte M5 (10 piezas) | ||||
| 57 | 949454 | 1.04 | 1.26 | |
| No hay información disponible, no se puede pedir | ||||
| 58 | 930784 | |||
| No hay información disponible, no se puede pedir | ||||
| 61 | 930729 | |||
| No hay información disponible, no se puede pedir | ||||
| 62 | 930730 | |||
| No hay información disponible, no se puede pedir | ||||
| 63 | 930939 | |||
| No hay información disponible, no se puede pedir | ||||
| 64 | 930732 | |||
| Tornillo de mariposa M6x10 (10 piezas) | ||||
| 65 | 949394 | 7.05 | 8.53 | |
| NAGEL D2.5X3.2 (10 STKS.) | ||||
| 68 | 949509 | 1.00 | 1.21 | |
| No hay información disponible, no se puede pedir | ||||
| 69 | 950265 | |||
| No hay información disponible, no se puede pedir | ||||
| 69A | 950284 | |||
| No hay información disponible, no se puede pedir | ||||
| 70 | 930904 | |||
| No hay información disponible, no se puede pedir | ||||
| 70A | 930733 | |||
| No hay información disponible, no se puede pedir | ||||
| 71A | 930964 | |||
| SLUITRING | ||||
| 72 | 930890 | 1.00 | 1.21 | |
| Arandela | ||||
| 73 | 967261 | 1.05 | 1.27 | |
| Rodamiento de bolas 6203vvcmps2s | ||||
| 74 | 6203VV | 7.80 | 9.44 | |
| No hay información disponible, no se puede pedir | ||||
| 75 | 930787G | |||