Aquí encontrará todas las piezas y dibujos técnicos disponibles de 'Hikoki PU100F'. Desde aquí podrá pedir todas las piezas deseadas directamente. Para muchas piezas de repuesto, es necesario pasar un pedido al fabricante. Dependiendo de la marca, el plazo de entrega puede variar entre una y cuatro semanas. Toda la información que tenemos está en nuestro sitio web. No podremos aconsejarle sobre lo que necesita hasta que entregue la máquina para su reparación. Tenga en cuenta lo siguiente a la hora de cursar su pedido:
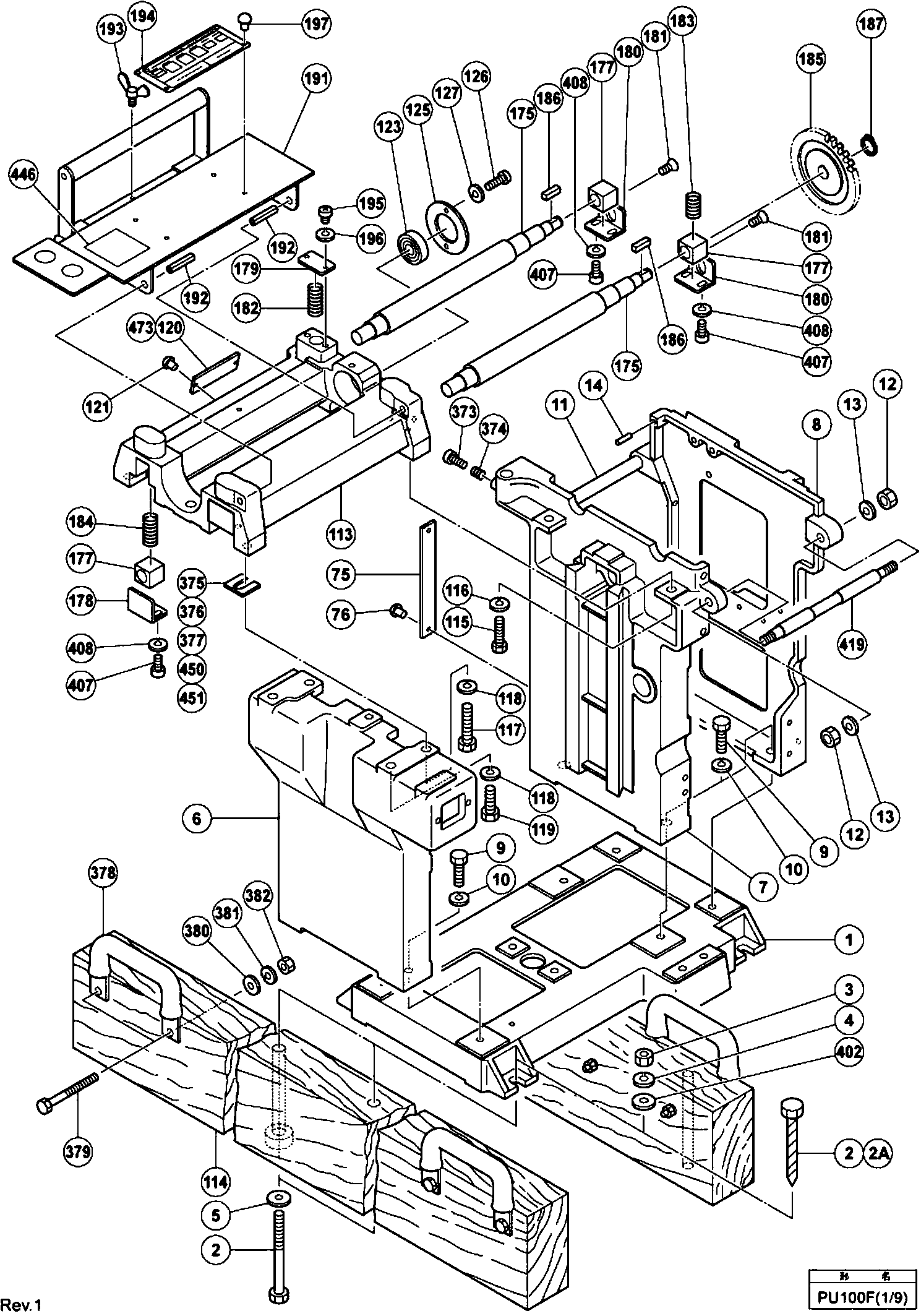
Dibujo técnico de los/las Hikoki PU100F
Lista de las piezas de repuesto de Hikoki PU100F
| Pos. | Descripción | Precio con el IVA excluido | Precio con el IVA incluido | |
| Los precios mostrados incluyen el IVA | ||||
| No hay información disponible, no se puede pedir | ||||
| 1 | 972540 | |||
| BOLT W3/8X115 | ||||
| 2 | 972573 | 1.00 | 1.21 | |
| No hay información disponible, no se puede pedir | ||||
| 2A | 973854 | |||
| No hay información disponible, no se puede pedir | ||||
| 3 | 949559 | |||
| Arandela M10 (10 piezas) | ||||
| 4 | 949458 | 1.05 | 1.27 | |
| No hay información disponible, no se puede pedir | ||||
| 5 | 976351 | |||
| No hay información disponible, no se puede pedir | ||||
| 6 | 968553 | |||
| No hay información disponible, no se puede pedir | ||||
| 7 | 968554 | |||
| No hay información disponible, no se puede pedir | ||||
| 8 | 968555 | |||
| Tornillo Hexagonal M10x35 (10 unidades) | ||||
| 9 | 949695 | 3.30 | 3.99 | |
| Arandela M10 (10 piezas) | ||||
| 10 | 949458 | 1.05 | 1.27 | |
| No hay información disponible, no se puede pedir | ||||
| 11 | 968556 | |||
| Tuerca M12 (10 Piezas) | ||||
| 12 | 949561 | 3.00 | 3.63 | |
| Arandela de resorte M12 (10 piezas) | ||||
| 13 | 949463 | 1.65 | 2.00 | |
| ROL PIN D4X25 (10 STUKS) | ||||
| 14 | 949548 | 1.98 | 2.40 | |
| No hay información disponible, no se puede pedir | ||||
| 15 | 968557 | |||
| No hay información disponible, no se puede pedir | ||||
| 16 | 968558 | |||
| Rodamiento de bolas 6004VV | ||||
| 17 | 6004VV | 8.55 | 10.35 | |
| Anillo de retención D20 (10 piezas) | ||||
| 18 | 939547 | 3.90 | 4.72 | |
| No hay información disponible, no se puede pedir | ||||
| 19 | 968559 | |||
| Tornillo de máquina M5x12 (10 piezas) | ||||
| 20 | 949237 | 1.05 | 1.27 | |
| Arandela de resorte M5 (10 piezas) | ||||
| 21 | 949454 | 1.04 | 1.26 | |
| No hay información disponible, no se puede pedir | ||||
| 22 | 948006 | |||
| No hay información disponible, no se puede pedir | ||||
| 23 | 949745 | |||
| No hay información disponible, no se puede pedir | ||||
| 24 | 968560 | |||
| No hay información disponible, no se puede pedir | ||||
| 25 | 968561 | |||
| Pasador 3X13 | ||||
| 26 | 932815 | 1.35 | 1.63 | |
| Rodamiento de bolas 6201vvcmps2s | ||||
| 27 | 6201VV | 6.45 | 7.80 | |
| No hay información disponible, no se puede pedir | ||||
| 28 | 968562 | |||
| No hay información disponible, no se puede pedir | ||||
| 29 | 948010 | |||
| BOUT M8X30 (10 STUKS) | ||||
| 30 | 949628 | 1.62 | 1.96 | |
| Arandela de resorte M8 (10 piezas) | ||||
| 31 | 949457 | 1.05 | 1.27 | |
| No hay información disponible, no se puede pedir | ||||
| 32 | 968563 | |||
| Rodamiento de bolas 6203vvcmps2s | ||||
| 33 | 6203VV | 7.80 | 9.44 | |
| No hay información disponible, no se puede pedir | ||||
| 34 | 948013 | |||
| No hay información disponible, no se puede pedir | ||||
| 35 | 968559 | |||
| Tornillo de máquina M5x12 (10 piezas) | ||||
| 36 | 949237 | 1.05 | 1.27 | |
| Arandela de resorte M5 (10 piezas) | ||||
| 37 | 949454 | 1.04 | 1.26 | |
| Cuña TSF 55 | ||||
| 38 | 945072 | 1.35 | 1.63 | |
| No hay información disponible, no se puede pedir | ||||
| 39 | 968565 | |||
| No hay información disponible, no se puede pedir | ||||
| 39A | 976857 | |||
| INBUSSCHROEF M5X12 | ||||
| 40 | 966292 | 1.00 | 1.21 | |
| Arandela | ||||
| 41 | 967261 | 1.05 | 1.27 | |
| No hay información disponible, no se puede pedir | ||||
| 42 | 972542 | |||
| No hay información disponible, no se puede pedir | ||||
| 43 | 972543 | |||
| No hay información disponible, no se puede pedir | ||||
| 44 | 948021 | |||
| Pin D4x28 | ||||
| 45 | 949506 | 3.00 | 3.63 | |
| No hay información disponible, no se puede pedir | ||||
| 46 | 939286 | |||
| Arandela | ||||
| 47 | 965077 | 1.05 | 1.27 | |
| Tuerca M10 (10 Piezas) | ||||
| 48 | 949560 | 2.40 | 2.90 | |
| Tuerca de bloqueo (inserto de nailon) M10 | ||||
| 49 | 949572 | 2.40 | 2.90 | |
| Arandela de resorte M6 (antiguo 949455z, 10 piezas | ||||
| 50 | 949455 | 1.05 | 1.27 | |
| No hay información disponible, no se puede pedir | ||||
| 51 | 948023 | |||
| No hay información disponible, no se puede pedir | ||||
| 52 | 972544 | |||
| Pasador de rueda D4x36 (10 piezas) | ||||
| 53 | 949547 | 3.90 | 4.72 | |
| No hay información disponible, no se puede pedir | ||||
| 54 | 972545 | |||
| RONDHANDGREEP | ||||
| 55A | 972052 | 12.32 | 14.91 | |
| No hay información disponible, no se puede pedir | ||||
| 56 | 949502 | |||
| No hay información disponible, no se puede pedir | ||||
| 57 | 968570 | |||
| Perno M10x25 (10 Piezas) | ||||
| 58 | 949639 | 3.60 | 4.36 | |
| Arandela M10 (10 piezas) | ||||
| 59 | 949458 | 1.05 | 1.27 | |
| No hay información disponible, no se puede pedir | ||||
| 60 | 972546 | |||
| Tornillo M8x25 (10 piezas) | ||||
| 61 | 949626 | 2.25 | 2.72 | |
| Arandela de resorte M8 (10 piezas) | ||||
| 62 | 949457 | 1.05 | 1.27 | |
| No hay información disponible, no se puede pedir | ||||
| 63 | 972004 | |||
| No hay información disponible, no se puede pedir | ||||
| 65 | 972005 | |||
| No hay información disponible, no se puede pedir | ||||
| 66 | 947512 | |||
| Tuerca M6 (10pcs) | ||||
| 67 | 949556 | 1.05 | 1.27 | |
| No hay información disponible, no se puede pedir | ||||
| 68 | 972547 | |||
| No hay información disponible, no se puede pedir | ||||
| 69 | 972548 | |||
| Tuerca M6 (10 Piezas) | ||||
| 70 | 949567 | 1.05 | 1.27 | |
| No hay información disponible, no se puede pedir | ||||
| 71 | 972549 | |||
| No hay información disponible, no se puede pedir | ||||
| 72 | 972550 | |||
| No hay información disponible, no se puede pedir | ||||
| 73 | 972551 | |||
| Tuerca M6 (10pcs) | ||||
| 74 | 949556 | 1.05 | 1.27 | |
| No hay información disponible, no se puede pedir | ||||
| 75 | 948034 | |||
| Remache D2.5x4.8 (10 Piezas) | ||||
| 76 | 949510 | 1.04 | 1.26 | |
| No hay información disponible, no se puede pedir | ||||
| 77 | 948035 | |||
| Tornillo de máquina M6x12 (10 piezas) | ||||
| 78 | 949255 | 1.35 | 1.63 | |
| Anillo M6 (Antiguo 949425z , 10 piezas) | ||||
| 79 | 949425 | 1.05 | 1.27 | |
| No hay información disponible, no se puede pedir | ||||
| 80 | 967808 | |||
| No hay información disponible, no se puede pedir | ||||
| 80A | 976940 | |||
| Tornillo de máquina M4x10 (10 piezas) (ANTIGUO 949 | ||||
| 81 | 949216 | 1.05 | 1.27 | |
| Arandela de resorte M4 (10 piezas) | ||||
| 82 | 949453 | 1.05 | 1.27 | |
| No hay información disponible, no se puede pedir | ||||
| 83 | 968572 | |||
| No hay información disponible, no se puede pedir | ||||
| 84 | 947589 | |||
| No hay información disponible, no se puede pedir | ||||
| 85 | 949625 | |||
| Arandela de resorte M8 (10 piezas) | ||||
| 86 | 949457 | 1.05 | 1.27 | |
| No hay información disponible, no se puede pedir | ||||
| 87 | 948169 | |||
| No hay información disponible, no se puede pedir | ||||
| 88 | 967731 | |||
| ROL PIN D4X25 (10 STUKS) | ||||
| 89 | 949548 | 1.98 | 2.40 | |
| No hay información disponible, no se puede pedir | ||||
| 90 | 948159 | |||
| Tornillo de máquina M6x16 (10 unidades) | ||||
| 91 | 949256 | 1.35 | 1.63 | |
| Arandela de resorte M6 (antiguo 949455z, 10 piezas | ||||
| 92 | 949455 | 1.05 | 1.27 | |
| ROL PIN D4X18 (10 STUKS) | ||||
| 93 | 949498 | 1.74 | 2.11 | |
| No hay información disponible, no se puede pedir | ||||
| 94 | 947585 | |||
| No hay información disponible, no se puede pedir | ||||
| 95 | 948173 | |||
| Tuerca M12 (10 Piezas) | ||||
| 96 | 949561 | 3.00 | 3.63 | |
| No hay información disponible, no se puede pedir | ||||
| 97 | 947588 | |||
| Remache D2.5x4.8 (10 Piezas) | ||||
| 98 | 949510 | 1.04 | 1.26 | |
| Pasador Rodante D5x25 (10 piezas) | ||||
| 99 | 949681 | 3.60 | 4.36 | |
| No hay información disponible, no se puede pedir | ||||
| 100 | 968688 | |||
| No hay información disponible, no se puede pedir | ||||
| 102 | 967817 | |||
| No hay información disponible, no se puede pedir | ||||
| 103 | 976244 | |||
| No hay información disponible, no se puede pedir | ||||
| 109 | 948155 | |||
| No hay información disponible, no se puede pedir | ||||
| 110 | 972590 | |||
| BOUT M6X30 (10 STUKS) | ||||
| 111 | 949607 | 1.62 | 1.96 | |
| Arandela de resorte M6 (antiguo 949455z, 10 piezas | ||||
| 112 | 949455 | 1.05 | 1.27 | |
| No hay información disponible, no se puede pedir | ||||
| 113 | 972554 | |||
| BOUT M8X30 (10 STUKS) | ||||
| 115 | 949628 | 1.62 | 1.96 | |
| Arandela de resorte M8 (10 piezas) | ||||
| 116 | 949457 | 1.05 | 1.27 | |
| No hay información disponible, no se puede pedir | ||||
| 117 | 949674 | |||
| Arandela de resorte M12 (10 piezas) | ||||
| 118 | 949463 | 1.65 | 2.00 | |
| No hay información disponible, no se puede pedir | ||||
| 119 | 949672 | |||
| No hay información disponible, no se puede pedir | ||||
| 120 | 972578Z | |||
| Remache D2.5x4.8 (10 Piezas) | ||||
| 121 | 949510 | 1.04 | 1.26 | |
| Bloque de cortador | ||||
| 122 | 972556 | 674.30 | 815.90 | |
| Rodamiento de bolas 6205 Vv | ||||
| 123 | 6205VV | 10.80 | 13.07 | |
| Rodamiento de bolas 6004VV | ||||
| 124 | 6004VV | 8.55 | 10.35 | |
| No hay información disponible, no se puede pedir | ||||
| 125 | 968577 | |||
| Tornillo de máquina M5x12 (10 piezas) | ||||
| 126 | 949237 | 1.05 | 1.27 | |
| Arandela de resorte M5 (10 piezas) | ||||
| 127 | 949454 | 1.04 | 1.26 | |
| No hay información disponible, no se puede pedir | ||||
| 128 | 966295 | |||
| Tornillo de máquina M6x12 (10 piezas) | ||||
| 129 | 949255 | 1.35 | 1.63 | |
| Arandela de resorte M6 (antiguo 949455z, 10 piezas | ||||
| 130 | 949455 | 1.05 | 1.27 | |
| INLEGSPIE 3X10 *TD5-1-2* | ||||
| 131 | 932819 | 1.26 | 1.52 | |
| No hay información disponible, no se puede pedir | ||||
| 132 | 966061 | |||
| Arandela de resorte D12 (10 piezas) | ||||
| 133 | 939542 | 1.50 | 1.82 | |
| No hay información disponible, no se puede pedir | ||||
| 134 | 946345 | |||
| No hay información disponible, no se puede pedir | ||||
| 135 | 949473 | |||
| Tornillo de máquina M4x20 (10 Piezas) | ||||
| 136 | 949221 | 1.05 | 1.27 | |
| Arandela de resorte M4 (10 piezas) | ||||
| 137 | 949453 | 1.05 | 1.27 | |
| No hay información disponible, no se puede pedir | ||||
| 138 | 973950 | |||
| No hay información disponible, no se puede pedir | ||||
| 139 | 966277 | |||
| Tornillo de máquina M4x10 (10 piezas) (ANTIGUO 949 | ||||
| 140 | 949216 | 1.05 | 1.27 | |
| Arandela de resorte M4 (10 piezas) | ||||
| 141 | 949453 | 1.05 | 1.27 | |
| No hay información disponible, no se puede pedir | ||||
| 142 | 968677Z | |||
| No hay información disponible, no se puede pedir | ||||
| 143 | 968678Z | |||
| No hay información disponible, no se puede pedir | ||||
| 144 | 972011 | |||
| No hay información disponible, no se puede pedir | ||||
| 145 | 976754 | |||
| No hay información disponible, no se puede pedir | ||||
| 147 | 948046 | |||
| No hay información disponible, no se puede pedir | ||||
| 148 | 947525 | |||
| No hay información disponible, no se puede pedir | ||||
| 149 | 946363 | |||
| No hay información disponible, no se puede pedir | ||||
| 150 | 879208 | |||
| BOLT (10PCS.) (REP FROM 940364) | ||||
| 151 | 976755 | 4.20 | 5.08 | |
| No hay información disponible, no se puede pedir | ||||
| 152 | 976754 | |||
| No hay información disponible, no se puede pedir | ||||
| 154 | 973843Z | |||
| No hay información disponible, no se puede pedir | ||||
| 158 | 947603 | |||
| Tornillo M8x16 (10 piezas) (antiguo 949622z) | ||||
| 160 | 949622 | 1.80 | 2.18 | |
| Botón (a) | ||||
| 160A | 966509 | 4.20 | 5.08 | |
| No hay información disponible, no se puede pedir | ||||
| 161 | 972032 | |||
| No hay información disponible, no se puede pedir | ||||
| 162 | 972033 | |||
| SCHROEF M6X12 (10 STUKS) | ||||
| 163 | 949355 | 1.08 | 1.31 | |
| No hay información disponible, no se puede pedir | ||||
| 165 | 972557 | |||
| BOUT M10X30 (10 STUKS) | ||||
| 166 | 949698 | 3.06 | 3.70 | |
| Arandela M10 (10 piezas) | ||||
| 167 | 949458 | 1.05 | 1.27 | |
| No hay información disponible, no se puede pedir | ||||
| 168 | 972035 | |||
| No hay información disponible, no se puede pedir | ||||
| 169 | 967594 | |||
| Arandela M8 (10 Piezas) | ||||
| 170 | 949433 | 1.05 | 1.27 | |
| Arandela de resorte M8 (10 piezas) | ||||
| 171 | 949457 | 1.05 | 1.27 | |
| Tornillo de mariposa M6x20 | ||||
| 172 | 949404 | 7.65 | 9.26 | |
| Arandela | ||||
| 173 | 967329 | 1.05 | 1.27 | |
| No hay información disponible, no se puede pedir | ||||
| 175 | 972558 | |||
| Metal | ||||
| 177 | 948914 | 5.25 | 6.35 | |
| No hay información disponible, no se puede pedir | ||||
| 178 | 972017 | |||
| No hay información disponible, no se puede pedir | ||||
| 179 | 968582 | |||
| No hay información disponible, no se puede pedir | ||||
| 180 | 972016 | |||
| No hay información disponible, no se puede pedir | ||||
| 182 | 968584 | |||
| No hay información disponible, no se puede pedir | ||||
| 183 | 968585 | |||
| No hay información disponible, no se puede pedir | ||||
| 184 | 968586 | |||
| No hay información disponible, no se puede pedir | ||||
| 185 | 968587 | |||
| Chaveta 4x4x12 *td5-1-3* | ||||
| 186 | 931008 | 1.05 | 1.27 | |
| Anillo de retención para eje D16 (10 piezas) | ||||
| 187 | 939545 | 3.30 | 3.99 | |
| No hay información disponible, no se puede pedir | ||||
| 188 | 968588 | |||
| Pasador 7x7x25 | ||||
| 189 | 948081 | 1.05 | 1.27 | |
| Tornillo hexagonal de ajuste M6x10 | ||||
| 190 | 968247 | 1.04 | 1.26 | |
| No hay información disponible, no se puede pedir | ||||
| 191 | 972559 | |||
| No hay información disponible, no se puede pedir | ||||
| 192 | 949882 | |||
| Tornillo de mariposa M6x15 (10 piezas) | ||||
| 193 | 949402 | 6.00 | 7.26 | |
| Tornillo de máquina M5x12 (10 piezas) | ||||
| 195 | 949237 | 1.05 | 1.27 | |
| Arandela de resorte M5 (10 piezas) | ||||
| 196 | 949454 | 1.04 | 1.26 | |
| Remache D2.5x4.8 (10 Piezas) | ||||
| 197 | 949510 | 1.04 | 1.26 | |
| No hay información disponible, no se puede pedir | ||||
| 198 | 968593 | |||
| No hay información disponible, no se puede pedir | ||||
| 199 | 948063 | |||
| Tornillo M8x25 (10 piezas) | ||||
| 200 | 949626 | 2.25 | 2.72 | |
| Arandela de resorte M8 (10 piezas) | ||||
| 201 | 949457 | 1.05 | 1.27 | |
| No hay información disponible, no se puede pedir | ||||
| 202 | 968692 | |||
| No hay información disponible, no se puede pedir | ||||
| 203 | 948021 | |||
| Pin D4x28 | ||||
| 204 | 949506 | 3.00 | 3.63 | |
| No hay información disponible, no se puede pedir | ||||
| 205 | 939286 | |||
| No hay información disponible, no se puede pedir | ||||
| 206 | 948022 | |||
| ROL PIN D6X30 (10 STUKS) | ||||
| 207 | 949515 | 3.48 | 4.21 | |
| No hay información disponible, no se puede pedir | ||||
| 208 | 948023 | |||
| No hay información disponible, no se puede pedir | ||||
| 209 | 968594 | |||
| Pasador de rueda D4x36 (10 piezas) | ||||
| 210 | 949547 | 3.90 | 4.72 | |
| No hay información disponible, no se puede pedir | ||||
| 211 | 949502 | |||
| RONDHANDGREEP | ||||
| 212A | 972052 | 12.32 | 14.91 | |
| No hay información disponible, no se puede pedir | ||||
| 213 | 949502 | |||
| No hay información disponible, no se puede pedir | ||||
| 217 | 972587 | |||
| Tornillo Hexagonal M10x35 (10 unidades) | ||||
| 218 | 949695 | 3.30 | 3.99 | |
| Arandela M10 (10 piezas) | ||||
| 219 | 949458 | 1.05 | 1.27 | |
| No hay información disponible, no se puede pedir | ||||
| 220 | 972562 | |||
| No hay información disponible, no se puede pedir | ||||
| 221 | 968598 | |||
| No hay información disponible, no se puede pedir | ||||
| 222 | 949625 | |||
| Arandela de resorte M8 (10 piezas) | ||||
| 223 | 949457 | 1.05 | 1.27 | |
| No hay información disponible, no se puede pedir | ||||
| 224 | 968599 | |||
| No hay información disponible, no se puede pedir | ||||
| 225 | 968600 | |||
| No hay información disponible, no se puede pedir | ||||
| 226 | 968689 | |||
| Tornillo de mariposa M6x15 (10 piezas) | ||||
| 227 | 949402 | 6.00 | 7.26 | |
| Arandela M8 (10 Piezas) | ||||
| 228 | 949433 | 1.05 | 1.27 | |
| No hay información disponible, no se puede pedir | ||||
| 229 | 949625 | |||
| Arandela de resorte M8 (10 piezas) | ||||
| 230 | 949457 | 1.05 | 1.27 | |
| No hay información disponible, no se puede pedir | ||||
| 233 | 948033 | |||
| BOLT M6X35 (10 PCS) | ||||
| 234 | 949803 | 1.50 | 1.82 | |
| Tuerca M6 (10pcs) | ||||
| 235 | 949556 | 1.05 | 1.27 | |
| No hay información disponible, no se puede pedir | ||||
| 236 | 948018 | |||
| BOUT M8X30 (10 STUKS) | ||||
| 237 | 949628 | 1.62 | 1.96 | |
| Arandela de resorte M8 (10 piezas) | ||||
| 238 | 949457 | 1.05 | 1.27 | |
| No hay información disponible, no se puede pedir | ||||
| 239 | 968690 | |||
| Tornillo de mariposa M6x15 (10 piezas) | ||||
| 240 | 949402 | 6.00 | 7.26 | |
| No hay información disponible, no se puede pedir | ||||
| 241 | 968602 | |||
| Tornillo M8x35 (10 Piezas) | ||||
| 242 | 949678 | 2.55 | 3.09 | |
| Arandela de resorte M8 (10 piezas) | ||||
| 243 | 949457 | 1.05 | 1.27 | |
| No hay información disponible, no se puede pedir | ||||
| 244 | 968603 | |||
| Rodamiento de bolas 6205 Vv | ||||
| 245 | 6205VV | 10.80 | 13.07 | |
| Rodamiento de bolas 6206vvcmps2s | ||||
| 246 | 6206VV | 14.40 | 17.42 | |
| No hay información disponible, no se puede pedir | ||||
| 247 | 968604 | |||
| No hay información disponible, no se puede pedir | ||||
| 248 | 949254 | |||
| No hay información disponible, no se puede pedir | ||||
| 249 | 968605 | |||
| Pasador 7x7x25 | ||||
| 250 | 948081 | 1.05 | 1.27 | |
| Tornillo hexagonal de ajuste M6x10 | ||||
| 251 | 968247 | 1.04 | 1.26 | |
| Arandela de resorte M6 (antiguo 949455z, 10 piezas | ||||
| 252 | 949455 | 1.05 | 1.27 | |
| No hay información disponible, no se puede pedir | ||||
| 253 | 968606 | |||
| Tornillo de máquina M4x10 (10 piezas) (ANTIGUO 949 | ||||
| 254 | 949216 | 1.05 | 1.27 | |
| Arandela de resorte M4 (10 piezas) | ||||
| 255 | 949453 | 1.05 | 1.27 | |
| Tornillo de mariposa M6x15 (10 piezas) | ||||
| 256 | 949402 | 6.00 | 7.26 | |
| Etiqueta de la marca | ||||
| 257 | 988113 | 2.40 | 2.90 | |
| No hay información disponible, no se puede pedir | ||||
| 258 | 972588Z | |||
| Tornillo M8x16 (10 piezas) (antiguo 949622z) | ||||
| 259 | 949622 | 1.80 | 2.18 | |
| Arandela de resorte M8 (10 piezas) | ||||
| 260 | 949457 | 1.05 | 1.27 | |
| No hay información disponible, no se puede pedir | ||||
| 261 | 316862 | |||
| Tornillo M8x16 (10 piezas) (antiguo 949622z) | ||||
| 262 | 949622 | 1.80 | 2.18 | |
| BOLT M6X14 (10 PCS) (OLD 949612Z) | ||||
| 262 | 949612 | 1.00 | 1.21 | |
| Tuerca M6 (10pcs) | ||||
| 263 | 949556 | 1.05 | 1.27 | |
| Tuerca M8 (10 Piezas) | ||||
| 263 | 949558 | 1.05 | 1.27 | |
| Arandela de Bloqueo M8 | ||||
| 264 | 957042 | 1.05 | 1.27 | |
| ARANDELA M6 | ||||
| 264 | 948167 | 1.04 | 1.26 | |
| No hay información disponible, no se puede pedir | ||||
| 265 | 968609 | |||
| No hay información disponible, no se puede pedir | ||||
| 266A | 972384 | |||
| No hay información disponible, no se puede pedir | ||||
| 267 | 968611 | |||
| No hay información disponible, no se puede pedir | ||||
| 268 | 968612 | |||
| No hay información disponible, no se puede pedir | ||||
| 269 | 966260 | |||
| No hay información disponible, no se puede pedir | ||||
| 270 | 968613 | |||
| BOUT M8X30 (10 STUKS) | ||||
| 271 | 949628 | 1.62 | 1.96 | |
| Arandela de resorte M8 (10 piezas) | ||||
| 272 | 949457 | 1.05 | 1.27 | |
| No hay información disponible, no se puede pedir | ||||
| 273 | 968614 | |||
| No hay información disponible, no se puede pedir | ||||
| 274 | 976863 | |||
| No hay información disponible, no se puede pedir | ||||
| 275 | 968616 | |||
| No hay información disponible, no se puede pedir | ||||
| 276 | 968617 | |||
| Arandela M12 (Antiguo 949437z, 10 Uds.) | ||||
| 278 | 949437 | 1.95 | 2.36 | |
| No hay información disponible, no se puede pedir | ||||
| 279 | 968618 | |||
| Tuerca M12 (10 Piezas) | ||||
| 280 | 949561 | 3.00 | 3.63 | |
| Arandela de resorte M12 (10 piezas) | ||||
| 281 | 949463 | 1.65 | 2.00 | |
| No hay información disponible, no se puede pedir | ||||
| 282 | 968619 | |||
| Rodamiento de bolas 6201vvcmps2s | ||||
| 283 | 6201VV | 6.45 | 7.80 | |
| No hay información disponible, no se puede pedir | ||||
| 284 | 968620 | |||
| No hay información disponible, no se puede pedir | ||||
| 285 | 972563 | |||
| BOUT M10X30 (10 STUKS) | ||||
| 286 | 949698 | 3.06 | 3.70 | |
| Arandela M10 (10 piezas) | ||||
| 287 | 949458 | 1.05 | 1.27 | |
| No hay información disponible, no se puede pedir | ||||
| 288 | 968622 | |||
| INBUSSCHROEF M5X12 | ||||
| 289 | 966292 | 1.00 | 1.21 | |
| No hay información disponible, no se puede pedir | ||||
| 290 | 968623 | |||
| Tornillo M12x25 (10 Piezas) | ||||
| 291 | 949671 | 4.50 | 5.44 | |
| No hay información disponible, no se puede pedir | ||||
| 292 | 948120 | |||
| BOLT W/WASHER M16 (10PCS) | ||||
| 293 | 949438 | 1.50 | 1.82 | |
| VEERRING M16 (10STUKS) | ||||
| 294 | 949464 | 1.38 | 1.67 | |
| No hay información disponible, no se puede pedir | ||||
| 295 | 968624 | |||
| No hay información disponible, no se puede pedir | ||||
| 296 | 976731 | |||
| No hay información disponible, no se puede pedir | ||||
| 296A | 977179 | |||
| No hay información disponible, no se puede pedir | ||||
| 297 | 948122 | |||
| No hay información disponible, no se puede pedir | ||||
| 297A | 964870 | |||
| BOUT M8X20 (10 STUKS) (OUD 949624Z, | ||||
| 298 | 949624 | 1.50 | 1.82 | |
| Arandela de resorte M8 (10 piezas) | ||||
| 299 | 949457 | 1.05 | 1.27 | |
| No hay información disponible, no se puede pedir | ||||
| 300 | 968625 | |||
| No hay información disponible, no se puede pedir | ||||
| 300A | 976861 | |||
| No hay información disponible, no se puede pedir | ||||
| 300B | 976855 | |||
| No hay información disponible, no se puede pedir | ||||
| 301 | 968626 | |||
| No hay información disponible, no se puede pedir | ||||
| 301A | 976862 | |||
| No hay información disponible, no se puede pedir | ||||
| 301B | 976856 | |||
| Tornillo Ajuste Hexagonal M8x10 | ||||
| 302 | 944744 | 1.35 | 1.63 | |
| No hay información disponible, no se puede pedir | ||||
| 303 | 968627 | |||
| No hay información disponible, no se puede pedir | ||||
| 303A | 976858 | |||
| No hay información disponible, no se puede pedir | ||||
| 304 | 968628 | |||
| No hay información disponible, no se puede pedir | ||||
| 305 | 948129 | |||
| No hay información disponible, no se puede pedir | ||||
| 306 | 948130 | |||
| Pasador Rodante D5x25 (10 piezas) | ||||
| 307 | 949681 | 3.60 | 4.36 | |
| Rodamiento de bolas 6007zzcmav2s | ||||
| 308 | 6007ZZ | 10.65 | 12.89 | |
| No hay información disponible, no se puede pedir | ||||
| 308A | 6008ZZ | |||
| Arandela de resorte | ||||
| 309 | 948131 | 1.65 | 2.00 | |
| STOPRING | ||||
| 309A | 948453 | 1.74 | 2.11 | |
| No hay información disponible, no se puede pedir | ||||
| 310 | 977717 | |||
| No hay información disponible, no se puede pedir | ||||
| 310A | 976860 | |||
| BOUT M10X30 (10 STUKS) | ||||
| 313 | 949698 | 3.06 | 3.70 | |
| Arandela M10 (10 piezas) | ||||
| 314 | 949458 | 1.05 | 1.27 | |
| No hay información disponible, no se puede pedir | ||||
| 315 | 968629 | |||
| No hay información disponible, no se puede pedir | ||||
| 315A | 965524 | |||
| No hay información disponible, no se puede pedir | ||||
| 316 | 968630 | |||
| No hay información disponible, no se puede pedir | ||||
| 317 | 968631 | |||
| No hay información disponible, no se puede pedir | ||||
| 318 | 968632 | |||
| No hay información disponible, no se puede pedir | ||||
| 319 | 968633 | |||
| BRAKE LINING | ||||
| 320 | 968634 | 1.00 | 1.21 | |
| SCREW M4.1X20 (10 PCS) FOR WOOD | ||||
| 321 | 949542 | 1.26 | 1.52 | |
| No hay información disponible, no se puede pedir | ||||
| 322 | 968635 | |||
| No hay información disponible, no se puede pedir | ||||
| 323 | 968636 | |||
| No hay información disponible, no se puede pedir | ||||
| 324 | 968637 | |||
| Pasador Rodante D5x25 (10 piezas) | ||||
| 325 | 949681 | 3.60 | 4.36 | |
| No hay información disponible, no se puede pedir | ||||
| 326 | 949505 | |||
| BOUT M8X30 (10 STUKS) | ||||
| 327 | 949628 | 1.62 | 1.96 | |
| Arandela de resorte M8 (10 piezas) | ||||
| 328 | 949457 | 1.05 | 1.27 | |
| Tornillo de máquina M6x45 (10 piezas) | ||||
| 329 | 949265 | 1.65 | 2.00 | |
| Tuerca M6 (10pcs) | ||||
| 330 | 949556 | 1.05 | 1.27 | |
| No hay información disponible, no se puede pedir | ||||
| 331 | 968638 | |||
| Tornillo de máquina M6x12 (10 piezas) | ||||
| 332 | 949255 | 1.35 | 1.63 | |
| Arandela de resorte M6 (antiguo 949455z, 10 piezas | ||||
| 333 | 949455 | 1.05 | 1.27 | |
| No hay información disponible, no se puede pedir | ||||
| 334 | 968682Z | |||
| No hay información disponible, no se puede pedir | ||||
| 335 | 966275 | |||
| No hay información disponible, no se puede pedir | ||||
| 336 | 968640 | |||
| Tornillo de máquina M6x16 (10 unidades) | ||||
| 337 | 949256 | 1.35 | 1.63 | |
| Arandela de resorte M6 (antiguo 949455z, 10 piezas | ||||
| 338 | 949455 | 1.05 | 1.27 | |
| MUELLE DE FRENO | ||||
| 339 | 966064 | 3.90 | 4.72 | |
| No hay información disponible, no se puede pedir | ||||
| 340 | 972579Z | |||
| Tornillo de mariposa M5x10 (antiguo 949397z 10 uni | ||||
| 342 | 949397 | 3.45 | 4.17 | |
| Anillo de retención D4 | ||||
| 343 | 968643 | 1.95 | 2.36 | |
| No hay información disponible, no se puede pedir | ||||
| 344 | 972577Z | |||
| Tornillo de máquina M6x12 (10 piezas) | ||||
| 345 | 949255 | 1.35 | 1.63 | |
| Arandela de resorte M6 (antiguo 949455z, 10 piezas | ||||
| 346 | 949455 | 1.05 | 1.27 | |
| No hay información disponible, no se puede pedir | ||||
| 347 | 968645 | |||
| No hay información disponible, no se puede pedir | ||||
| 348 | 968686Z | |||
| Tornillo de mariposa M5x10 (antiguo 949397z 10 uni | ||||
| 349 | 949397 | 3.45 | 4.17 | |
| No hay información disponible, no se puede pedir | ||||
| 350 | 972599 | |||
| Tornillo de máquina M5x10 (10 piezas) | ||||
| 351 | 949236 | 1.05 | 1.27 | |
| Arandela de resorte M5 (10 piezas) | ||||
| 352 | 949454 | 1.04 | 1.26 | |
| Interruptor (b) K-tipo Sk5-t trifásico | ||||
| 353 | 974975Z | 65.18 | 78.86 | |
| SCHAKELAAR | ||||
| 353 | 937218 | 14.46 | 17.50 | |
| Aislador de interruptor | ||||
| 354 | 937297 | 1.05 | 1.27 | |
| No hay información disponible, no se puede pedir | ||||
| 355 | 968648 | |||
| No hay información disponible, no se puede pedir | ||||
| 356 | 948613 | |||
| No hay información disponible, no se puede pedir | ||||
| 357 | 973715 | |||
| Tornillo de máquina M5x10 (10 piezas) | ||||
| 358 | 949236 | 1.05 | 1.27 | |
| Arandela de resorte M5 (10 piezas) | ||||
| 359 | 949454 | 1.04 | 1.26 | |
| No hay información disponible, no se puede pedir | ||||
| 360 | 968649 | |||
| No hay información disponible, no se puede pedir | ||||
| 362 | 965378 | |||
| Tornillo de máquina M6x12 (10 piezas) | ||||
| 363 | 949255 | 1.35 | 1.63 | |
| Arandela de resorte M6 (antiguo 949455z, 10 piezas | ||||
| 364 | 949455 | 1.05 | 1.27 | |
| Terminal de soldadura 50092 (10 piezas) | ||||
| 365 | 959141 | 3.75 | 4.54 | |
| Terminal de soldadura 50092 (10 piezas) | ||||
| 365S | 959141 | 3.75 | 4.54 | |
| No hay información disponible, no se puede pedir | ||||
| 366 | 968650 | |||
| No hay información disponible, no se puede pedir | ||||
| 367 | 968687Z | |||
| Tornillo de máquina M4x8 (10 piezas) | ||||
| 368 | 949215 | 1.05 | 1.27 | |
| Arandela de resorte M4 (10 piezas) | ||||
| 369 | 949453 | 1.05 | 1.27 | |
| No hay información disponible, no se puede pedir | ||||
| 370 | 972581Z | |||
| No hay información disponible, no se puede pedir | ||||
| 371 | 968684Z | |||
| No hay información disponible, no se puede pedir | ||||
| 372 | 968685Z | |||
| BOUT M8X20 (10 STUKS) (OUD 949624Z, | ||||
| 373 | 949624 | 1.50 | 1.82 | |
| Muelle | ||||
| 374 | 873923 | 1.05 | 1.27 | |
| Guía para la mesa giratoria C8fc | ||||
| 375 | 966511 | 1.05 | 1.27 | |
| Guía para la mesa giratoria C8fc | ||||
| 376 | 966512 | 1.05 | 1.27 | |
| No hay información disponible, no se puede pedir | ||||
| 377 | 968655 | |||
| No hay información disponible, no se puede pedir | ||||
| 378 | 967589 | |||
| Perno M8x90 | ||||
| 379 | 968656 | 1.20 | 1.45 | |
| No hay información disponible, no se puede pedir | ||||
| 380 | 968552 | |||
| Arandela de resorte M8 (10 piezas) | ||||
| 381 | 949457 | 1.05 | 1.27 | |
| Tuerca M8 (10 Piezas) | ||||
| 382 | 949558 | 1.05 | 1.27 | |
| No hay información disponible, no se puede pedir | ||||
| 383 | 972448 | |||
| No hay información disponible, no se puede pedir | ||||
| 384 | 940543 | |||
| No hay información disponible, no se puede pedir | ||||
| 385 | 972043 | |||
| No hay información disponible, no se puede pedir | ||||
| 386 | 948163 | |||
| No hay información disponible, no se puede pedir | ||||
| 387 | 945882 | |||
| No hay información disponible, no se puede pedir | ||||
| 388 | 972601 | |||
| No hay información disponible, no se puede pedir | ||||
| 390 | 972568 | |||
| No hay información disponible, no se puede pedir | ||||
| 391 | 966266 | |||
| No hay información disponible, no se puede pedir | ||||
| 392 | 967327 | |||
| No hay información disponible, no se puede pedir | ||||
| 393A | 945439 | |||
| No hay información disponible, no se puede pedir | ||||
| 396 | 949796 | |||
| Arandela | ||||
| 397 | 967329 | 1.05 | 1.27 | |
| Tuerca M6 (10pcs) | ||||
| 398 | 949556 | 1.05 | 1.27 | |
| Tornillo de mariposa M5x15 (10 Piezas) | ||||
| 399 | 949393 | 3.15 | 3.81 | |
| Tornillo Hd M6x25 (10 Piezas) | ||||
| 400 | 949342 | 1.65 | 2.00 | |
| No hay información disponible, no se puede pedir | ||||
| 402 | 976351 | |||
| Arandela M6 (10 Piezas) | ||||
| 405 | 949432 | 1.05 | 1.27 | |
| Arandela de resorte M12 (10 piezas) | ||||
| 406 | 949463 | 1.65 | 2.00 | |
| Tornillo de cabeza allen M5x15 (10 piezas) | ||||
| 407 | 949820 | 2.55 | 3.09 | |
| Arandela de resorte M5 (10 piezas) | ||||
| 408 | 949454 | 1.04 | 1.26 | |
| No hay información disponible, no se puede pedir | ||||
| 409 | 968663 | |||
| Abrazadera del cordón | ||||
| 410 | 975144 | 1.04 | 1.26 | |
| Arandela M10 (Antiguo 949434z, 10 Uds.) | ||||
| 412 | 949434 | 1.35 | 1.63 | |
| No hay información disponible, no se puede pedir | ||||
| 414 | 968668 | |||
| Tornillo de máquina M6x16 (10 unidades) | ||||
| 415 | 949256 | 1.35 | 1.63 | |
| Arandela de resorte M6 (antiguo 949455z, 10 piezas | ||||
| 416 | 949455 | 1.05 | 1.27 | |
| No hay información disponible, no se puede pedir | ||||
| 417 | 967104 | |||
| Tuerca M8 (10 Piezas) | ||||
| 418 | 949558 | 1.05 | 1.27 | |
| No hay información disponible, no se puede pedir | ||||
| 419 | 968670 | |||
| Tornillo de mariposa M6x20 | ||||
| 420 | 949404 | 7.65 | 9.26 | |
| No hay información disponible, no se puede pedir | ||||
| 421 | 968601 | |||
| No hay información disponible, no se puede pedir | ||||
| 422 | 968671 | |||
| No hay información disponible, no se puede pedir | ||||
| 423 | 949339 | |||
| No hay información disponible, no se puede pedir | ||||
| 424 | 972026 | |||
| No hay información disponible, no se puede pedir | ||||
| 425 | 972027 | |||
| No hay información disponible, no se puede pedir | ||||
| 426 | 972028 | |||
| ROL PIN D4X25 (10 STUKS) | ||||
| 427 | 949548 | 1.98 | 2.40 | |
| No hay información disponible, no se puede pedir | ||||
| 429 | 948938 | |||
| Tornillo M8x25 (antiguo 949760z,10 piezas) | ||||
| 430 | 949760 | 5.55 | 6.72 | |
| Arandela de resorte M8 (10 piezas) | ||||
| 431 | 949457 | 1.05 | 1.27 | |
| No hay información disponible, no se puede pedir | ||||
| 432 | 948940 | |||
| No hay información disponible, no se puede pedir | ||||
| 433 | 972029 | |||
| INBUSBOUT M10X25 ( 10 STUKS ) | ||||
| 434 | 949845 | 5.04 | 6.10 | |
| Arandela M10 (10 piezas) | ||||
| 435 | 949458 | 1.05 | 1.27 | |
| No hay información disponible, no se puede pedir | ||||
| 436 | 948943 | |||
| ROL PIN D6X32 (10 STUKS) | ||||
| 437 | 949576 | 3.06 | 3.70 | |
| IMB.BOUT M10X30HD(OUD 968244,10S) | ||||
| 438 | 949846 | 4.32 | 5.23 | |
| No hay información disponible, no se puede pedir | ||||
| 439 | 972570 | |||
| BOUT M8X20 (10 STUKS) (OUD 949624Z, | ||||
| 440 | 949624 | 1.50 | 1.82 | |
| Arandela de resorte M8 (10 piezas) | ||||
| 441 | 949457 | 1.05 | 1.27 | |
| No hay información disponible, no se puede pedir | ||||
| 442 | 967922 | |||
| No hay información disponible, no se puede pedir | ||||
| 443 | 973819 | |||
| No hay información disponible, no se puede pedir | ||||
| 444 | 947525 | |||
| No hay información disponible, no se puede pedir | ||||
| 445 | 946363 | |||
| No hay información disponible, no se puede pedir | ||||
| 446 | 972576Z | |||
| No hay información disponible, no se puede pedir | ||||
| 447 | 972582Z | |||
| No hay información disponible, no se puede pedir | ||||
| 449 | 964636 | |||
| No hay información disponible, no se puede pedir | ||||
| 450 | 972583 | |||
| No hay información disponible, no se puede pedir | ||||
| 451 | 972584 | |||
| RING (T) | ||||
| 452 | 967115 | 1.00 | 1.21 | |
| No hay información disponible, no se puede pedir | ||||
| 453 | 972589 | |||
| Tornillo M8x16 (10 piezas) (antiguo 949622z) | ||||
| 454 | 949622 | 1.80 | 2.18 | |
| Arandela de resorte M8 (10 piezas) | ||||
| 455 | 949457 | 1.05 | 1.27 | |
| Arandela M8 (10 Piezas) | ||||
| 456 | 949433 | 1.05 | 1.27 | |
| No hay información disponible, no se puede pedir | ||||
| 457 | 974351 | |||
| No hay información disponible, no se puede pedir | ||||
| 460 | 932161 | |||
| No hay información disponible, no se puede pedir | ||||
| 461 | 973911 | |||
| No hay información disponible, no se puede pedir | ||||
| 462 | 972591 | |||
| No hay información disponible, no se puede pedir | ||||
| 463 | 966585 | |||
| No hay información disponible, no se puede pedir | ||||
| 463A | 376443 | |||
| Tornillo de máquina M4x16 (10 piezas) | ||||
| 464 | 949219 | 1.20 | 1.45 | |
| Arandela de resorte M4 (10 piezas) | ||||
| 465 | 949453 | 1.05 | 1.27 | |
| No hay información disponible, no se puede pedir | ||||
| 466 | 972600 | |||
| Remache D2.5x4.8 (10 Piezas) | ||||
| 468 | 949510 | 1.04 | 1.26 | |
| Tornillo de máquina M5x10 (10 piezas) | ||||
| 469 | 949236 | 1.05 | 1.27 | |
| Arandela de resorte M5 (10 piezas) | ||||
| 470 | 949454 | 1.04 | 1.26 | |
| Abrazadera del cordón | ||||
| 471 | 975144 | 1.04 | 1.26 | |
| No hay información disponible, no se puede pedir | ||||
| 473 | 976854 | |||
| No hay información disponible, no se puede pedir | ||||
| 475 | 968336 | |||
| No hay información disponible, no se puede pedir | ||||
| 476 | 967754 | |||
| No hay información disponible, no se puede pedir | ||||
| 701 | 972730 | |||
| Soporte de Cepillo de Carbono | ||||
| 702A | 956984 | 9.60 | 11.62 | |
| INBUSSTELSCHROEF M4X5 | ||||
| 703 | 967508 | 1.00 | 1.21 | |
| No hay información disponible, no se puede pedir | ||||
| 704 | 968914F | |||
| Contacto del cepillo de carbón (antiguo 957004) | ||||
| 705 | 998744 | 1.20 | 1.45 | |
| No hay información disponible, no se puede pedir | ||||
| 706 | 977749 | |||
| No hay información disponible, no se puede pedir | ||||
| 708 | 976307 | |||
| No hay información disponible, no se puede pedir | ||||
| 709 | 948603 | |||
| No hay información disponible, no se puede pedir | ||||
| 710 | 968916F | |||
| Rodamiento de bolas 6200 Vv | ||||
| 711 | 6200VV | 6.15 | 7.44 | |
| Cojinete de bolas 6202vvcmps2s | ||||
| 712 | 6202VV | 7.05 | 8.53 | |
| Cuña TSF 55 | ||||
| 713 | 976301 | 1.05 | 1.27 | |
| No hay información disponible, no se puede pedir | ||||
| 714 | 968911 | |||
| Tornillo de máquina M6x20 (10 piezas) | ||||
| 715 | 949258 | 1.65 | 2.00 | |
| Tornillo de máquina M6x25 (10 piezas) | ||||
| 716 | 949260 | 1.35 | 1.63 | |
| Arandela de resorte M6 (antiguo 949455z, 10 piezas | ||||
| 717 | 949455 | 1.05 | 1.27 | |
| No hay información disponible, no se puede pedir | ||||
| 718 | 968910 | |||
| No hay información disponible, no se puede pedir | ||||
| 719 | 948608 | |||
| No hay información disponible, no se puede pedir | ||||
| 719A | 974729 | |||
| Chaveta 4x4x12 *td5-1-3* | ||||
| 720 | 931008 | 1.05 | 1.27 | |
| Cojinete de bolas 6202vvcmps2s | ||||
| 721 | 6202VV | 7.05 | 8.53 | |
| Rodamiento de bolas 6205 Vv | ||||
| 722 | 6205VV | 10.80 | 13.07 | |
| No hay información disponible, no se puede pedir | ||||
| 723 | 968912 | |||
| Tornillo Hexagonal Interno M6x20 (10 Piezas) | ||||
| 724 | 949660 | 3.30 | 3.99 | |
| Arandela de resorte M6 (antiguo 949455z, 10 piezas | ||||
| 725 | 949455 | 1.05 | 1.27 | |
| No hay información disponible, no se puede pedir | ||||
| 726 | 948618 | |||
| Escobilla de carbono (1 par) | ||||
| 727 | 999044 | 4.50 | 5.44 | |
| Tapa del cepillo | ||||
| 728 | 978445 | 1.05 | 1.27 | |
| Tapa del cepillo | ||||
| 728A | 940540 | 1.04 | 1.26 | |
| No hay información disponible, no se puede pedir | ||||
| 729 | 948385 | |||
| No hay información disponible, no se puede pedir | ||||
| 730 | 930030 | |||
| No hay información disponible, no se puede pedir | ||||
| 731 | 947346 | |||
| Terminal de soldadura 50092 (10 piezas) | ||||
| 732 | 959141 | 3.75 | 4.54 | |
| No hay información disponible, no se puede pedir | ||||
| 733 | 948612 | |||
| No hay información disponible, no se puede pedir | ||||
| 734 | 976737 | |||
| No hay información disponible, no se puede pedir | ||||
| 735 | 949292 | |||
| Clip de Nylon | ||||
| 736 | 948193 | 1.05 | 1.27 | |
| No hay información disponible, no se puede pedir | ||||
| 737 | 948613 | |||
| No hay información disponible, no se puede pedir | ||||
| 738 | 947063 | |||
| No hay información disponible, no se puede pedir | ||||
| 739 | 967579 | |||
| Tuerca M4 (10 Piezas) | ||||
| 741 | 949554 | 1.05 | 1.27 | |
| Tornillo de máquina M4x10 (10 piezas) (ANTIGUO 949 | ||||
| 743 | 949216 | 1.05 | 1.27 | |
| Arandela de resorte M4 (10 piezas) | ||||
| 744 | 949453 | 1.05 | 1.27 | |
| No hay información disponible, no se puede pedir | ||||
| 746 | 968919 | |||
| Tornillo de máquina M5x10 (10 piezas) | ||||
| 747 | 949236 | 1.05 | 1.27 | |
| Arandela M5 (antiguo 949431z, 10 piezas) | ||||
| 748 | 949431 | 1.04 | 1.26 | |
| Abrazadera del cordón | ||||
| 749 | 975144 | 1.04 | 1.26 | |