Aquí encontrará todas las piezas y dibujos técnicos disponibles de 'Hikoki R14DL'. Desde aquí podrá pedir todas las piezas deseadas directamente. Para muchas piezas de repuesto, es necesario pasar un pedido al fabricante. Dependiendo de la marca, el plazo de entrega puede variar entre una y cuatro semanas. Toda la información que tenemos está en nuestro sitio web. No podremos aconsejarle sobre lo que necesita hasta que entregue la máquina para su reparación. Tenga en cuenta lo siguiente a la hora de cursar su pedido:
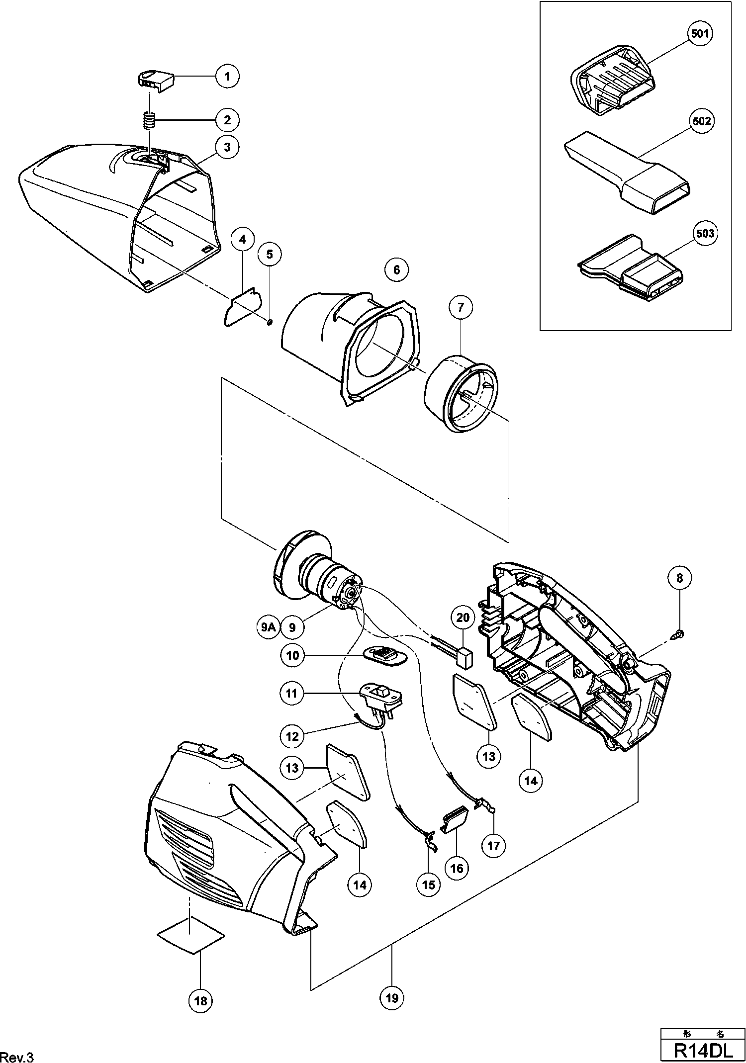
Dibujo técnico de los/las Hikoki R14DL
Lista de las piezas de repuesto de Hikoki R14DL
| Pos. | Descripción | Precio con el IVA excluido | Precio con el IVA incluido | |
| Los precios mostrados incluyen el IVA | ||||
| Botón de empuje | ||||
| 1 | 331382 | 1.05 | 1.27 | |
| Muelle | ||||
| 2 | 331383 | 1.05 | 1.27 | |
| Cubierta del polvo | ||||
| 3 | 331385 | 11.40 | 13.79 | |
| Válvula de aislamiento | ||||
| 4 | 331386 | 1.05 | 1.27 | |
| Tuerca | ||||
| 5 | 331384 | 1.05 | 1.27 | |
| CUBIERTA PROTECTORA | ||||
| 6 | 331387 | 4.58 | 5.54 | |
| Filtro | ||||
| 7 | 331404 | 4.20 | 5.08 | |
| Tornillo de roscado D4x20 con brida (negro) | ||||
| 8 | 301653 | 1.04 | 1.26 | |
| MOTOR | ||||
| 9A | 334897 | 18.84 | 22.79 | |
| Ya no disponible, sin reemplazo | ||||
| 10 | 331388 | |||
| Interruptor | ||||
| 11 | 331393 | 2.10 | 2.54 | |
| Cable interno | ||||
| 12 | 331396 | 2.10 | 2.54 | |
| Aislamiento De Ruido (a) | ||||
| 13 | 331380 | 2.10 | 2.54 | |
| Aislamiento De Ruido (b) | ||||
| 14 | 331381 | 2.10 | 2.54 | |
| Ya no disponible, sin reemplazo | ||||
| 15 | 331395 | |||
| Soporte | ||||
| 16 | 315141 | 1.20 | 1.45 | |
| Ya no disponible, sin reemplazo | ||||
| 17 | 331394 | |||
| No hay información disponible, no se puede pedir | ||||
| 19 | 331379 | |||
| No hay información disponible, no se puede pedir | ||||
| 501 | 331405 | |||
| No hay información disponible, no se puede pedir | ||||
| 502 | 331406 | |||
| No hay información disponible, no se puede pedir | ||||
| 503 | 331407 | |||