Aquí encontrará todas las piezas y dibujos técnicos disponibles de 'Hikoki S15SB'. Desde aquí podrá pedir todas las piezas deseadas directamente. Para muchas piezas de repuesto, es necesario pasar un pedido al fabricante. Dependiendo de la marca, el plazo de entrega puede variar entre una y cuatro semanas. Toda la información que tenemos está en nuestro sitio web. No podremos aconsejarle sobre lo que necesita hasta que entregue la máquina para su reparación. Tenga en cuenta lo siguiente a la hora de cursar su pedido:
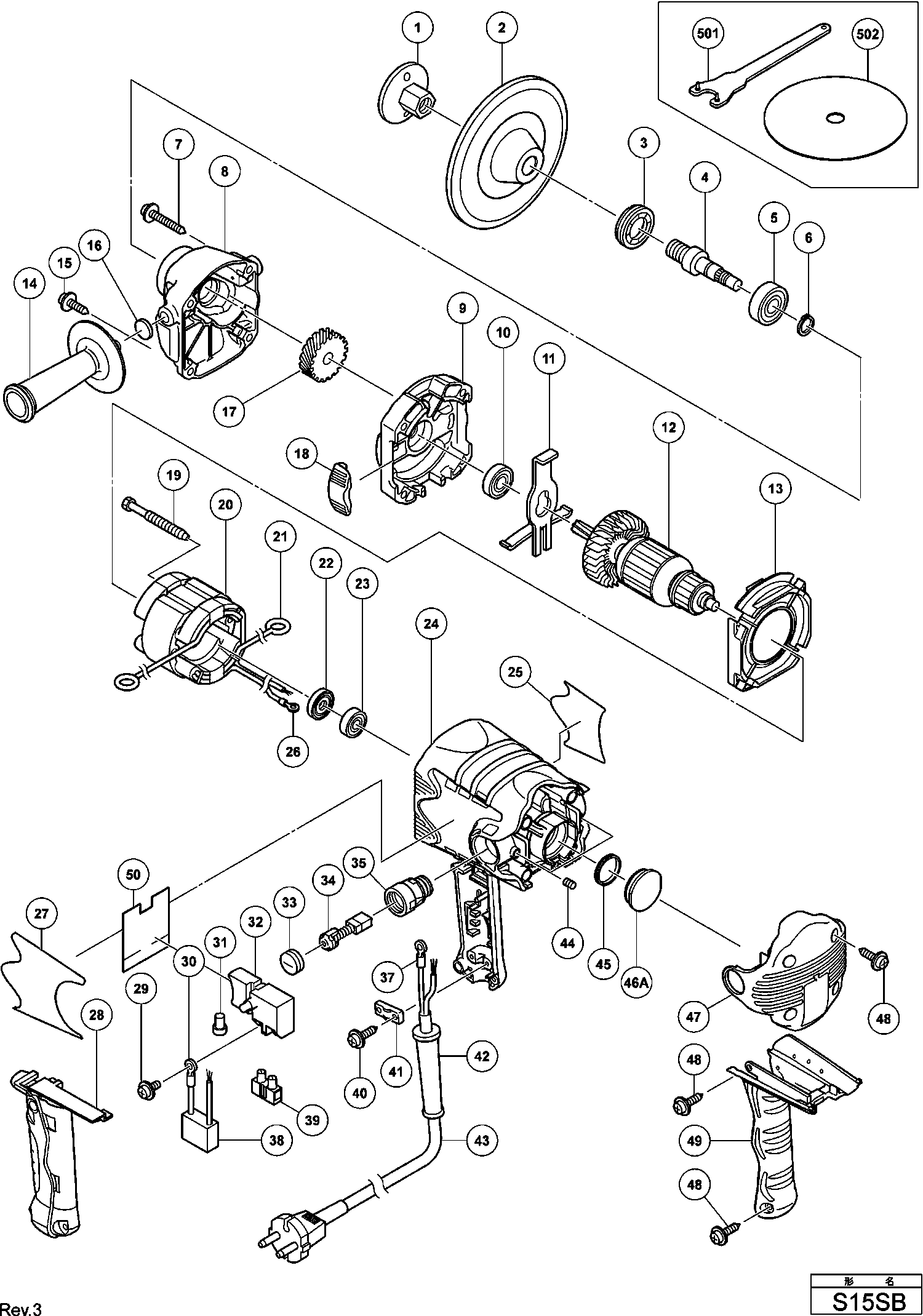
Dibujo técnico de los/las Hikoki S15SB
Lista de las piezas de repuesto de Hikoki S15SB
| Pos. | Descripción | Precio con el IVA excluido | Precio con el IVA incluido | |
| Los precios mostrados incluyen el IVA | ||||
| No hay información disponible, no se puede pedir | ||||
| 1 | 953381 | |||
| No hay información disponible, no se puede pedir | ||||
| 2 | 935652 | |||
| Tapa del cojinete | ||||
| 3 | 325857 | 3.00 | 3.63 | |
| No hay información disponible, no se puede pedir | ||||
| 4 | 325501 | |||
| Rodamiento de bolas 6201dducmav2s | ||||
| 5 | 6201DD | 6.30 | 7.62 | |
| Arandela de resorte D12 (10 piezas) | ||||
| 6 | 939542 | 1.50 | 1.82 | |
| No hay información disponible, no se puede pedir | ||||
| 7 | 309778 | |||
| TANDWIELHUIS | ||||
| 8 | 325499 | 11.16 | 13.50 | |
| Cubierta interior | ||||
| 9 | 325498 | 13.20 | 15.97 | |
| Rodamiento de bolas 6000dducmps2s | ||||
| 10 | 6000DD | 6.00 | 7.26 | |
| Palanca de bloqueo | ||||
| 11 | 325477 | 1.95 | 2.36 | |
| ARMADURA 230V | ||||
| 12 | 360758E | 54.45 | 65.88 | |
| Guía de ventilador | ||||
| 13 | 325474 | 3.00 | 3.63 | |
| No hay información disponible, no se puede pedir | ||||
| 14 | 994322 | |||
| Tornillo de rosca con brida D5x35 (negro) | ||||
| 15 | 323209 | 1.35 | 1.63 | |
| Arandela de fieltro | ||||
| 16 | 937033 | 1.04 | 1.26 | |
| Primera Engranaje | ||||
| 17 | 325500 | 30.11 | 36.44 | |
| Guía de ventilador | ||||
| 18 | 328483 | 4.35 | 5.26 | |
| Ya no disponible, sin reemplazo | ||||
| 19 | 992509 | |||
| No hay información disponible, no se puede pedir | ||||
| 20 | 340656F | |||
| Punto de contacto del Portaescobillas | ||||
| 21 | 930703 | 2.40 | 2.90 | |
| Empaque de Polvo G18u/ua/ub y otros | ||||
| 22 | 315877 | 1.05 | 1.27 | |
| Rodamiento de bolas 608vvmc2eps2l | ||||
| 23 | 608VVM | 5.70 | 6.90 | |
| Set de cubierta de mango de carcasa Incl.31,48-50a | ||||
| 24A | 370922 | 36.58 | 44.26 | |
| Terminal de Conexión | ||||
| 26 | 980063 | 1.04 | 1.26 | |
| Tornillo de máquina (con arandela) M3.5x6 | ||||
| 29 | 305499 | 1.05 | 1.27 | |
| Terminal de Conexión | ||||
| 30 | 980063 | 1.04 | 1.26 | |
| Terminal de soldadura 50091 (10 piezas) | ||||
| 31 | 959140 | 3.30 | 3.99 | |
| Interruptor Cj65v2 Includ.36 | ||||
| 32 | 305409 | 5.70 | 6.90 | |
| Tapa del cepillo | ||||
| 33 | 945161 | 1.20 | 1.45 | |
| Escobilla de carbono (1 par) | ||||
| 34 | 999043 | 4.50 | 5.44 | |
| No hay información disponible, no se puede pedir | ||||
| 35A | 370926 | |||
| Terminal de Conexión | ||||
| 37 | 980063 | 1.04 | 1.26 | |
| No hay información disponible, no se puede pedir | ||||
| 40 | 984750 | |||
| Tira de sujeción (antiguo 994566) | ||||
| 41 | 937631 | 1.04 | 1.26 | |
| No hay información disponible, no se puede pedir | ||||
| 42 | 953327 | |||
| Ya no disponible, sin reemplazo | ||||
| 43 | 500435Z | |||
| Tornillo de ajuste hexagonal M5x8 | ||||
| 44 | 938477 | 1.05 | 1.27 | |
| Anillo de goma (1) | ||||
| 45 | 995662 | 1.04 | 1.26 | |
| COJINETE | ||||
| 46A | 330079 | 4.95 | 5.99 | |
| Cubierta trasera | ||||
| 47 | 325494 | 4.35 | 5.26 | |
| Tornillo de roscado D4x20 con brida (negro) | ||||
| 48 | 301653 | 1.04 | 1.26 | |
| Empuñadura | ||||
| 49 | 325490 | 4.35 | 5.26 | |
| No hay información disponible, no se puede pedir | ||||
| 50 | 328701 | |||
| No hay información disponible, no se puede pedir | ||||
| 501 | 325491 | |||
| No hay información disponible, no se puede pedir | ||||
| 502 | 314079 | |||
| No hay información disponible, no se puede pedir | ||||
| 601 | 314073 | |||
| No hay información disponible, no se puede pedir | ||||
| 602 | 314074 | |||
| No hay información disponible, no se puede pedir | ||||
| 603 | 314075 | |||
| No hay información disponible, no se puede pedir | ||||
| 604 | 314076 | |||
| No hay información disponible, no se puede pedir | ||||
| 605 | 314077 | |||
| No hay información disponible, no se puede pedir | ||||
| 606 | 314078 | |||
| No hay información disponible, no se puede pedir | ||||
| 607 | 314080 | |||
| No hay información disponible, no se puede pedir | ||||
| 608 | 314081 | |||
| No hay información disponible, no se puede pedir | ||||
| 609 | 314082 | |||
| No hay información disponible, no se puede pedir | ||||
| 610 | 314083 | |||