Aquí encontrará todas las piezas y dibujos técnicos disponibles de 'Hikoki SAT180'. Desde aquí podrá pedir todas las piezas deseadas directamente. Para muchas piezas de repuesto, es necesario pasar un pedido al fabricante. Dependiendo de la marca, el plazo de entrega puede variar entre una y cuatro semanas. Toda la información que tenemos está en nuestro sitio web. No podremos aconsejarle sobre lo que necesita hasta que entregue la máquina para su reparación. Tenga en cuenta lo siguiente a la hora de cursar su pedido:
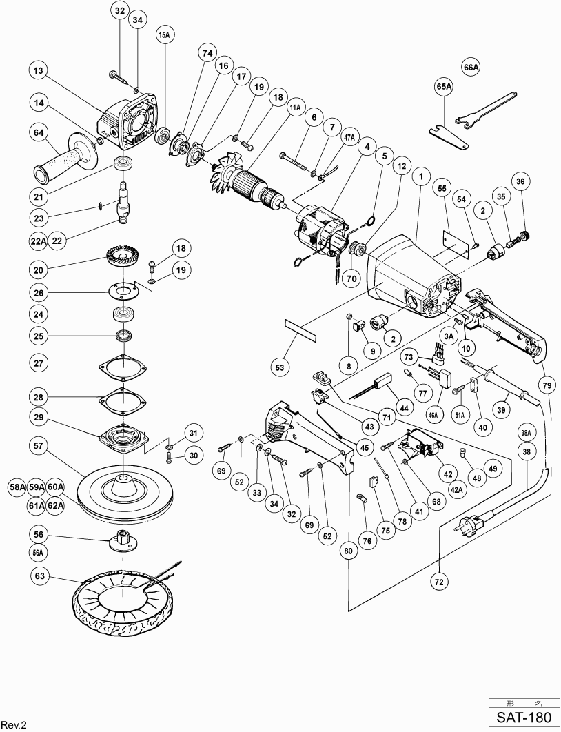
Dibujo técnico de los/las Hikoki SAT180
Lista de las piezas de repuesto de Hikoki SAT180
| Pos. | Descripción | Precio con el IVA excluido | Precio con el IVA incluido | |
| Los precios mostrados incluyen el IVA | ||||
| CARCASA | ||||
| 1 | 953230 | 24.61 | 29.78 | |
| Soporte de Cepillo de Carbono | ||||
| 2 | 958900 | 6.45 | 7.80 | |
| Soporte de Cepillo de Carbono | ||||
| 2 | 981586 | 6.45 | 7.80 | |
| Tornillo de ajuste Allen M4 X 5 | ||||
| 3A | 961681 | 1.04 | 1.26 | |
| CAMPO 220V | ||||
| 4 | 953231L | 21.18 | 25.62 | |
| Stator 220v-230v H-90sa Includ.103 Para Nzl,saf | ||||
| 4 | 953231E | 21.04 | 25.46 | |
| Conjunto de estator 240v Includ.103 | ||||
| 4 | 953231F | 21.04 | 25.46 | |
| Punto de contacto del Portaescobillas | ||||
| 5 | 930703 | 2.40 | 2.90 | |
| MACHINESCHROEF M5X55 (10 STUKS) | ||||
| 6 | 949233 | 1.62 | 1.96 | |
| Tuerca M5 (10 piezas) (ANTIGUO 949555Z) | ||||
| 8 | 949555 | 1.05 | 1.27 | |
| Cubierta de tuerca Sat180 | ||||
| 9 | 953232 | 1.05 | 1.27 | |
| BOLÍGRAFO DE GOMA | ||||
| 10 | 931701 | 1.05 | 1.27 | |
| Armadura (953262e) | ||||
| 11A | 953297E | 63.25 | 76.53 | |
| Armazón Ass'y 240 Voltios (antiguo 953262f) | ||||
| 11A | 953297F | 62.98 | 76.20 | |
| Rodamiento de bolas 608vvmc2eps2l | ||||
| 12 | 608VVM | 5.70 | 6.90 | |
| CUBIERTA DE LA CAJA DE ENGRANAJES | ||||
| 13 | 953234 | 12.00 | 14.52 | |
| Arandela de fieltro | ||||
| 14 | 937033 | 1.04 | 1.26 | |
| Rodamiento de bolas 6002 Vv C7mfa | ||||
| 15A | 6002VV | 7.35 | 8.89 | |
| Empaque De Fieltro | ||||
| 16 | 953235 | 1.04 | 1.26 | |
| Arandela | ||||
| 17 | 953236 | 1.04 | 1.26 | |
| Tornillo de máquina M4x12 (10 piezas) | ||||
| 18 | 949217 | 1.05 | 1.27 | |
| Arandela de resorte M4 (10 piezas) | ||||
| 19 | 949453 | 1.05 | 1.27 | |
| ENGANCHE | ||||
| 20 | 953237 | 35.06 | 42.43 | |
| Rodamiento de bolas 6200 Vv | ||||
| 21 | 6200VV | 6.15 | 7.44 | |
| BARRA TOMMY | ||||
| 22 | 953238Z | 11.58 | 14.01 | |
| No hay información disponible, no se puede pedir | ||||
| 22A | 953380 | |||
| Chaveta 3x3x10 | ||||
| 23 | 940533 | 1.20 | 1.45 | |
| Cojinete de bolas 6202vvcmps2s | ||||
| 24 | 6202VV | 7.05 | 8.53 | |
| Empaque De Fieltro | ||||
| 25 | 938403 | 1.04 | 1.26 | |
| Cubierta del cojinete RTS 400 REQ | ||||
| 26 | 937077 | 2.78 | 3.36 | |
| Junta | ||||
| 27 | 953239 | 1.05 | 1.27 | |
| Arandela de empuje | ||||
| 28 | 953240 | 1.05 | 1.27 | |
| Cubierta interior | ||||
| 29 | 953241 | 7.30 | 8.83 | |
| Tornillo de Máquina M5X16 (10 Piezas) | ||||
| 30 | 949239 | 1.05 | 1.27 | |
| No hay información disponible, no se puede pedir | ||||
| 32 | 937807 | |||
| Arandela de bloqueo M5 (antiguo 949424z , 10 pieza | ||||
| 33 | 949424 | 1.05 | 1.27 | |
| Arandela de resorte M5 (10 piezas) | ||||
| 34 | 949454 | 1.04 | 1.26 | |
| Escobilla de carbono (1 par) | ||||
| 35 | 999043 | 4.50 | 5.44 | |
| Tapa del cepillo | ||||
| 36 | 961781 | 2.55 | 3.09 | |
| Tapa del cepillo | ||||
| 36 | 945161 | 1.20 | 1.45 | |
| Cordón | ||||
| 38 | 500240Z | 13.18 | 15.94 | |
| SNOER 2.5M 2 X 1.0 H05VV-F W/PLUG 13A/250V (OLD 50 | ||||
| 38 | 500423Z | 12.87 | 15.57 | |
| Cordón 2,5m 2 X 1.0 H05vv-f (Antiguo 500395z) | ||||
| 38 | 500447Z | 6.60 | 7.99 | |
| Ya no disponible, sin reemplazo | ||||
| 38A | 500435Z | |||
| Armadura de cable D10.7 | ||||
| 39 | 940778 | 2.10 | 2.54 | |
| Prensaestopas de cable D8.2 (antiguo 958049z) | ||||
| 39 | 958049 | 1.04 | 1.26 | |
| Tira de sujeción (antiguo 994566) | ||||
| 40 | 937631 | 1.04 | 1.26 | |
| TORNILLO M4X35 | ||||
| 41 | 954017 | 1.04 | 1.26 | |
| Interruptor (antiguo 956632) | ||||
| 42 | 931573 | 40.43 | 48.91 | |
| Interruptor (b) sin bloqueo | ||||
| 42 | 953249P | 23.93 | 28.95 | |
| Interruptor (937664) | ||||
| 42 | 986201 | 16.64 | 20.13 | |
| Interruptor (antiguo 956632H) | ||||
| 42A | 956632 | 16.64 | 20.13 | |
| Interruptor | ||||
| 43 | 953261 | 13.50 | 16.34 | |
| Interruptor deslizante Ass'y (1p tipo de soldadura | ||||
| 43 | 953266Z | 10.95 | 13.25 | |
| DIODO | ||||
| 44 | 957556 | 17.88 | 21.63 | |
| DIODE 100V-127V | ||||
| 44 | 956613 | 14.90 | 18.03 | |
| Cable interno | ||||
| 45 | 953243 | 1.04 | 1.26 | |
| Condensador (antiguo 930030/991313) | ||||
| 46A | 994273 | 4.29 | 5.19 | |
| BEDRADING | ||||
| 47A | 981010 | 1.00 | 1.21 | |
| Terminal de soldadura 50091 (10 piezas) | ||||
| 48 | 959140 | 3.30 | 3.99 | |
| Terminal de soldadura 50092 (10 piezas) | ||||
| 49 | 959141 | 3.75 | 4.54 | |
| No hay información disponible, no se puede pedir | ||||
| 51A | 984750 | |||
| Anillo M4 (10 piezas) | ||||
| 52 | 949423 | 1.05 | 1.27 | |
| No hay información disponible, no se puede pedir | ||||
| 53 | 957561 | |||
| NAGEL D2.5X3.2 (10 STKS.) | ||||
| 54 | 949509 | 1.00 | 1.21 | |
| No hay información disponible, no se puede pedir | ||||
| 56 | 953254P | |||
| No hay información disponible, no se puede pedir | ||||
| 56A | 953381 | |||
| No hay información disponible, no se puede pedir | ||||
| 57 | 953255 | |||
| No hay información disponible, no se puede pedir | ||||
| 58A | 314086 | |||
| No hay información disponible, no se puede pedir | ||||
| 59A | 314087 | |||
| No hay información disponible, no se puede pedir | ||||
| 60A | 314090 | |||
| No hay información disponible, no se puede pedir | ||||
| 63 | 949103 | |||
| No hay información disponible, no se puede pedir | ||||
| 64 | 956633 | |||
| No hay información disponible, no se puede pedir | ||||
| 65A | 936638 | |||
| No hay información disponible, no se puede pedir | ||||
| 66A | 325491 | |||
| RING | ||||
| 68 | 949440 | 1.00 | 1.21 | |
| Tornillo roscado (con arandela sp.) D4x20 | ||||
| 69 | 956384 | 1.05 | 1.27 | |
| Anillo de sellado de polvo (a) | ||||
| 70 | 956387 | 2.10 | 2.54 | |
| Cubierta del interruptor | ||||
| 71 | 971792 | 1.65 | 2.00 | |
| Mango (antiguo 953258+953259) | ||||
| 72 | 953260 | 13.05 | 15.79 | |
| Restrictor TN19/11/10-3E25 | ||||
| 73 | 958263 | 24.89 | 30.11 | |
| Anillo de distancia | ||||
| 74 | 953265 | 1.05 | 1.27 | |
| Bloque de Terminal | ||||
| 75 | 938307 | 2.13 | 2.57 | |
| Terminal de Conexión | ||||
| 76 | 980063 | 1.04 | 1.26 | |
| Casquillo roscado para cable | ||||
| 77 | 981373 | 1.05 | 1.27 | |
| BAND | ||||
| 78 | 983684 | 1.00 | 1.21 | |
| No hay información disponible, no se puede pedir | ||||
| 79 | 953258 | |||
| No hay información disponible, no se puede pedir | ||||
| 80 | 953263P | |||
| No hay información disponible, no se puede pedir | ||||
| 601 | 314084 | |||
| No hay información disponible, no se puede pedir | ||||
| 602 | 314085 | |||
| No hay información disponible, no se puede pedir | ||||
| 603 | 314088 | |||
| No hay información disponible, no se puede pedir | ||||
| 604 | 314089 | |||
| No hay información disponible, no se puede pedir | ||||
| 605 | 314091 | |||
| No hay información disponible, no se puede pedir | ||||
| 606 | 314093 | |||
| No hay información disponible, no se puede pedir | ||||
| 607 | 953256Z | |||
| No hay información disponible, no se puede pedir | ||||
| 610 | 314092 | |||
| No hay información disponible, no se puede pedir | ||||
| 612 | 314094 | |||