Aquí encontrará todas las piezas y dibujos técnicos disponibles de 'Hikoki TBC-225C'. Desde aquí podrá pedir todas las piezas deseadas directamente. Para muchas piezas de repuesto, es necesario pasar un pedido al fabricante. Dependiendo de la marca, el plazo de entrega puede variar entre una y cuatro semanas. Toda la información que tenemos está en nuestro sitio web. No podremos aconsejarle sobre lo que necesita hasta que entregue la máquina para su reparación. Tenga en cuenta lo siguiente a la hora de cursar su pedido:
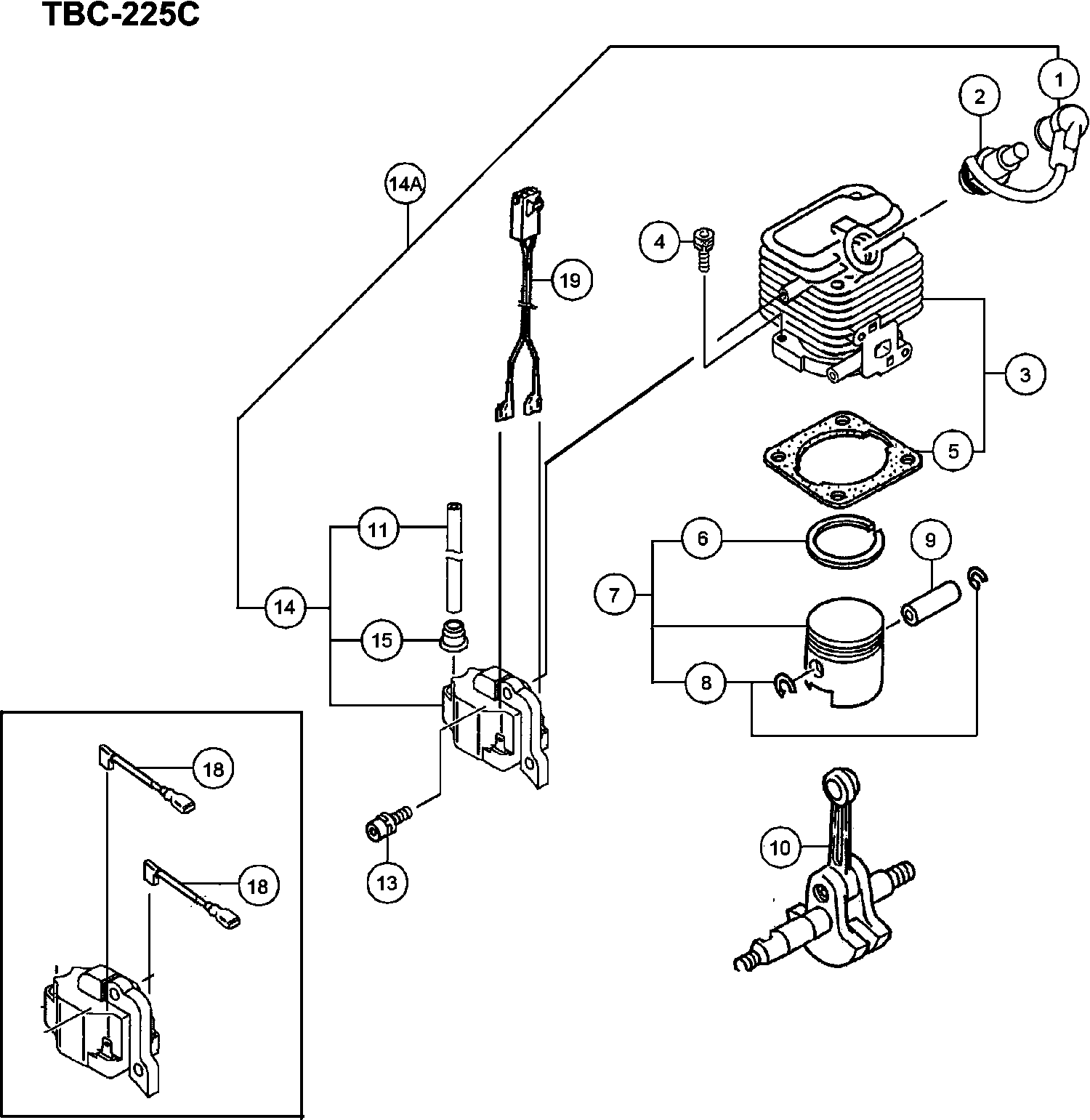
Dibujo técnico de los/las Hikoki TBC-225C
Lista de las piezas de repuesto de Hikoki TBC-225C
| Pos. | Descripción | Precio con el IVA excluido | Precio con el IVA incluido | |
| Los precios mostrados incluyen el IVA | ||||
| Conjunto de tapa de bujía (antiguo 157-01570-90/66 | ||||
| 1 | 6687468 | 2.31 | 2.80 | |
| Ensamble de bujía (antiguo 6685085) | ||||
| 2 | 6699317 | 6.76 | 8.18 | |
| Bujía Rcj8y | ||||
| 2 | 6699328 | 3.30 | 3.99 | |
| Juego de cilindros (antiguo 001-07130-91) | ||||
| 3 | 6685489 | 34.19 | 41.37 | |
| Bolt M5x18 / s hexagonal (antiguo 994-61050-184) | ||||
| 4 | 6684586 | 2.15 | 2.60 | |
| Junta de cilindro (antiguo 017-00980-20 & 6685743) | ||||
| 5 | 6685709 | 1.15 | 1.39 | |
| Anillo de pistón (antiguo 041-00601-21/ 6686117) | ||||
| 6 | 6686118 | 4.45 | 5.38 | |
| Conjunto de pistón (antiguo 030-00070-90) | ||||
| 7 | 6685869 | 15.58 | 18.85 | |
| Circlip del pasador del pistón (antiguo 039-00601- | ||||
| 8 | 6684590 | 2.15 | 2.60 | |
| Pasador del pistón | ||||
| 9 | 6696944 | 3.33 | 4.02 | |
| Cigüeñal comp. (antiguo 046-07135-80) | ||||
| 10 | 6686217 | 42.20 | 51.06 | |
| Cable de alta tensión 140l (antiguo 178-20549-20/6 | ||||
| 11 | 6687888 | 2.31 | 2.80 | |
| Bolt de agujero hexagonal 4x15/ps (antiguo 994-630 | ||||
| 13 | 6684682 | 2.15 | 2.60 | |
| Ass'y de Bobina de Encendido (antiguo 6687665/6699 | ||||
| 14 | 6699772 | 17.85 | 21.60 | |
| No hay información disponible, no se puede pedir | ||||
| 14A | 6697638 | |||
| Tapa de Goma | ||||
| 15 | 6684602 | 2.15 | 2.60 | |
| Comp de cordón de parada. (antiguo 178-0136m-80) | ||||
| 18 | 6687826 | 2.31 | 2.80 | |
| Montaje de cable de plomo | ||||
| 19 | 6697836 | 5.45 | 6.59 | |
| Calzo de eje de engranaje 0.20 (antiguo 330-00200- | ||||
| 31 | 6684604 | 2.15 | 2.60 | |
| Calzo de eje de engranaje 0.30 (antiguo 330-00200- | ||||
| 31 | 6684605 | 2.15 | 2.60 | |
| Calce del eje de engranaje 0.10 (antiguo 330-00200 | ||||
| 31 | 6689177 | 1.15 | 1.39 | |
| Calce del eje de engranaje 0.15 (antiguo 330-00200 | ||||
| 31 | 6689178 | 1.15 | 1.39 | |
| Caja de Manivela Ass' (viejo 072-07120-92) | ||||
| 32 | 6686585 | 36.15 | 43.74 | |
| Sello de aceite | ||||
| 33 | 6684607 | 4.29 | 5.19 | |
| Rodamiento de bolas 6001 C3 | ||||
| 34 | 6684608 | 3.80 | 4.60 | |
| Junta de la caja del cigüeñal (antiguo 090-06410-2 | ||||
| 35 | 6686719 | 1.15 | 1.39 | |
| Bolt M5x18 / s hexagonal (antiguo 994-61050-184) | ||||
| 36 | 6684586 | 2.15 | 2.60 | |
| Roto Magneto Comp. | ||||
| 37 | 6601171 | 22.99 | 27.81 | |
| No hay información disponible, no se puede pedir | ||||
| 37A | 6696928 | |||
| Arandela M8 (antiguo 992-01080-011) | ||||
| 38 | 6684611 | 2.15 | 2.60 | |
| Tuerca M8 (antiguo 991-01080-011/327325/332299/726 | ||||
| 39 | 6684612 | 2.15 | 2.60 | |
| Junta del colector de admisión | ||||
| 51 | 6689890 | 1.15 | 1.39 | |
| Set de Aislantes de Carburador | ||||
| 52 | 6689914 | 5.94 | 7.18 | |
| Junta del carburador (antiguo 402-0602K-21/6689836 | ||||
| 53 | 6684615 | 2.15 | 2.60 | |
| Tornillo hexagonal de 5 x 22/ws (antiguo 994-64050 | ||||
| 54 | 6695514 | 1.15 | 1.39 | |
| Tubo protector (antiguo 223-07000-90) | ||||
| 57 | 6688174 | 2.31 | 2.80 | |
| Clip D6 (antiguo 680-00070-20) | ||||
| 58 | 6685198 | 1.15 | 1.39 | |
| No hay información disponible, no se puede pedir | ||||
| 59 | 6684620 | |||
| Depósito, blanco (antiguo 591-07120-21/6691593/669 | ||||
| 60 | 6691592 | 9.58 | 11.59 | |
| No hay información disponible, no se puede pedir | ||||
| 61 | 6685049 | |||
| Tapa del tanque D Ass'y (antiguo 595-03002-90/6685 | ||||
| 61A | 6691748 | 7.59 | 9.18 | |
| Collar 5.8 (antiguo 659-00801-20) | ||||
| 62 | 6692244 | 1.15 | 1.39 | |
| Juego de carburador | ||||
| 63 | 6690512 | 66.40 | 80.34 | |
| Juego de carburador | ||||
| 63 | 6690513 | 50.21 | 60.76 | |
| Tapa giratoria (antiguo 560-07120-21/6684628) | ||||
| 64 | 6691337 | 1.15 | 1.39 | |
| Perno de agujero hexagonal 5x16/ps (antiguo 994-63 | ||||
| 65 | 6695504 | 1.15 | 1.39 | |
| Perno (con brida) | ||||
| 65A | 6696574 | 1.05 | 1.27 | |
| Tornillo de 5 x 20ws (antiguo 994-65050-205) | ||||
| 66 | 6695516 | 1.15 | 1.39 | |
| Perno L17.8 | ||||
| 66A | 6698511 | 1.05 | 1.27 | |
| No hay información disponible, no se puede pedir | ||||
| 67 | 6684625 | |||
| Ya no disponible, sin reemplazo | ||||
| 68 | 6684880 | |||
| Goma de retorno hasta 7.2014 (antigua 6684627) | ||||
| 69 | 6697846 | 1.04 | 1.26 | |
| Tornillo plus 5x60ws (antiguo 994-16050-601) | ||||
| 71 | 6695431 | 1.15 | 1.39 | |
| Anillo en O P-15 | ||||
| 72 | 6698966 | 1.04 | 1.26 | |
| Tanque F.t. | ||||
| 73A | 6601155 | 145.95 | 176.60 | |
| Tapa del tanque D Ass'y (antiguo 595-03002-90/6685 | ||||
| 74 | 6691748 | 7.59 | 9.18 | |
| Protector de Silenciador Negro (antiguo 738-07162- | ||||
| 91 | 6692809 | 5.11 | 6.19 | |
| Tornillo 4x15ps (antiguo 994-15040-151) | ||||
| 92 | 6695373 | 1.15 | 1.39 | |
| Tornillo autotaladrante D4.5x12 (antiguo 990-73045 | ||||
| 94 | 6684637 | 2.15 | 2.60 | |
| Perno de Cabeza de Casquillo Hexagonal M5x50 (viej | ||||
| 95 | 6685114 | 1.15 | 1.39 | |
| Arandela M5 (old 992-01050-061) | ||||
| 96 | 6684918 | 2.15 | 2.60 | |
| Conjunto de silenciador (antiguo 704-07001-90) | ||||
| 98 | 6692487 | 11.88 | 14.37 | |
| Conjunto de silenciador (antiguo 704-07139-90 & 66 | ||||
| 98A | 6692496 | 12.54 | 15.17 | |
| Conjunto de silenciador (antiguo 704-07139-90 & 66 | ||||
| 99 | 6692496 | 12.54 | 15.17 | |
| Junta del silenciador (antiguo 737-07000-20 & 6692 | ||||
| 100 | 6692745 | 1.15 | 1.39 | |
| Escudo térmico | ||||
| 101 | 6687253 | 2.31 | 2.80 | |
| No hay información disponible, no se puede pedir | ||||
| 103 | 6697619 | |||
| Zapato de embrague | ||||
| 104 | 6688616 | 7.59 | 9.18 | |
| COMP BRAZO DE EMBRAGUE 54 NUEVO | ||||
| 104A | 6697161 | 6.90 | 8.35 | |
| Muelle de embrague (antiguo 342-06410-20) | ||||
| 105 | 6689430 | 2.31 | 2.80 | |
| No hay información disponible, no se puede pedir | ||||
| 105A | 6697618 | |||
| Placa de embrague A (antiguo 348-0602r-20) | ||||
| 106 | 6689528 | 1.15 | 1.39 | |
| Perno de paso (antiguo 357-00601-20) | ||||
| 107 | 6689627 | 1.15 | 1.39 | |
| Perno de paso (antiguo 357-0075t-20) | ||||
| 107A | 6684646 | 2.15 | 2.60 | |
| Arandela | ||||
| 108 | 6684648 | 2.15 | 2.60 | |
| No hay información disponible, no se puede pedir | ||||
| 109 | 6696932 | |||
| Tornillo de agujero hexagonal M5x18/ws (anterior 9 | ||||
| 110 | 6684647 | 2.15 | 2.60 | |
| Tornillo de agujero hexagonal M5x30/ws (antiguo 99 | ||||
| 112 | 6684973 | 2.15 | 2.60 | |
| Componente de abrazadera de cuerda (antiguo 198-11 | ||||
| 113 | 6688011 | 1.15 | 1.39 | |
| Junta especial del silenciador (antiguo 751-04200- | ||||
| 114 | 6692883 | 1.15 | 1.39 | |
| Conjunto de tubo de escape, de repuesto (antiguo 7 | ||||
| 115 | 6692709 | 2.31 | 2.80 | |
| Arandela | ||||
| 116 | 6685109 | 1.15 | 1.39 | |
| Conjunto de malla para silenciador (antiguo 732-00 | ||||
| 117 | 6692688 | 2.31 | 2.80 | |
| Cuerpo del arrancador de retroceso (antiguo 762-03 | ||||
| 131 | 6684938 | 23.45 | 28.37 | |
| Cuerpo de arranque de retroceso Comp. (antiguo 772 | ||||
| 132 | 6684944 | 17.24 | 20.86 | |
| Carrete de Cuerda de Arranque (viejo 774-03045-20) | ||||
| 133 | 6684941 | 6.44 | 7.79 | |
| Resorte de retroceso (viejo 779-03045-20) | ||||
| 134 | 6684942 | 9.40 | 11.37 | |
| Brazo oscilante (viejo 777-03045-20) | ||||
| 135 | 6684940 | 2.15 | 2.60 | |
| Tornillo de ajuste (antiguo 839-03045-20) | ||||
| 136 | 6684679 | 2.15 | 2.60 | |
| Polea estancia (viejo 771-03045-20) | ||||
| 137 | 6684939 | 2.15 | 2.60 | |
| Cuerda 3.0x800 (viejo 783-03045-20) | ||||
| 138 | 6684943 | 4.29 | 5.19 | |
| Manija de inicio | ||||
| 139 | 6684680 | 2.15 | 2.60 | |
| Ya no disponible, sin reemplazo | ||||
| 140 | 6685000 | |||
| Polea de arranque (antiguo 798-03045-20) | ||||
| 141 | 6684937 | 6.44 | 7.79 | |
| Bolt de agujero hexagonal 4x15/ps (antiguo 994-630 | ||||
| 142 | 6684682 | 2.15 | 2.60 | |
| Conjunto de limpiador de aire (antiguo 410-00025-9 | ||||
| 171 | 6690005 | 9.58 | 11.59 | |
| Tapa del limpiador de aire (antigua 424-00025-20) | ||||
| 172 | 6690139 | 4.45 | 5.38 | |
| Elemento del filtro de aire | ||||
| 173 | 6690347 | 4.45 | 5.38 | |
| Collar (antiguo 470-00025-20) | ||||
| 175 | 6690801 | 2.31 | 2.80 | |
| Comp. del Cuerpo del Limpiador (antiguo 423-00025- | ||||
| 176 | 6690085 | 8.91 | 10.78 | |
| Cuerpo de bomba comp. (antiguo 575-25153-80) | ||||
| 191 | 6684879 | 62.16 | 75.22 | |
| Bomba de cebado comp. (antiguo 442-25151-80) | ||||
| 192 | 6684687 | 16.34 | 19.77 | |
| Cubierta de diafragma (antiguo 476-25151-20) | ||||
| 193 | 6684688 | 8.58 | 10.38 | |
| Cuerpo de cebado (antiguo 447-25108-20) | ||||
| 194 | 6684689 | 6.44 | 7.79 | |
| Diafragma de medición Comp. (antiguo 474-25241-80) | ||||
| 195 | 6690830 | 11.88 | 14.37 | |
| Junta de diafragma (antiguo 475-25153-20) | ||||
| 196 | 6684691 | 8.58 | 10.38 | |
| Diafragma de bomba (antiguo 576-25100-20 & 6696325 | ||||
| 197 | 6684693 | 8.58 | 10.38 | |
| Junta de bomba (viejo 577-25100-20) | ||||
| 198 | 6691457 | 7.10 | 8.59 | |
| Jet principal #38 (antiguo 599-2000w-38) | ||||
| 199 | 6691844 | 4.45 | 5.38 | |
| Jet principal #40 (antiguo 599-2000w-40) | ||||
| 199 | 6691845 | 4.45 | 5.38 | |
| O-RING (antiguo 550-25100-20) | ||||
| 200 | 6684695 | 4.29 | 5.19 | |
| Anillo de parada (antiguo 489-25100-20) | ||||
| 201 | 6684696 | 2.15 | 2.60 | |
| Giratorio (antiguo 539-25120-20) | ||||
| 202 | 6684697 | 6.44 | 7.79 | |
| Tornillo de ajuste del acelerador (antiguo 548-251 | ||||
| 203 | 6684698 | 4.29 | 5.19 | |
| Tornillo de ajuste (antiguo 548-25151-20 & 6696324 | ||||
| 204 | 6684699 | 2.15 | 2.60 | |
| Pantalla de entrada (antiguo 578-25007-20) | ||||
| 205 | 6684700 | 4.29 | 5.19 | |
| Valvula de aceleracion comp. (antigua 488-25145-80 | ||||
| 206 | 6684883 | 18.75 | 22.69 | |
| Tambor de Embrague Comp (antiguo 6688603) | ||||
| 221 | 6697713 | 11.05 | 13.37 | |
| Tornillo autoperforante D4.5x14 (antiguo 990-75045 | ||||
| 222 | 6685152 | 1.15 | 1.39 | |
| Tornillo de agujero hexagonal M5x30/ws (antiguo 99 | ||||
| 223 | 6684973 | 2.15 | 2.60 | |
| Carcasa del ventilador | ||||
| 224 | 6687031 | 14.53 | 17.58 | |
| Tuerca cuadrada 5 (antigua 991-91050-001) | ||||
| 225 | 6695176 | 1.15 | 1.39 | |
| Espaciador (antiguo 249-0712k-20) Nuevo | ||||
| 226 | 6688311 | 1.05 | 1.27 | |
| Conjunto de tubo principal (antiguo 353-38474-91) | ||||
| 261 | 6689610 | 88.33 | 106.87 | |
| Caja de corte Ass'y (antiguo 300-38474-90) | ||||
| 262 | 6685044 | 58.39 | 70.65 | |
| Tubo principal (antiguo 341-38474-21) | ||||
| 263 | 6689413 | 50.21 | 60.76 | |
| Forro flexible (antiguo 350-38474-20) | ||||
| 264 | 6685037 | 17.70 | 21.42 | |
| Eje flexible (antiguo 344-38474-20) | ||||
| 265 | 6685038 | 17.70 | 21.42 | |
| No hay información disponible, no se puede pedir | ||||
| 266 | 6698339 | |||
| Rodamiento de bolas 608 Zz C3 | ||||
| 267 | 6695547 | 3.30 | 3.99 | |
| Collar 5 (antiguo 348-38474-20) | ||||
| 268 | 6685014 | 2.10 | 2.54 | |
| Tornillo M5x10 (antiguo 990-21050-101) | ||||
| 269 | 6684994 | 1.15 | 1.39 | |
| Caja de corte (antiguo 300-38474-20) | ||||
| 270 | 6685042 | 24.20 | 29.28 | |
| Tornillo Hex. M5x30 (antiguo 990-21050-301) Nuevo | ||||
| 271 | 6684996 | 1.15 | 1.39 | |
| Arandela | ||||
| 272 | 6684971 | 1.04 | 1.26 | |
| Arandela | ||||
| 273 | 6685001 | 1.15 | 1.39 | |
| Soporte de cortador (antiguo 310-38474-20) | ||||
| 274 | 6685073 | 4.45 | 5.38 | |
| No hay información disponible, no se puede pedir | ||||
| 275 | 6685016 | |||
| Cubierta de seguridad (antiguo 441-38452-21) | ||||
| 276 | 6685030 | 12.05 | 14.58 | |
| Arandela | ||||
| 277 | 6684639 | 2.15 | 2.60 | |
| No hay información disponible, no se puede pedir | ||||
| 278 | 6684792 | |||
| Tornillo Plus M6x45 (antiguo 990-23060-451) Nuevo | ||||
| 279 | 6684995 | 1.15 | 1.39 | |
| Cuchilla (antigua 797-38452-20) | ||||
| 280 | 6685015 | 2.31 | 2.80 | |
| Tornillo autorroscante D5x16 (antiguo 990-73050-16 | ||||
| 281 | 6685074 | 1.15 | 1.39 | |
| Soporte, tubo negro (antiguo 346-3737a-20) | ||||
| 282 | 6689501 | 2.31 | 2.80 | |
| Agarre del eje (antiguo 509-38474-20) Nuevo | ||||
| 283 | 6685032 | 14.68 | 17.76 | |
| Mango delantero 22 (antiguo 500-38452-20) Nuevo | ||||
| 321 | 6685041 | 20.11 | 24.34 | |
| No hay información disponible, no se puede pedir | ||||
| 322 | 6685075 | |||
| Perno con agujero hexagonal 5x30s (antiguo 994-160 | ||||
| 323 | 6695426 | 1.15 | 1.39 | |
| Palanca de aceleración Ass'y 22 (antiguo 870-38474 | ||||
| 324 | 6693772 | 30.25 | 36.60 | |
| Cable del acelerador (antiguo 885-38451-81) | ||||
| 325 | 6693983 | 3.30 | 3.99 | |
| Palanca de estrangulación (antiguo 880-38451-20) N | ||||
| 326 | 6685006 | 1.15 | 1.39 | |
| Resorte de retorno (antiguo 832-38451-20) | ||||
| 327 | 6684998 | 1.15 | 1.39 | |
| Interruptor de parada (antiguo 162-38451-20) Nuevo | ||||
| 328 | 6685009 | 2.31 | 2.80 | |
| Interruptor Marcado (antiguo 925-38451-20) Nuevo | ||||
| 329 | 6685003 | 1.15 | 1.39 | |
| Componente del interruptor de parada (antiguo 156- | ||||
| 330 | 6687462 | 9.40 | 11.37 | |
| Tornillo mecánico M5x30 (antiguo 990-11050-301) | ||||
| 331 | 6685076 | 1.15 | 1.39 | |
| Tuerca hexagonal 5 (antiguo 991-01050-011) | ||||
| 332 | 6684965 | 1.04 | 1.26 | |
| Tornillo de Roscar D5x14 (antiguo 990-72050-144) | ||||
| 333 | 6685275 | 1.15 | 1.39 | |
| Tubo de protección D7x170 (antiguo 164-07017-01) N | ||||
| 334 | 6685007 | 2.31 | 2.80 | |
| Palanca del acelerador Ass'y (antiguo 870-38449-90 | ||||
| 335 | 6693769 | 36.15 | 43.74 | |
| Cable del acelerador | ||||
| 336 | 6693982 | 19.96 | 24.15 | |
| Cable del acelerador 4t (antiguo 887-38449-80) | ||||
| 337 | 6694025 | 8.41 | 10.18 | |
| Botón de parada Comp. (antiguo 156-37821-80) | ||||
| 338 | 6687452 | 13.91 | 16.83 | |
| Tubo de Protección 7x145l (antiguo 164-07014-50) N | ||||
| 339 | 6687523 | 1.05 | 1.27 | |
| Ya no disponible, sin reemplazo | ||||
| 340 | 6684721 | |||
| Resorte de retorno (antiguo 832-38400-20) | ||||
| 341 | 6684722 | 2.15 | 2.60 | |
| Tapón ciego (antiguo 322-38400-20) | ||||
| 342 | 6684724 | 2.15 | 2.60 | |
| Tornillo M5x20 (antiguo 994-31050-203) | ||||
| 343 | 6684803 | 2.15 | 2.60 | |
| No hay información disponible, no se puede pedir | ||||
| 344 | 6684727 | |||
| Tornillo M4x20 (negro) (antiguo 993-46040-202) | ||||
| 345 | 6684725 | 2.15 | 2.60 | |
| Palanca del acelerador (antiguo 880-38400-20) | ||||
| 346 | 6684804 | 8.58 | 10.38 | |
| Espaciador (antiguo 444-38484-20) | ||||
| 347 | 6684794 | 8.58 | 10.38 | |
| Palanca de estrangulación (antiguo 880-38451-20) N | ||||
| 348 | 6685006 | 1.15 | 1.39 | |
| Resorte de retorno (antiguo 832-38451-20) | ||||
| 349 | 6684998 | 1.15 | 1.39 | |
| Interruptor de parada (antiguo 162-38451-20) Nuevo | ||||
| 350 | 6685009 | 2.31 | 2.80 | |
| Interruptor Marcado (antiguo 925-38451-20) Nuevo | ||||
| 351 | 6685003 | 1.15 | 1.39 | |
| Componente del interruptor de parada (antiguo 156- | ||||
| 352 | 6687462 | 9.40 | 11.37 | |
| Tornillo mecánico M5x30 (antiguo 990-11050-301) | ||||
| 353 | 6685076 | 1.15 | 1.39 | |
| Tuerca hexagonal 5 (antiguo 991-01050-011) | ||||
| 354 | 6684965 | 1.04 | 1.26 | |
| Tornillo de Roscar D5x14 (antiguo 990-72050-144) | ||||
| 355 | 6685275 | 1.15 | 1.39 | |
| Tubo de protección D7x170 (antiguo 164-07017-01) N | ||||
| 356 | 6685007 | 2.31 | 2.80 | |
| Palanca de aceleración Ass'y 22 (antiguo 870-38474 | ||||
| 357 | 6693772 | 30.25 | 36.60 | |
| Cable del acelerador (antiguo 885-38451-81) | ||||
| 358 | 6693983 | 3.30 | 3.99 | |
| No hay información disponible, no se puede pedir | ||||
| 501 | 6684813 | |||
| No hay información disponible, no se puede pedir | ||||
| 502 | 6684764 | |||
| N/h Nb4 Rm8x1.25 (viejo 783-38474-90) | ||||
| 503 | 6695726 | 28.14 | 34.05 | |
| No hay información disponible, no se puede pedir | ||||
| 504 | 6693274 | |||
| Tuerca de montaje R/h (antiguo 356-38474-20) Nuevo | ||||
| 505 | 6689626 | 2.31 | 2.80 | |
| Carrete de cable | ||||
| 506 | 6693293 | 9.08 | 10.98 | |
| Resorte de carrete (antiguo 793-38195-20) | ||||
| 507 | 6693379 | 1.15 | 1.39 | |
| Bobina de recogida | ||||
| 508 | 6689852 | 2.31 | 2.80 | |
| Ojal (antiguo 788-38195-20) | ||||
| 509 | 6693329 | 1.15 | 1.39 | |
| Tapa del cuerpo (antiguo 789-38195-20) | ||||
| 510 | 6693339 | 4.45 | 5.38 | |
| Disco (antiguo 403-38195-20) Nuevo Sep | ||||
| 511 | 6689906 | 1.15 | 1.39 | |
| Tornillo 5x14/s (antiguo 994-14050-141) Nuevo | ||||
| 512 | 6695336 | 1.15 | 1.39 | |