Aquí encontrará todas las piezas y dibujos técnicos disponibles de 'Hikoki TBC-225CS'. Desde aquí podrá pedir todas las piezas deseadas directamente. Para muchas piezas de repuesto, es necesario pasar un pedido al fabricante. Dependiendo de la marca, el plazo de entrega puede variar entre una y cuatro semanas. Toda la información que tenemos está en nuestro sitio web. No podremos aconsejarle sobre lo que necesita hasta que entregue la máquina para su reparación. Tenga en cuenta lo siguiente a la hora de cursar su pedido:
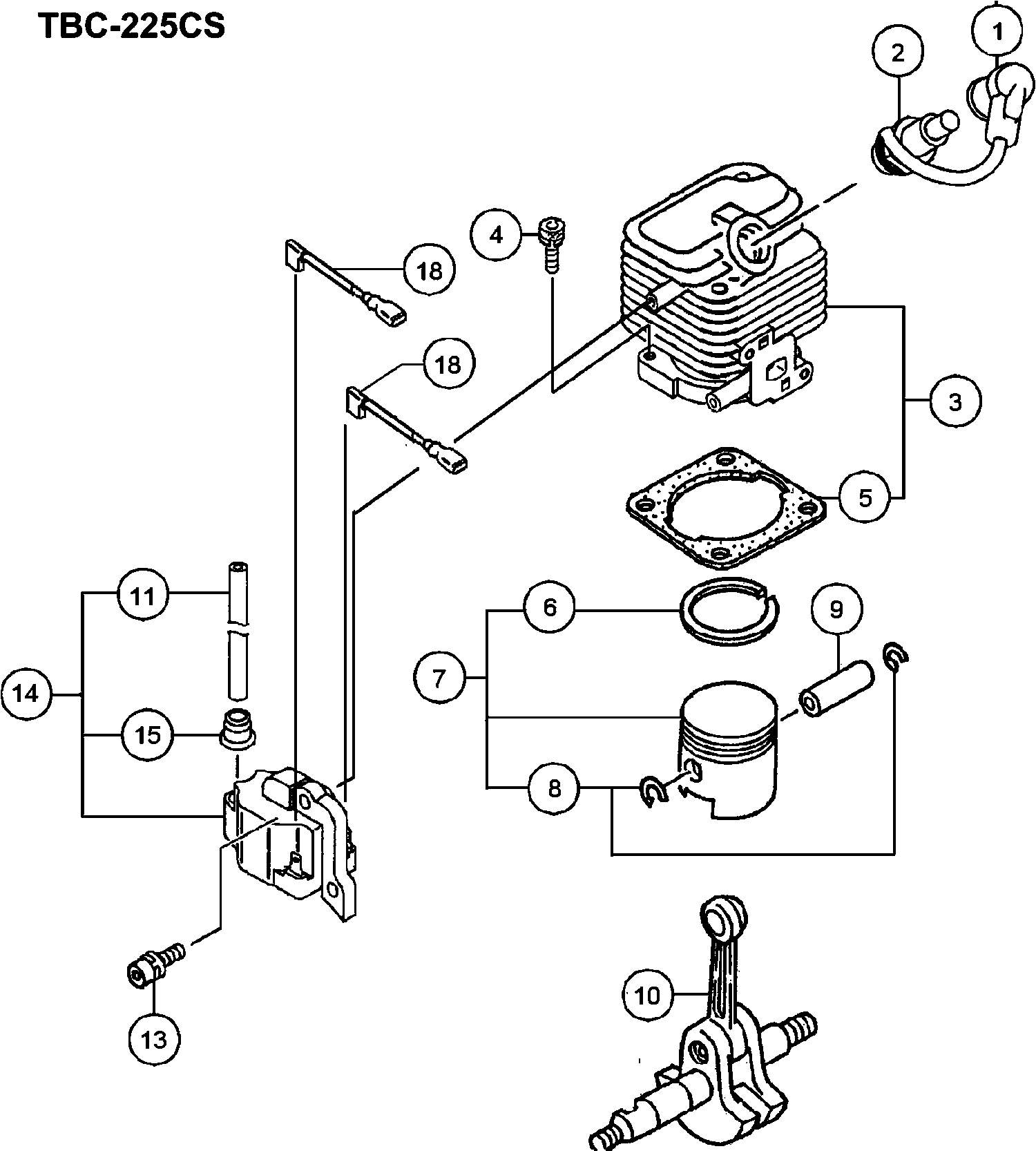
Dibujo técnico de los/las Hikoki TBC-225CS
Lista de las piezas de repuesto de Hikoki TBC-225CS
| Pos. | Descripción | Precio con el IVA excluido | Precio con el IVA incluido | |
| Los precios mostrados incluyen el IVA | ||||
| Conjunto de tapa de bujía (antiguo 157-01570-90/66 | ||||
| 1 | 6687468 | 2.31 | 2.80 | |
| Ensamble de bujía (antiguo 6685085) | ||||
| 2 | 6699317 | 6.76 | 8.18 | |
| Juego de cilindros (antiguo 001-07130-91) | ||||
| 3 | 6685489 | 34.19 | 41.37 | |
| Bolt M5x18 / s hexagonal (antiguo 994-61050-184) | ||||
| 4 | 6684586 | 2.15 | 2.60 | |
| Junta de cilindro (antiguo 017-00980-20 & 6685743) | ||||
| 5 | 6685709 | 1.15 | 1.39 | |
| Anillo de pistón (antiguo 041-00601-21/ 6686117) | ||||
| 6 | 6686118 | 4.45 | 5.38 | |
| Conjunto de pistón (antiguo 030-00070-90) | ||||
| 7 | 6685869 | 15.58 | 18.85 | |
| Circlip del pasador del pistón (antiguo 039-00601- | ||||
| 8 | 6684590 | 2.15 | 2.60 | |
| Pasador del pistón | ||||
| 9 | 6696944 | 3.33 | 4.02 | |
| Cigüeñal comp. (antiguo 046-07135-80) | ||||
| 10 | 6686217 | 42.20 | 51.06 | |
| Cable de alta tensión 140l (antiguo 178-20549-20/6 | ||||
| 11 | 6687888 | 2.31 | 2.80 | |
| Bolt de agujero hexagonal 4x15/ps (antiguo 994-630 | ||||
| 13 | 6684682 | 2.15 | 2.60 | |
| Ass'y de Bobina de Encendido (antiguo 6687665/6699 | ||||
| 14 | 6699772 | 17.85 | 21.60 | |
| Tapa de Goma | ||||
| 15 | 6684602 | 2.15 | 2.60 | |
| Comp de cordón de parada. (antiguo 178-0136m-80) | ||||
| 18 | 6687826 | 2.31 | 2.80 | |
| Calzo de eje de engranaje 0.20 (antiguo 330-00200- | ||||
| 31 | 6684604 | 2.15 | 2.60 | |
| Calzo de eje de engranaje 0.30 (antiguo 330-00200- | ||||
| 31 | 6684605 | 2.15 | 2.60 | |
| Caja de Manivela Ass' (viejo 072-07120-92) | ||||
| 32 | 6686585 | 36.15 | 43.74 | |
| Sello de aceite | ||||
| 33 | 6684607 | 4.29 | 5.19 | |
| Rodamiento de bolas 6001 C3 | ||||
| 34 | 6684608 | 3.80 | 4.60 | |
| Junta de la caja del cigüeñal (antiguo 090-06410-2 | ||||
| 35 | 6686719 | 1.15 | 1.39 | |
| Bolt M5x18 / s hexagonal (antiguo 994-61050-184) | ||||
| 36 | 6684586 | 2.15 | 2.60 | |
| Roto Magneto Comp. | ||||
| 37 | 6601171 | 22.99 | 27.81 | |
| Arandela M8 (antiguo 992-01080-011) | ||||
| 38 | 6684611 | 2.15 | 2.60 | |
| Tuerca M8 (antiguo 991-01080-011/327325/332299/726 | ||||
| 39 | 6684612 | 2.15 | 2.60 | |
| Junta del colector de admisión | ||||
| 51 | 6689890 | 1.15 | 1.39 | |
| Set de Aislantes de Carburador | ||||
| 52 | 6689914 | 5.94 | 7.18 | |
| Junta del carburador (antiguo 402-0602K-21/6689836 | ||||
| 53 | 6684615 | 2.15 | 2.60 | |
| Tornillo hexagonal de 5 x 22/ws (antiguo 994-64050 | ||||
| 54 | 6695514 | 1.15 | 1.39 | |
| Tubo protector (antiguo 223-07000-90) | ||||
| 57 | 6688174 | 2.31 | 2.80 | |
| Clip.6.3 Dia. (antiguo 680-00731-20) | ||||
| 58 | 6684619 | 2.15 | 2.60 | |
| No hay información disponible, no se puede pedir | ||||
| 59 | 6684620 | |||
| Depósito (evapo) (antiguo 591-0717f-20) | ||||
| 60 | 6691595 | 30.25 | 36.60 | |
| Tapa del tanque D Ass'y (antiguo 595-03002-90/6685 | ||||
| 61 | 6691748 | 7.59 | 9.18 | |
| Collar 5.8 (antiguo 659-00801-20) | ||||
| 62 | 6692244 | 1.15 | 1.39 | |
| Juego de carburador | ||||
| 63 | 6690512 | 66.40 | 80.34 | |
| Tapa giratoria (antiguo 560-07120-21/6684628) | ||||
| 64 | 6691337 | 1.15 | 1.39 | |
| Perno de agujero hexagonal 5x16/ps (antiguo 994-63 | ||||
| 65 | 6695504 | 1.15 | 1.39 | |
| Tornillo de 5 x 20ws (antiguo 994-65050-205) | ||||
| 66 | 6695516 | 1.15 | 1.39 | |
| Ya no disponible, sin reemplazo | ||||
| 68 | 6684880 | |||
| Goma de retorno hasta 7.2014 (antigua 6684627) | ||||
| 69 | 6697846 | 1.04 | 1.26 | |
| Tornillo plus 5x60ws (antiguo 994-16050-601) | ||||
| 71 | 6695431 | 1.15 | 1.39 | |
| Anillo en O P-15 | ||||
| 72 | 6698966 | 1.04 | 1.26 | |
| Protector de Silenciador Negro (antiguo 738-07162- | ||||
| 91 | 6692809 | 5.11 | 6.19 | |
| Tornillo 4x15ps (antiguo 994-15040-151) | ||||
| 92 | 6695373 | 1.15 | 1.39 | |
| Tornillo autotaladrante D4.5x12 (antiguo 990-73045 | ||||
| 94 | 6684637 | 2.15 | 2.60 | |
| Perno de Cabeza de Casquillo Hexagonal M5x50 (viej | ||||
| 95 | 6685114 | 1.15 | 1.39 | |
| Arandela M5 (old 992-01050-061) | ||||
| 96 | 6684918 | 2.15 | 2.60 | |
| Conjunto de silenciador (antiguo 704-07139-90 & 66 | ||||
| 98 | 6692496 | 12.54 | 15.17 | |
| Junta del silenciador (antiguo 737-07000-20 & 6692 | ||||
| 100 | 6692745 | 1.15 | 1.39 | |
| Escudo térmico | ||||
| 101 | 6687253 | 2.31 | 2.80 | |
| Arandela | ||||
| 103 | 6684642 | 2.15 | 2.60 | |
| Zapato de embrague | ||||
| 104 | 6688616 | 7.59 | 9.18 | |
| Muelle de embrague (antiguo 342-06410-20) | ||||
| 105 | 6689430 | 2.31 | 2.80 | |
| Placa de embrague A 0.5 (antigua 348-0630a-20/6689 | ||||
| 106 | 6684645 | 2.15 | 2.60 | |
| Perno de paso (antiguo 357-00601-20) | ||||
| 107 | 6689627 | 1.15 | 1.39 | |
| Arandela | ||||
| 108 | 6684648 | 2.15 | 2.60 | |
| Tornillo de agujero hexagonal M5x18/ws (anterior 9 | ||||
| 110 | 6684647 | 2.15 | 2.60 | |
| Tornillo de agujero hexagonal M5x30/ws (antiguo 99 | ||||
| 112 | 6684973 | 2.15 | 2.60 | |
| Componente de abrazadera de cuerda (antiguo 198-11 | ||||
| 113 | 6688011 | 1.15 | 1.39 | |
| Junta especial del silenciador (antiguo 751-04200- | ||||
| 114 | 6692883 | 1.15 | 1.39 | |
| Conjunto de tubo de escape, de repuesto (antiguo 7 | ||||
| 115 | 6692709 | 2.31 | 2.80 | |
| Arandela | ||||
| 116 | 6685109 | 1.15 | 1.39 | |
| Conjunto de malla para silenciador (antiguo 732-00 | ||||
| 117 | 6692688 | 2.31 | 2.80 | |
| No hay información disponible, no se puede pedir | ||||
| 131A | 6699995 | |||
| Cuerpo de Arrancador de Retroceso Comp. (antiguo 7 | ||||
| 132 | 6684673 | 19.06 | 23.07 | |
| Cuerda de arranque 3.5x860 (antiguo 783-0720f-20/6 | ||||
| 133 | 6684674 | 4.29 | 5.19 | |
| Resorte de retroceso (antiguo 780-06097-20/6697591 | ||||
| 134 | 6684675 | 11.55 | 13.98 | |
| Carrete de cuerda de arranque | ||||
| 135A | 6699997 | 8.41 | 10.18 | |
| Resorte de amortiguador (antiguo 758-0651h-20) | ||||
| 136 | 6684677 | 8.58 | 10.38 | |
| PLACA DE LEVA | ||||
| 137A | 6699996 | 2.55 | 3.09 | |
| Tornillo de ajuste (antiguo 839-03045-20) | ||||
| 138 | 6684679 | 2.15 | 2.60 | |
| Manija de inicio | ||||
| 139 | 6684680 | 2.15 | 2.60 | |
| Polea de arranque Ass'y (antiguo 798-0651h-90) | ||||
| 140 | 6684681 | 13.20 | 15.97 | |
| Tornillo de agujero hexagonal 4x18ws (antiguo 994- | ||||
| 141 | 6695508 | 1.15 | 1.39 | |
| Anillo de parada E-5 (antiguo 993-55050-000) | ||||
| 142 | 6684683 | 2.15 | 2.60 | |
| Muelle de trinquete de arranque (antiguo 790-06097 | ||||
| 143 | 6684684 | 4.29 | 5.19 | |
| Empuñadura de arranque (antiguo 788-0651h-20) | ||||
| 144 | 6684685 | 4.29 | 5.19 | |
| Ass'y de Placa de Leva | ||||
| 145 | 6699691 | 6.10 | 7.38 | |
| Conjunto de limpiador de aire (antiguo 410-00025-9 | ||||
| 171 | 6690005 | 9.58 | 11.59 | |
| Tapa del limpiador de aire (antigua 424-00025-20) | ||||
| 172 | 6690139 | 4.45 | 5.38 | |
| Elemento del filtro de aire | ||||
| 173 | 6690347 | 4.45 | 5.38 | |
| Collar (antiguo 470-00025-20) | ||||
| 175 | 6690801 | 2.31 | 2.80 | |
| Comp. del Cuerpo del Limpiador (antiguo 423-00025- | ||||
| 176 | 6690085 | 8.91 | 10.78 | |
| Cuerpo de bomba comp. (antiguo 575-25153-80) | ||||
| 191 | 6684879 | 62.16 | 75.22 | |
| Bomba de cebado comp. (antiguo 442-25151-80) | ||||
| 192 | 6684687 | 16.34 | 19.77 | |
| Cubierta de diafragma (antiguo 476-25151-20) | ||||
| 193 | 6684688 | 8.58 | 10.38 | |
| Cuerpo de cebado (antiguo 447-25108-20) | ||||
| 194 | 6684689 | 6.44 | 7.79 | |
| Diafragma de medición Comp. (antiguo 474-25241-80) | ||||
| 195 | 6690830 | 11.88 | 14.37 | |
| Junta de diafragma (antiguo 475-25153-20) | ||||
| 196 | 6684691 | 8.58 | 10.38 | |
| Diafragma de bomba (antiguo 576-25100-20 & 6696325 | ||||
| 197 | 6684693 | 8.58 | 10.38 | |
| Junta de bomba (viejo 577-25100-20) | ||||
| 198 | 6691457 | 7.10 | 8.59 | |
| Jet principal #38 (antiguo 599-2000w-38) | ||||
| 199 | 6691844 | 4.45 | 5.38 | |
| O-RING (antiguo 550-25100-20) | ||||
| 200 | 6684695 | 4.29 | 5.19 | |
| Anillo de parada (antiguo 489-25100-20) | ||||
| 201 | 6684696 | 2.15 | 2.60 | |
| Giratorio (antiguo 539-25120-20) | ||||
| 202 | 6684697 | 6.44 | 7.79 | |
| Tornillo de ajuste del acelerador (antiguo 548-251 | ||||
| 203 | 6684698 | 4.29 | 5.19 | |
| Tornillo de ajuste (antiguo 548-25151-20 & 6696324 | ||||
| 204 | 6684699 | 2.15 | 2.60 | |
| Pantalla de entrada (antiguo 578-25007-20) | ||||
| 205 | 6684700 | 4.29 | 5.19 | |
| Tambor de Embrague Comp (antiguo 6688603) | ||||
| 221 | 6697713 | 11.05 | 13.37 | |
| Tornillo autoperforante D4.5x14 (antiguo 990-75045 | ||||
| 222 | 6685152 | 1.15 | 1.39 | |
| Tornillo de agujero hexagonal M5x30/ws (antiguo 99 | ||||
| 223 | 6684973 | 2.15 | 2.60 | |
| Carcasa del ventilador | ||||
| 224 | 6687031 | 14.53 | 17.58 | |
| Tuerca cuadrada 5 (antigua 991-91050-001) | ||||
| 225 | 6695176 | 1.15 | 1.39 | |
| Espaciador (antiguo 249-0712k-20) Nuevo | ||||
| 226 | 6688311 | 1.05 | 1.27 | |
| Conjunto de tubo principal (antiguo 353-38474-91) | ||||
| 261 | 6689610 | 88.33 | 106.87 | |
| Caja de corte Ass'y (antiguo 300-38474-90) | ||||
| 262 | 6685044 | 58.39 | 70.65 | |
| Tubo principal (antiguo 341-38474-21) | ||||
| 263 | 6689413 | 50.21 | 60.76 | |
| Forro flexible (antiguo 350-38474-20) | ||||
| 264 | 6685037 | 17.70 | 21.42 | |
| Eje flexible (antiguo 344-38474-20) | ||||
| 265 | 6685038 | 17.70 | 21.42 | |
| No hay información disponible, no se puede pedir | ||||
| 266 | 6698339 | |||
| Rodamiento de bolas 608 Zz C3 | ||||
| 267 | 6695547 | 3.30 | 3.99 | |
| Collar 5 (antiguo 348-38474-20) | ||||
| 268 | 6685014 | 2.10 | 2.54 | |
| Tornillo M5x10 (antiguo 990-21050-101) | ||||
| 269 | 6684994 | 1.15 | 1.39 | |
| Caja de corte (antiguo 300-38474-20) | ||||
| 270 | 6685042 | 24.20 | 29.28 | |
| Tornillo Hex. M5x30 (antiguo 990-21050-301) Nuevo | ||||
| 271 | 6684996 | 1.15 | 1.39 | |
| Arandela | ||||
| 272 | 6684971 | 1.04 | 1.26 | |
| Arandela | ||||
| 273 | 6685001 | 1.15 | 1.39 | |
| Soporte de cortador (antiguo 310-38474-20) | ||||
| 274 | 6685073 | 4.45 | 5.38 | |
| No hay información disponible, no se puede pedir | ||||
| 275 | 6685016 | |||
| Cubierta de seguridad (antiguo 441-38452-21) | ||||
| 276 | 6685030 | 12.05 | 14.58 | |
| Arandela | ||||
| 277 | 6684639 | 2.15 | 2.60 | |
| No hay información disponible, no se puede pedir | ||||
| 278 | 6684792 | |||
| Tornillo Plus M6x45 (antiguo 990-23060-451) Nuevo | ||||
| 279 | 6684995 | 1.15 | 1.39 | |
| Cuchilla (antigua 797-38452-20) | ||||
| 280 | 6685015 | 2.31 | 2.80 | |
| Tornillo autorroscante D5x16 (antiguo 990-73050-16 | ||||
| 281 | 6685074 | 1.15 | 1.39 | |
| Soporte, tubo negro (antiguo 346-3737a-20) | ||||
| 282 | 6689501 | 2.31 | 2.80 | |
| Agarre del eje (antiguo 509-38474-20) Nuevo | ||||
| 283 | 6685032 | 14.68 | 17.76 | |
| Mango delantero 22 (antiguo 500-38452-20) Nuevo | ||||
| 321 | 6685041 | 20.11 | 24.34 | |
| No hay información disponible, no se puede pedir | ||||
| 322 | 6685075 | |||
| Perno con agujero hexagonal 5x30s (antiguo 994-160 | ||||
| 323 | 6695426 | 1.15 | 1.39 | |
| Palanca de aceleración Ass'y 22 (antiguo 870-38474 | ||||
| 324 | 6693772 | 30.25 | 36.60 | |
| Cable del acelerador (antiguo 885-38451-81) | ||||
| 325 | 6693983 | 3.30 | 3.99 | |
| Palanca de estrangulación (antiguo 880-38451-20) N | ||||
| 326 | 6685006 | 1.15 | 1.39 | |
| Resorte de retorno (antiguo 832-38451-20) | ||||
| 327 | 6684998 | 1.15 | 1.39 | |
| Interruptor de parada (antiguo 162-38451-20) Nuevo | ||||
| 328 | 6685009 | 2.31 | 2.80 | |
| Interruptor Marcado (antiguo 925-38451-20) Nuevo | ||||
| 329 | 6685003 | 1.15 | 1.39 | |
| Componente del interruptor de parada (antiguo 156- | ||||
| 330 | 6687462 | 9.40 | 11.37 | |
| Tornillo mecánico M5x30 (antiguo 990-11050-301) | ||||
| 331 | 6685076 | 1.15 | 1.39 | |
| Tuerca hexagonal 5 (antiguo 991-01050-011) | ||||
| 332 | 6684965 | 1.04 | 1.26 | |
| Tornillo de Roscar D5x14 (antiguo 990-72050-144) | ||||
| 333 | 6685275 | 1.15 | 1.39 | |
| Tubo de protección D7x170 (antiguo 164-07017-01) N | ||||
| 334 | 6685007 | 2.31 | 2.80 | |
| No hay información disponible, no se puede pedir | ||||
| 501 | 6684813 | |||
| No hay información disponible, no se puede pedir | ||||
| 502 | 6684764 | |||
| Marca de símbolo, Tbc-225cs (antiguo 929-07177-20) | ||||
| 601 | 6694648 | 1.15 | 1.39 | |