Aquí encontrará todas las piezas y dibujos técnicos disponibles de 'Hikoki TBC-230D'. Desde aquí podrá pedir todas las piezas deseadas directamente. Para muchas piezas de repuesto, es necesario pasar un pedido al fabricante. Dependiendo de la marca, el plazo de entrega puede variar entre una y cuatro semanas. Toda la información que tenemos está en nuestro sitio web. No podremos aconsejarle sobre lo que necesita hasta que entregue la máquina para su reparación. Tenga en cuenta lo siguiente a la hora de cursar su pedido:
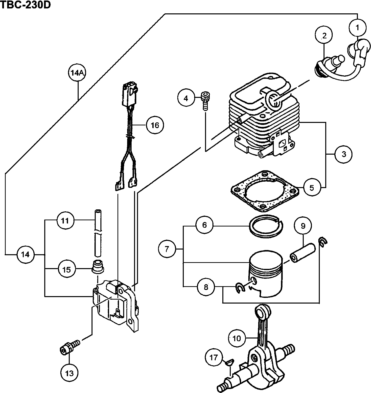
Dibujo técnico de los/las Hikoki TBC-230D
Lista de las piezas de repuesto de Hikoki TBC-230D
| Pos. | Descripción | Precio con el IVA excluido | Precio con el IVA incluido | |
| Los precios mostrados incluyen el IVA | ||||
| Conjunto de tapa de bujía (antiguo 157-01570-90/66 | ||||
| 1 | 6687468 | 2.31 | 2.80 | |
| Ensamble de bujía (antiguo 6685085) | ||||
| 2 | 6699317 | 6.76 | 8.18 | |
| Bujía Rcj8y | ||||
| 2 | 6699328 | 3.30 | 3.99 | |
| Juego de cilindros (antiguo 001-07130-91) | ||||
| 3 | 6685489 | 34.19 | 41.37 | |
| Bolt M5x18 / s hexagonal (antiguo 994-61050-184) | ||||
| 4 | 6684586 | 2.15 | 2.60 | |
| Junta de cilindro (antiguo 017-00980-20 & 6685743) | ||||
| 5 | 6685709 | 1.15 | 1.39 | |
| Anillo de pistón (antiguo 041-00601-21/ 6686117) | ||||
| 6 | 6686118 | 4.45 | 5.38 | |
| Conjunto de pistón (antiguo 030-00070-90) | ||||
| 7 | 6685869 | 15.58 | 18.85 | |
| Circlip del pasador del pistón (antiguo 039-00601- | ||||
| 8 | 6684590 | 2.15 | 2.60 | |
| Pasador del pistón | ||||
| 9 | 6696944 | 3.33 | 4.02 | |
| Cigüeñal comp. (antiguo 046-07135-80) | ||||
| 10 | 6686217 | 42.20 | 51.06 | |
| Cable de alta tensión 140l (antiguo 178-20549-20/6 | ||||
| 11 | 6687888 | 2.31 | 2.80 | |
| Bolt de agujero hexagonal 4x15/ps (antiguo 994-630 | ||||
| 13 | 6684682 | 2.15 | 2.60 | |
| Ass'y de Bobina de Encendido (antiguo 6687665/6699 | ||||
| 14 | 6699772 | 17.85 | 21.60 | |
| No hay información disponible, no se puede pedir | ||||
| 14A | 6697638 | |||
| Tapa de Goma | ||||
| 15 | 6684602 | 2.15 | 2.60 | |
| Montaje de cable de plomo | ||||
| 16 | 6697836 | 5.45 | 6.59 | |
| Chaveta semilunar 3x13x4.5 (antiguo 068-10100-20) | ||||
| 17 | 6684899 | 2.15 | 2.60 | |
| Calzo de eje de engranaje 0.20 (antiguo 330-00200- | ||||
| 31 | 6684604 | 2.15 | 2.60 | |
| Calzo de eje de engranaje 0.30 (antiguo 330-00200- | ||||
| 31 | 6684605 | 2.15 | 2.60 | |
| Calce del eje de engranaje 0.10 (antiguo 330-00200 | ||||
| 31 | 6689177 | 1.15 | 1.39 | |
| Calce del eje de engranaje 0.15 (antiguo 330-00200 | ||||
| 31 | 6689178 | 1.15 | 1.39 | |
| Conjunto de caja de cigüeñal (antiguo 072-07120-01 | ||||
| 32 | 6695806 | 38.26 | 46.30 | |
| Caja de Manivela Ass' (viejo 072-07120-92) | ||||
| 32A | 6686585 | 36.15 | 43.74 | |
| Sello de aceite | ||||
| 33 | 6684607 | 4.29 | 5.19 | |
| Rodamiento de bolas 6001 C3 | ||||
| 34 | 6684608 | 3.80 | 4.60 | |
| Junta de la caja del cigüeñal (antiguo 090-06410-2 | ||||
| 35 | 6686719 | 1.15 | 1.39 | |
| Bolt M5x18 / s hexagonal (antiguo 994-61050-184) | ||||
| 36 | 6684586 | 2.15 | 2.60 | |
| Roto Magneto Comp. | ||||
| 37 | 6687376 | 15.88 | 19.21 | |
| No hay información disponible, no se puede pedir | ||||
| 37A | 6687377 | |||
| No hay información disponible, no se puede pedir | ||||
| 37B | 6696928 | |||
| Arandela M8 (antiguo 992-01080-011) | ||||
| 38 | 6684611 | 2.15 | 2.60 | |
| Tuerca M8 (antiguo 991-01080-011/327325/332299/726 | ||||
| 39 | 6684612 | 2.15 | 2.60 | |
| Junta del colector de admisión | ||||
| 51 | 6689890 | 1.15 | 1.39 | |
| Set de Aislantes de Carburador | ||||
| 52 | 6689914 | 5.94 | 7.18 | |
| Junta del carburador (antiguo 402-0602K-21/6689836 | ||||
| 53 | 6684615 | 2.15 | 2.60 | |
| Tornillo hexagonal de 5 x 22/ws (antiguo 994-64050 | ||||
| 54 | 6695514 | 1.15 | 1.39 | |
| Tornillo 5x60s (antiguo 994-14050-601) | ||||
| 55 | 6695354 | 1.15 | 1.39 | |
| Arandela | ||||
| 56 | 6684661 | 2.15 | 2.60 | |
| Tubo protector (antiguo 223-07000-90) | ||||
| 57 | 6688174 | 2.31 | 2.80 | |
| Clip D6 (antiguo 680-00070-20) | ||||
| 58 | 6685198 | 1.15 | 1.39 | |
| No hay información disponible, no se puede pedir | ||||
| 59 | 6684620 | |||
| Depósito, blanco (antiguo 591-07120-21/6691593/669 | ||||
| 60 | 6691592 | 9.58 | 11.59 | |
| No hay información disponible, no se puede pedir | ||||
| 61 | 6685049 | |||
| Collar 5.8 (antiguo 659-00801-20) | ||||
| 62 | 6692244 | 1.15 | 1.39 | |
| Juego de carburador | ||||
| 63 | 6690513 | 50.21 | 60.76 | |
| Juego de carburador | ||||
| 63A | 6690512 | 66.40 | 80.34 | |
| Tapa giratoria (antiguo 560-07120-21/6684628) | ||||
| 64 | 6691337 | 1.15 | 1.39 | |
| Perno de agujero hexagonal 5x16/ps (antiguo 994-63 | ||||
| 65 | 6695504 | 1.15 | 1.39 | |
| Perno (con brida) | ||||
| 65A | 6696574 | 1.05 | 1.27 | |
| Tornillo de 5 x 20ws (antiguo 994-65050-205) | ||||
| 66 | 6695516 | 1.15 | 1.39 | |
| Perno L17.8 | ||||
| 66A | 6698511 | 1.05 | 1.27 | |
| No hay información disponible, no se puede pedir | ||||
| 67 | 6684625 | |||
| Ya no disponible, sin reemplazo | ||||
| 68 | 6684880 | |||
| Goma de retorno hasta 7.2014 (antigua 6684627) | ||||
| 69 | 6697846 | 1.04 | 1.26 | |
| Juego de carburador | ||||
| 70 | 6690510 | 70.33 | 85.09 | |
| Tornillo plus 5x60ws (antiguo 994-16050-601) | ||||
| 71 | 6695431 | 1.15 | 1.39 | |
| Anillo en O P-15 | ||||
| 72 | 6698966 | 1.04 | 1.26 | |
| Protector de silenciador (antiguo 738-06541-22) | ||||
| 91 | 6692798 | 5.94 | 7.18 | |
| Protector de Silenciador Negro (antiguo 738-07162- | ||||
| 91A | 6692809 | 5.11 | 6.19 | |
| Tornillo 4x15ps (antiguo 994-15040-151) | ||||
| 92 | 6695373 | 1.15 | 1.39 | |
| Tornillo autotaladrante D4.5x12 (antiguo 990-73045 | ||||
| 94 | 6684637 | 2.15 | 2.60 | |
| Perno de Cabeza de Casquillo Hexagonal M5x50 (viej | ||||
| 95 | 6685114 | 1.15 | 1.39 | |
| Arandela M5 (old 992-01050-061) | ||||
| 96 | 6684918 | 2.15 | 2.60 | |
| Conjunto de silenciador (antiguo 704-07001-90) | ||||
| 98 | 6692487 | 11.88 | 14.37 | |
| Junta del silenciador (antiguo 737-07000-20 & 6692 | ||||
| 100 | 6692745 | 1.15 | 1.39 | |
| Escudo térmico | ||||
| 101 | 6687253 | 2.31 | 2.80 | |
| Cubierta de la bujía, negra (antiguo 257-07124-20) | ||||
| 102 | 6688350 | 3.30 | 3.99 | |
| No hay información disponible, no se puede pedir | ||||
| 103 | 6697619 | |||
| Zapato de embrague | ||||
| 104 | 6688616 | 7.59 | 9.18 | |
| COMP BRAZO DE EMBRAGUE 54 NUEVO | ||||
| 104A | 6697161 | 6.90 | 8.35 | |
| Muelle de embrague (antiguo 342-06410-20) | ||||
| 105 | 6689430 | 2.31 | 2.80 | |
| No hay información disponible, no se puede pedir | ||||
| 105A | 6697618 | |||
| Placa de embrague A (antiguo 348-0602r-20) | ||||
| 106 | 6689528 | 1.15 | 1.39 | |
| Perno de paso (antiguo 357-00601-20) | ||||
| 107 | 6689627 | 1.15 | 1.39 | |
| Perno de paso (antiguo 357-0075t-20) | ||||
| 107A | 6684646 | 2.15 | 2.60 | |
| Arandela | ||||
| 108 | 6684648 | 2.15 | 2.60 | |
| No hay información disponible, no se puede pedir | ||||
| 109 | 6696932 | |||
| Tornillo de agujero hexagonal M5x18/ws (anterior 9 | ||||
| 110 | 6684647 | 2.15 | 2.60 | |
| Tornillo de toque D4.5x20 (antiguo 990-72045-204) | ||||
| 111 | 6685191 | 1.15 | 1.39 | |
| Tornillo de agujero hexagonal M5x30/ws (antiguo 99 | ||||
| 112 | 6684973 | 2.15 | 2.60 | |
| Componente de abrazadera de cuerda (antiguo 198-11 | ||||
| 113 | 6688011 | 1.15 | 1.39 | |
| Pasacables (antiguo 202-10200-20) | ||||
| 114 | 6688040 | 1.15 | 1.39 | |
| No hay información disponible, no se puede pedir | ||||
| 115 | 6697656 | |||
| Resorte de embrague | ||||
| 116 | 6697657 | 1.04 | 1.26 | |
| Conjunto de embrague | ||||
| 117 | 6697655 | 6.76 | 8.18 | |
| Perno de paso (antiguo 357-00601-20) | ||||
| 118 | 6689627 | 1.15 | 1.39 | |
| Cuerpo del arrancador de retroceso (antiguo 762-03 | ||||
| 151 | 6684938 | 23.45 | 28.37 | |
| Cuerpo de arranque de retroceso Comp. (antiguo 772 | ||||
| 152 | 6684944 | 17.24 | 20.86 | |
| Carrete de Cuerda de Arranque (viejo 774-03045-20) | ||||
| 153 | 6684941 | 6.44 | 7.79 | |
| Resorte de retroceso (viejo 779-03045-20) | ||||
| 154 | 6684942 | 9.40 | 11.37 | |
| Brazo oscilante (viejo 777-03045-20) | ||||
| 155 | 6684940 | 2.15 | 2.60 | |
| Tornillo de ajuste (antiguo 839-03045-20) | ||||
| 156 | 6684679 | 2.15 | 2.60 | |
| Polea estancia (viejo 771-03045-20) | ||||
| 157 | 6684939 | 2.15 | 2.60 | |
| Cuerda 3.0x800 (viejo 783-03045-20) | ||||
| 158 | 6684943 | 4.29 | 5.19 | |
| Manija de inicio | ||||
| 159 | 6684680 | 2.15 | 2.60 | |
| Ya no disponible, sin reemplazo | ||||
| 160 | 6685000 | |||
| Polea de arranque (antiguo 798-03045-20) | ||||
| 161 | 6684937 | 6.44 | 7.79 | |
| Bolt de agujero hexagonal 4x15/ps (antiguo 994-630 | ||||
| 162 | 6684682 | 2.15 | 2.60 | |
| Cleaner Assy (antiguo 410-07142-91 y 6690047) | ||||
| 201 | 6690048 | 9.58 | 11.59 | |
| Cubierta del filtro de aire | ||||
| 202 | 6690391 | 4.45 | 5.38 | |
| Elemento del filtro de aire | ||||
| 203 | 6684654 | 2.15 | 2.60 | |
| Tornillo especial (antiguo 380-0637c-20) | ||||
| 204 | 6689737 | 1.15 | 1.39 | |
| Cuerpo del limpiador Comp. (antiguo 423-00070-81) | ||||
| 205 | 6684656 | 8.58 | 10.38 | |
| Válvula de estrangulación (viejo 528-07143-81) | ||||
| 206 | 6684657 | 4.29 | 5.19 | |
| No hay información disponible, no se puede pedir | ||||
| 207 | 6684658 | |||
| Collar 8 (antiguo 657-3252a-20) | ||||
| 208 | 6684659 | 2.15 | 2.60 | |
| Ensamblaje de limpiador (antiguo 410-0006a-91) | ||||
| 211 | 6690006 | 10.40 | 12.58 | |
| Ass'y de Casquillo del Limpiador | ||||
| 212A | 6699771 | 12.54 | 15.17 | |
| Elemento del filtro de aire | ||||
| 213 | 6690347 | 4.45 | 5.38 | |
| Cuerpo del limpiador de aire (antiguo 423-0006a-20 | ||||
| 214 | 6690086 | 6.44 | 7.79 | |
| Collar (antiguo 470-00025-20) | ||||
| 215 | 6690801 | 2.31 | 2.80 | |
| Cuerpo de bomba comp. (antiguo 575-25153-80) | ||||
| 221 | 6684879 | 62.16 | 75.22 | |
| Bomba de cebado comp. (antiguo 442-25151-80) | ||||
| 222 | 6684687 | 16.34 | 19.77 | |
| Cubierta de diafragma (antiguo 476-25151-20) | ||||
| 223 | 6684688 | 8.58 | 10.38 | |
| Cuerpo de cebado (antiguo 447-25108-20) | ||||
| 224 | 6684689 | 6.44 | 7.79 | |
| Diafragma de medición Comp. (antiguo 474-25241-80) | ||||
| 225 | 6690830 | 11.88 | 14.37 | |
| Junta de diafragma (antiguo 475-25153-20) | ||||
| 226 | 6684691 | 8.58 | 10.38 | |
| Diafragma de bomba (antiguo 576-25100-20 & 6696325 | ||||
| 227 | 6684693 | 8.58 | 10.38 | |
| Junta de bomba (viejo 577-25100-20) | ||||
| 228 | 6691457 | 7.10 | 8.59 | |
| Jet principal #40 (antiguo 599-2000w-40) | ||||
| 229 | 6691845 | 4.45 | 5.38 | |
| Jet principal #38 (antiguo 599-2000w-38) | ||||
| 229A | 6691844 | 4.45 | 5.38 | |
| O-RING (antiguo 550-25100-20) | ||||
| 230 | 6684695 | 4.29 | 5.19 | |
| Anillo de parada (antiguo 489-25100-20) | ||||
| 231 | 6684696 | 2.15 | 2.60 | |
| Giratorio (antiguo 539-25120-20) | ||||
| 232 | 6684697 | 6.44 | 7.79 | |
| Tornillo de ajuste del acelerador (antiguo 548-251 | ||||
| 233 | 6684698 | 4.29 | 5.19 | |
| Tornillo de ajuste (antiguo 548-25151-20 & 6696324 | ||||
| 234 | 6684699 | 2.15 | 2.60 | |
| Pantalla de entrada (antiguo 578-25007-20) | ||||
| 235 | 6684700 | 4.29 | 5.19 | |
| Valvula de aceleracion comp. (antigua 488-25145-80 | ||||
| 236 | 6684883 | 18.75 | 22.69 | |
| Comp. Eje de muleta (antiguo 289-07061-80/6688599) | ||||
| 251 | 6695969 | 15.73 | 19.03 | |
| Anillo de Parada C-12 Exterior | ||||
| 252 | 6684664 | 2.15 | 2.60 | |
| Goma Antivibración | ||||
| 253 | 6691839 | 3.30 | 3.99 | |
| Tornillo con agujero hexagonal 5x16 (antiguo 990-5 | ||||
| 254 | 6695046 | 1.15 | 1.39 | |
| Tornillo de agujero hexagonal M5x25/s (viejo 994-1 | ||||
| 255 | 6684709 | 2.15 | 2.60 | |
| Carcasa del ventilador | ||||
| 256 | 6687029 | 15.13 | 18.30 | |
| Soporte de tubo, TPE | ||||
| 257 | 6689651 | 5.94 | 7.18 | |
| Arandela M5 (old 992-01050-061) | ||||
| 258 | 6684918 | 2.15 | 2.60 | |
| Arandela | ||||
| 259 | 6689159 | 1.15 | 1.39 | |
| Accesorio de metal (antiguo 361-00990-20) | ||||
| 260 | 6689664 | 3.30 | 3.99 | |
| Eje de accionamiento 1480l (antiguo 343-38379-20/6 | ||||
| 281 | 6696009 | 13.53 | 16.37 | |
| Tubo de dirección | ||||
| 282 | 6689386 | 32.21 | 38.98 | |
| No hay información disponible, no se puede pedir | ||||
| 283 | 6684831 | |||
| Collar de percha (antiguo 334-38360-20) | ||||
| 284 | 6689260 | 1.15 | 1.39 | |
| Colgador (viejo 335-38360-80) | ||||
| 285 | 6689281 | 12.88 | 15.58 | |
| Soporte de fijación del colgador para Estados Unid | ||||
| 286 | 6689294 | 1.15 | 1.39 | |
| Ya no disponible, sin reemplazo | ||||
| 287 | 6696988 | |||
| Mango de agarre (antiguo 165-37590-20) | ||||
| 288 | 6684708 | 6.44 | 7.79 | |
| Tornillo de agujero hexagonal M5x25/s (viejo 994-1 | ||||
| 289 | 6684709 | 2.15 | 2.60 | |
| Soporte de manija A (antiguo 506-37623-20) | ||||
| 290 | 6684710 | 13.20 | 15.97 | |
| Soporte de manija B (antiguo 507-37623-20) | ||||
| 291 | 6684711 | 18.00 | 21.78 | |
| Caucho de soporte de manija (antiguo 510-37304-20) | ||||
| 292 | 6684712 | 4.29 | 5.19 | |
| Soporte de manija C (antiguo 508-37623-20) | ||||
| 293 | 6684713 | 12.38 | 14.97 | |
| TORNILLO CON ORIFICIO HEX. 6X25S (ANTIGUO 994-8106 | ||||
| 294 | 6684714 | 2.15 | 2.60 | |
| Abrazadera B. (viejo 460-33111-20) | ||||
| 295 | 6684715 | 2.15 | 2.60 | |
| Mango izquierdo (antiguo 502-37867-20) | ||||
| 296 | 6696093 | 13.76 | 16.65 | |
| Manija derecha (antigua 501-37867-20) | ||||
| 297 | 6691080 | 13.53 | 16.37 | |
| Palanca del acelerador Ass'y (antiguo 870-38445-90 | ||||
| 298 | 6693768 | 38.26 | 46.30 | |
| Ya no disponible, sin reemplazo | ||||
| 299 | 6684721 | |||
| Resorte de retorno (antiguo 832-38400-20) | ||||
| 300 | 6684722 | 2.15 | 2.60 | |
| Palanca del acelerador (antiguo 880-38401-20) | ||||
| 301 | 6684723 | 10.23 | 12.37 | |
| Tapón ciego (antiguo 322-38400-20) | ||||
| 302 | 6684724 | 2.15 | 2.60 | |
| Tornillo M4x20 (negro) (antiguo 993-46040-202) | ||||
| 303 | 6684725 | 2.15 | 2.60 | |
| Tornillo 5x30 (negro) (antiguo 994-31050-303) | ||||
| 304 | 6684726 | 2.15 | 2.60 | |
| No hay información disponible, no se puede pedir | ||||
| 305 | 6684727 | |||
| Botón de parada Comp. (viejo 156-37822-80) Nuevo | ||||
| 306 | 6687453 | 14.38 | 17.39 | |
| Cable del acelerador (antiguo 887-38445-80) | ||||
| 307 | 6694024 | 10.40 | 12.58 | |
| Ya no disponible, sin reemplazo | ||||
| 308 | 6687543 | |||
| Cable del acelerador | ||||
| 309 | 6693981 | 24.20 | 29.28 | |
| Agarre de Mano | ||||
| 310 | 6601164 | 2.80 | 3.39 | |
| Caja de engranajes | ||||
| 321 | 6688817 | 66.40 | 80.34 | |
| Tornillo de agujero hexagonal M5x25/s (viejo 994-1 | ||||
| 322 | 6684709 | 2.15 | 2.60 | |
| Anillo de parada C-24.inner (antiguo 993-51024-002 | ||||
| 323 | 6684732 | 2.15 | 2.60 | |
| Anillo de parada C-9, exterior (antiguo 993-50009- | ||||
| 324 | 6695281 | 1.15 | 1.39 | |
| Rodamiento de bolas 609z ST | ||||
| 325 | 6684735 | 8.58 | 10.38 | |
| Caja de engranajes 24 (viejo 300-38360-21) | ||||
| 326 | 6688815 | 12.38 | 14.97 | |
| Tornillo 5x12/w.s (antiguo 994-16050-121) | ||||
| 327 | 6695414 | 1.15 | 1.39 | |
| Perno de aceitado (antiguo 316-38150-20) | ||||
| 328 | 6689109 | 1.15 | 1.39 | |
| Rodamiento de bolas 626 | ||||
| 329 | 6695567 | 4.45 | 5.38 | |
| Eje de engranaje (antiguo 304-38360-20) | ||||
| 330 | 6688948 | 9.74 | 11.78 | |
| RODAMIENTO DE BOLAS | ||||
| 331 | 6695527 | 6.60 | 7.99 | |
| ANILLO DE PARADA C-26, INTERNO (ANTIGUO 993-51026- | ||||
| 332 | 6695294 | 1.15 | 1.39 | |
| Portacortador (antiguo 310-38360-20) | ||||
| 333 | 6689033 | 6.44 | 7.79 | |
| Tapa del Portaherramientas de Corte (antiguo 311-3 | ||||
| 334 | 6689056 | 3.30 | 3.99 | |
| Cubierta de protección (antigua 308-38360-20) | ||||
| 335 | 6688996 | 3.30 | 3.99 | |
| Tuerca de Fijación M8 L/h (antiguo 313-38360-20/66 | ||||
| 336 | 6689075 | 1.15 | 1.39 | |
| Cubierta de la caja de engranajes (antiguo 303-383 | ||||
| 337 | 6688917 | 2.31 | 2.80 | |
| Tornillo 5x12/w.s (antiguo 994-16050-121) | ||||
| 338 | 6695414 | 1.15 | 1.39 | |
| Conjunto de Piñón de Engranaje (antiguo 301-38360- | ||||
| 339 | 6688883 | 13.91 | 16.83 | |
| TORNILLO CON ORIFICIO HEX. 6X25S (ANTIGUO 994-8106 | ||||
| 340 | 6684714 | 2.15 | 2.60 | |
| Soporte de Cubierta D24 (antiguo 442-38455-20) | ||||
| 341 | 6690317 | 3.30 | 3.99 | |
| Soporte de Cubierta (antiguo 442-38470-20) | ||||
| 341A | 6690318 | 5.11 | 6.19 | |
| Guarda de hoja 26 Ce (antiguo 441-37380-21/6690241 | ||||
| 342 | 6690242 | 16.64 | 20.13 | |
| Guarda de Hoja 24 Ce (antiguo 441-38505-20) | ||||
| 342A | 6684747 | 30.70 | 37.15 | |
| Soporte de cubierta de seguridad (antiguo 445-3738 | ||||
| 343 | 6684748 | 4.29 | 5.19 | |
| Ya no disponible, sin reemplazo | ||||
| 344 | 6690372 | |||
| Guarda de cubierta (antiguo 447-38455-20) | ||||
| 344A | 6684749 | 14.98 | 18.12 | |
| Cuchilla (antigua 797-37380-21/6693385) | ||||
| 345 | 6693386 | 4.45 | 5.38 | |
| Cuchilla (antiguo 797-37714-20) | ||||
| 345A | 6684750 | 4.29 | 5.19 | |
| Tornillo 5x12/s (antiguo 994-14050-121) | ||||
| 346 | 6695334 | 1.15 | 1.39 | |
| Tornillo autorroscante 4x14 (antiguo 993-48040-142 | ||||
| 346A | 6684751 | 2.15 | 2.60 | |
| Tuerca hexagonal 5 (antiguo 991-01050-011) | ||||
| 347 | 6684965 | 1.04 | 1.26 | |
| Espaciador de soporte (antiguo 444-37609-20) | ||||
| 348 | 6690332 | 1.15 | 1.39 | |
| Tornillo autoperforante 5x20 (antiguo 993-17052-00 | ||||
| 349 | 6684753 | 2.15 | 2.60 | |
| Cuchilla (antigua 797-38331-20) | ||||
| 350 | 6684754 | 8.58 | 10.38 | |
| No hay información disponible, no se puede pedir | ||||
| 501 | 6684813 | |||
| Llave de caja combinada 13x19 (antigua 829-29005-2 | ||||
| 502 | 6693588 | 3.30 | 3.99 | |
| Cubierta del cortador (antiguo 615-37224-20/790290 | ||||
| 503B | 6684768 | 2.15 | 2.60 | |
| No hay información disponible, no se puede pedir | ||||
| 504A | 875769 | |||
| No hay información disponible, no se puede pedir | ||||
| 506 | 6695789 | |||
| No hay información disponible, no se puede pedir | ||||
| 507 | 6695796 | |||
| No hay información disponible, no se puede pedir | ||||
| 521 | 6695783 | |||
| Cuerpo de corte (viejo 786-38454-20) | ||||
| 522 | 6693273 | 17.55 | 21.24 | |
| Tuerca especial (antigua 315-38454-20) | ||||
| 523 | 6689103 | 9.74 | 11.78 | |
| Resorte de carrete (antiguo 793-38454-20) | ||||
| 524 | 6693380 | 3.30 | 3.99 | |
| Ojal (antiguo 788-37770-20) | ||||
| 525 | 6684810 | 2.15 | 2.60 | |
| Carrete (antiguo 787-38454-20) | ||||
| 526 | 6693294 | 11.05 | 13.37 | |
| Ya no disponible, sin reemplazo | ||||
| 527 | 6693340 | |||
| No hay información disponible, no se puede pedir | ||||
| 528 | 6697932 | |||
| No hay información disponible, no se puede pedir | ||||
| 529 | 6693222 | |||
| Tuerca de montaje L/h (antiguo 356-38195-20) | ||||
| 531 | 6689625 | 7.75 | 9.38 | |
| Carrete de cable | ||||
| 532 | 6693293 | 9.08 | 10.98 | |
| Resorte de carrete (antiguo 793-38195-20) | ||||
| 533 | 6693379 | 1.15 | 1.39 | |
| Bobina de recogida | ||||
| 534 | 6689852 | 2.31 | 2.80 | |
| Ojal (antiguo 788-38195-20) | ||||
| 535 | 6693329 | 1.15 | 1.39 | |
| Tapa del cuerpo (antiguo 789-38195-20) | ||||
| 536 | 6693339 | 4.45 | 5.38 | |
| Disco (antiguo 403-38195-20) Nuevo Sep | ||||
| 537 | 6689906 | 1.15 | 1.39 | |
| Tornillo 5x14/s (antiguo 994-14050-141) Nuevo | ||||
| 538 | 6695336 | 1.15 | 1.39 | |
| Placa de identificación Tbc-230d (antigua 906-0713 | ||||
| 601 | 6694221 | 1.05 | 1.27 | |
| Marca Símbolo Tbc-230d (antiguo 929-0713a-20) Nuev | ||||
| 602 | 6694640 | 1.05 | 1.27 | |
| No hay información disponible, no se puede pedir | ||||
| 603 | 6697851 | |||