Aquí encontrará todas las piezas y dibujos técnicos disponibles de 'Hikoki TBC-340D'. Desde aquí podrá pedir todas las piezas deseadas directamente. Para muchas piezas de repuesto, es necesario pasar un pedido al fabricante. Dependiendo de la marca, el plazo de entrega puede variar entre una y cuatro semanas. Toda la información que tenemos está en nuestro sitio web. No podremos aconsejarle sobre lo que necesita hasta que entregue la máquina para su reparación. Tenga en cuenta lo siguiente a la hora de cursar su pedido:
Dibujo técnico de los/las Hikoki TBC-340D
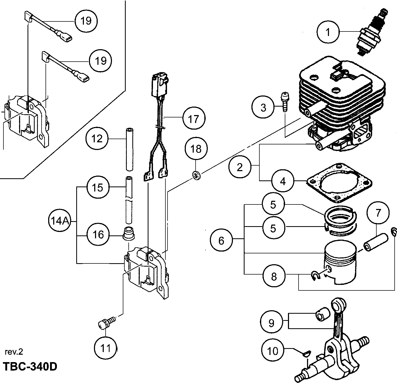
Lista de las piezas de repuesto de Hikoki TBC-340D
| Pos. | Descripción | Precio con el IVA excluido | Precio con el IVA incluido | |
| Los precios mostrados incluyen el IVA | ||||
| Bujía (antiguo 6685775) | ||||
| 1 | 6699326 | 3.30 | 3.99 | |
| Bujía Cj6y (antiguo 6685772) | ||||
| 1 | 6699323 | 2.48 | 2.99 | |
| Juego de Cilindros (antiguo 001-07031-91/6685486) | ||||
| 2 | 6685487 | 52.34 | 63.33 | |
| Tornillo hexagonal M5x16/s (antiguo 994-61050-164) | ||||
| 3 | 6684903 | 2.15 | 2.60 | |
| Junta de cilindro (antiguo 017-07020-20) | ||||
| 4 | 6685746 | 1.15 | 1.39 | |
| Anillo de pistón (xr1-1856) | ||||
| 5 | 6685331 | 4.05 | 4.90 | |
| Conjunto de pistones (antiguo 030-07030-91/6685897 | ||||
| 6 | 6685898 | 24.20 | 29.28 | |
| Pasador de pistón 9 X 31 (antiguo 037-01400-20/791 | ||||
| 7 | 6686008 | 2.31 | 2.80 | |
| Circlip (antiguo 039-00000-20) | ||||
| 8 | 6685078 | 1.15 | 1.39 | |
| Cigüeñal comp. (antiguo 046-07221-80/6686210) | ||||
| 9 | 6696499 | 67.00 | 81.07 | |
| Chaveta semilunar 3x13x4.5 (antiguo 068-10100-20) | ||||
| 10 | 6684899 | 2.15 | 2.60 | |
| Tornillo de alta tensión 4x18ws (antiguo 994-16040 | ||||
| 11 | 6695407 | 1.15 | 1.39 | |
| Tubo aislante, 110l (antiguo 250-07020-20) | ||||
| 12 | 6688319 | 1.15 | 1.39 | |
| Ass'y de Bobina de Encendido (antiguo 6687665/6699 | ||||
| 14A | 6699772 | 17.85 | 21.60 | |
| Cable de alta tensión 140l (antiguo 178-20549-20/6 | ||||
| 15 | 6687888 | 2.31 | 2.80 | |
| Tapa de Goma | ||||
| 16 | 6684602 | 2.15 | 2.60 | |
| Montaje de cable de plomo | ||||
| 17 | 6697836 | 5.45 | 6.59 | |
| Arandela (antiguo 182-0186a-20) | ||||
| 18 | 6684600 | 2.15 | 2.60 | |
| Parada de cordón B160m (antiguo 178-0703b-80) | ||||
| 19 | 6687874 | 2.31 | 2.80 | |
| Ensamblaje de caja de cigüeñal (antiguo 072-07020- | ||||
| 31 | 6686580 | 38.26 | 46.30 | |
| Sello de aceite | ||||
| 32 | 6684607 | 4.29 | 5.19 | |
| Rodamiento de bolas 6001 C3 | ||||
| 33 | 6684608 | 3.80 | 4.60 | |
| Junta de caja del cigüeñal (antigua 090-07020-20) | ||||
| 34 | 6686721 | 1.15 | 1.39 | |
| Calzo de eje de engranaje 0.20 (antiguo 330-00200- | ||||
| 35 | 6684604 | 2.15 | 2.60 | |
| Calzo de eje de engranaje 0.30 (antiguo 330-00200- | ||||
| 35 | 6684605 | 2.15 | 2.60 | |
| Calce del eje de engranaje 0.10 (antiguo 330-00200 | ||||
| 35 | 6689177 | 1.15 | 1.39 | |
| Calce del eje de engranaje 0.15 (antiguo 330-00200 | ||||
| 35 | 6689178 | 1.15 | 1.39 | |
| Roto Magneto Comp. | ||||
| 36 | 6687375 | 20.11 | 24.34 | |
| Tuerca M8 (antiguo 991-01080-011/327325/332299/726 | ||||
| 37 | 6684612 | 2.15 | 2.60 | |
| Arandela | ||||
| 38 | 6695184 | 1.15 | 1.39 | |
| Tornillo hexagonal M5x16/s (antiguo 994-61050-164) | ||||
| 39 | 6684903 | 2.15 | 2.60 | |
| Arandela | ||||
| 40 | 6689645 | 1.15 | 1.39 | |
| Junta del colector de admisión | ||||
| 51 | 6689864 | 1.15 | 1.39 | |
| Set de aislador de carburador, repuesto (antiguo 4 | ||||
| 52 | 6689924 | 6.60 | 7.99 | |
| Tornillo hexagonal de 5 x 22/ws (antiguo 994-64050 | ||||
| 53 | 6695514 | 1.15 | 1.39 | |
| Junta del carburador (antiguo 402-0656a-20) | ||||
| 54 | 6684616 | 2.15 | 2.60 | |
| Juego de carburador | ||||
| 55 | 6690503 | 86.36 | 104.50 | |
| Juego de carburador | ||||
| 55 | 6690505 | 67.65 | 81.86 | |
| Placa de estrangulación 1.0 (antiguo 528-07020-22/ | ||||
| 56 | 6691278 | 1.15 | 1.39 | |
| Cuerpo de limpiador completo (antiguo 423-0652n-80 | ||||
| 57 | 6690120 | 4.45 | 5.38 | |
| Esponja de limpieza | ||||
| 58 | 6690365 | 1.15 | 1.39 | |
| Cubierta del filtro de aire | ||||
| 59 | 6690421 | 13.86 | 16.77 | |
| Comp. de perno de fijación de la cubierta | ||||
| 60 | 6698730 | 3.15 | 3.81 | |
| Tornillo M5x57/s (antiguo 994-14050-571/790190) | ||||
| 61 | 6695353 | 1.15 | 1.39 | |
| Arandela 5 (antiguo 992-00050-011) | ||||
| 62 | 6684864 | 2.15 | 2.60 | |
| Palanca de control del estrangulador (antiguo 523- | ||||
| 63 | 6691239 | 1.15 | 1.39 | |
| Componente del tanque blanco (antiguo 591-07039-80 | ||||
| 64 | 6691588 | 11.71 | 14.17 | |
| Collar C (antiguo 659-04300-20) | ||||
| 65 | 6684623 | 2.15 | 2.60 | |
| Ya no disponible, sin reemplazo | ||||
| 66 | 6688156 | |||
| Ya no disponible, sin reemplazo | ||||
| 67 | 6684880 | |||
| No hay información disponible, no se puede pedir | ||||
| 68 | 6684620 | |||
| Clip D6 (antiguo 680-00070-20) | ||||
| 69 | 6685198 | 1.15 | 1.39 | |
| Tubo de combustible | ||||
| 70 | 6688169 | 2.31 | 2.80 | |
| Perno de agujero hexagonal 5x20ps (antiguo 994-630 | ||||
| 71 | 6695506 | 1.15 | 1.39 | |
| No hay información disponible, no se puede pedir | ||||
| 72 | 6685049 | |||
| No hay información disponible, no se puede pedir | ||||
| 73 | 6684625 | |||
| Base (antiguo 941-07035-20) | ||||
| 74 | 6694793 | 3.30 | 3.99 | |
| Tornillo autoperforante 4x14 P (viejo 993-49040-14 | ||||
| 75 | 6695280 | 1.15 | 1.39 | |
| Arandela | ||||
| 76 | 6685070 | 1.15 | 1.39 | |
| Tapa del tanque D Ass'y (antiguo 595-03002-90/6685 | ||||
| 78 | 6691748 | 7.59 | 9.18 | |
| Tapa limpiadora (antiguo 424-0652n-21) Nuevo | ||||
| 79 | 6690154 | 4.45 | 5.38 | |
| Tornillo especial (antiguo 380-06410-20) Nuevo | ||||
| 80 | 6689738 | 4.45 | 5.38 | |
| Arandela | ||||
| 81 | 6684633 | 2.15 | 2.60 | |
| Arandela | ||||
| 82 | 6684632 | 2.15 | 2.60 | |
| Forro de embrague completo (antiguo 290-0138a-80/6 | ||||
| 91 | 6688610 | 7.59 | 9.18 | |
| Resorte de embrague (antiguo 342-0138a-20) | ||||
| 92 | 6689420 | 2.31 | 2.80 | |
| Arandela | ||||
| 93 | 6689645 | 1.15 | 1.39 | |
| Arandela | ||||
| 94 | 6695203 | 1.15 | 1.39 | |
| Perno de paso de embrague (antiguo 357-0136u-20) | ||||
| 95 | 6689628 | 2.31 | 2.80 | |
| Conjunto de Embrague Ass'y (antiguo 276-0138a-90) | ||||
| 96 | 6688482 | 12.88 | 15.58 | |
| Carcasa del ventilador | ||||
| 97 | 6687019 | 11.05 | 13.37 | |
| Tornillo de agujero hexagonal 5x15ws (antiguo 994- | ||||
| 98 | 6695512 | 1.15 | 1.39 | |
| Goma Antivibración | ||||
| 99 | 6691838 | 3.30 | 3.99 | |
| Tornillo de Roscar D5x14 (antiguo 990-72050-144) | ||||
| 100 | 6685275 | 1.15 | 1.39 | |
| Sujetador de tubo (antiguo 360-07030-20) | ||||
| 101 | 6689656 | 8.91 | 10.78 | |
| Anillo de Parada C-12 Exterior | ||||
| 102 | 6684664 | 2.15 | 2.60 | |
| Tornillo de agujero hexagonal M5x25/s (viejo 994-1 | ||||
| 103 | 6684709 | 2.15 | 2.60 | |
| Perno de agujero hexagonal 4x12ws (antiguo 994-640 | ||||
| 104A | 6695507 | 1.15 | 1.39 | |
| Eje de embrague Comp. 78 (antiguo 289-07031-80) | ||||
| 105 | 6688598 | 15.73 | 19.03 | |
| Anillo de Parada R-32, Interno (viejo 993-53032-00 | ||||
| 106 | 6695304 | 1.15 | 1.39 | |
| Caja de rodamiento (antiguo 088-07020-20) | ||||
| 107 | 6686667 | 7.75 | 9.38 | |
| Rodamiento de bolas #6201zz | ||||
| 108 | 6695553 | 6.28 | 7.59 | |
| Goma de cable principal (ancien 203-11660-20) | ||||
| 109 | 6688057 | 1.15 | 1.39 | |
| Protector de silenciador (antiguo 738-07021-20) | ||||
| 110 | 6692803 | 7.75 | 9.38 | |
| Conjunto de tapa de bujía (antiguo 157-01570-90/66 | ||||
| 111 | 6687468 | 2.31 | 2.80 | |
| Tornillo autotaladrante D4.5x12 (antiguo 990-73045 | ||||
| 112 | 6684637 | 2.15 | 2.60 | |
| Junta de silenciador (antiguo 737-0165a-20) | ||||
| 113 | 6692732 | 1.15 | 1.39 | |
| Escudo térmico | ||||
| 114 | 6687260 | 3.30 | 3.99 | |
| Juego de silenciadores (antiguo 704-07020-90) | ||||
| 115 | 6692489 | 22.24 | 26.91 | |
| Juego de silenciadores (antiguo 704-0703j-90) | ||||
| 115 | 6692493 | 19.21 | 23.25 | |
| Tornillo de orificio hexagonal M6x55 (antiguo 990- | ||||
| 116 | 6684638 | 2.15 | 2.60 | |
| Arandela | ||||
| 117 | 6684639 | 2.15 | 2.60 | |
| Junta de escape especial (antiguo 751-07020-20) Nu | ||||
| 118 | 6692887 | 1.15 | 1.39 | |
| Conjunto de tubo de escape (antiguo 721-07020-90) | ||||
| 119 | 6692669 | 4.45 | 5.38 | |
| Tornillo 4x8/s (antiguo 994-14040-081) | ||||
| 120 | 6695325 | 1.15 | 1.39 | |
| Conjunto de tubo de escape (antiguo 721-07020-90) | ||||
| 121 | 6692669 | 4.45 | 5.38 | |
| Conjunto de tubo de cola (antiguo 734-07037-90) Nu | ||||
| 121A | 6692712 | 2.31 | 2.80 | |
| Arandela | ||||
| 122 | 6685109 | 1.15 | 1.39 | |
| Arresta chispas, Sólo USA (antiguo 732-0631a-21) | ||||
| 123 | 6692699 | 1.15 | 1.39 | |
| Arrancador de retroceso (antiguo 762-0162v-91/6692 | ||||
| 131 | 6692969 | 22.24 | 26.91 | |
| Manija de inicio | ||||
| 132 | 6693227 | 3.30 | 3.99 | |
| Guía de cuerda (antiguo 780-06150-20) | ||||
| 133 | 6693135 | 3.30 | 3.99 | |
| Cuerpo de Arranque de Retroceso (viejo 772-06150-2 | ||||
| 134 | 6693036 | 10.23 | 12.37 | |
| Resorte de retroceso (antiguo 779-0136u-20) | ||||
| 135 | 6693111 | 7.93 | 9.59 | |
| Cuerda 3.5x890 (antiguo 783-0162v-20/6693171) | ||||
| 136 | 6693157 | 2.31 | 2.80 | |
| Carrete de cuerda de arranque (viejo 774-0162v-20) | ||||
| 137 | 6693057 | 4.45 | 5.38 | |
| Arandela | ||||
| 138 | 6693419 | 1.15 | 1.39 | |
| Tornillo de ajuste (antiguo 839-00025-20) | ||||
| 139 | 6693632 | 1.15 | 1.39 | |
| Tornillo Hex. Agujero 4x18ps (antiguo 994-63040-18 | ||||
| 140 | 6695502 | 1.15 | 1.39 | |
| Polea de inicio Ass'y (antiguo 798-0166r-90) | ||||
| 141 | 6693394 | 7.59 | 9.18 | |
| Pestillo del arrancador (antiguo 788-0138a-20) | ||||
| 142 | 6693299 | 2.31 | 2.80 | |
| Muelle de arranque (antiguo 790-0162v-20) | ||||
| 143 | 6693345 | 2.31 | 2.80 | |
| Cuerpo de bomba comp. (antiguo 575-25153-80) | ||||
| 151 | 6684879 | 62.16 | 75.22 | |
| Bomba de cebado comp. (antiguo 442-25151-80) | ||||
| 152 | 6684687 | 16.34 | 19.77 | |
| Cubierta de diafragma (antiguo 476-25151-20) | ||||
| 153 | 6684688 | 8.58 | 10.38 | |
| Cuerpo de cebado (antiguo 447-25108-20) | ||||
| 154 | 6684689 | 6.44 | 7.79 | |
| Membrana de medición Comp. (antiguo 474-25001-80/6 | ||||
| 155 | 6690827 | 11.71 | 14.17 | |
| Diafragma de medición Comp. (antiguo 474-25241-80) | ||||
| 155A | 6690830 | 11.88 | 14.37 | |
| Junta de diafragma (antiguo 475-25153-20) | ||||
| 156 | 6684691 | 8.58 | 10.38 | |
| Diafragma de bomba (antiguo 576-25100-20 & 6696325 | ||||
| 157 | 6684693 | 8.58 | 10.38 | |
| Junta de bomba (viejo 577-25100-20) | ||||
| 158 | 6691457 | 7.10 | 8.59 | |
| Junta de bomba (antiguo 577-25292-20 & 6696321) | ||||
| 158A | 6684692 | 29.19 | 35.32 | |
| Jet principal #43 (antiguo 599-2000w-43/6691847/66 | ||||
| 159 | 6691848 | 4.45 | 5.38 | |
| Jet principal #45 (antiguo 599-2000w-45) Nuevo | ||||
| 159 | 6691850 | 4.05 | 4.90 | |
| O-RING (antiguo 550-25100-20) | ||||
| 160 | 6684695 | 4.29 | 5.19 | |
| Anillo de parada (antiguo 489-25100-20) | ||||
| 161 | 6684696 | 2.15 | 2.60 | |
| Giratorio (antiguo 539-25120-20) | ||||
| 162 | 6684697 | 6.44 | 7.79 | |
| Tornillo de Ajuste del Acelerador (antiguo 514-251 | ||||
| 163 | 6684870 | 2.15 | 2.60 | |
| Regulador de Cable (antiguo 544-25164-20) | ||||
| 164 | 6684873 | 6.44 | 7.79 | |
| Tuerca de Bloqueo M6 (antiguo 991-01060-013) | ||||
| 165 | 6684872 | 2.15 | 2.60 | |
| Ajustador de Cable (antiguo 614-25137-20) | ||||
| 166 | 6684871 | 4.29 | 5.19 | |
| Empaquetadura del Limpiador (antiguo 431-0634c-20) | ||||
| 167 | 6684875 | 4.29 | 5.19 | |
| Tornillo de ajuste (antiguo 548-25151-20 & 6696324 | ||||
| 168 | 6684699 | 2.15 | 2.60 | |
| Arandela (antiguo 549-25165-20) | ||||
| 169 | 6684874 | 2.15 | 2.60 | |
| Pantalla de entrada (antiguo 578-25007-20) | ||||
| 170 | 6684700 | 4.29 | 5.19 | |
| No hay información disponible, no se puede pedir | ||||
| 171 | 6690700 | |||
| Resorte de ajuste Alto/Bajo (antiguo 623-25032-20) | ||||
| 172 | 6692048 | 2.31 | 2.80 | |
| Arandela | ||||
| 173 | 6691317 | 1.05 | 1.27 | |
| O-ring (antiguo 550-25137-20) Nuevo | ||||
| 174 | 6691322 | 2.10 | 2.54 | |
| Válvula de aceleración (viejo 488-25199-90) | ||||
| 175 | 6690947 | 36.15 | 43.74 | |
| Comp. de válvula de mariposa (antiguo 488-25170-80 | ||||
| 175A | 6690940 | 24.20 | 29.28 | |
| Eje motriz 1533l (antiguo 343-38302-20 & 6684701) | ||||
| 191 | 6689478 | 14.98 | 18.12 | |
| No hay información disponible, no se puede pedir | ||||
| 192 | 6689407 | |||
| Montaje de buje | ||||
| 193 | 6697866 | 1.98 | 2.39 | |
| Mango de agarre (antiguo 165-37590-20) | ||||
| 194 | 6684708 | 6.44 | 7.79 | |
| Tornillo de agujero hexagonal M5x25/s (viejo 994-1 | ||||
| 195 | 6684709 | 2.15 | 2.60 | |
| Soporte de manija A (antiguo 506-37623-20) | ||||
| 196 | 6684710 | 13.20 | 15.97 | |
| Soporte de manija B (antiguo 507-37623-20) | ||||
| 197 | 6684711 | 18.00 | 21.78 | |
| Goma de cojín (antiguo 510-37352-20) | ||||
| 198 | 6691187 | 2.31 | 2.80 | |
| Soporte de manija C (antiguo 508-37623-20) | ||||
| 199 | 6684713 | 12.38 | 14.97 | |
| TORNILLO CON ORIFICIO HEX. 6X25S (ANTIGUO 994-8106 | ||||
| 200 | 6684714 | 2.15 | 2.60 | |
| No hay información disponible, no se puede pedir | ||||
| 201 | 6689291 | |||
| Abrazadera B. (viejo 460-33111-20) | ||||
| 202 | 6684715 | 2.15 | 2.60 | |
| Mango izquierdo (antiguo 502-37867-20) | ||||
| 203 | 6696093 | 13.76 | 16.65 | |
| Manija derecha (antigua 501-37867-20) | ||||
| 204 | 6691080 | 13.53 | 16.37 | |
| Palanca del acelerador Ass'y 19 | ||||
| 205 | 6693766 | 42.20 | 51.06 | |
| Palanca de seguridad (viejo 253-38400-20) | ||||
| 206 | 6684721 | 6.44 | 7.79 | |
| Resorte de retorno (antiguo 832-38400-20) | ||||
| 207 | 6684722 | 2.15 | 2.60 | |
| Palanca del acelerador (antiguo 880-38401-20) | ||||
| 208 | 6684723 | 10.23 | 12.37 | |
| Tapón ciego (antiguo 322-38400-20) | ||||
| 209 | 6684724 | 2.15 | 2.60 | |
| Tornillo M4x20 (negro) (antiguo 993-46040-202) | ||||
| 210 | 6684725 | 2.15 | 2.60 | |
| Tornillo 5x30 (negro) (antiguo 994-31050-303) | ||||
| 211 | 6684726 | 2.15 | 2.60 | |
| No hay información disponible, no se puede pedir | ||||
| 212 | 6684727 | |||
| Interruptor de parada (antiguo 156-38401-80) | ||||
| 218 | 6687460 | 13.86 | 16.77 | |
| Interruptor de parada (antiguo 156-38401-81) | ||||
| 218A | 6687461 | 13.86 | 16.77 | |
| Cable del acelerador (antiguo 887-38401-80) | ||||
| 219 | 6694023 | 12.54 | 15.17 | |
| Tubo de Protección (viejo 164-07086-50) | ||||
| 220 | 6687546 | 2.31 | 2.80 | |
| Cable del acelerador | ||||
| 221 | 6693979 | 28.14 | 34.05 | |
| Cable del acelerador | ||||
| 221A | 6693980 | 28.14 | 34.05 | |
| No hay información disponible, no se puede pedir | ||||
| 222A | 6689275 | |||
| Eje motriz 1533l (antiguo 343-38302-20 & 6684701) | ||||
| 231 | 6689478 | 14.98 | 18.12 | |
| Agarre de Mano Derecha (viejo 503-38340-20) Nuevo | ||||
| 234 | 6691101 | 4.05 | 4.90 | |
| Agarre (antiguo 165-38340-20) Nuevo | ||||
| 235 | 6687628 | 4.45 | 5.38 | |
| Mango (antiguo 500-38340-20) Nuevo | ||||
| 236 | 6691055 | 9.74 | 11.78 | |
| Soporte de manija A (antiguo 506-37623-20) | ||||
| 237 | 6684710 | 13.20 | 15.97 | |
| Soporte de mango B,26dia. (Antiguo 507-37589-20) N | ||||
| 238 | 6691156 | 4.05 | 4.90 | |
| Soporte de la manija C, 26 Dia. (antiguo 508-37589 | ||||
| 239 | 6691174 | 3.30 | 3.99 | |
| Tornillo de agujero hexagonal M5x25/s (viejo 994-1 | ||||
| 240 | 6684709 | 2.15 | 2.60 | |
| TORNILLO CON ORIFICIO HEX. 6X25S (ANTIGUO 994-8106 | ||||
| 241 | 6684714 | 2.15 | 2.60 | |
| Colgador (viejo 335-38360-80) | ||||
| 242 | 6689281 | 12.88 | 15.58 | |
| Soporte de fijación del colgador para Estados Unid | ||||
| 243 | 6689294 | 1.15 | 1.39 | |
| Ya no disponible, sin reemplazo | ||||
| 244 | 6696988 | |||
| Cable del acelerador | ||||
| 245 | 6693966 | 9.58 | 11.59 | |
| Palanca del acelerador (antigua 870-38340-90) Nuev | ||||
| 246 | 6693763 | 14.19 | 17.17 | |
| Abrazadera de cable (viej 198-38340-20) Nuevo | ||||
| 247 | 6688026 | 1.05 | 1.27 | |
| No hay información disponible, no se puede pedir | ||||
| 248A | 6689291 | |||
| Tubo de protección 720l (antiguo 164-07072-01) Nue | ||||
| 250 | 6687539 | 2.10 | 2.54 | |
| Conjunto de caja de engranajes Pn (antiguo 300-333 | ||||
| 281 | 6696497 | 60.35 | 73.02 | |
| No hay información disponible, no se puede pedir | ||||
| 281A | 6697660 | |||
| Conjunto de caja de engranajes Pn (antiguo 300-333 | ||||
| 281B | 6696497 | 60.35 | 73.02 | |
| No hay información disponible, no se puede pedir | ||||
| 281C | 6601215 | |||
| Tornillo de agujero hexagonal M5x25/s (viejo 994-1 | ||||
| 282 | 6684709 | 2.15 | 2.60 | |
| Bolt de cabeza hexagonal M5x12 (antiguo 990-51050- | ||||
| 282A | 6684829 | 2.15 | 2.60 | |
| Tornillo de agujero hexagonal M5x25/s (viejo 994-1 | ||||
| 282B | 6684709 | 2.15 | 2.60 | |
| Perno de cabeza hueca hexagonal M5x30 S (antiguo 9 | ||||
| 282C | 6684786 | 2.15 | 2.60 | |
| Anillo 5 (antiguo 992-10050-062) | ||||
| 283 | 6684834 | 2.15 | 2.60 | |
| ANILLO DE PARADA C-26, INTERNO (ANTIGUO 993-51026- | ||||
| 284 | 6695294 | 1.15 | 1.39 | |
| Anillo de tope Externo 10 (antiguo 993-57010-002) | ||||
| 285 | 6695315 | 1.15 | 1.39 | |
| Anillo de tope C-10, Exterior (antiguo 993-50010-0 | ||||
| 285A | 6684821 | 2.15 | 2.60 | |
| Anillo de tope Externo 10 (antiguo 993-57010-002) | ||||
| 285B | 6695315 | 1.15 | 1.39 | |
| Anillo de tope C-10, Exterior (antiguo 993-50010-0 | ||||
| 285C | 6684821 | 2.15 | 2.60 | |
| No hay información disponible, no se puede pedir | ||||
| 286 | 6695526 | |||
| No hay información disponible, no se puede pedir | ||||
| 287 | 6695524 | |||
| Caja de engranajes 26 Dia (viejo 300-37480-20) | ||||
| 288 | 6688770 | 15.88 | 19.21 | |
| CAJA DE ENGRANAJES | ||||
| 288A | 6697738 | 12.88 | 15.58 | |
| Caja de engranajes 26 Dia (viejo 300-37480-20) | ||||
| 288B | 6688770 | 15.88 | 19.21 | |
| CAJA DE ENGRANAJES | ||||
| 288C | 6697738 | 12.88 | 15.58 | |
| Tornillo de Cabeza Hexagonal M5x12 / s (antiguo 99 | ||||
| 289 | 6684667 | 2.15 | 2.60 | |
| Perno de cabeza hueca hexagonal M5x30 S (antiguo 9 | ||||
| 289A | 6684786 | 2.15 | 2.60 | |
| Tornillo de Cabeza Hexagonal M5x12 / s (antiguo 99 | ||||
| 289B | 6684667 | 2.15 | 2.60 | |
| Bolt de cabeza hexagonal M5x12 (antiguo 990-51050- | ||||
| 289C | 6684829 | 2.15 | 2.60 | |
| Perno de aceitado (antiguo 316-38150-20) | ||||
| 290 | 6689109 | 1.15 | 1.39 | |
| Perno (con plus) M6x8 (antiguo 990-23060-080) | ||||
| 290A | 6684737 | 2.15 | 2.60 | |
| Perno de aceitado (antiguo 316-38150-20) | ||||
| 290B | 6689109 | 1.15 | 1.39 | |
| Perno (con plus) M6x8 (antiguo 990-23060-080) | ||||
| 290C | 6684737 | 2.15 | 2.60 | |
| Rodamiento de bolas 609 | ||||
| 291 | 6684734 | 8.58 | 10.38 | |
| Eje de engranaje (antiguo 304-3338r-20) | ||||
| 292 | 6688924 | 18.15 | 21.96 | |
| Eje del engranaje | ||||
| 292A | 6697739 | 14.53 | 17.58 | |
| Eje de engranaje (antiguo 304-3338r-20) | ||||
| 292B | 6688924 | 18.15 | 21.96 | |
| Eje del engranaje | ||||
| 292C | 6697739 | 14.53 | 17.58 | |
| Rodamiento de bolas 6201d | ||||
| 293 | 6695554 | 5.94 | 7.18 | |
| Rodamiento de bolas #6201dd | ||||
| 293A | 6695555 | 7.10 | 8.59 | |
| Anillo de parada interno C-32, antiguo no. de piez | ||||
| 294 | 6695295 | 1.15 | 1.39 | |
| Portacortador (antiguo 310-38150-20) | ||||
| 295 | 6689032 | 11.71 | 14.17 | |
| Portacutter | ||||
| 295A | 6699008 | 13.04 | 15.78 | |
| Portacortador (antiguo 310-38150-20) | ||||
| 295B | 6689032 | 11.71 | 14.17 | |
| Portacortador Ass'y desde J032081 para Europa | ||||
| 295C | 6601216 | 25.56 | 30.93 | |
| Tapa del Portaherramientas de Corte (antiguo 311-3 | ||||
| 296 | 6689055 | 5.11 | 6.19 | |
| Tapa del soporte de la cuchilla desde J032081 para | ||||
| 296A | 6699009 | 3.80 | 4.60 | |
| Tapa del Portaherramientas de Corte (antiguo 311-3 | ||||
| 296B | 6689055 | 5.11 | 6.19 | |
| Tapa del soporte de la cuchilla desde J032081 para | ||||
| 296C | 6699009 | 3.80 | 4.60 | |
| Cubierta de tuerca | ||||
| 297 | 6697792 | 2.80 | 3.39 | |
| Tuerca de Fijación L M10x1.25 (antiguo 313-38150-2 | ||||
| 298 | 6689073 | 4.63 | 5.60 | |
| No hay información disponible, no se puede pedir | ||||
| 298A | 6698658 | |||
| Tuerca de Fijación L M10x1.25 (antiguo 313-38150-2 | ||||
| 298B | 6689073 | 4.63 | 5.60 | |
| No hay información disponible, no se puede pedir | ||||
| 298C | 6698658 | |||
| Arandela | ||||
| 299 | 6689159 | 1.15 | 1.39 | |
| TORNILLO CON ORIFICIO HEX. 6X25S (ANTIGUO 994-8106 | ||||
| 300 | 6684714 | 2.15 | 2.60 | |
| Soporte de Guarda de Lámina D26 (antiguo 442-33699 | ||||
| 301 | 6690294 | 1.15 | 1.39 | |
| Soporte de cubierta D26 (antiguo 442-38331-20) | ||||
| 301A | 6690315 | 4.45 | 5.38 | |
| Soporte de cubierta D26 desde J032081 para Europa | ||||
| 301B | 6697867 | 4.29 | 5.19 | |
| Soporte de cubierta D26 (antiguo 442-38331-20) | ||||
| 301C | 6690315 | 4.45 | 5.38 | |
| Soporte de cubierta D26 desde J032081 para Europa | ||||
| 301D | 6697867 | 4.29 | 5.19 | |
| Guarda de hoja 26 Ce (antiguo 441-37380-21/6690241 | ||||
| 302 | 6690242 | 16.64 | 20.13 | |
| Guarda de cuchilla 26ce (antiguo 441-38331-20) | ||||
| 302A | 6690276 | 17.55 | 21.24 | |
| Soporte de cubierta de seguridad (antiguo 445-3738 | ||||
| 303 | 6684748 | 4.29 | 5.19 | |
| Ya no disponible, sin reemplazo | ||||
| 304 | 6690372 | |||
| Guarda de la hoja (viejo 447-38331-20) | ||||
| 304A | 6690376 | 9.40 | 11.37 | |
| Cuchilla (antigua 797-37380-21/6693385) | ||||
| 305 | 6693386 | 4.45 | 5.38 | |
| Cuchilla (antiguo 797-37714-20) | ||||
| 305A | 6684750 | 4.29 | 5.19 | |
| Tornillo 5x12/s (antiguo 994-14050-121) | ||||
| 306 | 6695334 | 1.15 | 1.39 | |
| Tornillo autorroscante 4x14 (antiguo 993-48040-142 | ||||
| 306A | 6684751 | 2.15 | 2.60 | |
| Juego de piñones, de repuesto (antiguo 301-37480-0 | ||||
| 307 | 6688875 | 22.24 | 26.91 | |
| Juego de Piñón de Engranaje | ||||
| 307A | 6697741 | 20.11 | 24.34 | |
| Juego de piñones, de repuesto (antiguo 301-37480-0 | ||||
| 307B | 6688875 | 22.24 | 26.91 | |
| Juego de Piñón de Engranaje | ||||
| 307C | 6697741 | 20.11 | 24.34 | |
| Tuerca hexagonal 5 (antiguo 991-01050-011) | ||||
| 308 | 6684965 | 1.04 | 1.26 | |
| Tornillo autoperforante 5x20 (antiguo 993-17052-00 | ||||
| 309 | 6684753 | 2.15 | 2.60 | |
| Cuchilla (antigua 797-38331-20) | ||||
| 310 | 6684754 | 8.58 | 10.38 | |
| Conjunto de caja de engranajes Pn (antiguo 300-333 | ||||
| 321 | 6696497 | 60.35 | 73.02 | |
| No hay información disponible, no se puede pedir | ||||
| 321B | 6601215 | |||
| Tornillo de agujero hexagonal M5x25/s (viejo 994-1 | ||||
| 322 | 6684709 | 2.15 | 2.60 | |
| Bolt de cabeza hexagonal M5x12 (antiguo 990-51050- | ||||
| 322A | 6684829 | 2.15 | 2.60 | |
| Anillo 5 (antiguo 992-10050-062) | ||||
| 323 | 6684834 | 2.15 | 2.60 | |
| ANILLO DE PARADA C-26, INTERNO (ANTIGUO 993-51026- | ||||
| 324 | 6695294 | 1.15 | 1.39 | |
| Anillo de tope Externo 10 (antiguo 993-57010-002) | ||||
| 325 | 6695315 | 1.15 | 1.39 | |
| Anillo de tope C-10, Exterior (antiguo 993-50010-0 | ||||
| 325A | 6684821 | 2.15 | 2.60 | |
| No hay información disponible, no se puede pedir | ||||
| 326 | 6695526 | |||
| No hay información disponible, no se puede pedir | ||||
| 327 | 6695524 | |||
| Caja de engranajes 26 Dia (viejo 300-37480-20) | ||||
| 328 | 6688770 | 15.88 | 19.21 | |
| CAJA DE ENGRANAJES | ||||
| 328A | 6697738 | 12.88 | 15.58 | |
| Tornillo de Cabeza Hexagonal M5x12 / s (antiguo 99 | ||||
| 329 | 6684667 | 2.15 | 2.60 | |
| Perno de cabeza hueca hexagonal M5x30 S (antiguo 9 | ||||
| 329A | 6684786 | 2.15 | 2.60 | |
| Perno de aceitado (antiguo 316-38150-20) | ||||
| 330 | 6689109 | 1.15 | 1.39 | |
| Perno (con plus) M6x8 (antiguo 990-23060-080) | ||||
| 330A | 6684737 | 2.15 | 2.60 | |
| Rodamiento de bolas 609 | ||||
| 331 | 6684734 | 8.58 | 10.38 | |
| Eje de engranaje (antiguo 304-3338r-20) | ||||
| 332 | 6688924 | 18.15 | 21.96 | |
| Eje del engranaje | ||||
| 332A | 6697739 | 14.53 | 17.58 | |
| Rodamiento de bolas 6201d | ||||
| 333 | 6695554 | 5.94 | 7.18 | |
| Rodamiento de bolas #6201dd | ||||
| 333A | 6695555 | 7.10 | 8.59 | |
| Anillo de parada interno C-32, antiguo no. de piez | ||||
| 334 | 6695295 | 1.15 | 1.39 | |
| Portacortador (antiguo 310-38150-20) | ||||
| 335 | 6689032 | 11.71 | 14.17 | |
| Portacortador Ass'y desde J032081 para Europa | ||||
| 335B | 6601216 | 25.56 | 30.93 | |
| Tapa del Portaherramientas de Corte (antiguo 311-3 | ||||
| 336 | 6689055 | 5.11 | 6.19 | |
| Tapa del soporte de la cuchilla desde J032081 para | ||||
| 336A | 6699009 | 3.80 | 4.60 | |
| Cubierta de tuerca | ||||
| 337 | 6697792 | 2.80 | 3.39 | |
| Tuerca de Fijación L M10x1.25 (antiguo 313-38150-2 | ||||
| 338 | 6689073 | 4.63 | 5.60 | |
| No hay información disponible, no se puede pedir | ||||
| 338A | 6698658 | |||
| Arandela | ||||
| 339 | 6689159 | 1.15 | 1.39 | |
| TORNILLO CON ORIFICIO HEX. 6X25S (ANTIGUO 994-8106 | ||||
| 340 | 6684714 | 2.15 | 2.60 | |
| Soporte de cubierta D26 (antiguo 442-38331-20) | ||||
| 341 | 6690315 | 4.45 | 5.38 | |
| Soporte de cubierta D26 desde J032081 para Europa | ||||
| 341A | 6697867 | 4.29 | 5.19 | |
| Guarda de cuchilla 26ce (antiguo 441-38331-20) | ||||
| 342 | 6690276 | 17.55 | 21.24 | |
| Soporte de cubierta de seguridad (antiguo 445-3738 | ||||
| 343 | 6684748 | 4.29 | 5.19 | |
| Guarda de la hoja (viejo 447-38331-20) | ||||
| 344 | 6690376 | 9.40 | 11.37 | |
| Cuchilla (antiguo 797-37714-20) | ||||
| 345 | 6684750 | 4.29 | 5.19 | |
| Tornillo autorroscante 4x14 (antiguo 993-48040-142 | ||||
| 346 | 6684751 | 2.15 | 2.60 | |
| Tornillo autoperforante 5x20 (antiguo 993-17052-00 | ||||
| 347 | 6684753 | 2.15 | 2.60 | |
| Cuchilla (antigua 797-38331-20) | ||||
| 348 | 6684754 | 8.58 | 10.38 | |
| Juego de piñones, de repuesto (antiguo 301-37480-0 | ||||
| 349 | 6688875 | 22.24 | 26.91 | |
| Juego de Piñón de Engranaje | ||||
| 349A | 6697741 | 20.11 | 24.34 | |
| Guardia de la hoja (antiguo 441-38070-20) Nuevo | ||||
| 350 | 6690269 | 7.93 | 9.59 | |
| Soporte de cubierta D26 (antiguo 442-38253-20) Nue | ||||
| 351 | 6690314 | 2.31 | 2.80 | |
| Soporte de guardia de seguridad (antiguo 445-38253 | ||||
| 352 | 6690345 | 2.31 | 2.80 | |
| Tornillo de orificio hexagonal 6x30 (antiguo 990-5 | ||||
| 353 | 6695082 | 1.15 | 1.39 | |
| Conjunto de caja de engranajes Pn (antiguo 300-333 | ||||
| 371 | 6696497 | 60.35 | 73.02 | |
| Tornillo de agujero hexagonal M5x25/s (viejo 994-1 | ||||
| 372 | 6684709 | 2.15 | 2.60 | |
| ANILLO DE PARADA C-26, INTERNO (ANTIGUO 993-51026- | ||||
| 373 | 6695294 | 1.15 | 1.39 | |
| Anillo de tope Externo 10 (antiguo 993-57010-002) | ||||
| 375 | 6695315 | 1.15 | 1.39 | |
| No hay información disponible, no se puede pedir | ||||
| 376 | 6695526 | |||
| No hay información disponible, no se puede pedir | ||||
| 378 | 6695524 | |||
| Caja de engranajes 26 Dia (viejo 300-37480-20) | ||||
| 379 | 6688770 | 15.88 | 19.21 | |
| Tornillo de Cabeza Hexagonal M5x12 / s (antiguo 99 | ||||
| 380 | 6684667 | 2.15 | 2.60 | |
| Perno de aceitado (antiguo 316-38150-20) | ||||
| 381 | 6689109 | 1.15 | 1.39 | |
| Rodamiento de bolas 609 | ||||
| 382 | 6684734 | 8.58 | 10.38 | |
| Eje de engranaje (antiguo 304-3338r-20) | ||||
| 383 | 6688924 | 18.15 | 21.96 | |
| Rodamiento de bolas 6201d | ||||
| 384 | 6695554 | 5.94 | 7.18 | |
| Anillo de parada interno C-32, antiguo no. de piez | ||||
| 385 | 6695295 | 1.15 | 1.39 | |
| Portacortador (antiguo 310-38150-20) | ||||
| 386 | 6689032 | 11.71 | 14.17 | |
| Tapa del Portaherramientas de Corte (antiguo 311-3 | ||||
| 387 | 6689055 | 5.11 | 6.19 | |
| Tuerca de Fijación L M10x1.25 (antiguo 313-38150-2 | ||||
| 388 | 6689073 | 4.63 | 5.60 | |
| Arandela | ||||
| 389 | 6689159 | 1.15 | 1.39 | |
| TORNILLO CON ORIFICIO HEX. 6X25S (ANTIGUO 994-8106 | ||||
| 390 | 6684714 | 2.15 | 2.60 | |
| Soporte de Guarda de Lámina D26 (antiguo 442-33699 | ||||
| 391 | 6690294 | 1.15 | 1.39 | |
| Soporte de cubierta D26 (antiguo 442-38331-20) | ||||
| 391A | 6690315 | 4.45 | 5.38 | |
| Guarda de hoja 26 Ce (antiguo 441-37380-21/6690241 | ||||
| 392 | 6690242 | 16.64 | 20.13 | |
| Guarda de cuchilla 26ce (antiguo 441-38331-20) | ||||
| 392A | 6690276 | 17.55 | 21.24 | |
| Soporte de cubierta de seguridad (antiguo 445-3738 | ||||
| 393 | 6684748 | 4.29 | 5.19 | |
| Ya no disponible, sin reemplazo | ||||
| 394 | 6690372 | |||
| Guarda de la hoja (viejo 447-38331-20) | ||||
| 394A | 6690376 | 9.40 | 11.37 | |
| Cuchilla (antigua 797-37380-21/6693385) | ||||
| 395 | 6693386 | 4.45 | 5.38 | |
| Cuchilla (antiguo 797-37714-20) | ||||
| 395A | 6684750 | 4.29 | 5.19 | |
| Tornillo 5x12/s (antiguo 994-14050-121) | ||||
| 396 | 6695334 | 1.15 | 1.39 | |
| Tornillo autorroscante 4x14 (antiguo 993-48040-142 | ||||
| 396A | 6684751 | 2.15 | 2.60 | |
| Juego de piñones, de repuesto (antiguo 301-37480-0 | ||||
| 397 | 6688875 | 22.24 | 26.91 | |
| Tuerca hexagonal 5 (antiguo 991-01050-011) | ||||
| 398 | 6684965 | 1.04 | 1.26 | |
| Tornillo autoperforante 5x20 (antiguo 993-17052-00 | ||||
| 399 | 6684753 | 2.15 | 2.60 | |
| Cuchilla (antigua 797-38331-20) | ||||
| 400 | 6684754 | 8.58 | 10.38 | |
| Caja de engranajes | ||||
| 411 | 6688803 | 52.34 | 63.33 | |
| Tornillo con agujero hexagonal 5x10 (antiguo 990-5 | ||||
| 412 | 6695042 | 1.15 | 1.39 | |
| Anillo 5 (antiguo 992-10050-062) | ||||
| 413 | 6684834 | 2.15 | 2.60 | |
| ANILLO DE PARADA C-26, INTERNO (ANTIGUO 993-51026- | ||||
| 414 | 6695294 | 1.15 | 1.39 | |
| Clip BHC 18 | ||||
| 415 | 6695307 | 1.05 | 1.27 | |
| No hay información disponible, no se puede pedir | ||||
| 416 | 6695524 | |||
| No hay información disponible, no se puede pedir | ||||
| 417 | 6695526 | |||
| Caja de engranajes 26 (viejo 300-38020-20) Nuevo | ||||
| 418 | 6688802 | 14.38 | 17.39 | |
| Tornillo Hex. Agujero 6x28s (antiguo 994-61060-284 | ||||
| 419 | 6695498 | 1.05 | 1.27 | |
| Perno (con plus) M6x8 (antiguo 990-23060-080) | ||||
| 420 | 6684737 | 2.15 | 2.60 | |
| No hay información disponible, no se puede pedir | ||||
| 421 | 6695524 | |||
| No hay información disponible, no se puede pedir | ||||
| 422 | 6688944 | |||
| Rodamiento de bolas #6201 | ||||
| 423 | 6695552 | 4.80 | 5.81 | |
| Anillo de parada interno C-32, antiguo no. de piez | ||||
| 424 | 6695295 | 1.15 | 1.39 | |
| Porta-cutter (antiguo 310-38020-20) Nuevo | ||||
| 425 | 6689030 | 9.58 | 11.59 | |
| No hay información disponible, no se puede pedir | ||||
| 426 | 6689053 | |||
| Tornillo 4x8/s (antiguo 994-14040-081) | ||||
| 427 | 6695325 | 1.15 | 1.39 | |
| Tuerca de Fijación L M10x1.25 (antiguo 313-38150-2 | ||||
| 428 | 6689073 | 4.63 | 5.60 | |
| Cubierta de la caja de engranajes (antiguo 303-380 | ||||
| 429 | 6688916 | 3.30 | 3.99 | |
| Collarin (antiguo 348-38455-20) Nuevo | ||||
| 430 | 6689532 | 4.45 | 5.38 | |
| Conjunto de engranaje?y piñón (antiguo 301-38020-0 | ||||
| 432 | 6688880 | 19.36 | 23.43 | |
| Tornillo de cabeza hexagonal de 6 x 30s (antiguo 9 | ||||
| 433 | 6695518 | 1.15 | 1.39 | |
| Soporte de cubierta D26 (antiguo 442-38253-20) Nue | ||||
| 434 | 6690314 | 2.31 | 2.80 | |
| Guardia de la hoja (antiguo 441-38070-20) Nuevo | ||||
| 435 | 6690269 | 7.93 | 9.59 | |
| Soporte de guardia de seguridad (antiguo 445-38253 | ||||
| 436 | 6690345 | 2.31 | 2.80 | |
| Tornillo de orificio hexagonal 6x30 (antiguo 990-5 | ||||
| 437 | 6695082 | 1.15 | 1.39 | |
| Soporte de Guarda de Lámina D26 (antiguo 442-33699 | ||||
| 438 | 6690294 | 1.15 | 1.39 | |
| Cubierta de seguridad (antiguo 441-38302-20) Nuevo | ||||
| 439 | 6690275 | 13.05 | 15.79 | |
| No hay información disponible, no se puede pedir | ||||
| 440 | 6690342 | |||
| Guardacubiertas (antiguo 447-37867-20) | ||||
| 441 | 6690374 | 6.44 | 7.79 | |
| Cuchilla (antigua 797-37380-21/6693385) | ||||
| 442 | 6693386 | 4.45 | 5.38 | |
| Tornillo autoperforante 5x20 (antiguo 993-17052-00 | ||||
| 443 | 6684753 | 2.15 | 2.60 | |
| No hay información disponible, no se puede pedir | ||||
| 501 | 6684813 | |||
| No hay información disponible, no se puede pedir | ||||
| 502 | 6684764 | |||
| No hay información disponible, no se puede pedir | ||||
| 503 | 6699555 | |||
| Cubierta de corte | ||||
| 503A | 6699756 | 1.15 | 1.39 | |
| No hay información disponible, no se puede pedir | ||||
| 504 | 6684765 | |||
| No hay información disponible, no se puede pedir | ||||
| 505 | 6693520 | |||
| No hay información disponible, no se puede pedir | ||||
| 506 | 6695791 | |||
| No hay información disponible, no se puede pedir | ||||
| 507 | 6695796 | |||
| Cubierta de protección B (antiguo 308-38150-20 & 6 | ||||
| 508 | 6688995 | 3.30 | 3.99 | |
| No hay información disponible, no se puede pedir | ||||
| 509 | 6695789 | |||
| No hay información disponible, no se puede pedir | ||||
| 510 | 6695784 | |||
| Tuerca de montaje L-m10x1.25 (antiguo 356-3383b-20 | ||||
| 511 | 6684756 | 9.08 | 10.98 | |
| Cuerpo de corte (antiguo 786-33830-20) | ||||
| 512 | 6684757 | 22.69 | 27.45 | |
| Tuerca especial (antigua 315-33830-20) | ||||
| 513 | 6684758 | 9.40 | 11.37 | |
| Resorte de carrete (antiguo 793-33830-20) | ||||
| 514 | 6684759 | 4.29 | 5.19 | |
| Carrete (antiguo 787-33830-20) | ||||
| 515 | 6684760 | 15.58 | 18.85 | |
| Tapa del cuerpo de corte (antiguo 789-33830-20) | ||||
| 516 | 6684761 | 36.15 | 43.74 | |
| Ojal (antiguo 788-33830-20) | ||||
| 517 | 6684762 | 4.29 | 5.19 | |
| Tuerca de montaje L-m8x1.25 (antiguo 356-3383e-20) | ||||
| 518 | 6689624 | 7.75 | 9.38 | |
| Sure-tap Manual P/l 9 | ||||
| 519 | 6697805 | 1.98 | 2.39 | |
| Cubierta del cortador (antiguo 615-37224-20/790290 | ||||
| 520 | 6684768 | 2.15 | 2.60 | |
| No hay información disponible, no se puede pedir | ||||
| 521 | 6693509 | |||
| Contenedor de premezcla de combustible (antiguo 87 | ||||
| 523 | 6693785 | 3.30 | 3.99 | |
| Cubierta del cortador (antiguo 615-38360-20) Nuevo | ||||
| 524 | 6692021 | 2.10 | 2.54 | |
| Placa de nombre Tbc340d (antiguo 906-07035-20) Nue | ||||
| 601 | 6694204 | 1.15 | 1.39 | |
| Marca Símbolo Tbc340d (antiguo 929-07035-20) Nuevo | ||||
| 602 | 6694632 | 1.05 | 1.27 | |
| No hay información disponible, no se puede pedir | ||||
| 603 | 6697851 | |||