Aquí encontrará todas las piezas y dibujos técnicos disponibles de 'Hikoki TBC-4200DLV'. Desde aquí podrá pedir todas las piezas deseadas directamente. Para muchas piezas de repuesto, es necesario pasar un pedido al fabricante. Dependiendo de la marca, el plazo de entrega puede variar entre una y cuatro semanas. Toda la información que tenemos está en nuestro sitio web. No podremos aconsejarle sobre lo que necesita hasta que entregue la máquina para su reparación. Tenga en cuenta lo siguiente a la hora de cursar su pedido:
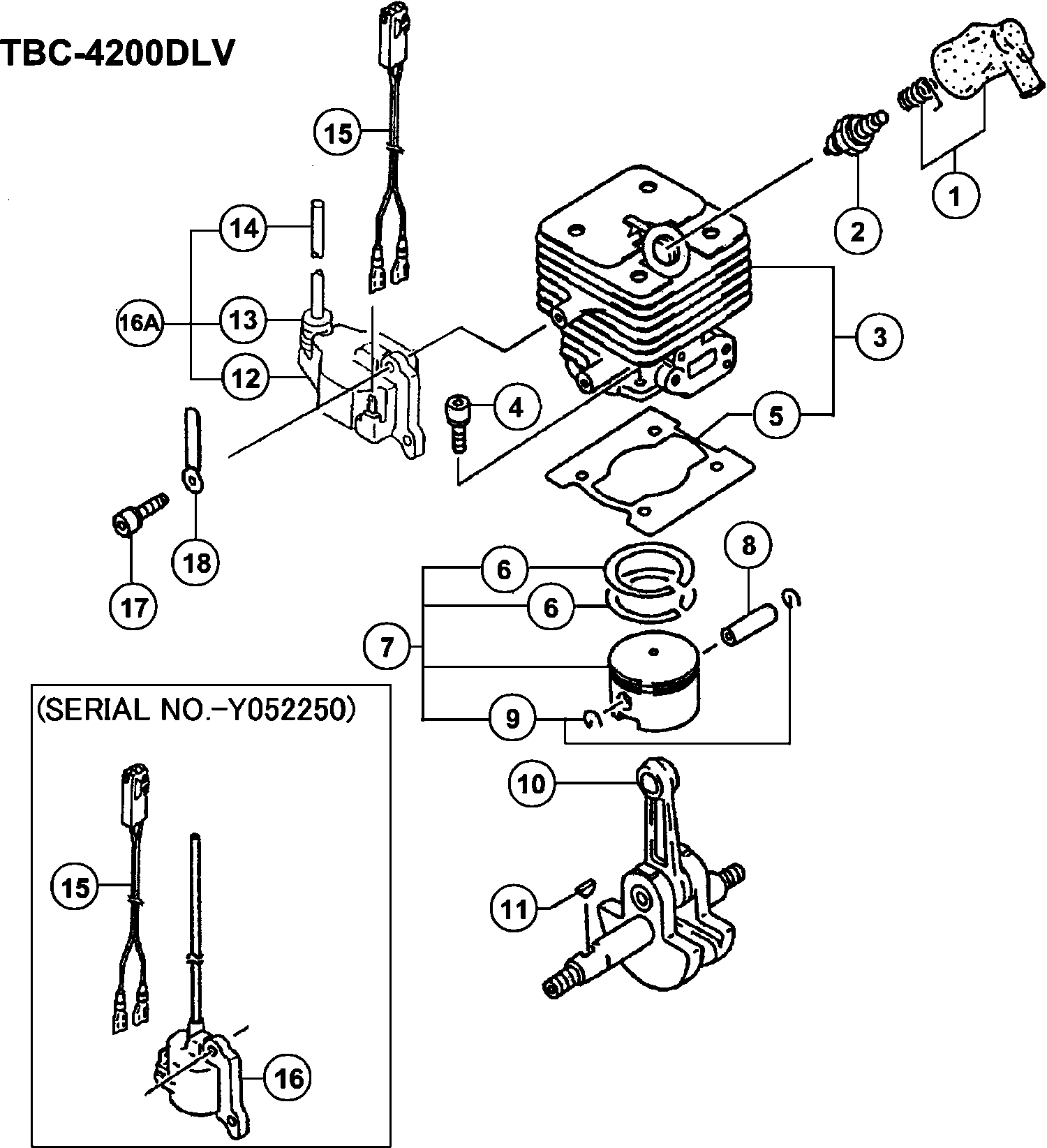
Dibujo técnico de los/las Hikoki TBC-4200DLV
Lista de las piezas de repuesto de Hikoki TBC-4200DLV
| Pos. | Descripción | Precio con el IVA excluido | Precio con el IVA incluido | |
| Los precios mostrados incluyen el IVA | ||||
| Conjunto de tapa de bujía (antiguo 157-01570-90/66 | ||||
| 1 | 6687468 | 2.31 | 2.80 | |
| Ensamble de bujía Bpmr6a (antiguo 6685086) | ||||
| 2 | 6699319 | 8.91 | 10.78 | |
| Conjunto de cilindros (antiguo 001-04300-90) | ||||
| 3 | 6685474 | 54.30 | 65.70 | |
| No hay información disponible, no se puede pedir | ||||
| 4 | 6684668 | |||
| Junta de cilindro (antiguo 017-0430a-20/790115) | ||||
| 5 | 6685740 | 2.31 | 2.80 | |
| Anillo de pistón (antiguo 041-04050-20) | ||||
| 6 | 6686123 | 4.45 | 5.38 | |
| Conjunto de pistón (antiguo 030-0423z-90) | ||||
| 7 | 6685888 | 26.16 | 31.66 | |
| Pasador de pistón 10x30 (antiguo 037-01000-20) | ||||
| 8 | 6686007 | 2.31 | 2.80 | |
| Circlip de pin de pistón (antiguo 039-05004-20/790 | ||||
| 9 | 6686032 | 1.15 | 1.39 | |
| Cigüeñal Comp. (antiguo 046-04300-80/790113) | ||||
| 10 | 6686191 | 84.40 | 102.12 | |
| Chaveta Wood-ruff 3x13x5 (antiguo 068-02000-20/790 | ||||
| 11 | 6686457 | 1.15 | 1.39 | |
| Bobina | ||||
| 12 | 6687655 | 36.15 | 43.74 | |
| Tapa de Goma | ||||
| 13 | 6684602 | 2.15 | 2.60 | |
| Cable de alta tensión (antiguo 178-20543-22/668788 | ||||
| 14 | 6687885 | 1.15 | 1.39 | |
| Ensamblaje de cable principal | ||||
| 15 | 6687970 | 4.45 | 5.38 | |
| Bobina (antigua 167-20538-90) | ||||
| 16 | 6687650 | 48.25 | 58.38 | |
| Bobina (antigua 167-20543-91 & 6687656) | ||||
| 16A | 6687657 | 30.25 | 36.60 | |
| Tornillo con agujero hexagonal M4x18/ws (antiguo 9 | ||||
| 17 | 6684599 | 2.15 | 2.60 | |
| Componente de abrazadera de cuerda (antiguo 198-11 | ||||
| 18 | 6688011 | 1.15 | 1.39 | |
| Pequeña Tuerca 10 (antiguo 991-11100-013/6695138/7 | ||||
| 31 | 6695139 | 1.05 | 1.27 | |
| Caja de manivela (antigua 072-04300-90) | ||||
| 32 | 6686556 | 58.39 | 70.65 | |
| Ya no disponible, sin reemplazo | ||||
| 33 | 6686714 | |||
| Sello de aceite | ||||
| 34 | 6695637 | 3.30 | 3.99 | |
| No hay información disponible, no se puede pedir | ||||
| 35 | 6695557 | |||
| Calzo del cigüeñal 0.10 (antiguo 071-02007-21) | ||||
| 36 | 6686470 | 1.15 | 1.39 | |
| Calza de cigüeñal 0.20 (antigua 071-02007-23) | ||||
| 36 | 6686472 | 1.15 | 1.39 | |
| Calza de cigüeñal 0.30 (antigua 071-02007-24) | ||||
| 36 | 6686473 | 1.15 | 1.39 | |
| Perno de cabeza hueca hexagonal M5x30 S (antiguo 9 | ||||
| 37 | 6684786 | 2.15 | 2.60 | |
| Roto Magneto Comp. | ||||
| 38 | 6687372 | 19.96 | 24.15 | |
| Arandela | ||||
| 39 | 6695198 | 1.15 | 1.39 | |
| No hay información disponible, no se puede pedir | ||||
| 40 | 6695138 | |||
| Juntura de admisión (antiguo 403-04300-20/790156) | ||||
| 61 | 6689885 | 2.31 | 2.80 | |
| CONJUNTO DE AISLANTES DE CARB., RECAMBIO (VIEJO 40 | ||||
| 62 | 6689955 | 8.91 | 10.78 | |
| Junta de carburador (antiguo 402-04300-20/790158) | ||||
| 63 | 6689833 | 1.15 | 1.39 | |
| Collarín (antiguo 453-0637c-20) | ||||
| 64 | 6690430 | 1.15 | 1.39 | |
| Collar (antiguo 470-01380-20) | ||||
| 65 | 6690802 | 2.31 | 2.80 | |
| Cuerpo de limpiador Comp. (antiguo 423-01380-82/66 | ||||
| 66 | 6690099 | 5.28 | 6.38 | |
| Válvula de Estrangulamiento (antigua 528-01380-21) | ||||
| 67 | 6691258 | 1.15 | 1.39 | |
| Placa de verificación de soplado (antiguo 476-0170 | ||||
| 68 | 6690843 | 1.15 | 1.39 | |
| Elemento del filtro de aire | ||||
| 69 | 6690352 | 1.15 | 1.39 | |
| No hay información disponible, no se puede pedir | ||||
| 70 | 6684658 | |||
| Cubierta del filtro de aire | ||||
| 71 | 6690397 | 3.30 | 3.99 | |
| Tornillo especial (antiguo 380-0637c-20) | ||||
| 72 | 6689737 | 1.15 | 1.39 | |
| Tornillo M5x57/s (antiguo 994-14050-571/790190) | ||||
| 73 | 6695353 | 1.15 | 1.39 | |
| Juego de carburador | ||||
| 74 | 6690470 | 84.40 | 102.12 | |
| Juego de carburador | ||||
| 74A | 6690470 | 84.40 | 102.12 | |
| Tornillo hexagonal de 5 x 25ws (antiguo 994-64050- | ||||
| 75 | 6695515 | 1.15 | 1.39 | |
| Tubo de combustible 3x5x230 | ||||
| 76 | 6688166 | 4.29 | 5.19 | |
| Clip D6 (antiguo 680-00070-20) | ||||
| 77A | 6685198 | 1.15 | 1.39 | |
| No hay información disponible, no se puede pedir | ||||
| 78A | 6684620 | |||
| Tanque (antiguo 591-0430c-22/6691532) | ||||
| 79 | 6691533 | 11.55 | 13.98 | |
| Collar C (antiguo 659-04300-20) | ||||
| 80 | 6684623 | 2.15 | 2.60 | |
| Tapa del tanque D Ass'y, negra (antiguo 595-06516- | ||||
| 81 | 6691763 | 7.59 | 9.18 | |
| Perno con agujero hexagonal 5x20/ps (antiguo 994-6 | ||||
| 82 | 6684634 | 2.15 | 2.60 | |
| Ya no disponible, sin reemplazo | ||||
| 83 | 6684880 | |||
| Ya no disponible, sin reemplazo | ||||
| 84 | 6688156 | |||
| No hay información disponible, no se puede pedir | ||||
| 85 | 6684625 | |||
| Lecho del Motor (Antiguo 940-04300-20) | ||||
| 86 | 6694785 | 4.95 | 5.99 | |
| Arandela M5 (old 992-01050-061) | ||||
| 87 | 6684918 | 2.15 | 2.60 | |
| Perno de orificio hexagonal 5x22/s (modelo anterio | ||||
| 88 | 6695492 | 1.15 | 1.39 | |
| Ensamblaje del filtro de la bomba | ||||
| 90 | 6601175 | 3.14 | 3.80 | |
| Protector de silenciador (antiguo 738-04300-20) | ||||
| 101 | 6692780 | 11.55 | 13.98 | |
| Arandela M5 (old 992-01050-061) | ||||
| 102 | 6684918 | 2.15 | 2.60 | |
| Tornillo de Cabeza Hexagonal M5x12 / s (antiguo 99 | ||||
| 103 | 6684667 | 2.15 | 2.60 | |
| Tornillo de agujero hexagonal 5x15ws (antiguo 994- | ||||
| 104 | 6695512 | 1.15 | 1.39 | |
| Tornillo Hex. Orificio 6x65 (antiguo 990-51060-653 | ||||
| 105 | 6695067 | 1.15 | 1.39 | |
| Arandela | ||||
| 106 | 6684639 | 2.15 | 2.60 | |
| No hay información disponible, no se puede pedir | ||||
| 107 | 6692468 | |||
| Junta del silenciador (antiguo 737-04230-20) | ||||
| 108 | 6692741 | 1.15 | 1.39 | |
| Escudo térmico | ||||
| 109 | 6687243 | 3.30 | 3.99 | |
| Arandela | ||||
| 113 | 6689645 | 1.15 | 1.39 | |
| Forro de embrague completo | ||||
| 114 | 6688614 | 7.93 | 9.59 | |
| Muelle de embrague (antiguo 342-04200-20) | ||||
| 115 | 6689428 | 1.15 | 1.39 | |
| Arandela | ||||
| 116 | 6695203 | 1.15 | 1.39 | |
| Perno de paso de embrague | ||||
| 117 | 6689632 | 3.30 | 3.99 | |
| No hay información disponible, no se puede pedir | ||||
| 118 | 6699556 | |||
| Montaje de Cuerpo de Arrancador de Retroceso | ||||
| 131A | 6697645 | 21.78 | 26.35 | |
| Cuerpo de arranque de retroceso Comp. (antiguo 772 | ||||
| 132 | 6693025 | 14.19 | 17.17 | |
| Cuerpo de arranque de retroceso Comp. | ||||
| 132A | 6697646 | 11.71 | 14.17 | |
| Carrete de cuerda de arranque (antiguo 769-04220-2 | ||||
| 133 | 6693007 | 4.95 | 5.99 | |
| Carrete de cuerda de arranque | ||||
| 133A | 6697647 | 4.13 | 4.99 | |
| Resorte de retroceso (antiguo 779-04220-20) | ||||
| 134 | 6693114 | 9.08 | 10.98 | |
| STARTER SPRING | ||||
| 134A | 6697648 | 7.08 | 8.57 | |
| Cuerda de arranque (antigua 783-04270-20/6693164) | ||||
| 135 | 6693165 | 3.30 | 3.99 | |
| STARTER ROPE | ||||
| 135A | 6697649 | 2.64 | 3.19 | |
| Manija de inicio | ||||
| 136 | 6693607 | 2.31 | 2.80 | |
| Manija de inicio | ||||
| 137 | 6693232 | 3.30 | 3.99 | |
| Manija de inicio | ||||
| 137A | 6697650 | 2.80 | 3.39 | |
| Tornillo de ajuste (antiguo 839-04220-20) | ||||
| 138 | 6693634 | 1.15 | 1.39 | |
| Trinquete de arranque (antiguo 788-0162v-20) | ||||
| 139 | 6693302 | 2.31 | 2.80 | |
| No hay información disponible, no se puede pedir | ||||
| 139A | 6697643 | |||
| Anillo de retención D4e (antiguo 993-55040-001) | ||||
| 140 | 6685101 | 1.15 | 1.39 | |
| Anillo de retención D4e (antiguo 993-55040-001) | ||||
| 140A | 6685101 | 1.15 | 1.39 | |
| Perno con agujero hexagonal 5x20/ps (antiguo 994-6 | ||||
| 141 | 6684634 | 2.15 | 2.60 | |
| Muelle de arranque (antiguo 790-0162v-20) | ||||
| 142 | 6693345 | 2.31 | 2.80 | |
| No hay información disponible, no se puede pedir | ||||
| 142A | 6697642 | |||
| Polea de inicio (antiguo 798-04220-90) | ||||
| 143 | 6693395 | 11.05 | 13.37 | |
| Polea de arranque | ||||
| 143A | 6697644 | 11.05 | 13.37 | |
| Cuerpo de bomba comp. (antiguo 575-25153-80) | ||||
| 161 | 6684879 | 62.16 | 75.22 | |
| Bomba de cebado comp. (antiguo 442-25151-80) | ||||
| 162 | 6684687 | 16.34 | 19.77 | |
| Cubierta de diafragma (antiguo 476-25151-20) | ||||
| 163 | 6684688 | 8.58 | 10.38 | |
| Cuerpo de cebado (antiguo 447-25108-20) | ||||
| 164 | 6684689 | 6.44 | 7.79 | |
| Membrana de medición Comp. (antiguo 474-25001-80/6 | ||||
| 165 | 6690827 | 11.71 | 14.17 | |
| Junta de diafragma (antiguo 475-25153-20) | ||||
| 166 | 6684691 | 8.58 | 10.38 | |
| Diafragma de bomba (antiguo 576-25100-20 & 6696325 | ||||
| 167 | 6684693 | 8.58 | 10.38 | |
| Junta de bomba (viejo 577-25100-20) | ||||
| 168 | 6691457 | 7.10 | 8.59 | |
| Main Jet #51 (viejo 599-2000w-51) | ||||
| 169 | 6696382 | 9.58 | 11.59 | |
| O-RING (antiguo 550-25100-20) | ||||
| 170 | 6684695 | 4.29 | 5.19 | |
| Anillo de parada (antiguo 489-25100-20) | ||||
| 171 | 6684696 | 2.15 | 2.60 | |
| Giratorio (antiguo 539-25120-20) | ||||
| 172 | 6684697 | 6.44 | 7.79 | |
| Tornillo de Ajuste del Acelerador (antiguo 514-251 | ||||
| 174 | 6684870 | 2.15 | 2.60 | |
| Regulador de Cable (antiguo 544-25164-20) | ||||
| 175 | 6684873 | 6.44 | 7.79 | |
| Tuerca de Bloqueo M6 (antiguo 991-01060-013) | ||||
| 176 | 6684872 | 2.15 | 2.60 | |
| Ajustador de Cable (antiguo 614-25137-20) | ||||
| 177 | 6684871 | 4.29 | 5.19 | |
| Empaquetadura del Limpiador (antiguo 431-0634c-20) | ||||
| 178 | 6684875 | 4.29 | 5.19 | |
| Tornillo de ajuste (antiguo 548-25151-20 & 6696324 | ||||
| 179 | 6684699 | 2.15 | 2.60 | |
| Arandela (antiguo 549-25165-20) | ||||
| 180 | 6684874 | 2.15 | 2.60 | |
| Pantalla de entrada (antiguo 578-25007-20) | ||||
| 181 | 6684700 | 4.29 | 5.19 | |
| Eje de clutch Comp. (antiguo 289-04308-80) | ||||
| 201 | 6688585 | 19.51 | 23.61 | |
| Rodamiento de bolas 6202zz | ||||
| 202 | 6695558 | 6.93 | 8.38 | |
| Anillo de tope C-35, interno (antiguo 993-51035-00 | ||||
| 203 | 6695296 | 1.15 | 1.39 | |
| Anillo de parada C-15, exterior (antiguo 993-50015 | ||||
| 204 | 6695285 | 1.15 | 1.39 | |
| Cubierta de la bujía (antiguo 257-04300-20) | ||||
| 205 | 6688346 | 3.30 | 3.99 | |
| Perno con agujero hexagonal 5x20/ps (antiguo 994-6 | ||||
| 206 | 6684634 | 2.15 | 2.60 | |
| Perno con orificio hexagonal 6x25 (antiguo 9905406 | ||||
| 207 | 6695093 | 1.15 | 1.39 | |
| Carcasa del ventilador | ||||
| 208 | 6686980 | 36.15 | 43.74 | |
| No hay información disponible, no se puede pedir | ||||
| 209 | 6684668 | |||
| Goma de cable principal (ancien 203-11660-20) | ||||
| 210 | 6688057 | 1.15 | 1.39 | |
| Arandela | ||||
| 211 | 6685226 | 1.15 | 1.39 | |
| Eje motriz, 1552l (antiguo 343-38101-20) | ||||
| 231 | 6689476 | 17.70 | 21.42 | |
| Tubo de dirección | ||||
| 232 | 6689403 | 36.15 | 43.74 | |
| Conjunto de buje (antiguo 347-37100-90) | ||||
| 233 | 6689515 | 3.30 | 3.99 | |
| Perno del botón (antiguo 512-37861-80) | ||||
| 234 | 6691207 | 4.79 | 5.79 | |
| Soporte de Asa A (viejo 506-37861-20) | ||||
| 235 | 6691143 | 9.74 | 11.78 | |
| Soporte de asa B (antiguo 507-37861-20) | ||||
| 236 | 6691159 | 10.23 | 12.37 | |
| Soporte Holder (antiguo 522-37861-20) | ||||
| 237 | 6691237 | 5.28 | 6.38 | |
| Soporte de mango Comp. (antiguo 521-37861-80) | ||||
| 238 | 6691232 | 34.19 | 41.37 | |
| Tuerca especial M6x1.0 (antigua 315-37861-20) | ||||
| 239 | 6689102 | 8.41 | 10.18 | |
| Goma Antivibración | ||||
| 240 | 6689165 | 2.31 | 2.80 | |
| Tuerca 6 Ups-p (antigua 991-87060-001 & 6698766) | ||||
| 241 | 6695175 | 1.15 | 1.39 | |
| Bolt de agujero hexagonal 6x30 (antiguo 990-54060- | ||||
| 242 | 6695094 | 1.15 | 1.39 | |
| Abrazadera de cable (antiguo 198-3332a-20) | ||||
| 243 | 6688016 | 1.15 | 1.39 | |
| Empuñadura Grip (antiguo 165-37861-20) | ||||
| 244 | 6687627 | 4.45 | 5.38 | |
| Abrazadera de cable (viej 198-37861-21/6697035) | ||||
| 245 | 6688025 | 1.15 | 1.39 | |
| Manija (antigua 501-37861-21) | ||||
| 247 | 6691079 | 36.15 | 43.74 | |
| Palanca del acelerador 22 (antigua 870-38110-91) | ||||
| 301 | 6693762 | 42.20 | 51.06 | |
| Tubo de Protección, 930l (viejo 164-07093-00) | ||||
| 302 | 6687547 | 2.31 | 2.80 | |
| Palanca de seguridad (viejo 253-38400-20) | ||||
| 303 | 6684721 | 6.44 | 7.79 | |
| Resorte de retorno (antiguo 832-38400-20) | ||||
| 304 | 6684722 | 2.15 | 2.60 | |
| Palanca del acelerador (antiguo 880-38401-20) | ||||
| 305 | 6684723 | 10.23 | 12.37 | |
| Tapón ciego (antiguo 322-38400-20) | ||||
| 306 | 6684724 | 2.15 | 2.60 | |
| Tornillo M4x20 (negro) (antiguo 993-46040-202) | ||||
| 307 | 6684725 | 2.15 | 2.60 | |
| Tornillo 5x30 (negro) (antiguo 994-31050-303) | ||||
| 308 | 6684726 | 2.15 | 2.60 | |
| No hay información disponible, no se puede pedir | ||||
| 309 | 6684727 | |||
| Componente del interruptor de parada (antiguo 156- | ||||
| 310 | 6687458 | 14.68 | 17.76 | |
| Cable del acelerador, 4t (antiguo 887-38110-80) | ||||
| 311 | 6694021 | 10.56 | 12.78 | |
| No hay información disponible, no se puede pedir | ||||
| 312 | 6693975 | |||
| Caja de engranajes | ||||
| 331 | 6688801 | 108.45 | 131.22 | |
| Tornillo de agujero hexagonal M5x25/s (viejo 994-1 | ||||
| 332 | 6684709 | 2.15 | 2.60 | |
| Anillo de retención C-28.interior (antiguo 993-510 | ||||
| 333 | 6684741 | 2.15 | 2.60 | |
| Anillo de Parada C-12 Exterior | ||||
| 334 | 6684664 | 2.15 | 2.60 | |
| Rodamiento de bolas 6001z | ||||
| 335 | 6695532 | 6.60 | 7.99 | |
| Rodamiento de bolas 6001 C3 | ||||
| 336 | 6684608 | 3.80 | 4.60 | |
| Caja de engranajes, plata (antiguo 300-33392-21/66 | ||||
| 337 | 6688703 | 28.14 | 34.05 | |
| Tornillo de Cabeza Hexagonal M5x12 / s (antiguo 99 | ||||
| 338 | 6684667 | 2.15 | 2.60 | |
| Bolt de cabeza hexagonal M5x12 (antiguo 990-51050- | ||||
| 338A | 6684829 | 2.15 | 2.60 | |
| Perno de cabeza plus 8x10 (antiguo 994-23080-100/6 | ||||
| 339 | 6695437 | 1.15 | 1.39 | |
| No hay información disponible, no se puede pedir | ||||
| 340 | 6695524 | |||
| Eje de engranaje 6x11x14 M10x1.25 Lh (antiguo 304- | ||||
| 341 | 6688942 | 22.24 | 26.91 | |
| Rodamiento de bolas #6203dd | ||||
| 342A | 6695564 | 9.58 | 11.59 | |
| Anillo de tope C-40, interno (antiguo 993-51040-00 | ||||
| 343 | 6695298 | 1.15 | 1.39 | |
| Portacortadora (antiguo 310-37100-22/6689020) | ||||
| 344 | 6689022 | 15.28 | 18.48 | |
| Tapa del Portaherramientas de Corte, 6x11x14 (anti | ||||
| 345 | 6689052 | 4.45 | 5.38 | |
| Tuerca de fijación del cortador L/h (anterior 313- | ||||
| 346 | 6689072 | 2.31 | 2.80 | |
| Arandela | ||||
| 347 | 6689157 | 1.15 | 1.39 | |
| Cubierta de protección A Comp. (antiguo 307-37100- | ||||
| 349 | 6688982 | 4.45 | 5.38 | |
| Tornillo 5x16/w.s (antiguo 994-16050-162) | ||||
| 350 | 6695418 | 1.15 | 1.39 | |
| Juego de engranaje-piñón, repuesto (antiguo 301-37 | ||||
| 351 | 6688866 | 26.16 | 31.66 | |
| Anillo 5 (antiguo 992-10050-062) | ||||
| 352 | 6684834 | 2.15 | 2.60 | |
| TORNILLO CON ORIFICIO HEX. 6X25S (ANTIGUO 994-8106 | ||||
| 361 | 6684714 | 2.15 | 2.60 | |
| No hay información disponible, no se puede pedir | ||||
| 362 | 6690299 | |||
| Soporte de cubierta D30 (antiguo 442-37862-20) | ||||
| 362A | 6690312 | 5.11 | 6.19 | |
| Guarda de hoja 30 Ce (antiguo 441-37130-21/6690229 | ||||
| 363 | 6690230 | 15.88 | 19.21 | |
| Guardia de hoja 31 Ce (antiguo 441-37862-20) | ||||
| 363A | 6690264 | 18.15 | 21.96 | |
| Soporte de cubierta de seguridad (antiguo 445-3738 | ||||
| 364 | 6684748 | 4.29 | 5.19 | |
| Ya no disponible, sin reemplazo | ||||
| 365 | 6690372 | |||
| Guarda de la hoja (viejo 447-38331-20) | ||||
| 365A | 6690376 | 9.40 | 11.37 | |
| Cuchilla (antigua 797-37380-21/6693385) | ||||
| 366 | 6693386 | 4.45 | 5.38 | |
| Cuchilla (antiguo 797-37714-20) | ||||
| 366A | 6684750 | 4.29 | 5.19 | |
| Tornillo 5x12/s (antiguo 994-14050-121) | ||||
| 367 | 6695334 | 1.15 | 1.39 | |
| Tornillo autorroscante 4x14 (antiguo 993-48040-142 | ||||
| 367A | 6684751 | 2.15 | 2.60 | |
| Tuerca hexagonal 5 (antiguo 991-01050-011) | ||||
| 368 | 6684965 | 1.04 | 1.26 | |
| Tornillo autoperforante 5x20 (antiguo 993-17052-00 | ||||
| 369 | 6684753 | 2.15 | 2.60 | |
| Cuchilla (antigua 797-38331-20) | ||||
| 370 | 6684754 | 8.58 | 10.38 | |
| No hay información disponible, no se puede pedir | ||||
| 501 | 6684764 | |||
| No hay información disponible, no se puede pedir | ||||
| 502 | 6693529 | |||
| No hay información disponible, no se puede pedir | ||||
| 503 | 6699555 | |||
| Cubierta del cortador (antiguo 615-37181-20) | ||||
| 503A | 6692016 | 8.41 | 10.18 | |
| No hay información disponible, no se puede pedir | ||||
| 504 | 6695792 | |||
| No hay información disponible, no se puede pedir | ||||
| 506A | 875769 | |||
| No hay información disponible, no se puede pedir | ||||
| 507 | 6684813 | |||
| No hay información disponible, no se puede pedir | ||||
| 508 | 6695796 | |||
| No hay información disponible, no se puede pedir | ||||
| 508A | 6695797 | |||
| Cubierta de protección B (antigua 308-37861-20) | ||||
| 511 | 6688994 | 2.31 | 2.80 | |
| No hay información disponible, no se puede pedir | ||||
| 601 | 6697855 | |||
| No hay información disponible, no se puede pedir | ||||
| 602 | 6697856 | |||
| No hay información disponible, no se puede pedir | ||||
| 603 | 6697851 | |||