Aquí encontrará todas las piezas y dibujos técnicos disponibles de 'Hikoki TBC-4200E'. Desde aquí podrá pedir todas las piezas deseadas directamente. Para muchas piezas de repuesto, es necesario pasar un pedido al fabricante. Dependiendo de la marca, el plazo de entrega puede variar entre una y cuatro semanas. Toda la información que tenemos está en nuestro sitio web. No podremos aconsejarle sobre lo que necesita hasta que entregue la máquina para su reparación. Tenga en cuenta lo siguiente a la hora de cursar su pedido:
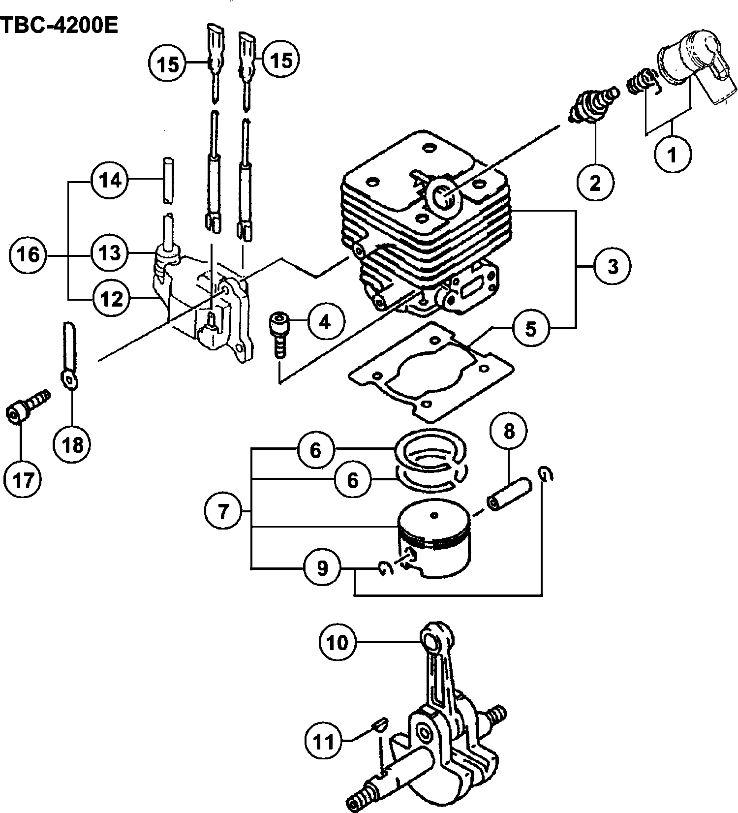
Dibujo técnico de los/las Hikoki TBC-4200E
Lista de las piezas de repuesto de Hikoki TBC-4200E
| Pos. | Descripción | Precio con el IVA excluido | Precio con el IVA incluido | |
| Los precios mostrados incluyen el IVA | ||||
| Conjunto de tapa de bujía (antiguo 157-01570-90/66 | ||||
| 1 | 6687468 | 2.31 | 2.80 | |
| Ensamble de bujía (antiguo 6685085) | ||||
| 2 | 6699317 | 6.76 | 8.18 | |
| Conjunto de cilindros (antiguo 001-04300-90) | ||||
| 3 | 6685474 | 54.30 | 65.70 | |
| No hay información disponible, no se puede pedir | ||||
| 4 | 6684668 | |||
| Junta de cilindro (antiguo 017-0430a-20/790115) | ||||
| 5 | 6685740 | 2.31 | 2.80 | |
| Anillo de pistón (antiguo 041-04050-20) | ||||
| 6 | 6686123 | 4.45 | 5.38 | |
| Conjunto de pistón (antiguo 030-0423z-90) | ||||
| 7 | 6685888 | 26.16 | 31.66 | |
| Pasador de pistón 10x30 (antiguo 037-01000-20) | ||||
| 8 | 6686007 | 2.31 | 2.80 | |
| Circlip de pin de pistón (antiguo 039-05004-20/790 | ||||
| 9 | 6686032 | 1.15 | 1.39 | |
| Cigüeñal Comp. (antiguo 046-04300-80/790113) | ||||
| 10 | 6686191 | 84.40 | 102.12 | |
| Chaveta Wood-ruff 3x13x5 (antiguo 068-02000-20/790 | ||||
| 11 | 6686457 | 1.15 | 1.39 | |
| Bobina | ||||
| 12 | 6687655 | 36.15 | 43.74 | |
| Tapa de Goma | ||||
| 13 | 6684602 | 2.15 | 2.60 | |
| Cable de alta tensión (antiguo 178-20543-22/668788 | ||||
| 14 | 6687885 | 1.15 | 1.39 | |
| No hay información disponible, no se puede pedir | ||||
| 15 | 6687853 | |||
| Bobina (antigua 167-20543-91 & 6687656) | ||||
| 16 | 6687657 | 30.25 | 36.60 | |
| Tornillo con agujero hexagonal M4x18/ws (antiguo 9 | ||||
| 17 | 6684599 | 2.15 | 2.60 | |
| Componente de abrazadera de cuerda (antiguo 198-11 | ||||
| 18 | 6688011 | 1.15 | 1.39 | |
| Pequeña Tuerca 10 (antiguo 991-11100-013/6695138/7 | ||||
| 31 | 6695139 | 1.05 | 1.27 | |
| Caja de manivela (antigua 072-04300-90) | ||||
| 32 | 6686556 | 58.39 | 70.65 | |
| Ya no disponible, sin reemplazo | ||||
| 33 | 6686714 | |||
| Sello de aceite | ||||
| 34 | 6695637 | 3.30 | 3.99 | |
| No hay información disponible, no se puede pedir | ||||
| 35 | 6695557 | |||
| Calzo del cigüeñal 0.10 (antiguo 071-02007-21) | ||||
| 36 | 6686470 | 1.15 | 1.39 | |
| Calza de cigüeñal 0.20 (antigua 071-02007-23) | ||||
| 36 | 6686472 | 1.15 | 1.39 | |
| Calza de cigüeñal 0.30 (antigua 071-02007-24) | ||||
| 36 | 6686473 | 1.15 | 1.39 | |
| Perno de cabeza hueca hexagonal M5x30 S (antiguo 9 | ||||
| 37 | 6684786 | 2.15 | 2.60 | |
| Roto Magneto Comp. | ||||
| 38 | 6687372 | 19.96 | 24.15 | |
| Arandela | ||||
| 39 | 6695198 | 1.15 | 1.39 | |
| No hay información disponible, no se puede pedir | ||||
| 40 | 6695138 | |||
| Cubierta de la bujía (antiguo 257-04300-20) | ||||
| 41 | 6688346 | 3.30 | 3.99 | |
| Perno con agujero hexagonal 5x20/ps (antiguo 994-6 | ||||
| 42 | 6684634 | 2.15 | 2.60 | |
| Carcasa del ventilador | ||||
| 43 | 6686982 | 22.24 | 26.91 | |
| No hay información disponible, no se puede pedir | ||||
| 44 | 6684668 | |||
| Goma de cable principal (ancien 203-11660-20) | ||||
| 45 | 6688057 | 1.15 | 1.39 | |
| Juntura de admisión (antiguo 403-04300-20/790156) | ||||
| 61 | 6689885 | 2.31 | 2.80 | |
| CONJUNTO DE AISLANTES DE CARB., RECAMBIO (VIEJO 40 | ||||
| 62 | 6689955 | 8.91 | 10.78 | |
| Junta de carburador (antiguo 402-04300-20/790158) | ||||
| 63 | 6689833 | 1.15 | 1.39 | |
| Collar (antiguo 470-01380-20) | ||||
| 65 | 6690802 | 2.31 | 2.80 | |
| Cuerpo de limpiador Comp. (antiguo 423-01380-82/66 | ||||
| 66 | 6690099 | 5.28 | 6.38 | |
| Válvula de Estrangulamiento (antigua 528-01380-21) | ||||
| 67 | 6691258 | 1.15 | 1.39 | |
| Placa de verificación de soplado (antiguo 476-0170 | ||||
| 68 | 6690843 | 1.15 | 1.39 | |
| Elemento del filtro de aire | ||||
| 69A | 6690352 | 1.15 | 1.39 | |
| No hay información disponible, no se puede pedir | ||||
| 70 | 6684658 | |||
| Cubierta del filtro de aire | ||||
| 71 | 6690397 | 3.30 | 3.99 | |
| Tornillo especial (antiguo 380-0637c-20) | ||||
| 72 | 6689737 | 1.15 | 1.39 | |
| Tornillo M5x57/s (antiguo 994-14050-571/790190) | ||||
| 73 | 6695353 | 1.15 | 1.39 | |
| Juego de carburador | ||||
| 74 | 6690470 | 84.40 | 102.12 | |
| Tornillo hexagonal de 5 x 25ws (antiguo 994-64050- | ||||
| 75 | 6695515 | 1.15 | 1.39 | |
| Tubo de combustible 3x5x230 | ||||
| 76 | 6688166 | 4.29 | 5.19 | |
| Clip.6.3 Dia. (antiguo 680-00731-20) | ||||
| 77 | 6684619 | 2.15 | 2.60 | |
| Ensamblaje del cuerpo del filtro de la bomba (anti | ||||
| 78 | 6692273 | 7.10 | 8.59 | |
| Tanque (antiguo 591-0430c-22/6691532) | ||||
| 79 | 6691533 | 11.55 | 13.98 | |
| Collar C (antiguo 659-04300-20) | ||||
| 80 | 6684623 | 2.15 | 2.60 | |
| Tapa del tanque D Ass'y, negro (antiguo 595-00073- | ||||
| 81 | 6691715 | 6.60 | 7.99 | |
| Perno con agujero hexagonal 5x20/ps (antiguo 994-6 | ||||
| 82 | 6684634 | 2.15 | 2.60 | |
| Ya no disponible, sin reemplazo | ||||
| 83 | 6684880 | |||
| Ya no disponible, sin reemplazo | ||||
| 84 | 6688156 | |||
| Lecho del Motor (Antiguo 940-04300-20) | ||||
| 86 | 6694785 | 4.95 | 5.99 | |
| Arandela M5 (old 992-01050-061) | ||||
| 87 | 6684918 | 2.15 | 2.60 | |
| Perno de orificio hexagonal 5x22/s (modelo anterio | ||||
| 88 | 6695492 | 1.15 | 1.39 | |
| Protector de silenciador (antiguo 738-04300-20) | ||||
| 101 | 6692780 | 11.55 | 13.98 | |
| Arandela M5 (old 992-01050-061) | ||||
| 102 | 6684918 | 2.15 | 2.60 | |
| Tornillo de Cabeza Hexagonal M5x12 / s (antiguo 99 | ||||
| 103 | 6684667 | 2.15 | 2.60 | |
| Tornillo de agujero hexagonal 5x15ws (antiguo 994- | ||||
| 104 | 6695512 | 1.15 | 1.39 | |
| Tornillo Hex. Orificio 6x65 (antiguo 990-51060-653 | ||||
| 105 | 6695067 | 1.15 | 1.39 | |
| Arandela | ||||
| 106 | 6684639 | 2.15 | 2.60 | |
| No hay información disponible, no se puede pedir | ||||
| 107 | 6692468 | |||
| Junta del silenciador (antiguo 737-04230-20) | ||||
| 108 | 6692741 | 1.15 | 1.39 | |
| Escudo térmico | ||||
| 109 | 6687243 | 3.30 | 3.99 | |
| Arandela | ||||
| 113 | 6689645 | 1.15 | 1.39 | |
| Forro de embrague completo | ||||
| 114 | 6688614 | 7.93 | 9.59 | |
| Muelle de embrague (antiguo 342-04200-20) | ||||
| 115 | 6689428 | 1.15 | 1.39 | |
| Arandela | ||||
| 116 | 6695203 | 1.15 | 1.39 | |
| Perno de paso de embrague | ||||
| 117 | 6689632 | 3.30 | 3.99 | |
| Cuerpo del arrancador de retroceso (antiguo 762-04 | ||||
| 131 | 6692970 | 26.16 | 31.66 | |
| Cuerpo de arranque de retroceso Comp. (antiguo 772 | ||||
| 132 | 6693025 | 14.19 | 17.17 | |
| Carrete de cuerda de arranque (antiguo 769-04220-2 | ||||
| 133 | 6693007 | 4.95 | 5.99 | |
| Resorte de retroceso (antiguo 779-04220-20) | ||||
| 134 | 6693114 | 9.08 | 10.98 | |
| Cuerda de arranque (antigua 783-04270-20/6693164) | ||||
| 135 | 6693165 | 3.30 | 3.99 | |
| Manija de inicio | ||||
| 136 | 6693607 | 2.31 | 2.80 | |
| Manija de inicio | ||||
| 137 | 6693232 | 3.30 | 3.99 | |
| Tornillo de ajuste (antiguo 839-04220-20) | ||||
| 138 | 6693634 | 1.15 | 1.39 | |
| Trinquete de arranque (antiguo 788-0162v-20) | ||||
| 139 | 6693302 | 2.31 | 2.80 | |
| Anillo de parada E-5 (antiguo 993-55050-000) | ||||
| 140 | 6684683 | 2.15 | 2.60 | |
| Perno con agujero hexagonal 5x20/ps (antiguo 994-6 | ||||
| 141 | 6684634 | 2.15 | 2.60 | |
| Muelle de arranque (antiguo 790-0162v-20) | ||||
| 142 | 6693345 | 2.31 | 2.80 | |
| Polea de inicio (antiguo 798-04220-90) | ||||
| 143 | 6693395 | 11.05 | 13.37 | |
| Cuerpo de bomba comp. (antiguo 575-25153-80) | ||||
| 161 | 6684879 | 62.16 | 75.22 | |
| Bomba de cebado comp. (antiguo 442-25151-80) | ||||
| 162 | 6684687 | 16.34 | 19.77 | |
| Cubierta de diafragma (antiguo 476-25151-20) | ||||
| 163 | 6684688 | 8.58 | 10.38 | |
| Cuerpo de cebado (antiguo 447-25108-20) | ||||
| 164 | 6684689 | 6.44 | 7.79 | |
| Membrana de medición Comp. (antiguo 474-25001-80/6 | ||||
| 165 | 6690827 | 11.71 | 14.17 | |
| Junta de diafragma (antiguo 475-25153-20) | ||||
| 166 | 6684691 | 8.58 | 10.38 | |
| Diafragma de bomba (antiguo 576-25100-20 & 6696325 | ||||
| 167 | 6684693 | 8.58 | 10.38 | |
| Junta de bomba (viejo 577-25100-20) | ||||
| 168 | 6691457 | 7.10 | 8.59 | |
| Main Jet #51 (viejo 599-2000w-51) | ||||
| 169 | 6696382 | 9.58 | 11.59 | |
| O-RING (antiguo 550-25100-20) | ||||
| 170 | 6684695 | 4.29 | 5.19 | |
| Anillo de parada (antiguo 489-25100-20) | ||||
| 171 | 6684696 | 2.15 | 2.60 | |
| Giratorio (antiguo 539-25120-20) | ||||
| 172 | 6684697 | 6.44 | 7.79 | |
| Componente de válvula de aceleración (viejo 488-25 | ||||
| 173 | 6690944 | 24.20 | 29.28 | |
| Tornillo de Ajuste del Acelerador (antiguo 514-251 | ||||
| 174 | 6684870 | 2.15 | 2.60 | |
| Regulador de Cable (antiguo 544-25164-20) | ||||
| 175 | 6684873 | 6.44 | 7.79 | |
| Tuerca de Bloqueo M6 (antiguo 991-01060-013) | ||||
| 176 | 6684872 | 2.15 | 2.60 | |
| Ajustador de Cable (antiguo 614-25137-20) | ||||
| 177 | 6684871 | 4.29 | 5.19 | |
| Empaquetadura del Limpiador (antiguo 431-0634c-20) | ||||
| 178 | 6684875 | 4.29 | 5.19 | |
| Tornillo de ajuste (antiguo 548-25151-20 & 6696324 | ||||
| 179 | 6684699 | 2.15 | 2.60 | |
| Arandela (antiguo 549-25165-20) | ||||
| 180 | 6684874 | 2.15 | 2.60 | |
| Pantalla de entrada (antiguo 578-25007-20) | ||||
| 181 | 6684700 | 4.29 | 5.19 | |
| Eje de embrague comp. (antiguo 289-37491-80) | ||||
| 201 | 6688607 | 15.28 | 18.48 | |
| Anillo de parada interno C-32, antiguo no. de piez | ||||
| 202 | 6695295 | 1.15 | 1.39 | |
| Rodamiento de bolas #6002zz | ||||
| 203 | 6695537 | 7.10 | 8.59 | |
| Arandela | ||||
| 204 | 6689185 | 1.15 | 1.39 | |
| Anillo de parada C-15, exterior (antiguo 993-50015 | ||||
| 205 | 6695285 | 1.15 | 1.39 | |
| Anillo de Parada C-45, Externo (viejo 993-53045-00 | ||||
| 206 | 6695305 | 3.30 | 3.99 | |
| Carcasa del embrague (antiguo 331-37491-20) Nuevo | ||||
| 207 | 6689227 | 13.50 | 16.34 | |
| Cojín de goma (antiguo 599-37491-20) | ||||
| 208 | 6691905 | 5.28 | 6.38 | |
| Soporte de tubo (antiguo 360-37857-20) | ||||
| 209 | 6689663 | 9.08 | 10.98 | |
| Tornillo 5x10 ws (antiguo 994-16050-101/6695473) | ||||
| 210 | 6695413 | 1.15 | 1.39 | |
| No hay información disponible, no se puede pedir | ||||
| 213 | 6695499 | |||
| Arandela | ||||
| 214 | 6695194 | 1.15 | 1.39 | |
| Eje de transmisión 1530l (antiguo 343-37857-20) Nu | ||||
| 231 | 6689473 | 14.30 | 17.30 | |
| No hay información disponible, no se puede pedir | ||||
| 232 | 6689401 | |||
| Casquillo Ass'y (antiguo 347-37857-90) Nuevo | ||||
| 233 | 6689523 | 2.10 | 2.54 | |
| Agarre (antiguo 165-38340-20) Nuevo | ||||
| 234 | 6687628 | 4.45 | 5.38 | |
| Mango (antiguo 500-38340-20) Nuevo | ||||
| 235 | 6691055 | 9.74 | 11.78 | |
| Agarre de Mano Derecha (viejo 503-38340-20) Nuevo | ||||
| 236 | 6691101 | 4.05 | 4.90 | |
| Anilla de fijación para arnés | ||||
| 237 | 6689278 | 12.88 | 15.58 | |
| Ensamblaje de metal de elevación (antiguo 335-3785 | ||||
| 238 | 6689279 | 5.11 | 6.19 | |
| Soporte de fijación del colgador (antiguo 337-3785 | ||||
| 239 | 6689293 | 2.31 | 2.80 | |
| Ya no disponible, sin reemplazo | ||||
| 240 | 6696988 | |||
| Cable del acelerador | ||||
| 241 | 6693966 | 9.58 | 11.59 | |
| Palanca del acelerador (antigua 870-38340-90) Nuev | ||||
| 242 | 6693763 | 14.19 | 17.17 | |
| Abrazadera de cable (viej 198-38340-20) Nuevo | ||||
| 243 | 6688026 | 1.05 | 1.27 | |
| Tubo de protección 720l (antiguo 164-07072-01) Nue | ||||
| 244 | 6687539 | 2.10 | 2.54 | |
| Tornillo de agujero hexagonal M5x25/s (viejo 994-1 | ||||
| 245 | 6684709 | 2.15 | 2.60 | |
| Soporte de asa A (antiguo 506-38447-20) Nuevo | ||||
| 246 | 6691145 | 3.30 | 3.99 | |
| Soporte de asa B (antiguo 507-38447-20) Nuevo | ||||
| 247 | 6691163 | 5.28 | 6.38 | |
| Soporte de mango 1.0t (antiguo 510-37857-20) Nuevo | ||||
| 248 | 6691189 | 12.90 | 15.61 | |
| Soporte de mango C (antiguo 508-38447-20) Nuevo | ||||
| 249 | 6691177 | 2.31 | 2.80 | |
| Perno de cabeza hueca hexagonal M5x30 S (antiguo 9 | ||||
| 250 | 6684786 | 2.15 | 2.60 | |
| No hay información disponible, no se puede pedir | ||||
| 251 | 6689291 | |||
| No hay información disponible, no se puede pedir | ||||
| 301 | 6688799 | |||
| Tornillo Hex. Agujero 6x25s (antiguo 994-61060-254 | ||||
| 302 | 6695497 | 1.15 | 1.39 | |
| Anillo de retención C-28.interior (antiguo 993-510 | ||||
| 303 | 6684741 | 2.15 | 2.60 | |
| Anillo de Parada C-12 Exterior | ||||
| 304 | 6684664 | 2.15 | 2.60 | |
| Rodamiento de bolas 6001z | ||||
| 305 | 6695532 | 6.60 | 7.99 | |
| Rodamiento de bolas 6001 C3 | ||||
| 306 | 6684608 | 3.80 | 4.60 | |
| Caja de engranajes (viejo 300-37857-20) | ||||
| 307 | 6688798 | 26.16 | 31.66 | |
| Tornillo 5x14/ps (antiguo 994-15050-141) | ||||
| 308 | 6695384 | 1.15 | 1.39 | |
| Tornillo 6x8 (antiguo 990-21060-080) | ||||
| 309 | 6694979 | 1.15 | 1.39 | |
| No hay información disponible, no se puede pedir | ||||
| 310 | 6695524 | |||
| Eje de engranaje L-m10x1.25 (antiguo 304-37857-20) | ||||
| 311 | 6688943 | 12.38 | 14.97 | |
| Rodamiento de bolas 6202dd | ||||
| 312 | 6696297 | 6.28 | 7.59 | |
| Anillo de tope C-35, interno (antiguo 993-51035-00 | ||||
| 313 | 6695296 | 1.15 | 1.39 | |
| Porta-cutter (antiguo 310-37857-20) | ||||
| 314 | 6689029 | 10.56 | 12.78 | |
| Tapa del Portaherramientas de Corte (antiguo 311-3 | ||||
| 315 | 6689051 | 3.30 | 3.99 | |
| Cubierta de protección B (antiguo 308-38150-20 & 6 | ||||
| 316 | 6688995 | 3.30 | 3.99 | |
| Tornillo 5x14/ps (antiguo 994-15050-141) | ||||
| 317 | 6695384 | 1.15 | 1.39 | |
| Tuerca de Fijación L M10x1.25 (antiguo 313-38150-2 | ||||
| 318 | 6689073 | 4.63 | 5.60 | |
| Cubierta del caja de engranajes (viejo 303-37857-2 | ||||
| 319 | 6697604 | 6.44 | 7.79 | |
| Conjunto de engranaje y piñón, de repuesto (antigu | ||||
| 328 | 6688879 | 16.94 | 20.49 | |
| Arandela | ||||
| 330 | 6684826 | 2.15 | 2.60 | |
| Soporte de cubierta (antiguo 442-37857-20) Nuevo | ||||
| 331 | 6690311 | 3.30 | 3.99 | |
| Cubierta de seguridad (antiguo 441-37868-20) | ||||
| 332 | 6690266 | 9.45 | 11.43 | |
| Soporte de guardia de seguridad (antiguo 445-38253 | ||||
| 333 | 6690345 | 2.31 | 2.80 | |
| Tornillo de cabeza hexagonal de 6 x 30s (antiguo 9 | ||||
| 334 | 6695518 | 1.15 | 1.39 | |
| No hay información disponible, no se puede pedir | ||||
| 501 | 6684766 | |||
| No hay información disponible, no se puede pedir | ||||
| 502 | 6693529 | |||
| No hay información disponible, no se puede pedir | ||||
| 503 | 6684813 | |||
| No hay información disponible, no se puede pedir | ||||
| 504 | 6693575 | |||
| Contenedor de premezcla de combustible (antiguo 87 | ||||
| 505 | 6693785 | 3.30 | 3.99 | |
| No hay información disponible, no se puede pedir | ||||
| 508A | 875769 | |||
| Cubierta del cortador (antiguo 615-38360-20) Nuevo | ||||
| 509 | 6692021 | 2.10 | 2.54 | |
| No hay información disponible, no se puede pedir | ||||
| 520 | 66A2694 | |||
| No hay información disponible, no se puede pedir | ||||
| 521 | 6695796 | |||