Aquí encontrará todas las piezas y dibujos técnicos disponibles de 'Hikoki TBC-430PF'. Desde aquí podrá pedir todas las piezas deseadas directamente. Para muchas piezas de repuesto, es necesario pasar un pedido al fabricante. Dependiendo de la marca, el plazo de entrega puede variar entre una y cuatro semanas. Toda la información que tenemos está en nuestro sitio web. No podremos aconsejarle sobre lo que necesita hasta que entregue la máquina para su reparación. Tenga en cuenta lo siguiente a la hora de cursar su pedido:
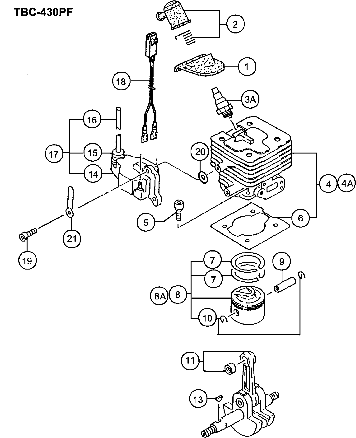
Dibujo técnico de los/las Hikoki TBC-430PF
Lista de las piezas de repuesto de Hikoki TBC-430PF
| Pos. | Descripción | Precio con el IVA excluido | Precio con el IVA incluido | |
| Los precios mostrados incluyen el IVA | ||||
| Cubierta de goma de bujía Till J032440 | ||||
| 1 | 6688336 | 3.30 | 3.99 | |
| Ensamble tapa de bujía (antiguo 157-11666-90/66874 | ||||
| 2 | 6687479 | 2.31 | 2.80 | |
| Ensamble de bujía (antiguo 6685085) | ||||
| 3A | 6699317 | 6.76 | 8.18 | |
| No hay información disponible, no se puede pedir | ||||
| 4 | 6685476 | |||
| CYLINDER SET PN (OLD 001-04413-90) | ||||
| 4A | 6685477 | 48.02 | 58.10 | |
| No hay información disponible, no se puede pedir | ||||
| 5 | 6684668 | |||
| Junta de cilindro (antiguo 017-04400-20) | ||||
| 6 | 6685741 | 2.31 | 2.80 | |
| Anillo de pistón (antiguo 041-04050-20) | ||||
| 7 | 6686123 | 4.45 | 5.38 | |
| No hay información disponible, no se puede pedir | ||||
| 8 | 6685889 | |||
| Conjunto de pistón (antiguo 030-0423z-90) | ||||
| 8A | 6685888 | 26.16 | 31.66 | |
| Pasador de pistón 10x30 (antiguo 037-01000-20) | ||||
| 9 | 6686007 | 2.31 | 2.80 | |
| Circlip de pin de pistón (antiguo 039-05004-20/790 | ||||
| 10 | 6686032 | 1.15 | 1.39 | |
| Cigüeñal Comp. (antiguo 046-04400-80) | ||||
| 11 | 6686192 | 84.40 | 102.12 | |
| Chaveta Wood-ruff 3x13x5 (antiguo 068-02000-20/790 | ||||
| 13 | 6686457 | 1.15 | 1.39 | |
| Bobina | ||||
| 14 | 6687655 | 36.15 | 43.74 | |
| Tapa de Goma | ||||
| 15 | 6684602 | 2.15 | 2.60 | |
| Cable de alta tensión (antiguo 178-20543-22/668788 | ||||
| 16 | 6687885 | 1.15 | 1.39 | |
| Bobina (antigua 167-20543-91 & 6687656) | ||||
| 17 | 6687657 | 30.25 | 36.60 | |
| Ensamblaje de cable principal | ||||
| 18 | 6687970 | 4.45 | 5.38 | |
| Tornillo 4x18/ws (antiguo 994-16040-183) | ||||
| 19 | 6695406 | 1.15 | 1.39 | |
| Arandela (antiguo 182-0186a-20) | ||||
| 20 | 6684600 | 2.15 | 2.60 | |
| Componente de abrazadera de cuerda (antiguo 198-11 | ||||
| 21 | 6688011 | 1.15 | 1.39 | |
| Protector (antiguo 257-04400-20) | ||||
| 41 | 6688348 | 4.45 | 5.38 | |
| Perno con agujero hexagonal 5x20/ps (antiguo 994-6 | ||||
| 42 | 6684634 | 2.15 | 2.60 | |
| Caja del cigüeñal Ass'y (antiguo 072-04400-91) | ||||
| 43 | 6686559 | 50.21 | 60.76 | |
| Junta de la caja del cigüeñal (antiguo 090-04400-2 | ||||
| 45 | 6686715 | 1.15 | 1.39 | |
| Sello de aceite | ||||
| 46 | 6695637 | 3.30 | 3.99 | |
| No hay información disponible, no se puede pedir | ||||
| 47 | 6695557 | |||
| Calzo del cigüeñal 0.10 (antiguo 071-02007-21) | ||||
| 48 | 6686470 | 1.15 | 1.39 | |
| Calza de cigüeñal 0.20 (antigua 071-02007-23) | ||||
| 48 | 6686472 | 1.15 | 1.39 | |
| Calza de cigüeñal 0.30 (antigua 071-02007-24) | ||||
| 48 | 6686473 | 1.15 | 1.39 | |
| Perno de cabeza hueca hexagonal M5x30 S (antiguo 9 | ||||
| 49 | 6684786 | 2.15 | 2.60 | |
| Roto Magneto Comp. | ||||
| 50 | 6687372 | 19.96 | 24.15 | |
| Arandela | ||||
| 51 | 6695198 | 1.15 | 1.39 | |
| No hay información disponible, no se puede pedir | ||||
| 52 | 6695138 | |||
| Carcasa del ventilador | ||||
| 53 | 6686982 | 22.24 | 26.91 | |
| No hay información disponible, no se puede pedir | ||||
| 54 | 6684668 | |||
| Goma de cable principal (ancien 203-11660-20) | ||||
| 55 | 6688057 | 1.15 | 1.39 | |
| Arandela | ||||
| 56 | 6685226 | 1.15 | 1.39 | |
| Pequeña Tuerca 10 (antiguo 991-11100-013/6695138/7 | ||||
| 57 | 6695139 | 1.05 | 1.27 | |
| Juntura de admisión (antiguo 403-04300-20/790156) | ||||
| 81 | 6689885 | 2.31 | 2.80 | |
| CONJUNTO DE AISLANTES DE CARB., RECAMBIO (VIEJO 40 | ||||
| 82 | 6689955 | 8.91 | 10.78 | |
| Junta de carburador (antiguo 402-04300-20/790158) | ||||
| 83 | 6689833 | 1.15 | 1.39 | |
| Collar (antiguo 470-01380-20) | ||||
| 85 | 6690802 | 2.31 | 2.80 | |
| Cuerpo de limpiador Comp. (antiguo 423-01380-82/66 | ||||
| 86 | 6690099 | 5.28 | 6.38 | |
| Válvula de Estrangulamiento (antigua 528-01380-21) | ||||
| 87 | 6691258 | 1.15 | 1.39 | |
| Placa de verificación de soplado (antiguo 476-0170 | ||||
| 88 | 6690843 | 1.15 | 1.39 | |
| Elemento del filtro de aire | ||||
| 89A | 6690352 | 1.15 | 1.39 | |
| No hay información disponible, no se puede pedir | ||||
| 90 | 6684658 | |||
| Cubierta del filtro de aire | ||||
| 91 | 6690397 | 3.30 | 3.99 | |
| Tornillo especial (antiguo 380-0637c-20) | ||||
| 92 | 6689737 | 1.15 | 1.39 | |
| Tornillo M5x60 (antiguo 990-11050-602) | ||||
| 93 | 6684660 | 2.15 | 2.60 | |
| Arandela (antiguo 992-10050-012) | ||||
| 94 | 6684662 | 2.15 | 2.60 | |
| Juego de carburador | ||||
| 95 | 6690476 | 86.36 | 104.50 | |
| No hay información disponible, no se puede pedir | ||||
| 96 | 6693248 | |||
| No hay información disponible, no se puede pedir | ||||
| 97 | 6695425 | |||
| Collar de fijación del tanque (antiguo 649-01680-2 | ||||
| 98 | 6692182 | 2.31 | 2.80 | |
| No hay información disponible, no se puede pedir | ||||
| 99 | 6688166 | |||
| SHIELD TUBE ASS'Y | ||||
| 99A | 6697939 | 15.07 | 18.23 | |
| Clip D6 (antiguo 680-00070-20) | ||||
| 100A | 6685198 | 1.15 | 1.39 | |
| No hay información disponible, no se puede pedir | ||||
| 101A | 6684620 | |||
| Tanque blanco (antiguo 591-04413-22/6691536) | ||||
| 102 | 6691539 | 11.88 | 14.37 | |
| No hay información disponible, no se puede pedir | ||||
| 102A | 6699337 | |||
| Collar C (antiguo 659-04300-20) | ||||
| 103 | 6684623 | 2.15 | 2.60 | |
| Perno con agujero hexagonal 5x20/ps (antiguo 994-6 | ||||
| 109 | 6684634 | 2.15 | 2.60 | |
| Lecho del Motor (Antiguo 940-04300-20) | ||||
| 110 | 6694785 | 4.95 | 5.99 | |
| Ya no disponible, sin reemplazo | ||||
| 111 | 6684880 | |||
| Ya no disponible, sin reemplazo | ||||
| 113 | 6688156 | |||
| Perno de cabeza hueca hexagonal M5x30 S (antiguo 9 | ||||
| 114 | 6684786 | 2.15 | 2.60 | |
| Arandela M5 (old 992-01050-061) | ||||
| 115 | 6684918 | 2.15 | 2.60 | |
| Ensamblaje del filtro de la bomba | ||||
| 118 | 6601175 | 3.14 | 3.80 | |
| Ya no disponible, sin reemplazo | ||||
| 119 | 6691768 | |||
| Conjunto de válvula de ventilación (antiguo 646-06 | ||||
| 122 | 6692171 | 4.95 | 5.99 | |
| No hay información disponible, no se puede pedir | ||||
| 123 | 6697800 | |||
| Conjunto de ventilación de aire (antiguo 564-06611 | ||||
| 124 | 6691389 | 10.23 | 12.37 | |
| Tanque blanco (antiguo 591-04413-22/6691536) | ||||
| 125 | 6691539 | 11.88 | 14.37 | |
| Protector de silenciador (antiguo 738-0440a-21) | ||||
| 131 | 6692783 | 12.88 | 15.58 | |
| Tornillo de Cabeza Hexagonal M5x12 / s (antiguo 99 | ||||
| 132 | 6684667 | 2.15 | 2.60 | |
| Tornillo Hex. Orificio 6x65 (antiguo 990-51060-653 | ||||
| 134 | 6695067 | 1.15 | 1.39 | |
| Arandela | ||||
| 135 | 6684639 | 2.15 | 2.60 | |
| Set de silenciador Pn (antiguo 704-04400-90) | ||||
| 136 | 6692472 | 32.21 | 38.98 | |
| Set de silenciador Pn (antiguo 704-04401-90) | ||||
| 136 | 6692473 | 28.14 | 34.05 | |
| Arandela M5 (old 992-01050-061) | ||||
| 137 | 6684918 | 2.15 | 2.60 | |
| Tubo de escape (antiguo 721-04400-20) | ||||
| 138 | 6692652 | 3.30 | 3.99 | |
| Arandela | ||||
| 139 | 6685109 | 1.15 | 1.39 | |
| Arrestor de silenciador (antiguo 732-04400-20) | ||||
| 140 | 6692696 | 2.31 | 2.80 | |
| Junta del silenciador (antiguo 737-04230-20) | ||||
| 141 | 6692741 | 1.15 | 1.39 | |
| Escudo térmico | ||||
| 142 | 6687246 | 9.58 | 11.59 | |
| Pasacables (antiguo 203-0604a-20) | ||||
| 144A | 6688050 | 1.15 | 1.39 | |
| Tornillo de agujero hexagonal M5x25/s (viejo 994-1 | ||||
| 145 | 6684709 | 2.15 | 2.60 | |
| Arandela M5 (old 992-01050-061) | ||||
| 146 | 6684918 | 2.15 | 2.60 | |
| Arandela | ||||
| 147 | 6689645 | 1.15 | 1.39 | |
| Forro de embrague completo | ||||
| 148 | 6688614 | 7.93 | 9.59 | |
| Muelle de embrague (antiguo 342-04200-20) | ||||
| 149 | 6689428 | 1.15 | 1.39 | |
| Arandela | ||||
| 150 | 6695203 | 1.15 | 1.39 | |
| Perno de paso de embrague | ||||
| 151 | 6689632 | 3.30 | 3.99 | |
| No hay información disponible, no se puede pedir | ||||
| 152 | 6699556 | |||
| Montaje de Cuerpo de Arrancador de Retroceso | ||||
| 171A | 6697645 | 21.78 | 26.35 | |
| No hay información disponible, no se puede pedir | ||||
| 172 | 6693025 | |||
| Cuerpo de arranque de retroceso Comp. | ||||
| 172A | 6697646 | 11.71 | 14.17 | |
| Carrete de cuerda de arranque (antiguo 769-04220-2 | ||||
| 173 | 6693007 | 4.95 | 5.99 | |
| Carrete de cuerda de arranque | ||||
| 173A | 6697647 | 4.13 | 4.99 | |
| Resorte de retroceso (antiguo 779-04220-20) | ||||
| 174 | 6693114 | 9.08 | 10.98 | |
| STARTER SPRING | ||||
| 174A | 6697648 | 7.08 | 8.57 | |
| Cuerda de arranque (antigua 783-04270-20/6693164) | ||||
| 175 | 6693165 | 3.30 | 3.99 | |
| STARTER ROPE | ||||
| 175A | 6697649 | 2.64 | 3.19 | |
| No hay información disponible, no se puede pedir | ||||
| 176 | 6693607 | |||
| Manija de inicio | ||||
| 177 | 6693232 | 3.30 | 3.99 | |
| Manija de inicio | ||||
| 177A | 6697650 | 2.80 | 3.39 | |
| Tornillo de ajuste (antiguo 839-04220-20) | ||||
| 178 | 6693634 | 1.15 | 1.39 | |
| Trinquete de arranque (antiguo 788-0162v-20) | ||||
| 179 | 6693302 | 2.31 | 2.80 | |
| No hay información disponible, no se puede pedir | ||||
| 179A | 6697643 | |||
| Anillo de retención D4e (antiguo 993-55040-001) | ||||
| 180 | 6685101 | 1.15 | 1.39 | |
| Perno con agujero hexagonal 5x20/ps (antiguo 994-6 | ||||
| 181 | 6684634 | 2.15 | 2.60 | |
| Muelle de arranque (antiguo 790-0162v-20) | ||||
| 182 | 6693345 | 2.31 | 2.80 | |
| No hay información disponible, no se puede pedir | ||||
| 182A | 6697642 | |||
| Polea de inicio (antiguo 798-04220-90) | ||||
| 183 | 6693395 | 11.05 | 13.37 | |
| Polea de arranque | ||||
| 183A | 6697644 | 11.05 | 13.37 | |
| Tornillo de Ajuste del Acelerador (antiguo 514-251 | ||||
| 191 | 6684870 | 2.15 | 2.60 | |
| Regulador de Cable (antiguo 544-25164-20) | ||||
| 192 | 6684873 | 6.44 | 7.79 | |
| Giratorio (antiguo 539-25120-20) | ||||
| 193 | 6684697 | 6.44 | 7.79 | |
| Arandela (antiguo 549-25165-20) | ||||
| 194 | 6684874 | 2.15 | 2.60 | |
| Anillo de parada (antiguo 489-25100-20) | ||||
| 195 | 6684696 | 2.15 | 2.60 | |
| Ajustador de Cable (antiguo 614-25137-20) | ||||
| 196 | 6684871 | 4.29 | 5.19 | |
| O-RING (antiguo 550-25100-20) | ||||
| 197 | 6684695 | 4.29 | 5.19 | |
| Chorro principal, #44.5 (antiguo 599-200bw-44/6691 | ||||
| 198 | 6696131 | 6.44 | 7.79 | |
| Tuerca de Bloqueo M6 (antiguo 991-01060-013) | ||||
| 199 | 6684872 | 2.15 | 2.60 | |
| Junta de bomba (viejo 577-25100-20) | ||||
| 200 | 6691457 | 7.10 | 8.59 | |
| Diafragma de bomba (antiguo 576-25100-20 & 6696325 | ||||
| 201 | 6684693 | 8.58 | 10.38 | |
| Pantalla de entrada (antiguo 578-25007-20) | ||||
| 202 | 6684700 | 4.29 | 5.19 | |
| Cuerpo de bomba comp. (antiguo 575-25153-80) | ||||
| 203 | 6684879 | 62.16 | 75.22 | |
| Junta de diafragma (antiguo 475-25153-20) | ||||
| 204 | 6684691 | 8.58 | 10.38 | |
| Ya no disponible, sin reemplazo | ||||
| 205 | 6690827 | |||
| Cubierta de diafragma (antiguo 476-25151-20) | ||||
| 206 | 6684688 | 8.58 | 10.38 | |
| Tornillo de ajuste (antiguo 548-25151-20 & 6696324 | ||||
| 207 | 6684699 | 2.15 | 2.60 | |
| Empaquetadura del Limpiador (antiguo 431-0634c-20) | ||||
| 208 | 6684875 | 4.29 | 5.19 | |
| Bomba de cebado comp. (antiguo 442-25151-80) | ||||
| 209 | 6684687 | 16.34 | 19.77 | |
| Cuerpo de cebado (antiguo 447-25108-20) | ||||
| 210 | 6684689 | 6.44 | 7.79 | |
| Eje de clutch Comp. (antiguo 289-04300-80) | ||||
| 231 | 6688584 | 14.53 | 17.58 | |
| Rodamiento de bolas #6202z | ||||
| 232 | 6695559 | 6.44 | 7.79 | |
| Anillo de parada C-15, exterior (antiguo 993-50015 | ||||
| 233 | 6695285 | 1.15 | 1.39 | |
| Caja de embrague (antiguo 331-04300-20) | ||||
| 234 | 6689194 | 14.53 | 17.58 | |
| No hay información disponible, no se puede pedir | ||||
| 236 | 6691829 | |||
| Tornillo con agujero hexagonal 5x16 (antiguo 990-5 | ||||
| 238 | 6695046 | 1.15 | 1.39 | |
| Tornillo de cabeza hexagonal M6x20 (antiguo 990-53 | ||||
| 239 | 6685064 | 1.15 | 1.39 | |
| Perno con orificio hexagonal 5 X 25 (antiguo 990-5 | ||||
| 240 | 6695091 | 1.15 | 1.39 | |
| Sujetador de tubo (antiguo 360-04300-21) | ||||
| 242 | 6689655 | 3.30 | 3.99 | |
| Arandela M5 (old 992-01050-061) | ||||
| 243 | 6684918 | 2.15 | 2.60 | |
| Accesorio de metal (antiguo 361-00990-20) | ||||
| 245 | 6689664 | 3.30 | 3.99 | |
| Eje de transmisión (antiguo 343-37850-20) | ||||
| 261 | 6689471 | 16.64 | 20.13 | |
| Ya no disponible, sin reemplazo | ||||
| 262 | 6699277 | |||
| No hay información disponible, no se puede pedir | ||||
| 263 | 6699278 | |||
| Metal de elevación, giratorio 90 grados (antiguo 3 | ||||
| 264 | 6689274 | 2.31 | 2.80 | |
| Collar de metal para levantar 26 (antiguo 334-3735 | ||||
| 265 | 6689258 | 2.31 | 2.80 | |
| Tornillo Hex. Agujero 5x30.p (antiguo 994-62050-30 | ||||
| 266 | 6695501 | 1.15 | 1.39 | |
| Tuerca especial (antigua 315-37304-20) | ||||
| 267 | 6689100 | 1.15 | 1.39 | |
| Mango de agarre (antiguo 165-37590-20) | ||||
| 268 | 6684708 | 6.44 | 7.79 | |
| Tornillo de agujero hexagonal M5x25/s (viejo 994-1 | ||||
| 269 | 6684709 | 2.15 | 2.60 | |
| Soporte de manija A (antiguo 506-37623-20) | ||||
| 270 | 6684710 | 13.20 | 15.97 | |
| Soporte de mango (antiguo 507-37850-20) Nuevo | ||||
| 271 | 6691158 | 6.28 | 7.59 | |
| Soporte de la manija C, 26 Dia. (antiguo 508-37589 | ||||
| 272 | 6691174 | 3.30 | 3.99 | |
| TORNILLO CON ORIFICIO HEX. 6X25S (ANTIGUO 994-8106 | ||||
| 273 | 6684714 | 2.15 | 2.60 | |
| No hay información disponible, no se puede pedir | ||||
| 274 | 6689291 | |||
| Abrazadera B. (viejo 460-33111-20) | ||||
| 275 | 6684715 | 2.15 | 2.60 | |
| No hay información disponible, no se puede pedir | ||||
| 276 | 6696093 | |||
| Tubo de Protección (viejo 164-07086-50) | ||||
| 277 | 6687546 | 2.31 | 2.80 | |
| Manija derecha (antigua 501-37867-20) | ||||
| 278 | 6691080 | 13.53 | 16.37 | |
| No hay información disponible, no se puede pedir | ||||
| 279 | 6693766 | |||
| Ya no disponible, sin reemplazo | ||||
| 280 | 6684721 | |||
| Resorte de retorno (antiguo 832-38400-20) | ||||
| 281 | 6684722 | 2.15 | 2.60 | |
| Palanca del acelerador (antiguo 880-38401-20) | ||||
| 282 | 6684723 | 10.23 | 12.37 | |
| Tapón ciego (antiguo 322-38400-20) | ||||
| 283 | 6684724 | 2.15 | 2.60 | |
| Tornillo M4x20 (negro) (antiguo 993-46040-202) | ||||
| 284 | 6684725 | 2.15 | 2.60 | |
| Tornillo 5x30 (negro) (antiguo 994-31050-303) | ||||
| 285 | 6684726 | 2.15 | 2.60 | |
| No hay información disponible, no se puede pedir | ||||
| 286 | 6684727 | |||
| Interruptor de parada (antiguo 156-38401-80) | ||||
| 287 | 6687460 | 13.86 | 16.77 | |
| Interruptor de parada (antiguo 156-38401-81) | ||||
| 287A | 6687461 | 13.86 | 16.77 | |
| Cable del acelerador (antiguo 887-38401-80) | ||||
| 288 | 6694023 | 12.54 | 15.17 | |
| Cable del acelerador | ||||
| 289 | 6693979 | 28.14 | 34.05 | |
| No hay información disponible, no se puede pedir | ||||
| 289A | 6693980 | |||
| No hay información disponible, no se puede pedir | ||||
| 290 | 6689275 | |||
| No hay información disponible, no se puede pedir | ||||
| 291 | 6689275 | |||
| Caja de engranajes | ||||
| 331 | 6688784 | 86.36 | 104.50 | |
| Tornillo de agujero hexagonal M5x25/s (viejo 994-1 | ||||
| 332 | 6684709 | 2.15 | 2.60 | |
| Anillo de parada C-24.inner (antiguo 993-51024-002 | ||||
| 333 | 6684732 | 2.15 | 2.60 | |
| Anillo de parada C-9, exterior (antiguo 993-50009- | ||||
| 334 | 6695281 | 1.15 | 1.39 | |
| Rodamiento de bolas 609z ST | ||||
| 335 | 6684735 | 8.58 | 10.38 | |
| Rodamiento de bolas 609 | ||||
| 336 | 6684734 | 8.58 | 10.38 | |
| Caja de engranajes, plata (antiguo 300-3330b-20) | ||||
| 337 | 6688685 | 13.86 | 16.77 | |
| Tornillo con agujero hexagonal 5x10 (antiguo 990-5 | ||||
| 338 | 6695042 | 1.15 | 1.39 | |
| Perno de cabeza plus 8x10 (antiguo 994-23080-100/6 | ||||
| 339 | 6695437 | 1.15 | 1.39 | |
| Rodamiento de bolas 628 St | ||||
| 340 | 6695569 | 4.45 | 5.38 | |
| Eje de engranaje (antiguo 304-38331-20) | ||||
| 341 | 6688947 | 14.55 | 17.61 | |
| No hay información disponible, no se puede pedir | ||||
| 342 | 6695554 | |||
| Anillo de parada interno C-32, antiguo no. de piez | ||||
| 343 | 6695295 | 1.15 | 1.39 | |
| Porta-cutter, 12x10x1 (antiguo 310-38100-20 & 6689 | ||||
| 344 | 6689031 | 11.55 | 13.98 | |
| Tapa del Portaherramientas de Corte, 12x10x1 (anti | ||||
| 345 | 6689050 | 4.45 | 5.38 | |
| Cubierta de protección B (antigua 308-37861-20) | ||||
| 346 | 6688994 | 2.31 | 2.80 | |
| Tuerca de fijación del cortador L/h (anterior 313- | ||||
| 347 | 6689072 | 2.31 | 2.80 | |
| Arandela | ||||
| 348 | 6689159 | 1.15 | 1.39 | |
| Arandela | ||||
| 349 | 6686453 | 2.31 | 2.80 | |
| TORNILLO CON ORIFICIO HEX. 6X25S (ANTIGUO 994-8106 | ||||
| 350 | 6684714 | 2.15 | 2.60 | |
| Soporte de Guarda de Lámina D26 (antiguo 442-33699 | ||||
| 351 | 6690294 | 1.15 | 1.39 | |
| Soporte de cubierta D26 (antiguo 442-38331-20) | ||||
| 351A | 6690315 | 4.45 | 5.38 | |
| Guarda de hoja 26 Ce (antiguo 441-37380-21/6690241 | ||||
| 352 | 6690242 | 16.64 | 20.13 | |
| Guarda de cuchilla 26ce (antiguo 441-38331-20) | ||||
| 352A | 6690276 | 17.55 | 21.24 | |
| Soporte de cubierta de seguridad (antiguo 445-3738 | ||||
| 353 | 6684748 | 4.29 | 5.19 | |
| Ya no disponible, sin reemplazo | ||||
| 354 | 6690372 | |||
| Guarda de la hoja (viejo 447-38331-20) | ||||
| 354A | 6690376 | 9.40 | 11.37 | |
| Cuchilla (antigua 797-37380-21/6693385) | ||||
| 355 | 6693386 | 4.45 | 5.38 | |
| Cuchilla (antiguo 797-37714-20) | ||||
| 355A | 6684750 | 4.29 | 5.19 | |
| Tornillo 5x12/s (antiguo 994-14050-121) | ||||
| 356 | 6695334 | 1.15 | 1.39 | |
| Tornillo autorroscante 4x14 (antiguo 993-48040-142 | ||||
| 356A | 6684751 | 2.15 | 2.60 | |
| Juego de piñones, de repuesto (antiguo 301-37134-0 | ||||
| 357 | 6688868 | 24.20 | 29.28 | |
| Tuerca hexagonal 5 (antiguo 991-01050-011) | ||||
| 358 | 6684965 | 1.04 | 1.26 | |
| Conjunto de Pasador dividido (10 Pcs/pack) (antigu | ||||
| 359 | 6689168 | 1.15 | 1.39 | |
| No hay información disponible, no se puede pedir | ||||
| 501 | 6684764 | |||
| No hay información disponible, no se puede pedir | ||||
| 502 | 6684813 | |||
| Cubierta del cortador (antiguo 615-37224-20/790290 | ||||
| 503 | 6684768 | 2.15 | 2.60 | |
| Cubierta de corte | ||||
| 503A | 6699756 | 1.15 | 1.39 | |
| No hay información disponible, no se puede pedir | ||||
| 504 | 6684765 | |||
| No hay información disponible, no se puede pedir | ||||
| 505 | 6695796 | |||
| No hay información disponible, no se puede pedir | ||||
| 506 | 6693492 | |||
| No hay información disponible, no se puede pedir | ||||
| 511 | 6695784 | |||
| Tuerca de montaje L-m10x1.25 (antiguo 356-3383b-20 | ||||
| 512 | 6684756 | 9.08 | 10.98 | |
| Cuerpo de corte (antiguo 786-33830-20) | ||||
| 513 | 6684757 | 22.69 | 27.45 | |
| Tuerca especial (antigua 315-33830-20) | ||||
| 514 | 6684758 | 9.40 | 11.37 | |
| Resorte de carrete (antiguo 793-33830-20) | ||||
| 515 | 6684759 | 4.29 | 5.19 | |
| Carrete (antiguo 787-33830-20) | ||||
| 516 | 6684760 | 15.58 | 18.85 | |
| Tapa del cuerpo de corte (antiguo 789-33830-20) | ||||
| 517 | 6684761 | 36.15 | 43.74 | |
| Ojal (antiguo 788-33830-20) | ||||
| 518 | 6684762 | 4.29 | 5.19 | |
| Protector de bobinado (antiguo 307-37307-20) | ||||
| 519 | 6684763 | 4.29 | 5.19 | |
| Cortador de cuerda de nylon | ||||
| 521 | 6601148 | 19.21 | 23.25 | |
| Caja (b) | ||||
| 522 | 6601149 | 10.73 | 12.98 | |
| Tuerca (1) | ||||
| 523 | 6601150 | 6.93 | 8.38 | |
| Resorte de carrete (antiguo 793-38454-20) | ||||
| 524 | 6693380 | 3.30 | 3.99 | |
| Soporte de línea | ||||
| 525 | 6601151 | 7.59 | 9.18 | |
| CUBIERTA | ||||
| 526 | 6601152 | 7.75 | 9.38 | |
| Ojal (antiguo 788-37770-20) | ||||
| 527 | 6684810 | 2.15 | 2.60 | |
| No hay información disponible, no se puede pedir | ||||
| 531 | 6695781 | |||
| Ya no disponible, sin reemplazo | ||||
| 532 | 6693271 | |||
| Ojal (antiguo 788-33670-21) | ||||
| 533 | 6693328 | 5.78 | 6.99 | |
| Base de Ajuste (antiguo 785-33840-20) | ||||
| 534 | 6693247 | 1.15 | 1.39 | |
| Resorte (plata) (antiguo 793-33910-20/6693376) | ||||
| 535 | 6693377 | 1.15 | 1.39 | |
| Arandela | ||||
| 536 | 6693362 | 1.15 | 1.39 | |
| Carrete para cable Bk (antiguo 787-33840-21/669329 | ||||
| 537 | 6693292 | 13.86 | 16.77 | |
| Bola de acero (antiguo 673-35600-20) | ||||
| 538 | 6692271 | 1.15 | 1.39 | |
| Carrete de registro (antiguo 790-33810-20) | ||||
| 539 | 6693358 | 1.15 | 1.39 | |
| Ya no disponible, sin reemplazo | ||||
| 540 | 6693338 | |||
| Tuerca de montaje L-m10x1.25 (antigua 315-33970-20 | ||||
| 541 | 6689098 | 6.44 | 7.79 | |
| No hay información disponible, no se puede pedir | ||||
| 543 | 6697908 | |||
| Protector de bobinado (antiguo 307-38100-20) | ||||
| 544 | 6688986 | 3.30 | 3.99 | |
| Marca Simbolica, Fuego Puro (antiguo 929-04400-20) | ||||
| 601 | 6694625 | 2.10 | 2.54 | |
| No hay información disponible, no se puede pedir | ||||
| 602 | 6694351 | |||
| Marca Simbólica (antigua 929-38100-20) Nueva | ||||
| 603 | 6694741 | 3.30 | 3.99 | |