Aquí encontrará todas las piezas y dibujos técnicos disponibles de 'Hikoki TC-3301'. Desde aquí podrá pedir todas las piezas deseadas directamente. Para muchas piezas de repuesto, es necesario pasar un pedido al fabricante. Dependiendo de la marca, el plazo de entrega puede variar entre una y cuatro semanas. Toda la información que tenemos está en nuestro sitio web. No podremos aconsejarle sobre lo que necesita hasta que entregue la máquina para su reparación. Tenga en cuenta lo siguiente a la hora de cursar su pedido:
Dibujo técnico de los/las Hikoki TC-3301
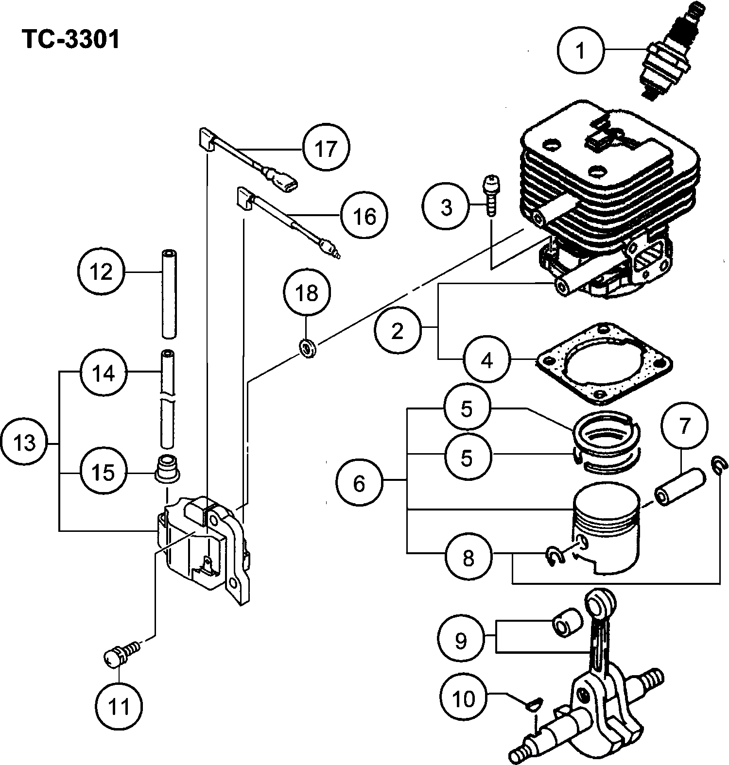
Lista de las piezas de repuesto de Hikoki TC-3301
| Pos. | Descripción | Precio con el IVA excluido | Precio con el IVA incluido | |
| Los precios mostrados incluyen el IVA | ||||
| Bujía Cj6y (antiguo 6685772) | ||||
| 1 | 6699323 | 2.48 | 2.99 | |
| Juego de Cilindros (antiguo 001-07031-91/6685486) | ||||
| 2 | 6685487 | 52.34 | 63.33 | |
| Tornillo hexagonal M5x16/s (antiguo 994-61050-164) | ||||
| 3 | 6684903 | 2.15 | 2.60 | |
| Junta de cilindro (antiguo 017-07020-20) | ||||
| 4 | 6685746 | 1.15 | 1.39 | |
| Anillo de pistón (xr1-1856) | ||||
| 5 | 6685331 | 4.05 | 4.90 | |
| Conjunto de pistones (antiguo 030-07030-91/6685897 | ||||
| 6 | 6685898 | 24.20 | 29.28 | |
| Pasador de pistón 9 X 31 (antiguo 037-01400-20/791 | ||||
| 7 | 6686008 | 2.31 | 2.80 | |
| Circlip (antiguo 039-00000-20) | ||||
| 8 | 6685078 | 1.15 | 1.39 | |
| Cigüeñal comp. (antiguo 046-07221-80/6686210) | ||||
| 9 | 6696499 | 67.00 | 81.07 | |
| Chaveta semilunar 3x13x4.5 (antiguo 068-10100-20) | ||||
| 10 | 6684899 | 2.15 | 2.60 | |
| Tornillo de alta tensión 4x18ws (antiguo 994-16040 | ||||
| 11 | 6695407 | 1.15 | 1.39 | |
| Tubo aislante, 110l (antiguo 250-07020-20) | ||||
| 12 | 6688319 | 1.15 | 1.39 | |
| Ass'y de Bobina de Encendido (antiguo 6687665/6699 | ||||
| 13 | 6699772 | 17.85 | 21.60 | |
| Cable de alta tensión 140l (antiguo 178-20549-20/6 | ||||
| 14 | 6687888 | 2.31 | 2.80 | |
| Tapa de Goma | ||||
| 15 | 6684602 | 2.15 | 2.60 | |
| Cable B 200m (antiguo 179-0702c-80) Nuevo | ||||
| 16 | 6687934 | 3.00 | 3.63 | |
| Cordón B 200m (antiguo 178-0702c-80) Nuevo | ||||
| 17 | 6687872 | 3.00 | 3.63 | |
| Arandela (antiguo 182-0186a-20) | ||||
| 18 | 6684600 | 2.15 | 2.60 | |
| Ensamblaje de caja de cigüeñal (antiguo 072-07020- | ||||
| 21 | 6686580 | 38.26 | 46.30 | |
| Sello de aceite | ||||
| 22 | 6684607 | 4.29 | 5.19 | |
| Rodamiento de bolas 6001 C3 | ||||
| 23 | 6684608 | 3.80 | 4.60 | |
| Junta de caja del cigüeñal (antigua 090-07020-20) | ||||
| 24 | 6686721 | 1.15 | 1.39 | |
| Calzo de eje de engranaje 0.20 (antiguo 330-00200- | ||||
| 25 | 6684604 | 2.15 | 2.60 | |
| Calzo de eje de engranaje 0.30 (antiguo 330-00200- | ||||
| 25 | 6684605 | 2.15 | 2.60 | |
| Roto Magneto Comp. | ||||
| 26 | 6687375 | 20.11 | 24.34 | |
| Tuerca M8 (antiguo 991-01080-011/327325/332299/726 | ||||
| 27 | 6684612 | 2.15 | 2.60 | |
| Arandela | ||||
| 28 | 6695184 | 1.15 | 1.39 | |
| Tornillo hexagonal M5x16/s (antiguo 994-61050-164) | ||||
| 29 | 6684903 | 2.15 | 2.60 | |
| No hay información disponible, no se puede pedir | ||||
| 30 | 6695420 | |||
| Carcasa del ventilador | ||||
| 31 | 6687022 | 18.75 | 22.69 | |
| Goma de cable principal (ancien 203-11660-20) | ||||
| 32 | 6688057 | 1.15 | 1.39 | |
| Junta del colector de admisión | ||||
| 41 | 6689858 | 1.15 | 1.39 | |
| Junta del colector de admisión | ||||
| 42 | 6689861 | 1.15 | 1.39 | |
| Conjunto de Colector de Admisión | ||||
| 43 | 6689916 | 5.61 | 6.79 | |
| Colector de admisión (antiguo 393-01350-20) | ||||
| 44 | 6689794 | 4.45 | 5.38 | |
| Tornillo de agujero hexagonal M5x25/s (viejo 994-1 | ||||
| 45 | 6684709 | 2.15 | 2.60 | |
| Ensamblaje de grifo de combustible (antiguo 592-00 | ||||
| 46 | 6691651 | 6.93 | 8.38 | |
| Protector de Silenciador (antiguo 738-0720f-20) Nu | ||||
| 51 | 6692810 | 7.75 | 9.38 | |
| No hay información disponible, no se puede pedir | ||||
| 52 | 6692497 | |||
| Tornillo de orificio hexagonal M6x55 (antiguo 990- | ||||
| 53 | 6684638 | 2.15 | 2.60 | |
| Arandela | ||||
| 54 | 6684639 | 2.15 | 2.60 | |
| Escudo térmico | ||||
| 55 | 6687260 | 3.30 | 3.99 | |
| Junta de silenciador (antiguo 737-0165a-20) | ||||
| 56 | 6692732 | 1.15 | 1.39 | |
| Arandela | ||||
| 57 | 6689645 | 1.15 | 1.39 | |
| Forro de embrague completo (antiguo 290-0138a-80/6 | ||||
| 58 | 6688610 | 7.59 | 9.18 | |
| Arandela | ||||
| 59 | 6695203 | 1.15 | 1.39 | |
| Perno de paso de embrague (antiguo 357-0136u-20) | ||||
| 60 | 6689628 | 2.31 | 2.80 | |
| Resorte de embrague (antiguo 342-0138a-20) | ||||
| 61 | 6689420 | 2.31 | 2.80 | |
| Perno de agujero hexagonal 4x20ps (antiguo 994-630 | ||||
| 62 | 6695503 | 1.15 | 1.39 | |
| Tornillo 4x15ps (antiguo 994-15040-151) | ||||
| 63 | 6695373 | 1.15 | 1.39 | |
| Conjunto de tapa de bujía (antiguo 157-01570-90/66 | ||||
| 64 | 6687468 | 2.31 | 2.80 | |
| Cuerpo de arranque retroceso Ass'y (viejo 762-0720 | ||||
| 81 | 6692991 | 20.11 | 24.34 | |
| Cuerpo de arranque de retroceso Comp. (antiguo 772 | ||||
| 82 | 6693040 | 7.75 | 9.38 | |
| Cuerda de arranque 3.5x860 (antiguo 783-0720f-20/6 | ||||
| 83 | 6684674 | 4.29 | 5.19 | |
| Resorte de retroceso (antiguo 780-06097-20/6697591 | ||||
| 84 | 6684675 | 11.55 | 13.98 | |
| Ya no disponible, sin reemplazo | ||||
| 85 | 6693081 | |||
| Resorte de amortiguador (antiguo 758-0651h-20) | ||||
| 86 | 6684677 | 8.58 | 10.38 | |
| No hay información disponible, no se puede pedir | ||||
| 87 | 6692938 | |||
| Tornillo de ajuste (antiguo 839-03045-20) | ||||
| 88 | 6684679 | 2.15 | 2.60 | |
| Manija de inicio | ||||
| 89 | 6684680 | 2.15 | 2.60 | |
| Arandela | ||||
| 90 | 6689645 | 1.15 | 1.39 | |
| Polea de arranque Ass'y (antiguo 798-0651h-90) | ||||
| 91 | 6684681 | 13.20 | 15.97 | |
| Empuñadura de arranque (antiguo 788-0651h-20) | ||||
| 92 | 6684685 | 4.29 | 5.19 | |
| Muelle de trinquete de arranque (antiguo 790-06097 | ||||
| 93 | 6684684 | 4.29 | 5.19 | |
| Anillo de retención D4e (antiguo 993-55040-001) | ||||
| 94 | 6685101 | 1.15 | 1.39 | |
| Cleaner Ass'y (antiguo 410-0720f-90) Nuevo | ||||
| 101 | 6690049 | 9.58 | 11.59 | |
| Cuerpo del limpiador (antiguo 423-0720f-20) Nuevo | ||||
| 102 | 6690125 | 4.50 | 5.44 | |
| Elemento del filtro de aire | ||||
| 103 | 6690348 | 1.15 | 1.39 | |
| Base de fijación del limpiador (antiguo 436-00610- | ||||
| 104 | 6690194 | 2.31 | 2.80 | |
| Tornillo 4x25/ws (antiguo 994-16040-251) | ||||
| 105 | 6695411 | 1.15 | 1.39 | |
| Carburador Ass'y Pc10t-1f (antiguo 455-21655-91) N | ||||
| 121 | 6690559 | 70.33 | 85.09 | |
| Ajustador de cable (antiguo 597-20110-20) | ||||
| 122 | 6691799 | 2.31 | 2.80 | |
| Tapa del cuerpo (antiguo 595-21303-20) Nuevo | ||||
| 123 | 6691777 | 3.00 | 3.63 | |
| Muelle de válvula de aceleración (antiguo 594-2011 | ||||
| 124 | 6691703 | 1.15 | 1.39 | |
| Recepción del resorte del acelerador (antigua 619- | ||||
| 125 | 6692025 | 1.15 | 1.39 | |
| Clip de aguja de chorro (antiguo 593-20400-20) | ||||
| 126 | 6691693 | 1.15 | 1.39 | |
| Ass'y de aguja de chorro (antiguo 592-2062t-92) Nu | ||||
| 127 | 6691681 | 5.70 | 6.90 | |
| Conjunto de válvula de estrangulación (antiguo 591 | ||||
| 128 | 6691630 | 15.40 | 18.63 | |
| Tornillo de ajuste (antiguo 622-21655-20) Nuevo | ||||
| 129 | 6692037 | 4.05 | 4.90 | |
| Resorte de Ajuste (antiguo 623-21700-20) | ||||
| 130 | 6692044 | 1.15 | 1.39 | |
| Tornillo 3x6 (viejo 990-11030-061) | ||||
| 131 | 6694855 | 1.15 | 1.39 | |
| O-ring A (antiguo 551-20703-20) Nuevo | ||||
| 132 | 6691326 | 2.31 | 2.80 | |
| Brazo de flotador (antiguo 628-20112-20) Nuevo | ||||
| 133 | 6692071 | 4.35 | 5.26 | |
| Pin de Brazo de Flotador (antiguo 605-20112-20) Nu | ||||
| 134 | 6691959 | 1.05 | 1.27 | |
| Aguja de Chorro 2080 (viejo 598-2017t-80) Nuevo | ||||
| 135 | 6691819 | 10.05 | 12.16 | |
| Jet principal #55 (antiguo 599-2000t-55) | ||||
| 136 | 6691841 | 4.45 | 5.38 | |
| Flotador (viejo 604-21014-20) | ||||
| 137 | 6691950 | 4.79 | 5.79 | |
| Junta de la cámara de flotación (antigua 607-21655 | ||||
| 138 | 6691989 | 3.00 | 3.63 | |
| Cámara de Flotador (antiguo 606-21655-20) Nuevo | ||||
| 139 | 6691976 | 15.26 | 18.47 | |
| Tornillo 4x16/s (antiguo 994-14040-161) | ||||
| 140 | 6695328 | 1.15 | 1.39 | |
| Tornillo de entrada de combustible (antiguo 501-21 | ||||
| 141 | 6691061 | 5.85 | 7.08 | |
| Junta de entrada de combustible (antiguo 500-21700 | ||||
| 142 | 6691026 | 1.15 | 1.39 | |
| Junta de brida (antiguo 571-20400-20) | ||||
| 143 | 6691411 | 1.15 | 1.39 | |
| Ensamblaje de Banda del Cuerpo (antiguo 561-21655- | ||||
| 144 | 6691375 | 7.80 | 9.44 | |
| No hay información disponible, no se puede pedir | ||||
| 145 | 6691338 | |||
| Junta de tornillo de drenaje (antiguo 629-20445-20 | ||||
| 146 | 6692091 | 1.15 | 1.39 | |
| Tornillo 4x6 (antiguo 990-11040-061) | ||||
| 147 | 6694860 | 1.15 | 1.39 | |
| Válvula de aguja comp. (antiguo 603-21655-80) Nuev | ||||
| 148 | 6691938 | 10.95 | 13.25 | |
| Cable del acelerador | ||||
| 151 | 6693858 | 4.05 | 4.90 | |
| Base de motor B Comp. (antiguo 221-38020-81) Nuevo | ||||
| 152 | 6688151 | 11.71 | 14.17 | |
| No hay información disponible, no se puede pedir | ||||
| 153 | 6695382 | |||
| Conector | ||||
| 154 | 6694031 | 1.49 | 1.80 | |