Aquí encontrará todas las piezas y dibujos técnicos disponibles de 'Hikoki TC-4200'. Desde aquí podrá pedir todas las piezas deseadas directamente. Para muchas piezas de repuesto, es necesario pasar un pedido al fabricante. Dependiendo de la marca, el plazo de entrega puede variar entre una y cuatro semanas. Toda la información que tenemos está en nuestro sitio web. No podremos aconsejarle sobre lo que necesita hasta que entregue la máquina para su reparación. Tenga en cuenta lo siguiente a la hora de cursar su pedido:
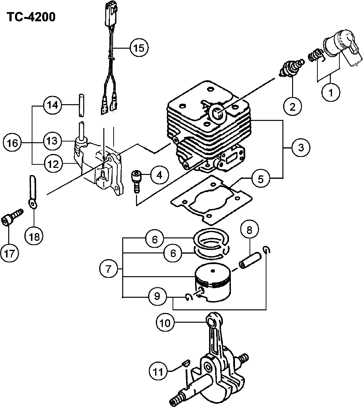
Dibujo técnico de los/las Hikoki TC-4200
Lista de las piezas de repuesto de Hikoki TC-4200
| Pos. | Descripción | Precio con el IVA excluido | Precio con el IVA incluido | |
| Los precios mostrados incluyen el IVA | ||||
| Conjunto de tapa de bujía (antiguo 157-01570-90/66 | ||||
| 1 | 6687468 | 2.31 | 2.80 | |
| Ensamble de bujía (antiguo 6685085) | ||||
| 2 | 6699317 | 6.76 | 8.18 | |
| Conjunto de cilindros (antiguo 001-04300-90) | ||||
| 3 | 6685474 | 54.30 | 65.70 | |
| No hay información disponible, no se puede pedir | ||||
| 4 | 6684668 | |||
| Junta de cilindro (antiguo 017-0430a-20/790115) | ||||
| 5 | 6685740 | 2.31 | 2.80 | |
| Anillo de pistón (antiguo 041-04050-20) | ||||
| 6 | 6686123 | 4.45 | 5.38 | |
| Conjunto de pistón (antiguo 030-0423z-90) | ||||
| 7 | 6685888 | 26.16 | 31.66 | |
| Pasador de pistón 10x30 (antiguo 037-01000-20) | ||||
| 8 | 6686007 | 2.31 | 2.80 | |
| Circlip de pin de pistón (antiguo 039-05004-20/790 | ||||
| 9 | 6686032 | 1.15 | 1.39 | |
| Cigüeñal Comp. (antiguo 046-04300-80/790113) | ||||
| 10 | 6686191 | 84.40 | 102.12 | |
| Chaveta Wood-ruff 3x13x5 (antiguo 068-02000-20/790 | ||||
| 11 | 6686457 | 1.15 | 1.39 | |
| Bobina | ||||
| 12 | 6687655 | 36.15 | 43.74 | |
| Tapa de Goma | ||||
| 13 | 6684602 | 2.15 | 2.60 | |
| Cable de alta tensión (antiguo 178-20543-22/668788 | ||||
| 14 | 6687885 | 1.15 | 1.39 | |
| Ensamblaje de cable principal | ||||
| 15 | 6687970 | 4.45 | 5.38 | |
| Bobina (antigua 167-20543-91 & 6687656) | ||||
| 16 | 6687657 | 30.25 | 36.60 | |
| Tornillo con agujero hexagonal M4x18/ws (antiguo 9 | ||||
| 17 | 6684599 | 2.15 | 2.60 | |
| Componente de abrazadera de cuerda (antiguo 198-11 | ||||
| 18 | 6688011 | 1.15 | 1.39 | |
| Pequeña Tuerca 10 (antiguo 991-11100-013/6695138/7 | ||||
| 31 | 6695139 | 1.05 | 1.27 | |
| Caja de manivela (antigua 072-04300-90) | ||||
| 32 | 6686556 | 58.39 | 70.65 | |
| Ya no disponible, sin reemplazo | ||||
| 33 | 6686714 | |||
| Sello de aceite | ||||
| 34 | 6695637 | 3.30 | 3.99 | |
| No hay información disponible, no se puede pedir | ||||
| 35 | 6695557 | |||
| Calza de cigüeñal 0.20 (antigua 071-02007-23) | ||||
| 36 | 6686472 | 1.15 | 1.39 | |
| Calza de cigüeñal 0.30 (antigua 071-02007-24) | ||||
| 36 | 6686473 | 1.15 | 1.39 | |
| Perno de cabeza hueca hexagonal M5x30 S (antiguo 9 | ||||
| 37 | 6684786 | 2.15 | 2.60 | |
| Roto Magneto Comp. | ||||
| 38 | 6687372 | 19.96 | 24.15 | |
| Arandela | ||||
| 39 | 6695198 | 1.15 | 1.39 | |
| No hay información disponible, no se puede pedir | ||||
| 40 | 6695138 | |||
| Cubierta de la bujía (antiguo 257-04300-20) | ||||
| 41 | 6688346 | 3.30 | 3.99 | |
| Perno con agujero hexagonal 5x20/ps (antiguo 994-6 | ||||
| 42 | 6684634 | 2.15 | 2.60 | |
| No hay información disponible, no se puede pedir | ||||
| 43 | 66A5710 | |||
| No hay información disponible, no se puede pedir | ||||
| 44 | 6684668 | |||
| Goma de cable principal (ancien 203-11660-20) | ||||
| 45 | 6688057 | 1.15 | 1.39 | |
| Juntura de admisión (antiguo 403-04300-20/790156) | ||||
| 61 | 6689885 | 2.31 | 2.80 | |
| CONJUNTO DE AISLANTES DE CARB., RECAMBIO (VIEJO 40 | ||||
| 62 | 6689955 | 8.91 | 10.78 | |
| Junta de carburador (antiguo 402-04300-20/790158) | ||||
| 63 | 6689833 | 1.15 | 1.39 | |
| Collar (antiguo 470-01380-20) | ||||
| 65 | 6690802 | 2.31 | 2.80 | |
| Cuerpo de limpiador Comp. (antiguo 423-01380-82/66 | ||||
| 66 | 6690099 | 5.28 | 6.38 | |
| Válvula de Estrangulamiento (antigua 528-01380-21) | ||||
| 67 | 6691258 | 1.15 | 1.39 | |
| Placa de verificación de soplado (antiguo 476-0170 | ||||
| 68 | 6690843 | 1.15 | 1.39 | |
| Elemento del filtro de aire | ||||
| 69 | 6690352 | 1.15 | 1.39 | |
| No hay información disponible, no se puede pedir | ||||
| 70 | 6684658 | |||
| Cubierta del filtro de aire | ||||
| 71 | 6690397 | 3.30 | 3.99 | |
| Tornillo especial (antiguo 380-0637c-20) | ||||
| 72 | 6689737 | 1.15 | 1.39 | |
| Tornillo M5x57/s (antiguo 994-14050-571/790190) | ||||
| 73 | 6695353 | 1.15 | 1.39 | |
| Juego de carburador | ||||
| 74 | 6690470 | 84.40 | 102.12 | |
| Tornillo hexagonal de 5 x 25ws (antiguo 994-64050- | ||||
| 75 | 6695515 | 1.15 | 1.39 | |
| Tubo de combustible 3x5x230 | ||||
| 76 | 6688166 | 4.29 | 5.19 | |
| Clip D6 (antiguo 680-00070-20) | ||||
| 77A | 6685198 | 1.15 | 1.39 | |
| No hay información disponible, no se puede pedir | ||||
| 78A | 6684620 | |||
| Tanque (antiguo 591-0430c-22/6691532) | ||||
| 79 | 6691533 | 11.55 | 13.98 | |
| Collar 5.8 (antiguo 659-00801-20) | ||||
| 80 | 6692244 | 1.15 | 1.39 | |
| Tapa del tanque D Ass'y, negro (antiguo 595-00073- | ||||
| 81 | 6691715 | 6.60 | 7.99 | |
| Perno de agujero hexagonal 5x18ps (antiguo 994-630 | ||||
| 82 | 6695505 | 1.15 | 1.39 | |
| Ya no disponible, sin reemplazo | ||||
| 83 | 6684880 | |||
| Ya no disponible, sin reemplazo | ||||
| 84 | 6688156 | |||
| Base del motor Comp. (antiguo 220-38010-80) | ||||
| 85 | 6688131 | 14.85 | 17.97 | |
| No hay información disponible, no se puede pedir | ||||
| 86 | 6684668 | |||
| Ensamblaje del filtro de la bomba | ||||
| 87 | 6601175 | 3.14 | 3.80 | |
| Protector de silenciador (antiguo 738-04300-20) | ||||
| 101 | 6692780 | 11.55 | 13.98 | |
| Arandela M5 (old 992-01050-061) | ||||
| 102 | 6684918 | 2.15 | 2.60 | |
| Tornillo de Cabeza Hexagonal M5x12 / s (antiguo 99 | ||||
| 103 | 6684667 | 2.15 | 2.60 | |
| Tornillo de agujero hexagonal 5x15ws (antiguo 994- | ||||
| 104 | 6695512 | 1.15 | 1.39 | |
| Tornillo Hex. Orificio 6x65 (antiguo 990-51060-653 | ||||
| 105 | 6695067 | 1.15 | 1.39 | |
| Arandela | ||||
| 106 | 6684639 | 2.15 | 2.60 | |
| Set de Silenciador (viejo 704-04330-90) | ||||
| 107 | 6692469 | 30.25 | 36.60 | |
| Junta del silenciador (antiguo 737-04230-20) | ||||
| 108 | 6692741 | 1.15 | 1.39 | |
| Escudo térmico | ||||
| 109 | 6687243 | 3.30 | 3.99 | |
| Tubo de escape Comp. (antiguo 708-01028-80) | ||||
| 110 | 6692593 | 3.30 | 3.99 | |
| Tornillo 4x12 (antiguo 990-11040-121) | ||||
| 111 | 6694865 | 1.15 | 1.39 | |
| Tuerca M4 (antiguo 991-01040-011) | ||||
| 112 | 6685069 | 1.15 | 1.39 | |
| Arandela | ||||
| 113 | 6689645 | 1.15 | 1.39 | |
| Forro de embrague completo | ||||
| 114 | 6688614 | 7.93 | 9.59 | |
| Muelle de embrague (antiguo 342-04200-20) | ||||
| 115 | 6689428 | 1.15 | 1.39 | |
| Arandela | ||||
| 116 | 6695203 | 1.15 | 1.39 | |
| Perno de paso de embrague | ||||
| 117 | 6689632 | 3.30 | 3.99 | |
| No hay información disponible, no se puede pedir | ||||
| 118 | 6699556 | |||
| Montaje de Cuerpo de Arrancador de Retroceso | ||||
| 131 | 6697645 | 21.78 | 26.35 | |
| Cuerpo de arranque de retroceso Comp. | ||||
| 132 | 6697646 | 11.71 | 14.17 | |
| Carrete de cuerda de arranque | ||||
| 133 | 6697647 | 4.13 | 4.99 | |
| STARTER SPRING | ||||
| 134 | 6697648 | 7.08 | 8.57 | |
| STARTER ROPE | ||||
| 135 | 6697649 | 2.64 | 3.19 | |
| Manija de inicio | ||||
| 137 | 6697650 | 2.80 | 3.39 | |
| Tornillo de ajuste (antiguo 839-04220-20) | ||||
| 138 | 6693634 | 1.15 | 1.39 | |
| No hay información disponible, no se puede pedir | ||||
| 139 | 6697643 | |||
| Anillo de retención D4e (antiguo 993-55040-001) | ||||
| 140 | 6685101 | 1.15 | 1.39 | |
| Perno con agujero hexagonal 5x20/ps (antiguo 994-6 | ||||
| 141 | 6684634 | 2.15 | 2.60 | |
| No hay información disponible, no se puede pedir | ||||
| 142 | 6697642 | |||
| Polea de arranque | ||||
| 143 | 6697644 | 11.05 | 13.37 | |
| Cuerpo de bomba comp. (antiguo 575-25153-80) | ||||
| 161 | 6684879 | 62.16 | 75.22 | |
| Bomba de cebado comp. (antiguo 442-25151-80) | ||||
| 162 | 6684687 | 16.34 | 19.77 | |
| Cubierta de diafragma (antiguo 476-25151-20) | ||||
| 163 | 6684688 | 8.58 | 10.38 | |
| Cuerpo de cebado (antiguo 447-25108-20) | ||||
| 164 | 6684689 | 6.44 | 7.79 | |
| Ya no disponible, sin reemplazo | ||||
| 165 | 6690827 | |||
| Junta de diafragma (antiguo 475-25153-20) | ||||
| 166 | 6684691 | 8.58 | 10.38 | |
| Diafragma de bomba (antiguo 576-25100-20 & 6696325 | ||||
| 167 | 6684693 | 8.58 | 10.38 | |
| Junta de bomba (viejo 577-25100-20) | ||||
| 168 | 6691457 | 7.10 | 8.59 | |
| Main Jet #51 (viejo 599-2000w-51) | ||||
| 169 | 6696382 | 9.58 | 11.59 | |
| O-RING (antiguo 550-25100-20) | ||||
| 170 | 6684695 | 4.29 | 5.19 | |
| Anillo de parada (antiguo 489-25100-20) | ||||
| 171 | 6684696 | 2.15 | 2.60 | |
| Giratorio (antiguo 539-25120-20) | ||||
| 172 | 6684697 | 6.44 | 7.79 | |
| Tornillo de Ajuste del Acelerador (antiguo 514-251 | ||||
| 174 | 6684870 | 2.15 | 2.60 | |
| Regulador de Cable (antiguo 544-25164-20) | ||||
| 175 | 6684873 | 6.44 | 7.79 | |
| Tuerca de Bloqueo M6 (antiguo 991-01060-013) | ||||
| 176 | 6684872 | 2.15 | 2.60 | |
| Ajustador de Cable (antiguo 614-25137-20) | ||||
| 177 | 6684871 | 4.29 | 5.19 | |
| Empaquetadura del Limpiador (antiguo 431-0634c-20) | ||||
| 178 | 6684875 | 4.29 | 5.19 | |
| Tornillo de ajuste (antiguo 548-25151-20 & 6696324 | ||||
| 179 | 6684699 | 2.15 | 2.60 | |
| Arandela (antiguo 549-25165-20) | ||||
| 180 | 6684874 | 2.15 | 2.60 | |
| Pantalla de entrada (antiguo 578-25007-20) | ||||
| 181 | 6684700 | 4.29 | 5.19 | |
| No hay información disponible, no se puede pedir | ||||
| 501 | 6684764 | |||