Aquí encontrará todas las piezas y dibujos técnicos disponibles de 'Hikoki TCS33EB'. Desde aquí podrá pedir todas las piezas deseadas directamente. Para muchas piezas de repuesto, es necesario pasar un pedido al fabricante. Dependiendo de la marca, el plazo de entrega puede variar entre una y cuatro semanas. Toda la información que tenemos está en nuestro sitio web. No podremos aconsejarle sobre lo que necesita hasta que entregue la máquina para su reparación. Tenga en cuenta lo siguiente a la hora de cursar su pedido:
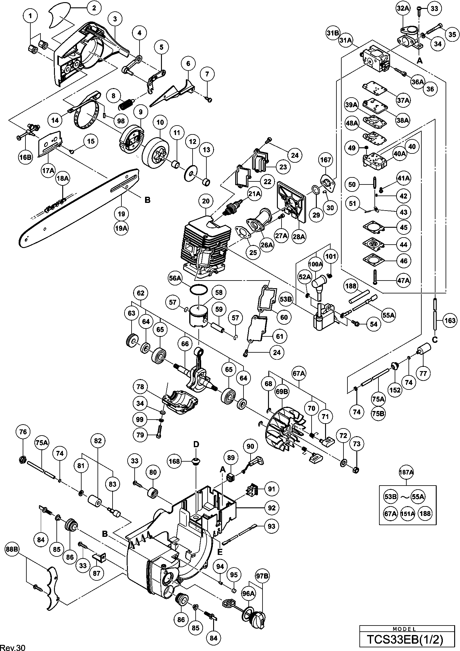
Dibujo técnico de los/las Hikoki TCS33EB
Lista de las piezas de repuesto de Hikoki TCS33EB
| Pos. | Descripción | Precio con el IVA excluido | Precio con el IVA incluido | |
| Los precios mostrados incluyen el IVA | ||||
| No hay información disponible, no se puede pedir | ||||
| *18A | 6697889 | |||
| Ensamble de bujía (antiguo 6685085) | ||||
| *21A | 6699317 | 6.76 | 8.18 | |
| No hay información disponible, no se puede pedir | ||||
| *501 | 6685440 | |||
| Tuerca de abrazadera de barra de cadena | ||||
| 1 | 6685416 | 1.05 | 1.27 | |
| Placa de nombre Nueva | ||||
| 2 | 6696332 | 1.20 | 1.45 | |
| Subensamblaje de cubierta lateral | ||||
| 3 | 6685406 | 8.85 | 10.71 | |
| ENSAMBLAJE DE SOPORTE DE FRENO | ||||
| 4 | 6685387 | 4.05 | 4.90 | |
| Conjunto de enlace de freno | ||||
| 5 | 6685388 | 4.05 | 4.90 | |
| Cubierta de enlace de freno | ||||
| 6 | 6685392 | 1.05 | 1.27 | |
| Tornillo Autoperforante (con brida) D4x16 (negro) | ||||
| 7 | 305812 | 1.04 | 1.26 | |
| Resorte de freno (antiguo 6685167) | ||||
| 8 | 6685389 | 1.05 | 1.27 | |
| No hay información disponible, no se puede pedir | ||||
| 9 | 6685362 | |||
| CAJA DE EMBRAGUE | ||||
| 10 | 6685403 | 10.20 | 12.34 | |
| RODAMIENTO DE AGUJAS | ||||
| 11 | 6685361 | 4.05 | 4.90 | |
| Arandela | ||||
| 12 | 6685414 | 1.05 | 1.27 | |
| Ya no disponible, sin reemplazo | ||||
| 13 | 6685360 | |||
| Banda de freno | ||||
| 14 | 6685390 | 4.05 | 4.90 | |
| Tornillo de roscar D3 | ||||
| 15 | 6685415 | 1.05 | 1.27 | |
| Extractor de Cadena | ||||
| 16B | 6698986 | 13.35 | 16.15 | |
| Placa de Guía | ||||
| 17A | 6685394 | 2.10 | 2.54 | |
| No hay información disponible, no se puede pedir | ||||
| 18A | 6697889 | |||
| No hay información disponible, no se puede pedir | ||||
| 19 | 6685395 | |||
| No hay información disponible, no se puede pedir | ||||
| 19A | 6696994 | |||
| CILINDRO | ||||
| 20 | 6685405 | 56.65 | 68.55 | |
| Ensamble de bujía Bpmr6a (antiguo 6685086) | ||||
| 21A | 6699319 | 8.91 | 10.78 | |
| Ensamble de bujía (antiguo 6685085) | ||||
| 21A | 6699317 | 6.76 | 8.18 | |
| Junta | ||||
| 25 | 6685318 | 1.05 | 1.27 | |
| Admisión (a) | ||||
| 26A | 6698897 | 6.90 | 8.35 | |
| Junta hexagonal, perno de cabeza M4x10 | ||||
| 27A | 6696860 | 1.05 | 1.27 | |
| Aislante de carburador | ||||
| 28A | 6698898 | 2.10 | 2.54 | |
| Anillo O | ||||
| 29 | 6696316 | 1.20 | 1.45 | |
| Guía de pulso | ||||
| 30 | 6685321 | 1.05 | 1.27 | |
| Carburador (c) Wlb-3 Hasta abril de 2011 (viejo 66 | ||||
| 31A | 6685437 | 96.94 | 117.29 | |
| Carburador Ass'y (e) Wlb-5 | ||||
| 31B | 6698683 | 96.94 | 117.29 | |
| Soporte de limpiador (antiguo 6685323) | ||||
| 32A | 6696843 | 4.20 | 5.08 | |
| Tornillo autoperforante (con brida) D5x20 (negro) | ||||
| 33 | 302089 | 1.05 | 1.27 | |
| Arandela | ||||
| 34 | 6685408 | 1.05 | 1.27 | |
| Perno de cabeza hexagonal M5x45 | ||||
| 35 | 6696317 | 1.20 | 1.45 | |
| Tornillo de ajuste de ralentí | ||||
| 36 | 6699731 | 3.80 | 4.60 | |
| Tornillo de ajuste de ralentí | ||||
| 36A | 6696318 | 14.85 | 17.97 | |
| Junta de paso | ||||
| 37A | 6696319 | 5.11 | 6.19 | |
| Placa de paso | ||||
| 38A | 6696320 | 22.99 | 27.81 | |
| Junta de bomba (antiguo 577-25292-20 & 6696321) | ||||
| 39A | 6684692 | 29.19 | 35.32 | |
| Cuerpo Ass'y Bomba | ||||
| 40 | 6699645 | 13.76 | 16.65 | |
| Cuerpo de la bomba | ||||
| 40A | 6696322 | 27.23 | 32.94 | |
| Ya no disponible, sin reemplazo | ||||
| 41A | 6691305 | |||
| Resorte de palanca de medición | ||||
| 42 | 6696323 | 4.63 | 5.60 | |
| Palanca de control (antiguo 473-25001-20) | ||||
| 43 | 6685217 | 3.30 | 3.99 | |
| Ya no disponible, sin reemplazo | ||||
| 44 | 6684690 | |||
| Ya no disponible, sin reemplazo | ||||
| 45 | 6685220 | |||
| Cubierta del diafragma (antiguo 476-25004-20) | ||||
| 46 | 6685222 | 4.45 | 5.38 | |
| Tornillo de ajuste (antiguo 548-25151-20 & 6696324 | ||||
| 47A | 6684699 | 2.15 | 2.60 | |
| Diafragma de bomba (antiguo 576-25100-20 & 6696325 | ||||
| 48A | 6684693 | 8.58 | 10.38 | |
| Pantalla de entrada (antiguo 578-25007-20) | ||||
| 49 | 6684700 | 4.29 | 5.19 | |
| Válvula de aguja (antiguo 603-25012-20) | ||||
| 50 | 6685215 | 5.28 | 6.38 | |
| Pasador de bisagra (antiguo 605-25001-20) | ||||
| 51 | 6685219 | 1.15 | 1.39 | |
| Ya no disponible, sin reemplazo | ||||
| 52A | 6698700 | |||
| Ya no disponible, sin reemplazo | ||||
| 53B | 6699989 | |||
| Perno de cabeza hexagonal M4x18 (con arandelas) | ||||
| 54 | 6696326 | 1.20 | 1.45 | |
| Cable (b) (antiguo 6685338) | ||||
| 55A | 6699991 | 1.05 | 1.27 | |
| Anillo de pistón (xr1-1856) | ||||
| 56A | 6685331 | 4.05 | 4.90 | |
| Clip de Cir | ||||
| 57 | 6685326 | 1.05 | 1.27 | |
| PISTÓN | ||||
| 58 | 6685325 | 7.65 | 9.26 | |
| Pasador del pistón | ||||
| 59 | 6685327 | 1.05 | 1.27 | |
| Conjunto de Gusano de Manivela | ||||
| 62 | 6685396 | 76.73 | 92.84 | |
| Gusano | ||||
| 63 | 6685330 | 4.50 | 5.44 | |
| Sello de aceite | ||||
| 64 | 6685329 | 2.10 | 2.54 | |
| RODAMIENTO DE BOLAS | ||||
| 65 | 6685328 | 3.00 | 3.63 | |
| Cigüeñal | ||||
| 66 | 6685324 | 43.86 | 53.07 | |
| Ya no disponible, sin reemplazo | ||||
| 67A | 6699993 | |||
| Anillo de retención D4 | ||||
| 68 | 6685336 | 1.05 | 1.27 | |
| Rotor de magneto | ||||
| 69B | 6699990 | 5.85 | 7.08 | |
| Muelle | ||||
| 70 | 6685335 | 1.05 | 1.27 | |
| Trinquete de arranque | ||||
| 71 | 6685334 | 1.05 | 1.27 | |
| Arandela | ||||
| 72 | 6685410 | 1.05 | 1.27 | |
| Tuerca | ||||
| 73 | 6685337 | 1.05 | 1.27 | |
| Clip D6 (antiguo 680-00070-20) | ||||
| 74 | 6685198 | 1.15 | 1.39 | |
| Tubo de Combustible | ||||
| 75A | 6698715 | 9.75 | 11.80 | |
| Pasarrosca de Combustible | ||||
| 76 | 6685308 | 1.05 | 1.27 | |
| Filtro de bomba | ||||
| 77A | 6600351 | 2.70 | 3.27 | |
| Carter de cigüeñal | ||||
| 78 | 6685339 | 4.50 | 5.44 | |
| Tornillo hexagonal M5 | ||||
| 79 | 6685412 | 1.05 | 1.27 | |
| Amortiguador (b) | ||||
| 80 | 6685313 | 2.10 | 2.54 | |
| Arandela | ||||
| 81 | 6685407 | 1.05 | 1.27 | |
| Cuerpo del filtro de aceite (antiguo 486-32710-90) | ||||
| 82 | 6685249 | 2.31 | 2.80 | |
| Cuerpo de filtro de aceite | ||||
| 83 | 6685310 | 1.05 | 1.27 | |
| Bolt del Conjunto de Amortiguador | ||||
| 84 | 6685413 | 1.05 | 1.27 | |
| Casquillo Espaciador | ||||
| 85 | 696314 | 3.45 | 4.17 | |
| AMORTIGUADOR (A) | ||||
| 86 | 6696327 | 4.20 | 5.08 | |
| Capturador de Cadena | ||||
| 87 | 6685363 | 1.05 | 1.27 | |
| Pasador | ||||
| 88B | 6696329 | 10.20 | 12.34 | |
| Goma de la varilla del estrangulador | ||||
| 89 | 6685369 | 1.05 | 1.27 | |
| Botón de Estrangulación | ||||
| 90 | 6685368 | 1.05 | 1.27 | |
| Ya no disponible, sin reemplazo | ||||
| 91A | 6601275 | |||
| Carcasa del motor | ||||
| 92 | 6685307 | 27.50 | 33.28 | |
| Cordón (a) | ||||
| 93 | 6685365 | 1.05 | 1.27 | |
| Válvula de ventilación de aire (b) | ||||
| 94 | 6685370 | 2.10 | 2.54 | |
| Esponja de ventilación de aire | ||||
| 95 | 66A6188 | 1.50 | 1.82 | |
| Empaque de tapa de tanque (viejo 630-3252k-20/6685 | ||||
| 96A | 6685179 | 1.15 | 1.39 | |
| Tapa del tanque completa | ||||
| 97A | 6698854 | 4.20 | 5.08 | |
| Tapa del tanque completa | ||||
| 97B | 6698358 | 4.20 | 5.08 | |
| Rodillo de agujas D3 | ||||
| 98 | 6685391 | 1.05 | 1.27 | |
| Arandela de resorte M5 (10 piezas) | ||||
| 99 | 949454 | 1.04 | 1.26 | |
| No hay información disponible, no se puede pedir | ||||
| 100B | 6601421 | |||
| No hay información disponible, no se puede pedir | ||||
| 101 | 6699186 | |||
| Perno de cabeza hexagonal con sello M5x16 | ||||
| 121A | 6699415 | 1.80 | 2.18 | |
| Tubo de escape | ||||
| 122B | 6699412 | 1.04 | 1.26 | |
| Placa de fijación de gasa (b) | ||||
| 123B | 6699414 | 1.04 | 1.26 | |
| Gasa de escape | ||||
| 124A | 6699413 | 1.04 | 1.26 | |
| No hay información disponible, no se puede pedir | ||||
| 125A | 6699411 | |||
| Empaquetadura de silenciador | ||||
| 126 | 6685346 | 2.10 | 2.54 | |
| Cubierta del filtro de aire | ||||
| 127 | 6685382 | 2.10 | 2.54 | |
| Botón del limpiador | ||||
| 128A | 6696849 | 1.20 | 1.45 | |
| Varilla de aceleración | ||||
| 129A | 6696846 | 2.10 | 2.54 | |
| Empuñadura Trasera | ||||
| 130A | 6698805 | 1.05 | 1.27 | |
| Bloqueo del interruptor | ||||
| 131 | 6685350 | 1.05 | 1.27 | |
| Resorte de la palanca del acelerador (antiguo 6685 | ||||
| 132A | 6600341 | 1.04 | 1.26 | |
| Pasador de Resorte 5x25 (antiguo 993-26005-254) | ||||
| 133 | 6685282 | 1.15 | 1.39 | |
| Regulador | ||||
| 134 | 6685348 | 1.05 | 1.27 | |
| Tapa interna Ass'y | ||||
| 135A | 6685351 | 4.50 | 5.44 | |
| Asa de arco | ||||
| 137A | 6698997 | 9.15 | 11.07 | |
| Elemento del filtro de aire | ||||
| 138 | 6685378 | 8.10 | 9.80 | |
| Placa de obturador | ||||
| 139 | 6685381 | 1.05 | 1.27 | |
| Etiqueta de precaución (d) Nueva | ||||
| 141 | 6696335 | 2.10 | 2.54 | |
| Etiqueta de precaución (e) Nueva | ||||
| 141 | 6696336 | 2.10 | 2.54 | |
| Manija del freno | ||||
| 142 | 6685373 | 5.85 | 7.08 | |
| Resorte de palanca de freno | ||||
| 143 | 6685374 | 1.05 | 1.27 | |
| Rodillo de aguja | ||||
| 144 | 6685356 | 1.05 | 1.27 | |
| Caja de la bomba (antiguo 6685353) | ||||
| 145A | 6699118 | 7.50 | 9.08 | |
| Resorte de engranaje de bomba | ||||
| 146 | 6685355 | 1.05 | 1.27 | |
| Engranaje de la bomba | ||||
| 147 | 6685354 | 2.10 | 2.54 | |
| Ya no disponible, sin reemplazo | ||||
| 148 | 6685357 | |||
| Cubierta de la bomba | ||||
| 149 | 6685359 | 1.05 | 1.27 | |
| Unión de Tubo | ||||
| 150 | 6685358 | 1.05 | 1.27 | |
| Deflector de aire | ||||
| 151A | 6600345 | 1.04 | 1.26 | |
| Ya no disponible, sin reemplazo | ||||
| 152 | 6698931 | |||
| Arrancador de retroceso, incl. 173-175,180-182,184 | ||||
| 160B | 6696847 | 20.90 | 25.29 | |
| No hay información disponible, no se puede pedir | ||||
| 160C | 6698684 | |||
| Etiqueta Tanaka Nueva | ||||
| 161 | 6696339 | 1.20 | 1.45 | |
| Tornillo de roscado (con brida) D5x25 (negro) | ||||
| 162 | 305558 | 1.04 | 1.26 | |
| INTAKE SPACER | ||||
| 167 | 6698847 | 9.90 | 11.98 | |
| Etiqueta de marca de tanque | ||||
| 171 | 6698921 | 1.20 | 1.45 | |
| Etiqueta de marca de tanque (25:1) | ||||
| 171 | 6698922 | 1.20 | 1.45 | |
| TORNILLO DE AJUSTE | ||||
| 173 | 6699475 | 1.04 | 1.26 | |
| Ya no disponible, sin reemplazo | ||||
| 174 | 6699481 | |||
| Ya no disponible, sin reemplazo | ||||
| 175 | 6699480 | |||
| TORNILLO DE AJUSTE | ||||
| 176 | 6699476 | 1.04 | 1.26 | |
| Ya no disponible, sin reemplazo | ||||
| 177 | 6699478 | |||
| Muelle amortiguador | ||||
| 178 | 6699479 | 1.65 | 2.00 | |
| Bobina | ||||
| 179 | 6699485 | 2.40 | 2.90 | |
| Cuerda de arranque | ||||
| 180 | 6699468 | 1.04 | 1.26 | |
| Cuerda de arranque | ||||
| 180 | 6699469 | 1.04 | 1.26 | |
| Tope de cuerda | ||||
| 181 | 6699465 | 1.04 | 1.26 | |
| Botón de arranque | ||||
| 182 | 6699467 | 1.95 | 2.36 | |
| Conjunto de asa de arranque | ||||
| 183 | 6699471 | 3.15 | 3.81 | |
| Carcasa del ventilador | ||||
| 184 | 6699486 | 7.80 | 9.44 | |
| Carcasa del ventilador | ||||
| 184A | 6699494 | 11.10 | 13.43 | |
| Perno Hd. M4x10 (con anillo) | ||||
| 185 | 329983 | 1.65 | 2.00 | |
| Set de Silenciador (reparación) Incl.121a,122b,123 | ||||
| 186 | 6699408 | 11.40 | 13.79 | |
| Set de Silenciador (reparación) Incl.125a,121a Has | ||||
| 186 | 6699407 | 9.30 | 11.25 | |
| Escape (c) Ass'y (antiguo 6699406) | ||||
| 186A | 6601475 | 33.41 | 40.43 | |
| Conjunto de Magneto | ||||
| 187A | 6600344 | 34.93 | 42.26 | |
| Tubo de aislamiento de cordón desde 11.2013 | ||||
| 188 | 6600343 | 1.04 | 1.26 | |
| No hay información disponible, no se puede pedir | ||||
| 501 | 6685440 | |||
| Llave Combi Box | ||||
| 502 | 6685402 | 3.15 | 3.81 | |
| No hay información disponible, no se puede pedir | ||||
| 601 | 6696995 | |||
| No hay información disponible, no se puede pedir | ||||
| 601A | 6696994 | |||
| Pasador | ||||
| 602 | 6696329 | 10.20 | 12.34 | |