Aquí encontrará todas las piezas y dibujos técnicos disponibles de 'Hikoki TCS33EDP'. Desde aquí podrá pedir todas las piezas deseadas directamente. Para muchas piezas de repuesto, es necesario pasar un pedido al fabricante. Dependiendo de la marca, el plazo de entrega puede variar entre una y cuatro semanas. Toda la información que tenemos está en nuestro sitio web. No podremos aconsejarle sobre lo que necesita hasta que entregue la máquina para su reparación. Tenga en cuenta lo siguiente a la hora de cursar su pedido:
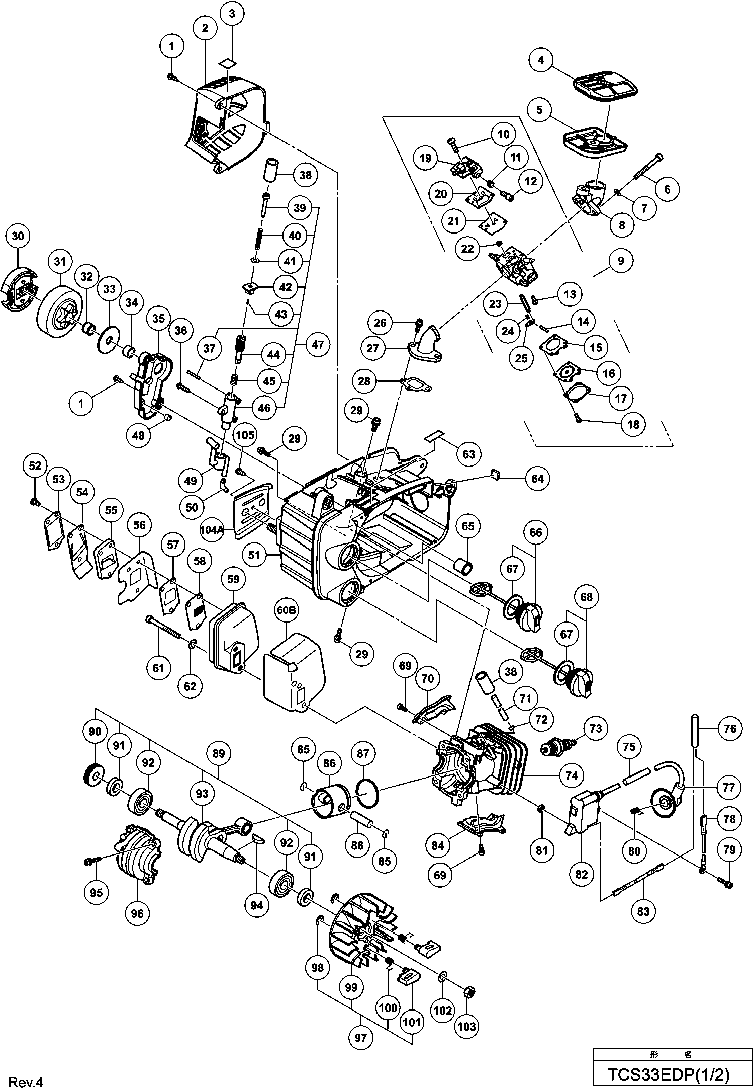
Dibujo técnico de los/las Hikoki TCS33EDP
Lista de las piezas de repuesto de Hikoki TCS33EDP
| Pos. | Descripción | Precio con el IVA excluido | Precio con el IVA incluido | |
| Los precios mostrados incluyen el IVA | ||||
| No hay información disponible, no se puede pedir | ||||
| *132 | 6697889 | |||
| No hay información disponible, no se puede pedir | ||||
| *501 | 6685440 | |||
| Tornillo Autoperforante (con brida) D4x16 (negro) | ||||
| 1 | 305812 | 1.04 | 1.26 | |
| Cubierta del silenciador | ||||
| 2 | 6696821 | 7.95 | 9.62 | |
| Etiqueta de precaución (caliente) | ||||
| 3 | 6698864 | 1.20 | 1.45 | |
| No hay información disponible, no se puede pedir | ||||
| 4 | 6699969 | |||
| Elemento de filtro de aire (a) | ||||
| 5 | 6699968 | 3.30 | 3.99 | |
| Tornillo de cabeza hexagonal M5x45 (10 piezas) | ||||
| 6 | 949824 | 3.90 | 4.72 | |
| Arandela | ||||
| 7 | 6685408 | 1.05 | 1.27 | |
| Soporte para limpiador | ||||
| 8 | 6699966 | 1.04 | 1.26 | |
| Carburador Ass'y | ||||
| 9 | 6699976 | 49.23 | 59.56 | |
| Tornillo (antiguo 514-25001-20) | ||||
| 10 | 6685210 | 1.15 | 1.39 | |
| Resorte de ajuste de ralentí (antiguo 463-25006-20 | ||||
| 11 | 6685297 | 2.31 | 2.80 | |
| Tornillo de ajuste de ralentí (antiguo 462-25016-2 | ||||
| 12 | 6685298 | 2.31 | 2.80 | |
| Tornillo de fijación de pasador de bisagra (antigu | ||||
| 13 | 6685218 | 2.31 | 2.80 | |
| Pasador de bisagra (antiguo 605-25001-20) | ||||
| 14 | 6685219 | 1.15 | 1.39 | |
| Ya no disponible, sin reemplazo | ||||
| 15 | 6685220 | |||
| Ya no disponible, sin reemplazo | ||||
| 16 | 6684690 | |||
| Cubierta del diafragma (antiguo 476-25004-20) | ||||
| 17 | 6685222 | 4.45 | 5.38 | |
| Tornillo de ajuste (antiguo 548-25012-20) | ||||
| 18 | 6685223 | 1.15 | 1.39 | |
| No hay información disponible, no se puede pedir | ||||
| 19 | 6600091 | |||
| Junta de la bomba (antiguo 577-25007-20) | ||||
| 20 | 6685212 | 2.31 | 2.80 | |
| Diafragma de la bomba (antiguo 576-25006-20) | ||||
| 21 | 6685213 | 4.45 | 5.38 | |
| Pantalla de entrada (antiguo 578-25007-20) | ||||
| 22 | 6684700 | 4.29 | 5.19 | |
| Válvula de aguja (antiguo 603-25012-20) | ||||
| 23 | 6685215 | 5.28 | 6.38 | |
| Resorte de válvula (antiguo 477-25343-20) | ||||
| 24 | 6685216 | 2.31 | 2.80 | |
| Palanca de control (antiguo 473-25001-20) | ||||
| 25 | 6685217 | 3.30 | 3.99 | |
| Tornillo con agujero hexagonal M4 | ||||
| 26 | 6698792 | 1.20 | 1.45 | |
| Admisión | ||||
| 27 | 6699951 | 4.65 | 5.63 | |
| Junta | ||||
| 28 | 6699952 | 1.04 | 1.26 | |
| No hay información disponible, no se puede pedir | ||||
| 29 | 6699044 | |||
| No hay información disponible, no se puede pedir | ||||
| 30 | 6600316 | |||
| Carcasa del Embrague Comp. (antiguo 310-32710-20/6 | ||||
| 31 | 6685144 | 14.53 | 17.58 | |
| RODAMIENTO DE AGUJAS | ||||
| 32 | 6685361 | 4.05 | 4.90 | |
| Arandela | ||||
| 33 | 6685414 | 1.05 | 1.27 | |
| Ya no disponible, sin reemplazo | ||||
| 34 | 6685360 | |||
| Cubierta de la bomba de aceite | ||||
| 35 | 6699610 | 2.80 | 3.39 | |
| Tornillo autoperforante (con brida) D4x20 (negro) | ||||
| 36 | 302086 | 1.05 | 1.27 | |
| Rodillo de aguja | ||||
| 37 | 6685356 | 1.05 | 1.27 | |
| Esponja Ídolo | ||||
| 38 | 6696793 | 1.20 | 1.45 | |
| Ajustador de la bomba de aceite | ||||
| 39 | 6699960 | 1.65 | 2.00 | |
| No hay información disponible, no se puede pedir | ||||
| 40 | 6699961 | |||
| Arandela del perno M4 (negro) Para 220v-240v | ||||
| 41 | 323210 | 1.05 | 1.27 | |
| No hay información disponible, no se puede pedir | ||||
| 42 | 6699959 | |||
| No hay información disponible, no se puede pedir | ||||
| 43 | 6600046 | |||
| Engranaje de bomba (ed) | ||||
| 44 | 6699957 | 1.95 | 2.36 | |
| Resorte para bomba de engranajes | ||||
| 45 | 6699958 | 1.04 | 1.26 | |
| Caja de la bomba (antiguo 6685353) | ||||
| 46 | 6699119 | 7.50 | 9.08 | |
| Conjunto de la bomba | ||||
| 47 | 6600085 | 15.54 | 18.80 | |
| No hay información disponible, no se puede pedir | ||||
| 48 | 6685371 | |||
| Tubería de aceite | ||||
| 49 | 6696811 | 2.10 | 2.54 | |
| Unión de Tubo | ||||
| 50 | 6685358 | 1.05 | 1.27 | |
| No hay información disponible, no se puede pedir | ||||
| 51 | 6600084 | |||
| No hay información disponible, no se puede pedir | ||||
| 52 | 6600048 | |||
| Placa de empaque | ||||
| 53 | 6698861 | 1.20 | 1.45 | |
| Empaque especial (s) | ||||
| 54 | 6698862 | 1.20 | 1.45 | |
| Tubo de escape | ||||
| 55 | 6696816 | 1.20 | 1.45 | |
| Empaque especial de silenciador | ||||
| 56 | 6696818 | 1.20 | 1.45 | |
| Placa de fijación de malla | ||||
| 57 | 6696817 | 1.20 | 1.45 | |
| Gasa de escape | ||||
| 58 | 6696815 | 1.20 | 1.45 | |
| SILENCIADOR | ||||
| 59 | 6600049 | 21.45 | 25.95 | |
| No hay información disponible, no se puede pedir | ||||
| 60B | 6600445 | |||
| No hay información disponible, no se puede pedir | ||||
| 61 | 6696819 | |||
| Arandela M6 (10 Piezas) | ||||
| 62 | 949432 | 1.05 | 1.27 | |
| No hay información disponible, no se puede pedir | ||||
| 63 | 6698921 | |||
| No hay información disponible, no se puede pedir | ||||
| 64 | 6600047 | |||
| Tapa interna Ass'y | ||||
| 65 | 6685351 | 4.50 | 5.44 | |
| No hay información disponible, no se puede pedir | ||||
| 66 | 6698854 | |||
| Empaque de tapa de tanque (viejo 630-3252k-20/6685 | ||||
| 67 | 6685179 | 1.15 | 1.39 | |
| Tapa del tanque completa | ||||
| 68 | 6698358 | 4.20 | 5.08 | |
| Tornillo (10 piezas) | ||||
| 69 | 949812 | 2.40 | 2.90 | |
| No hay información disponible, no se puede pedir | ||||
| 70 | 6696766 | |||
| Línea de combustible (fkm) | ||||
| 71 | 6698907 | 7.95 | 9.62 | |
| No hay información disponible, no se puede pedir | ||||
| 72 | 6685311 | |||
| No hay información disponible, no se puede pedir | ||||
| 73 | 6699320 | |||
| CILINDRO | ||||
| 74 | 6600083 | 54.59 | 66.05 | |
| Tubo de aislamiento de cable L100 | ||||
| 75 | 6600051 | 1.04 | 1.26 | |
| Tubo de aislamiento de cordón desde 11.2013 | ||||
| 76 | 6699175 | 1.20 | 1.45 | |
| SPARK PLUG CAP | ||||
| 77 | 6696771 | 1.98 | 2.40 | |
| Cordón | ||||
| 78 | 6600052 | 1.04 | 1.26 | |
| Perno de cabeza hexagonal M4x18 (con arandelas) | ||||
| 79 | 6696326 | 1.20 | 1.45 | |
| Conexión De Metal De La Tapa Del Enchufe (a) | ||||
| 80 | 6696772 | 1.20 | 1.45 | |
| Ya no disponible, sin reemplazo | ||||
| 81 | 6698700 | |||
| Bobina | ||||
| 82 | 6699977 | 26.26 | 31.78 | |
| Cordón (a) | ||||
| 83 | 6699948 | 1.04 | 1.26 | |
| No hay información disponible, no se puede pedir | ||||
| 84 | 6696765 | |||
| Clip de Cir | ||||
| 85 | 6685326 | 1.05 | 1.27 | |
| PISTÓN | ||||
| 86 | 6698806 | 13.36 | 16.17 | |
| Anillo de pistón (xr1-1856) | ||||
| 87 | 6685331 | 4.05 | 4.90 | |
| Pasador De Pistón (viejo 6685079) | ||||
| 88 | 6696764 | 1.20 | 1.45 | |
| Conjunto de Gusano de Manivela | ||||
| 89 | 6698853 | 66.55 | 80.53 | |
| Gusano | ||||
| 90 | 6685330 | 4.50 | 5.44 | |
| Sello de aceite | ||||
| 91 | 6685329 | 2.10 | 2.54 | |
| RODAMIENTO DE BOLAS | ||||
| 92 | 6685328 | 3.00 | 3.63 | |
| No hay información disponible, no se puede pedir | ||||
| 93 | 6696762 | |||
| Chaveta semilunar 3x13x4.5 (antiguo 068-10100-20) | ||||
| 94 | 6684899 | 2.15 | 2.60 | |
| No hay información disponible, no se puede pedir | ||||
| 95 | 6698386 | |||
| Carter de cigüeñal | ||||
| 96 | 6696767 | 5.70 | 6.90 | |
| Subconjunto de magneto | ||||
| 97 | 6600090 | 36.71 | 44.42 | |
| Anillo de retención D4 | ||||
| 98 | 6685336 | 1.05 | 1.27 | |
| Rotor de magneto comp. | ||||
| 99 | 6600053 | 8.85 | 10.71 | |
| Muelle | ||||
| 100 | 6685335 | 1.05 | 1.27 | |
| Trinquete de arranque | ||||
| 101 | 6685334 | 1.05 | 1.27 | |
| Arandela de perno D7 | ||||
| 102 | 6696880 | 1.05 | 1.27 | |
| Tuerca | ||||
| 103 | 6696879 | 1.05 | 1.27 | |
| Placa de guía (c) | ||||
| 104A | 6600346 | 1.65 | 2.00 | |
| TORNILLO M4X35 | ||||
| 105 | 958715 | 1.04 | 1.26 | |
| Cubierta Lateral | ||||
| 121 | 6600088 | 13.95 | 16.88 | |
| Placa de soporte de freno | ||||
| 122 | 6696782 | 4.20 | 5.08 | |
| Resorte de palanca de freno | ||||
| 123 | 6696783 | 1.20 | 1.45 | |
| Manija del freno | ||||
| 124 | 6699972 | 5.10 | 6.17 | |
| Cubierta de enlace de freno | ||||
| 126 | 6696779 | 1.20 | 1.45 | |
| No hay información disponible, no se puede pedir | ||||
| 127 | 6600075 | |||
| Tuerca de abrazadera de barra de cadena (eu) | ||||
| 128 | 6600057 | 1.04 | 1.26 | |
| No hay información disponible, no se puede pedir | ||||
| 129 | 6600058 | |||
| Ya no disponible, sin reemplazo | ||||
| 130 | 6698986 | |||
| Placa de guía (b) (antiguo 6685157) | ||||
| 131 | 6696784 | 2.10 | 2.54 | |
| No hay información disponible, no se puede pedir | ||||
| 132 | 6697889 | |||
| No hay información disponible, no se puede pedir | ||||
| 133 | 6696995 | |||
| TORNILLO M4X35 | ||||
| 134 | 958715 | 1.04 | 1.26 | |
| Tornillo de rosca D3 | ||||
| 135 | 696352 | 1.13 | 1.36 | |
| No hay información disponible, no se puede pedir | ||||
| 136 | 6600054 | |||
| Conjunto de enlace de freno | ||||
| 137 | 6685388 | 4.05 | 4.90 | |
| No hay información disponible, no se puede pedir | ||||
| 138 | 6685140 | |||
| Rodillo de agujas D3 | ||||
| 139 | 6685391 | 1.05 | 1.27 | |
| Tornillo Autoperforante (con brida) D4x16 (negro) | ||||
| 140 | 305812 | 1.04 | 1.26 | |
| Cubierta del filtro de aire | ||||
| 141 | 6699970 | 2.70 | 3.27 | |
| Botón del limpiador | ||||
| 142 | 6699971 | 1.04 | 1.26 | |
| Empuñadura Trasera | ||||
| 143 | 6699965 | 1.65 | 2.00 | |
| Bloqueo del interruptor | ||||
| 144 | 6685350 | 1.05 | 1.27 | |
| No hay información disponible, no se puede pedir | ||||
| 145A | 6600341 | |||
| Pasador de Resorte 5x25 (antiguo 993-26005-254) | ||||
| 146 | 6685282 | 1.15 | 1.39 | |
| Ya no disponible, sin reemplazo | ||||
| 147A | 6601275 | |||
| No hay información disponible, no se puede pedir | ||||
| 148 | 6600082 | |||
| AMORTIGUADOR (A) | ||||
| 150 | 6696327 | 4.20 | 5.08 | |
| Casquillo Espaciador | ||||
| 151 | 696314 | 3.45 | 4.17 | |
| Bolt del Conjunto de Amortiguador | ||||
| 152 | 6685413 | 1.05 | 1.27 | |
| Palanca de estrangulador (antiguo 495-56300-20) | ||||
| 153 | 6685206 | 1.15 | 1.39 | |
| No hay información disponible, no se puede pedir | ||||
| 154 | 6699964 | |||
| OJAL | ||||
| 155 | 6698787 | 1.80 | 2.18 | |
| Palanca de acelerador (bermellón) | ||||
| 156 | 6698916 | 1.20 | 1.45 | |
| No hay información disponible, no se puede pedir | ||||
| 157 | 6699974 | |||
| OJAL | ||||
| 158 | 6698787 | 1.80 | 2.18 | |
| Sostenedor de primavera | ||||
| 159 | 6698409 | 2.10 | 2.54 | |
| No hay información disponible, no se puede pedir | ||||
| 160 | 6699962 | |||
| Muelle Antivibración | ||||
| 161 | 6698428 | 2.10 | 2.54 | |
| Pasacables de combustible (antiguo 701-72930-20) | ||||
| 162 | 6696167 | 1.15 | 1.39 | |
| No hay información disponible, no se puede pedir | ||||
| 163 | 6699975 | |||
| No hay información disponible, no se puede pedir | ||||
| 164 | 6600055 | |||
| Tuerca M6 | ||||
| 165 | 329934 | 1.73 | 2.09 | |
| No hay información disponible, no se puede pedir | ||||
| 166 | 6699963 | |||
| Esponja en ralentí | ||||
| 167 | 6600056 | 1.05 | 1.27 | |
| Tubería de combustible 2.5x4x90 (antiguo 700-02504 | ||||
| 168 | 6685267 | 1.15 | 1.39 | |
| Bomba de Cebado Comp. (antiguo 442-25143-80) | ||||
| 169 | 6685139 | 5.94 | 7.18 | |
| No hay información disponible, no se puede pedir | ||||
| 170 | 6600047 | |||
| Pasarrosca de Combustible | ||||
| 171 | 6685308 | 1.05 | 1.27 | |
| Válvula de ventilación de aire (b) | ||||
| 172 | 6685370 | 2.10 | 2.54 | |
| Tornillo de Chapa con Brida D5x15 | ||||
| 173 | 6698456 | 1.05 | 1.27 | |
| Pasador | ||||
| 174 | 6699973 | 1.80 | 2.18 | |
| Tornillo de Chapa con Brida D5x15 | ||||
| 175 | 6698456 | 1.05 | 1.27 | |
| Capturador de Cadena | ||||
| 176 | 6699950 | 1.04 | 1.26 | |
| Filtro de bomba | ||||
| 177A | 6600351 | 2.70 | 3.27 | |
| No hay información disponible, no se puede pedir | ||||
| 178 | 6685311 | |||
| Cuerpo de filtro de aceite | ||||
| 179 | 6685310 | 1.05 | 1.27 | |
| No hay información disponible, no se puede pedir | ||||
| 180 | 6696804 | |||
| Arandela | ||||
| 181 | 6685407 | 1.05 | 1.27 | |
| Tubo de Combustible | ||||
| 182 | 6698715 | 9.75 | 11.80 | |
| Conjunto de asa de arranque | ||||
| 183 | 6600061 | 2.55 | 3.09 | |
| Tope de cuerda | ||||
| 184 | 6699465 | 1.04 | 1.26 | |
| Botón de arranque | ||||
| 185 | 6699467 | 1.95 | 2.36 | |
| No hay información disponible, no se puede pedir | ||||
| 186 | 6600060 | |||
| Carcasa del ventilador | ||||
| 187 | 6600066 | 17.33 | 20.96 | |
| No hay información disponible, no se puede pedir | ||||
| 188 | 6600089 | |||
| Tornillo de ajuste (ns) | ||||
| 189 | 6600062 | 1.04 | 1.26 | |
| Placa de leva (ns) | ||||
| 190 | 6600064 | 1.95 | 2.36 | |
| Carrete (ns) | ||||
| 191 | 6600065 | 12.15 | 14.70 | |
| Resorte espiral (ns) | ||||
| 192 | 6600063 | 5.85 | 7.08 | |
| Tornillo de roscado (con brida) D5x25 (negro) | ||||
| 193 | 305558 | 1.04 | 1.26 | |
| Arandela | ||||
| 194 | 6685408 | 1.05 | 1.27 | |
| Mango frontal | ||||
| 195 | 6699967 | 6.30 | 7.62 | |
| SPRING COVER | ||||
| 196 | 6698865 | 1.08 | 1.31 | |
| Bolt del Conjunto de Amortiguador | ||||
| 197 | 6698859 | 1.20 | 1.45 | |
| ARRANCADOR DE RETROCESO ASS'Y (NS) NUEVO SEP | ||||
| 198 | 6699955 | 21.45 | 25.95 | |
| No hay información disponible, no se puede pedir | ||||
| 501 | 6685440 | |||
| No hay información disponible, no se puede pedir | ||||
| 502 | 6685402 | |||