Aquí encontrará todas las piezas y dibujos técnicos disponibles de 'Hikoki UT5V'. Desde aquí podrá pedir todas las piezas deseadas directamente. Para muchas piezas de repuesto, es necesario pasar un pedido al fabricante. Dependiendo de la marca, el plazo de entrega puede variar entre una y cuatro semanas. Toda la información que tenemos está en nuestro sitio web. No podremos aconsejarle sobre lo que necesita hasta que entregue la máquina para su reparación. Tenga en cuenta lo siguiente a la hora de cursar su pedido:
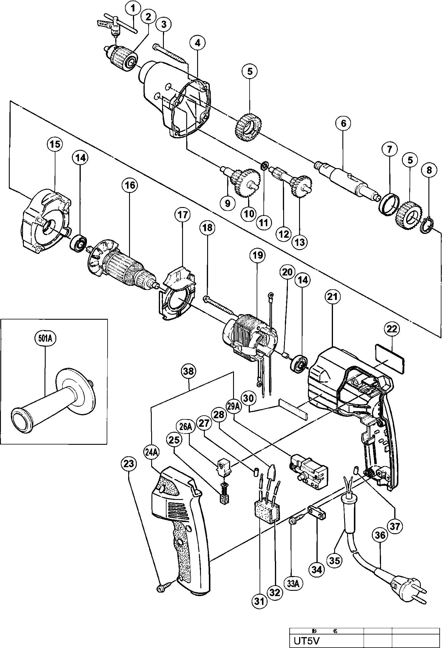
Dibujo técnico de los/las Hikoki UT5V
Lista de las piezas de repuesto de Hikoki UT5V
| Pos. | Descripción | Precio con el IVA excluido | Precio con el IVA incluido | |
| Los precios mostrados incluyen el IVA | ||||
| Interruptor Vtv16 desde 8.1999 | ||||
| *29A | 316257 | 32.18 | 38.93 | |
| Conjunto de interruptor y mango | ||||
| *38 | 318336 | 33.00 | 39.93 | |
| No hay información disponible, no se puede pedir | ||||
| 1 | 930029 | |||
| No hay información disponible, no se puede pedir | ||||
| 2 | 950283 | |||
| SCHROEF D4X45 | ||||
| 3 | 991031 | 1.00 | 1.21 | |
| TANDWIELHUIS | ||||
| 4 | 995640 | 19.69 | 23.82 | |
| TANDWIEL | ||||
| 5 | 995637 | 11.33 | 13.71 | |
| AS | ||||
| 6 | 995638 | 52.47 | 63.49 | |
| SPACER | ||||
| 7 | 995639 | 3.84 | 4.65 | |
| Anillo de retención D20 (10 piezas) | ||||
| 8 | 939547 | 3.90 | 4.72 | |
| TWEEDE AS | ||||
| 9 | 995635 | 22.50 | 27.22 | |
| TWEEDE TANDWIEL | ||||
| 10 | 995636 | 7.38 | 8.93 | |
| ARANDELA | ||||
| 11 | 995634 | 1.05 | 1.27 | |
| EERSTE AS | ||||
| 12 | 995632 | 25.90 | 31.34 | |
| EERSTE TANDWIEL | ||||
| 13 | 995633 | 6.42 | 7.77 | |
| Rodamiento de bolas 608vvmc2eps2l | ||||
| 14 | 608VVM | 5.70 | 6.90 | |
| No hay información disponible, no se puede pedir | ||||
| 15 | 995631 | |||
| No hay información disponible, no se puede pedir | ||||
| 16 | 360058F | |||
| Guía de ventilador | ||||
| 17 | 950504 | 1.65 | 2.00 | |
| TAPSCHROEF D4X40 | ||||
| 18 | 992630 | 1.00 | 1.21 | |
| No hay información disponible, no se puede pedir | ||||
| 19 | 340092K | |||
| BOLÍGRAFO DE GOMA | ||||
| 20 | 931701 | 1.05 | 1.27 | |
| HUIS | ||||
| 21 | 995630 | 7.62 | 9.22 | |
| Tornillo de grifo | ||||
| 23 | 982095 | 1.04 | 1.26 | |
| No hay información disponible, no se puede pedir | ||||
| 24A | 318338 | |||
| Escobilla de carbono (1 par) | ||||
| 25 | 999041 | 4.50 | 5.44 | |
| Soporte de Cepillo de Carbono | ||||
| 26A | 930483 | 1.65 | 2.00 | |
| Casquillo roscado para cable | ||||
| 27 | 981373 | 1.05 | 1.27 | |
| Terminal de Tierra | ||||
| 28 | 992635 | 1.05 | 1.27 | |
| Interruptor Vtv16 desde 8.1999 | ||||
| 29A | 316257 | 32.18 | 38.93 | |
| No hay información disponible, no se puede pedir | ||||
| 30 | 950565 | |||
| Caucho | ||||
| 31 | 930153 | 1.04 | 1.26 | |
| Condensador (antiguo 930030/991313) | ||||
| 32 | 994273 | 4.29 | 5.19 | |
| No hay información disponible, no se puede pedir | ||||
| 33A | 984750 | |||
| Tira de sujeción (antiguo 994566) | ||||
| 34 | 937631 | 1.04 | 1.26 | |
| Prensaestopas D8.2 | ||||
| 35 | 930487 | 2.25 | 2.72 | |
| Protector de Cable D10.2 (antiguo 930354) | ||||
| 35 | 980193 | 1.65 | 2.00 | |
| Cordón | ||||
| 36 | 930051 | 14.30 | 17.30 | |
| Casquillo roscado para cable | ||||
| 37 | 981373 | 1.05 | 1.27 | |
| Conjunto de interruptor y mango | ||||
| 38 | 318336 | 33.00 | 39.93 | |
| No hay información disponible, no se puede pedir | ||||
| 501A | 994322 | |||