Aquí encontrará todas las piezas y dibujos técnicos disponibles de 'Hikoki UT8V'. Desde aquí podrá pedir todas las piezas deseadas directamente. Para muchas piezas de repuesto, es necesario pasar un pedido al fabricante. Dependiendo de la marca, el plazo de entrega puede variar entre una y cuatro semanas. Toda la información que tenemos está en nuestro sitio web. No podremos aconsejarle sobre lo que necesita hasta que entregue la máquina para su reparación. Tenga en cuenta lo siguiente a la hora de cursar su pedido:
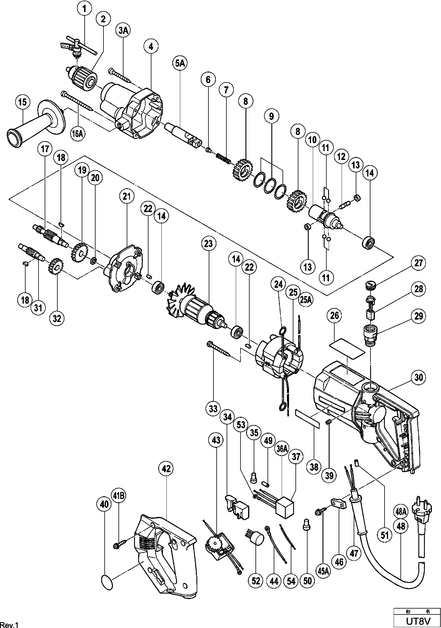
Dibujo técnico de los/las Hikoki UT8V
Lista de las piezas de repuesto de Hikoki UT8V
| Pos. | Descripción | Precio con el IVA excluido | Precio con el IVA incluido | |
| Los precios mostrados incluyen el IVA | ||||
| ARMADURA 230V | ||||
| *23 | 360053E | 63.25 | 76.53 | |
| No hay información disponible, no se puede pedir | ||||
| *25 | 340087J | |||
| Interruptor | ||||
| *34 | 971667Z | 20.21 | 24.46 | |
| Interruptor | ||||
| *34 | 994734 | 10.65 | 12.89 | |
| Controlador de velocidad | ||||
| *43 | 983582 | 67.10 | 81.19 | |
| Controlador de velocidad | ||||
| *43 | 983583Z | 67.10 | 81.19 | |
| Casquillo del cable D10.1 | ||||
| *47 | 938051 | 1.04 | 1.26 | |
| Cordón | ||||
| *48 | 930051 | 14.30 | 17.30 | |
| SNOER 10.7 (USE 714500=2X1 5M) | ||||
| *48 | 500247Z | 6.18 | 7.48 | |
| SNOER 2.5M 2 X 1.0 H05VV-F W/PLUG 13A/250V (OLD 50 | ||||
| *48A | 500423Z | 12.87 | 15.57 | |
| No hay información disponible, no se puede pedir | ||||
| 1 | 930119 | |||
| No hay información disponible, no se puede pedir | ||||
| 2 | 321809 | |||
| Tornillo D5x40 (antiguo 983454) | ||||
| 3A | 971303 | 1.05 | 1.27 | |
| Caja de engranajes | ||||
| 4 | 955911 | 46.75 | 56.57 | |
| AS (DISCON ZIE 995512) | ||||
| 5 | 943422 | 13.48 | 16.31 | |
| BARRA TOMMY | ||||
| 5A | 995512 | 22.41 | 27.12 | |
| CASQUILLO DE TENSIÓN 5X30 | ||||
| 6 | 943426 | 1.05 | 1.27 | |
| VEER | ||||
| 7 | 943427 | 1.00 | 1.21 | |
| ENGANCHE | ||||
| 8 | 943423 | 14.99 | 18.13 | |
| ARANDELA | ||||
| 9 | 943461 | 1.05 | 1.27 | |
| BARRA TOMMY | ||||
| 10 | 943453 | 32.18 | 38.93 | |
| Bola de acero D6.35 (10 piezas) | ||||
| 11 | 959150 | 1.35 | 1.63 | |
| Pin de guía | ||||
| 12 | 943424 | 2.40 | 2.90 | |
| Rodillo de guía | ||||
| 13 | 943425 | 1.65 | 2.00 | |
| Rodamiento de bolas 608vvmc2eps2l | ||||
| 14 | 608VVM | 5.70 | 6.90 | |
| No hay información disponible, no se puede pedir | ||||
| 15 | 994322 | |||
| TAPPING SCREW D5X65 (OLD 303376) | ||||
| 16A | 958422 | 1.00 | 1.21 | |
| EERSTE AS | ||||
| 17 | 943449 | 7.14 | 8.64 | |
| INLEGSPIE | ||||
| 18 | 943418 | 1.00 | 1.21 | |
| Primera Engranaje | ||||
| 19 | 955910 | 7.80 | 9.44 | |
| SLUITRING | ||||
| 20 | 943451 | 1.00 | 1.21 | |
| Cubierta interior | ||||
| 21 | 955909 | 26.40 | 31.94 | |
| PASADOR DE GOMA (ANTIGUO 976441) | ||||
| 22 | 946362 | 1.05 | 1.27 | |
| ARMADURA 230V | ||||
| 23 | 360053E | 63.25 | 76.53 | |
| Punto de contacto del Portaescobillas | ||||
| 24 | 930703 | 2.40 | 2.90 | |
| Stator 220v-230v H-90sa Includ.103 Para Nzl,saf | ||||
| 25 | 340087E | 43.86 | 53.07 | |
| No hay información disponible, no se puede pedir | ||||
| 25A | 340087L | |||
| Tapa del cepillo | ||||
| 27 | 961781 | 2.55 | 3.09 | |
| Escobilla de carbono (1 par) | ||||
| 28 | 999043 | 4.50 | 5.44 | |
| Soporte de Cepillo de Carbono | ||||
| 29 | 981586 | 6.45 | 7.80 | |
| CARCASA | ||||
| 30 | 983552 | 49.64 | 60.06 | |
| TWEEDE AS | ||||
| 31 | 943452 | 6.90 | 8.35 | |
| TWEEDE TANDWIEL | ||||
| 32 | 943420 | 4.44 | 5.37 | |
| Ya no disponible, sin reemplazo | ||||
| 33 | 992509 | |||
| Interruptor | ||||
| 34 | 971667Z | 20.21 | 24.46 | |
| Interruptor | ||||
| 34 | 957747 | 14.03 | 16.97 | |
| Terminal de soldadura 50091 (10 piezas) | ||||
| 35 | 959140 | 3.30 | 3.99 | |
| Condensador de supresión de interferencias | ||||
| 36A | 317491 | 7.35 | 8.89 | |
| Caucho | ||||
| 37 | 930153 | 1.04 | 1.26 | |
| No hay información disponible, no se puede pedir | ||||
| 38 | 957561 | |||
| Tornillo de ajuste Allen M4 X 5 | ||||
| 39 | 961681 | 1.04 | 1.26 | |
| MERKPLAAT | ||||
| 40 | 962994 | 1.00 | 1.21 | |
| Tornillo de roscado D4x20 con brida (negro) | ||||
| 41B | 301653 | 1.04 | 1.26 | |
| Cubierta del Mango | ||||
| 42 | 983572 | 12.45 | 15.06 | |
| Controlador de velocidad | ||||
| 43 | 983582 | 67.10 | 81.19 | |
| Controlador de velocidad | ||||
| 43 | 983583Z | 67.10 | 81.19 | |
| BEDRADING | ||||
| 44 | 981534 | 1.00 | 1.21 | |
| No hay información disponible, no se puede pedir | ||||
| 45A | 984750 | |||
| Abrazadera del cordón | ||||
| 46 | 960266 | 1.04 | 1.26 | |
| Armadura de cable D7.2 | ||||
| 47 | 307217 | 1.05 | 1.27 | |
| Protector de cable D8.8 | ||||
| 47 | 380090 | 1.04 | 1.26 | |
| Casquillo del cable D10.1 | ||||
| 47 | 938051 | 1.04 | 1.26 | |
| Cordón | ||||
| 48 | 930051 | 14.30 | 17.30 | |
| SNOER 2.5M 2 X 1.0 H05VV-F W/PLUG 13A/250V (OLD 50 | ||||
| 48A | 500423Z | 12.87 | 15.57 | |
| No hay información disponible, no se puede pedir | ||||
| 49 | 995511 | |||
| Terminal de soldadura 50092 (10 piezas) | ||||
| 50 | 959141 | 3.75 | 4.54 | |
| Soporte (b) para supresor de ruido | ||||
| 50 | 316186 | 1.65 | 2.00 | |
| Casquillo roscado para cable | ||||
| 51 | 981373 | 1.05 | 1.27 | |
| Bobina de restricción (antiguo 500259z) | ||||
| 52 | 955908 | 32.18 | 38.93 | |
| Terminal de Conexión | ||||
| 53 | 980063 | 1.04 | 1.26 | |
| No hay información disponible, no se puede pedir | ||||
| 54 | 320670 | |||