Aquí encontrará todas las piezas y dibujos técnicos disponibles de 'Hikoki VTP-16A'. Desde aquí podrá pedir todas las piezas deseadas directamente. Para muchas piezas de repuesto, es necesario pasar un pedido al fabricante. Dependiendo de la marca, el plazo de entrega puede variar entre una y cuatro semanas. Toda la información que tenemos está en nuestro sitio web. No podremos aconsejarle sobre lo que necesita hasta que entregue la máquina para su reparación. Tenga en cuenta lo siguiente a la hora de cursar su pedido:
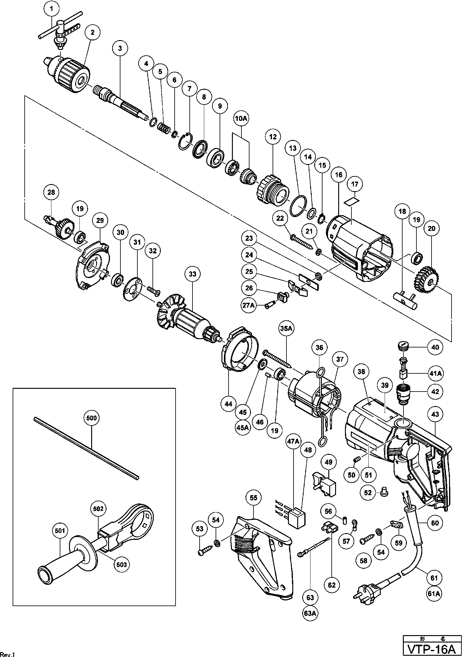
Dibujo técnico de los/las Hikoki VTP-16A
Lista de las piezas de repuesto de Hikoki VTP-16A
| Pos. | Descripción | Precio con el IVA excluido | Precio con el IVA incluido | |
| Los precios mostrados incluyen el IVA | ||||
| ARMADURA 230V | ||||
| *33 | 981611E | 134.20 | 162.38 | |
| Armazón 240V (antiguo 981611H) | ||||
| *33 | 981611F | 134.20 | 162.38 | |
| Conjunto de estator 240v Includ.103 | ||||
| *37 | 981610F | 47.44 | 57.40 | |
| Conjunto de estator 240v Includ.103 | ||||
| *37 | 981610H | 46.75 | 56.57 | |
| Campo | ||||
| *37 | 981610E | 46.75 | 56.57 | |
| Interruptor | ||||
| *49 | 971667Z | 20.21 | 24.46 | |
| Interruptor | ||||
| *49 | 957747 | 14.03 | 16.97 | |
| Casquillo del cable D10.1 | ||||
| *60 | 938051 | 1.04 | 1.26 | |
| No hay información disponible, no se puede pedir | ||||
| *61 | 500439Z | |||
| No hay información disponible, no se puede pedir | ||||
| *61A | 500505Z | |||
| No hay información disponible, no se puede pedir | ||||
| 1 | 930733 | |||
| No hay información disponible, no se puede pedir | ||||
| 2 | 950284 | |||
| BARRA TOMMY | ||||
| 3 | 981566 | 23.93 | 28.95 | |
| Anillo O (s-14) | ||||
| 4 | 876319 | 1.65 | 2.00 | |
| Muelle | ||||
| 5 | 981568 | 1.04 | 1.26 | |
| ARANDELA | ||||
| 6 | 971657 | 1.05 | 1.27 | |
| Anillo de Seguridad D35 (10 Piezas) | ||||
| 7 | 939556 | 10.20 | 12.34 | |
| Junta | ||||
| 8 | 981572 | 3.30 | 3.99 | |
| Rodamiento de bolas 6003 Vv | ||||
| 9 | 6003VV | 7.65 | 9.26 | |
| Trinquete A+b (antiguo 981565+981567) | ||||
| 10A | 981592 | 25.99 | 31.44 | |
| Arandela | ||||
| 12 | 981571 | 29.29 | 35.44 | |
| Anillo O (s-38) | ||||
| 13 | 980717 | 1.35 | 1.63 | |
| ARANDELA | ||||
| 14 | 971736 | 1.05 | 1.27 | |
| Arandela De Resorte D14 (10 Piezas) | ||||
| 15 | 939543 | 2.55 | 3.09 | |
| Caja de engranajes | ||||
| 16 | 981564 | 29.15 | 35.27 | |
| LABEL | ||||
| 17 | 971661 | 1.00 | 1.21 | |
| Alicates ajustables | ||||
| 18 | 981573 | 9.60 | 11.62 | |
| Rodamiento de bolas 608vvmc2eps2l | ||||
| 19 | 608VVM | 5.70 | 6.90 | |
| ENGANCHE | ||||
| 20 | 981570 | 40.84 | 49.41 | |
| Arandela de resorte M5 (10 piezas) | ||||
| 21 | 949454 | 1.04 | 1.26 | |
| Tornillo M5x45 | ||||
| 22 | 955912 | 1.05 | 1.27 | |
| ARANDELA | ||||
| 23 | 942864 | 1.05 | 1.27 | |
| Placa de junta | ||||
| 24 | 981574 | 1.05 | 1.27 | |
| Muelle | ||||
| 25 | 981575 | 1.05 | 1.27 | |
| Palanca de ajuste | ||||
| 26 | 981576 | 2.40 | 2.90 | |
| TORNILLO M4X35 | ||||
| 27A | 981577 | 5.25 | 6.35 | |
| Segundo engranaje | ||||
| 28 | 981569 | 35.06 | 42.43 | |
| Cubierta de la caja de engranajes (ver 982791z) | ||||
| 29 | 981581 | 32.18 | 38.93 | |
| Rodamiento de bolas 609vvmc2ps2s | ||||
| 30 | 609VVM | 6.00 | 7.26 | |
| Soporte De Cojinete | ||||
| 31 | 981585 | 2.70 | 3.27 | |
| Tornillo de cabeza hueca M15x16 Hd Seal Lock | ||||
| 32 | 981588 | 1.04 | 1.26 | |
| Armazón 240V (antiguo 981611H) | ||||
| 33 | 981611F | 134.20 | 162.38 | |
| ARMADURA 230V | ||||
| 33 | 981611E | 134.20 | 162.38 | |
| Tornillo D5x60 (antiguo 981561) | ||||
| 35A | 991007 | 1.35 | 1.63 | |
| Punto de contacto del Portaescobillas | ||||
| 36 | 930703 | 2.40 | 2.90 | |
| Conjunto de estator 240v Includ.103 | ||||
| 37 | 981610F | 47.44 | 57.40 | |
| Conjunto de estator 240v Includ.103 | ||||
| 37 | 981610H | 46.75 | 56.57 | |
| Campo | ||||
| 37 | 981610E | 46.75 | 56.57 | |
| Tapa del cepillo | ||||
| 40 | 961781 | 2.55 | 3.09 | |
| Cepillos de Carbón Autodesconectantes (2 Piezas) ( | ||||
| 41A | 999073 | 14.40 | 17.42 | |
| Soporte de Cepillo de Carbono | ||||
| 42 | 981586 | 6.45 | 7.80 | |
| CARCASA | ||||
| 43 | 981560 | 43.86 | 53.07 | |
| Guía de ventilador | ||||
| 44 | 981562 | 2.55 | 3.09 | |
| Anillo de sellado de polvo (a) | ||||
| 45 | 956387 | 2.10 | 2.54 | |
| Arandela (c) | ||||
| 45A | 984367 | 1.05 | 1.27 | |
| PASADOR DE GOMA (ANTIGUO 976441) | ||||
| 46 | 946362 | 1.05 | 1.27 | |
| Condensador (antiguo 930030/991313) | ||||
| 47A | 994273 | 4.29 | 5.19 | |
| Caucho | ||||
| 48 | 930153 | 1.04 | 1.26 | |
| Interruptor | ||||
| 49 | 971667Z | 20.21 | 24.46 | |
| Interruptor | ||||
| 49 | 957747 | 14.03 | 16.97 | |
| Tornillo de ajuste (10 piezas) | ||||
| 50 | 949365 | 1.04 | 1.26 | |
| No hay información disponible, no se puede pedir | ||||
| 51 | 957561 | |||
| Terminal de soldadura 50091 (10 piezas) | ||||
| 52 | 959140 | 3.30 | 3.99 | |
| Tornillo roscado (con arandela sp.) D4x20 | ||||
| 53 | 956384 | 1.05 | 1.27 | |
| Anillo M4 (10 piezas) | ||||
| 54 | 949423 | 1.05 | 1.27 | |
| Cubierta del Mango | ||||
| 55 | 981578 | 16.09 | 19.47 | |
| Casquillo roscado para cable | ||||
| 56 | 981373 | 1.05 | 1.27 | |
| Pestaña de contacto | ||||
| 57 | 938108 | 1.20 | 1.45 | |
| Tornillo autorroscante D4X16 | ||||
| 58 | 954004 | 1.04 | 1.26 | |
| Abrazadera del cordón | ||||
| 59 | 960266 | 1.04 | 1.26 | |
| Protector de cable D8.8 | ||||
| 60 | 380090 | 1.04 | 1.26 | |
| Casquillo del cable D10.1 | ||||
| 60 | 938051 | 1.04 | 1.26 | |
| No hay información disponible, no se puede pedir | ||||
| 61 | 500439Z | |||
| No hay información disponible, no se puede pedir | ||||
| 61A | 500505Z | |||
| Cable interno | ||||
| 63 | 981500 | 1.04 | 1.26 | |
| No hay información disponible, no se puede pedir | ||||
| 501 | 981579 | |||
| Placa de asa | ||||
| 502 | 981580 | 2.40 | 2.90 | |
| Manija de la pluma | ||||
| 503 | 983987 | 7.95 | 9.62 | |
| No hay información disponible, no se puede pedir | ||||
| 608 | 971670 | |||
| No hay información disponible, no se puede pedir | ||||
| 610B | 310905 | |||