Aquí encontrará todas las piezas y dibujos técnicos disponibles de 'Hikoki VTP-18'. Desde aquí podrá pedir todas las piezas deseadas directamente. Para muchas piezas de repuesto, es necesario pasar un pedido al fabricante. Dependiendo de la marca, el plazo de entrega puede variar entre una y cuatro semanas. Toda la información que tenemos está en nuestro sitio web. No podremos aconsejarle sobre lo que necesita hasta que entregue la máquina para su reparación. Tenga en cuenta lo siguiente a la hora de cursar su pedido:
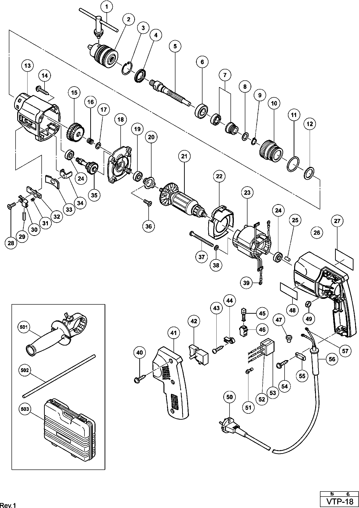
Dibujo técnico de los/las Hikoki VTP-18
Lista de las piezas de repuesto de Hikoki VTP-18
| Pos. | Descripción | Precio con el IVA excluido | Precio con el IVA incluido | |
| Los precios mostrados incluyen el IVA | ||||
| No hay información disponible, no se puede pedir | ||||
| *2 | 321813 | |||
| ARMADURA 230V | ||||
| *21 | 971666E | 93.36 | 112.97 | |
| Armature 240v | ||||
| *21 | 971666F | 75.49 | 91.34 | |
| Stator 220v-230v H-90sa Includ.103 Para Nzl,saf | ||||
| *23 | 971665E | 16.64 | 20.13 | |
| Interruptor | ||||
| *42 | 957747 | 14.03 | 16.97 | |
| Interruptor | ||||
| *42 | 994734 | 10.65 | 12.89 | |
| Cordón | ||||
| *50 | 930051 | 14.30 | 17.30 | |
| SNOER 2.5M 2 X 1.0 H05VV-F W/PLUG 13A/250V (OLD 50 | ||||
| *50 | 500423Z | 12.87 | 15.57 | |
| Cordón 2,5m 2 X 1.0 H05vv-f (Antiguo 500395z) | ||||
| *50 | 500447Z | 6.60 | 7.99 | |
| Protector de Cable D10.2 (antiguo 930354) | ||||
| *56 | 980193 | 1.65 | 2.00 | |
| Armadura de cable D7.2 | ||||
| *56 | 307217 | 1.05 | 1.27 | |
| PASACABLES D8.8 | ||||
| *56 | 303662 | 1.04 | 1.26 | |
| No hay información disponible, no se puede pedir | ||||
| 1 | 987576 | |||
| No hay información disponible, no se puede pedir | ||||
| 1A | 303334 | |||
| No hay información disponible, no se puede pedir | ||||
| 2 | 321813 | |||
| Anillo de parada D32 | ||||
| 3 | 948001 | 1.20 | 1.45 | |
| Junta | ||||
| 4 | 971654 | 1.95 | 2.36 | |
| BARRA TOMMY | ||||
| 5 | 980191 | 19.94 | 24.12 | |
| Rodamiento de bolas 6002dducmps2s | ||||
| 6 | 6002DD | 7.05 | 8.53 | |
| KLOPMECHANISME | ||||
| 7 | 997497 | 9.60 | 11.62 | |
| ARANDELA | ||||
| 8 | 980194 | 1.04 | 1.26 | |
| Arandela de resorte D12 (10 piezas) | ||||
| 9 | 939542 | 1.50 | 1.82 | |
| Dial de embrague | ||||
| 10 | 971645 | 10.05 | 12.16 | |
| Anillo-O (s-32) | ||||
| 11 | 872767 | 1.65 | 2.00 | |
| ARANDELA | ||||
| 12 | 953038 | 1.05 | 1.27 | |
| Caja de engranajes | ||||
| 13 | 971644 | 25.16 | 30.45 | |
| TORNILLO M4X35 | ||||
| 14 | 301654 | 1.05 | 1.27 | |
| ENGANCHE | ||||
| 15 | 980172 | 17.05 | 20.63 | |
| VEER | ||||
| 16 | 971656 | 1.00 | 1.21 | |
| ARANDELA | ||||
| 17 | 971657 | 1.05 | 1.27 | |
| Cubierta interior | ||||
| 18 | 971664 | 18.70 | 22.63 | |
| Rodamiento de bolas 608vvmc2eps2l | ||||
| 19 | 608VVM | 5.70 | 6.90 | |
| Soporte De Cojinete | ||||
| 20 | 971659 | 1.04 | 1.26 | |
| ARMADURA 230V | ||||
| 21 | 971666E | 93.36 | 112.97 | |
| Armature 240v | ||||
| 21 | 971666F | 75.49 | 91.34 | |
| Guía de ventilador | ||||
| 22 | 971642 | 1.05 | 1.27 | |
| Stator 220v-230v H-90sa Includ.103 Para Nzl,saf | ||||
| 23 | 971665E | 16.64 | 20.13 | |
| Rodamiento de bolas 608vvmc2eps2l | ||||
| 24 | 608VVM | 5.70 | 6.90 | |
| PASADOR DE GOMA (ANTIGUO 976441) | ||||
| 25 | 946362 | 1.05 | 1.27 | |
| Carcasa | ||||
| 26 | 316253 | 7.14 | 8.64 | |
| Tornillo de Cabeza Plana Seal Lock M14x12 (negro) | ||||
| 28 | 306729 | 1.05 | 1.27 | |
| Pasador Rodante D3x12 (10 Piezas) | ||||
| 29 | 949535 | 2.10 | 2.54 | |
| Bloqueo | ||||
| 30 | 971653 | 1.35 | 1.63 | |
| Muelle | ||||
| 31 | 943053 | 1.35 | 1.63 | |
| Placa de cambio | ||||
| 32 | 316254 | 3.00 | 3.63 | |
| Placa de junta | ||||
| 33 | 971672 | 1.95 | 2.36 | |
| Guía ajustable | ||||
| 34 | 971651 | 1.05 | 1.27 | |
| Segundo engranaje | ||||
| 35 | 971649 | 29.29 | 35.44 | |
| Tornillo de placa de bloqueo de sello M4x10 | ||||
| 36 | 990430 | 1.04 | 1.26 | |
| Ya no disponible, sin reemplazo | ||||
| 37 | 949278 | |||
| Arandela de resorte M5 (10 piezas) | ||||
| 38 | 949454 | 1.04 | 1.26 | |
| Terminal de Cable (antiguo 941562,10 St. | ||||
| 39 | 960356 | 3.00 | 3.63 | |
| Tornillo de roscado D4x20 con brida (negro) | ||||
| 40 | 301653 | 1.04 | 1.26 | |
| Cubierta del Mango | ||||
| 41 | 316255 | 3.60 | 4.36 | |
| Interruptor | ||||
| 42 | 957747 | 14.03 | 16.97 | |
| Tornillo autorroscante D4X16 | ||||
| 43 | 954004 | 1.04 | 1.26 | |
| HOUDERSTUK | ||||
| 44 | 971655 | 1.00 | 1.21 | |
| Escobilla de carbono (1 par) | ||||
| 45 | 999041 | 4.50 | 5.44 | |
| Soporte de Cepillo de Carbono | ||||
| 46 | 955203 | 2.40 | 2.90 | |
| Terminal de soldadura 50091 (10 piezas) | ||||
| 47 | 959140 | 3.30 | 3.99 | |
| Tuerca M4 (10 Piezas) | ||||
| 49 | 949554 | 1.05 | 1.27 | |
| Cordón | ||||
| 50 | 930051 | 14.30 | 17.30 | |
| SNOER 2.5M 2 X 1.0 H05VV-F W/PLUG 13A/250V (OLD 50 | ||||
| 50 | 500423Z | 12.87 | 15.57 | |
| Cordón 2,5m 2 X 1.0 H05vv-f (Antiguo 500395z) | ||||
| 50 | 500447Z | 6.60 | 7.99 | |
| Terminal de Conexión | ||||
| 51 | 980063 | 1.04 | 1.26 | |
| Condensador (antiguo 930030/991313) | ||||
| 52 | 994273 | 4.29 | 5.19 | |
| Caucho | ||||
| 53 | 930153 | 1.04 | 1.26 | |
| No hay información disponible, no se puede pedir | ||||
| 54 | 984750 | |||
| Tira de sujeción (antiguo 994566) | ||||
| 55 | 937631 | 1.04 | 1.26 | |
| Protector de Cable D10.2 (antiguo 930354) | ||||
| 56 | 980193 | 1.65 | 2.00 | |
| Armadura de cable D7.2 | ||||
| 56 | 307217 | 1.05 | 1.27 | |
| PASACABLES D8.8 | ||||
| 56 | 303662 | 1.04 | 1.26 | |
| Terminal de Conexión | ||||
| 57 | 980063 | 1.04 | 1.26 | |
| No hay información disponible, no se puede pedir | ||||
| 501 | 971662 | |||
| No hay información disponible, no se puede pedir | ||||
| 502 | 971677 | |||
| No hay información disponible, no se puede pedir | ||||
| 503 | 310904 | |||